Polaris
Browse New Models
Shop In-Stock
Honda
Browse New Models
Shop In-Stock
KTM
Browse New Models
Shop In-Stock
Beta
Browse New Models
Shop In-Stock
Timbersled
Browse New Models
1318 W 2nd St
,
The Dalles, OR
97058
541-298-1161
Search Inventory
Toggle navigation
Home
Brands
Inventory
All Inventory In Stock
New Inventory In Stock
Pre-Owned Inventory
Polaris Off-Road
Polaris Snowmobiles
Timbersled
Manufacturer Models
Value Your Trade-In
Request a Model
Government Purchasing Program
OEM Promotions
Secure Financing
Parts
Parts Department
Parts Finder
Shopping Cart
Service
Service Department
Warranty & Recall Look-Up
Schedule Polaris Service
Financing
About
Our Dealership
Our Team
Reviews
Customer Survey
Employment
Location & Hours
Contact
541-298-1161
The Dalles, OR
Fiche | Parts Diagrams
Home
›
Parts
›
Parts Finder
Search by :
Part / Desc
VIN
Please Select
Honda
KTM
Polaris
*Please enter at least 3 characters
SEARCH
Manufacturer
Honda
Motorcycles
2011
CBR600RR 2A
VIEW WISH LIST
Select a Section
Show/Hide
ACCESSORIES
AIR CLEANER
AIR INJECTION CONTROL
ALTERNATOR
BATTERY
BRAKE PEDAL@CHANGE PEDAL
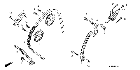
CAM CHAIN@TENSIONER
CAMSHAFT@VALVE
CLUTCH
CRANKCASE
CRANKSHAFT@PISTON
CYLINDER HEAD
CYLINDER HEAD COVER
EVAP CANISTER (CBR600RR)
FRAME
FRONT BRAKE CALIPER (2)
FRONT BRAKE MASTER
FRONT FENDER
FRONT FORK
FRONT WHEEL
FUEL INJECTOR
FUEL TANK
GASKET KIT A
GASKET KIT B
GEARSHIFT DRUM
GENERATOR COVER
HANDLE LEVER@SWITCH@CABLE
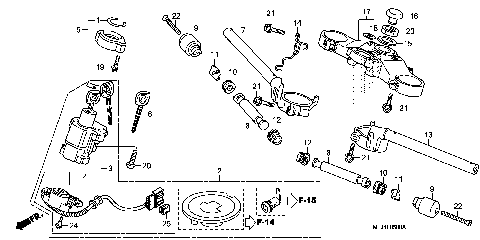
HANDLEBAR@TOP BRIDGE
HEADLIGHT
LABEL
LOWER COWL (L.) (2)
LOWER COWL (R.) (1)
MARK@STRIPE (4)
MARK@STRIPE (8)
MUFFLER
OIL PAN@OIL PUMP
RADIATOR
REAR BRAKE CALIPER
REAR BRAKE MASTER
REAR COWL
REAR FENDER
REAR SHOCK ABSORBER
REAR WHEEL
RIGHT CRANKCASE COVER (2)
SEAT
SERVO MOTOR
SPEEDOMETER
STAND
STARTER MOTOR
STARTING CLUTCH
STEERING DAMPER
STEERING STEM
STEP
SUB HARNESS
SWINGARM
TAILLIGHT
THERMOSTAT
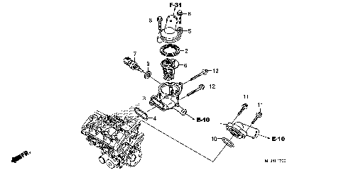
THROTTLE BODY
TOOLS
TRANSMISSION
TURN SIGNAL (2)
UPPER COWL
WATER PUMP
WIRE HARNESS
ACCESSORIES
AIR CLEANER
AIR INJECTION CONTROL
ALTERNATOR
BATTERY
BRAKE PEDAL@CHANGE PEDAL
CAM CHAIN@TENSIONER
CAMSHAFT@VALVE
CLUTCH
CRANKCASE
CRANKSHAFT@PISTON
CYLINDER HEAD
CYLINDER HEAD COVER
EVAP CANISTER (CBR600RR)
FRAME
FRONT BRAKE CALIPER (2)
FRONT BRAKE MASTER
FRONT FENDER
FRONT FORK
FRONT WHEEL
FUEL INJECTOR
FUEL TANK
GASKET KIT A
GASKET KIT B
GEARSHIFT DRUM
GENERATOR COVER
HANDLE LEVER@SWITCH@CABLE
HANDLEBAR@TOP BRIDGE
HEADLIGHT
LABEL
LOWER COWL (L.) (2)
LOWER COWL (R.) (1)
MARK@STRIPE (4)
MARK@STRIPE (8)
MUFFLER
OIL PAN@OIL PUMP
RADIATOR
REAR BRAKE CALIPER
REAR BRAKE MASTER
REAR COWL
REAR FENDER
REAR SHOCK ABSORBER
REAR WHEEL
RIGHT CRANKCASE COVER (2)
SEAT
SERVO MOTOR
SPEEDOMETER
STAND
STARTER MOTOR
STARTING CLUTCH
STEERING DAMPER
STEERING STEM
STEP
SUB HARNESS
SWINGARM
TAILLIGHT
THERMOSTAT
THROTTLE BODY
TOOLS
TRANSMISSION
TURN SIGNAL (2)
UPPER COWL
WATER PUMP
WIRE HARNESS
VIEW WISH LIST