Polaris
Browse New Models
Shop In-Stock
Honda
Browse New Models
Shop In-Stock
KTM
Browse New Models
Shop In-Stock
Beta
Browse New Models
Shop In-Stock
Timbersled
Browse New Models
1318 W 2nd St
,
The Dalles, OR
97058
541-298-1161
Search Inventory
Toggle navigation
Home
Brands
Inventory
All Inventory In Stock
New Inventory In Stock
Pre-Owned Inventory
Polaris Off-Road
Polaris Snowmobiles
Timbersled
Manufacturer Models
Value Your Trade-In
Request a Model
Government Purchasing Program
OEM Promotions
Secure Financing
Parts
Parts Department
Parts Finder
Shopping Cart
Service
Service Department
Warranty & Recall Look-Up
Schedule Polaris Service
Financing
About
Our Dealership
Our Team
Reviews
Customer Survey
Employment
Location & Hours
Contact
541-298-1161
The Dalles, OR
Fiche | Parts Diagrams
Home
›
Parts
›
Parts Finder
Search by :
Part / Desc
VIN
Please Select
Honda
KTM
Polaris
*Please enter at least 3 characters
SEARCH
Manufacturer
Honda
Motorcycles
2015
GL1800 4AC
VIEW WISH LIST
Select a Section
Show/Hide
AIR CLEANER
AIR INJECTION VALVE
ALTERNATOR
AUDIO UNIT
AUTO CRUISE
BATTERY
CAM CHAIN@TENSIONER
CAMSHAFT@VALVE
CANISTER
CAUTION LABEL
CLUTCH
CLUTCH COVER
CLUTCH MASTER CYLINDER
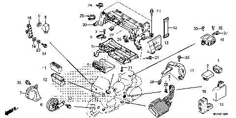
CONTROL UNIT
COOLING FAN
COWL
COWL STAY
CRANKSHAFT@PISTON
CYLINDER BLOCK
CYLINDER HEAD
CYLINDER HEAD COVER
DELAY VALVE
ENGINE GUARD
FINAL DRIVEN GEAR
FINAL SHAFT
FRAME
FRONT BRAKE MASTER
FRONT COVER@TRANSMISSION
FRONT FENDER
FRONT FORK
FRONT WHEEL
FUEL TANK
GASKET KIT A
GASKET KIT B
HANDLE SWITCH
HANDLEBAR@TOP BRIDGE
HEADLIGHT
IGNITION COIL
INJECTOR
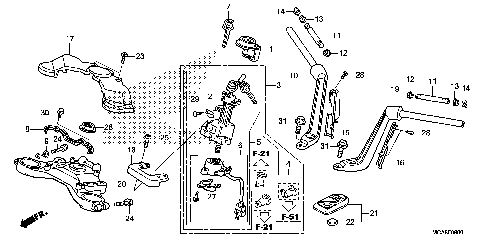
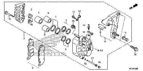
LEFT FRONT BRAKE CALIPER
METER PANEL
MUFFLER
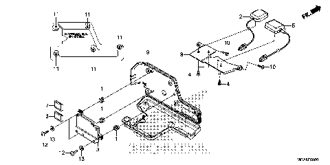
NAVIGATION UNIT
OIL PUMP
OPENER UNIT
PEDAL
POCKET
PRIMARY DRIVE GEAR
PROPORTION CONTROL VALVE
RADIATOR
REAR BRAKE CALIPER
REAR BRAKE MASTER
REAR CASE
REAR COMBINATION LIGHT
REAR FENDER
REAR SHOCK ABSORBER
REAR WHEEL
REVERSE GEAR
REVERSE SHIFT ACTUATOR
RIGHT FRONT BRAKE CALIPER
SADDLEBAG
SEAT
SHELTER
SHELTER CASE
SHIFT DRUM@SHIFT FORK
SIDE COVER
SPEEDOMETER
SPEEDOMETER (NAVIGATION)
STAND
STARTER MOTOR
STEERING STEM
STEP
STRIPE
SWINGARM
THROTTLE BODY
THROTTLE BODY (TUBING)
TOOLS
TPMS RECEIVER UNIT
TRANSMISSION
TRUNK BOX
TURN SIGNAL@MIRROR
WATER PIPE
WATER PUMP
WINDSCREEN
WIRE HARNESS
AIR CLEANER
AIR INJECTION VALVE
ALTERNATOR
AUDIO UNIT
AUTO CRUISE
BATTERY
CAM CHAIN@TENSIONER
CAMSHAFT@VALVE
CANISTER
CAUTION LABEL
CLUTCH
CLUTCH COVER
CLUTCH MASTER CYLINDER
CONTROL UNIT
COOLING FAN
COWL
COWL STAY
CRANKSHAFT@PISTON
CYLINDER BLOCK
CYLINDER HEAD
CYLINDER HEAD COVER
DELAY VALVE
ENGINE GUARD
FINAL DRIVEN GEAR
FINAL SHAFT
FRAME
FRONT BRAKE MASTER
FRONT COVER@TRANSMISSION
FRONT FENDER
FRONT FORK
FRONT WHEEL
FUEL TANK
GASKET KIT A
GASKET KIT B
HANDLE SWITCH
HANDLEBAR@TOP BRIDGE
HEADLIGHT
IGNITION COIL
INJECTOR
LEFT FRONT BRAKE CALIPER
METER PANEL
MUFFLER
NAVIGATION UNIT
OIL PUMP
OPENER UNIT
PEDAL
POCKET
PRIMARY DRIVE GEAR
PROPORTION CONTROL VALVE
RADIATOR
REAR BRAKE CALIPER
REAR BRAKE MASTER
REAR CASE
REAR COMBINATION LIGHT
REAR FENDER
REAR SHOCK ABSORBER
REAR WHEEL
REVERSE GEAR
REVERSE SHIFT ACTUATOR
RIGHT FRONT BRAKE CALIPER
SADDLEBAG
SEAT
SHELTER
SHELTER CASE
SHIFT DRUM@SHIFT FORK
SIDE COVER
SPEEDOMETER
SPEEDOMETER (NAVIGATION)
STAND
STARTER MOTOR
STEERING STEM
STEP
STRIPE
SWINGARM
THROTTLE BODY
THROTTLE BODY (TUBING)
TOOLS
TPMS RECEIVER UNIT
TRANSMISSION
TRUNK BOX
TURN SIGNAL@MIRROR
WATER PIPE
WATER PUMP
WINDSCREEN
WIRE HARNESS
VIEW WISH LIST