Polaris
Browse New Models
Shop In-Stock
Honda
Browse New Models
Shop In-Stock
KTM
Browse New Models
Shop In-Stock
Beta
Browse New Models
Shop In-Stock
Timbersled
Browse New Models
1318 W 2nd St
,
The Dalles, OR
97058
541-298-1161
Search Inventory
Toggle navigation
Home
Brands
Inventory
All Inventory In Stock
New Inventory In Stock
Pre-Owned Inventory
Polaris Off-Road
Polaris Snowmobiles
Timbersled
Manufacturer Models
Value Your Trade-In
Request a Model
Government Purchasing Program
OEM Promotions
Secure Financing
Parts
Parts Department
Parts Finder
Shopping Cart
Service
Service Department
Warranty & Recall Look-Up
Schedule Polaris Service
Financing
About
Our Dealership
Our Team
Reviews
Customer Survey
Employment
Location & Hours
Contact
541-298-1161
The Dalles, OR
Fiche | Parts Diagrams
Home
›
Parts
›
Parts Finder
Search by :
Part / Desc
VIN
Please Select
Honda
KTM
Polaris
*Please enter at least 3 characters
SEARCH
Manufacturer
Honda
Motorcycles
2018
CMX300A AC
VIEW WISH LIST
Select a Section
Show/Hide
ABS MODULATOR
ACCESSORIES
AIR CLEANER
AIR INJECTION SOLENOID
ALTERNATOR
BALANCER SHAFT
BATTERY
BRAKE PIPE
CAM CHAIN@TENSIONER
CAMSHAFT@VALVE
CANISTER@STAY
CAUTION LABEL
CLUTCH (1)
CRANKCASE
CRANKSHAFT@PISTON
CYLINDER
CYLINDER HEAD
CYLINDER HEAD COVER
FRAME
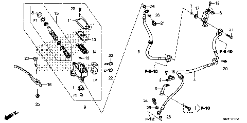
FRONT BRAKE CALIPER
FRONT BRAKE MASTER
FRONT FENDER
FRONT FORK
FRONT WHEEL
FUEL TANK@FUEL PUMP
GASKET KIT A
GASKET KIT B
GEARSHIFT DRUM
HANDLE LEVER@SWITCH@CABLE
HANDLEBAR@TOP BRIDGE
HEADLIGHT (1)
IGNITION COIL (1)
LEFT CRANKCASE COVER
MARK
METER (1)
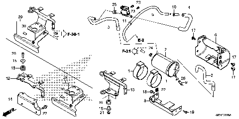
MUFFLER
OIL PUMP
PEDAL
RADIATOR
REAR BRAKE CALIPER
REAR BRAKE MASTER
REAR FENDER (1)
REAR SHOCK ABSORBER
REAR WHEEL
RIGHT CRANKCASE COVER
SIDE COVER
SIDE STAND
SINGLE SEAT
STARTER MOTOR
STARTING CLUTCH
STEERING STEM
STEP
SWINGARM
TAILLIGHT
THROTTLE BODY
TOOL
TRANSMISSION
TURN SIGNAL (1)
WIRE HARNESS (1)
ABS MODULATOR
ACCESSORIES
AIR CLEANER
AIR INJECTION SOLENOID
ALTERNATOR
BALANCER SHAFT
BATTERY
BRAKE PIPE
CAM CHAIN@TENSIONER
CAMSHAFT@VALVE
CANISTER@STAY
CAUTION LABEL
CLUTCH (1)
CRANKCASE
CRANKSHAFT@PISTON
CYLINDER
CYLINDER HEAD
CYLINDER HEAD COVER
FRAME
FRONT BRAKE CALIPER
FRONT BRAKE MASTER
FRONT FENDER
FRONT FORK
FRONT WHEEL
FUEL TANK@FUEL PUMP
GASKET KIT A
GASKET KIT B
GEARSHIFT DRUM
HANDLE LEVER@SWITCH@CABLE
HANDLEBAR@TOP BRIDGE
HEADLIGHT (1)
IGNITION COIL (1)
LEFT CRANKCASE COVER
MARK
METER (1)
MUFFLER
OIL PUMP
PEDAL
RADIATOR
REAR BRAKE CALIPER
REAR BRAKE MASTER
REAR FENDER (1)
REAR SHOCK ABSORBER
REAR WHEEL
RIGHT CRANKCASE COVER
SIDE COVER
SIDE STAND
SINGLE SEAT
STARTER MOTOR
STARTING CLUTCH
STEERING STEM
STEP
SWINGARM
TAILLIGHT
THROTTLE BODY
TOOL
TRANSMISSION
TURN SIGNAL (1)
WIRE HARNESS (1)
VIEW WISH LIST