Polaris
Browse New Models
Shop In-Stock
Honda
Browse New Models
Shop In-Stock
KTM
Browse New Models
Shop In-Stock
Beta
Browse New Models
Shop In-Stock
Timbersled
Browse New Models
1318 W 2nd St
,
The Dalles, OR
97058
541-298-1161
Search Inventory
Toggle navigation
Home
Brands
Inventory
All Inventory In Stock
New Inventory In Stock
Pre-Owned Inventory
Polaris Off-Road
Polaris Snowmobiles
Timbersled
Manufacturer Models
Value Your Trade-In
Request a Model
Government Purchasing Program
OEM Promotions
Secure Financing
Parts
Parts Department
Parts Finder
Shopping Cart
Service
Service Department
Warranty & Recall Look-Up
Schedule Polaris Service
Financing
About
Our Dealership
Our Team
Reviews
Customer Survey
Employment
Location & Hours
Contact
541-298-1161
The Dalles, OR
Fiche | Parts Diagrams
Home
›
Parts
›
Parts Finder
Search by :
Part / Desc
VIN
Please Select
Honda
KTM
Polaris
*Please enter at least 3 characters
SEARCH
Manufacturer
Honda
Motorcycles
2018
VT1300CXA 6A
VIEW WISH LIST
Select a Section
Show/Hide
ABS MODULATOR
AIR CLEANER
BALANCER
BATTERY
BRAKE LINE (3)
CAM CHAIN@TENSIONER
CAMSHAFT@VALVE
CANISTER
CAUTION LABEL (2)
CLUTCH
CRANKCASE
CRANKSHAFT@PISTON
CYLINDER
EXHAUST MUFFLER
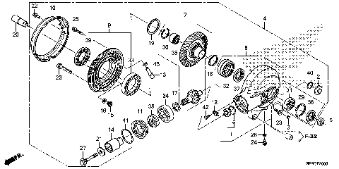
FINAL DRIVEN GEAR
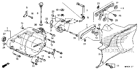
FRAME (2)
FRONT BRAKE CALIPER (2)
FRONT BRAKE MASTER
FRONT CYLINDER HEAD
FRONT CYLINDER HEAD COVER
FRONT FENDER (2)
FRONT FORK (2)
FRONT WHEEL (2)
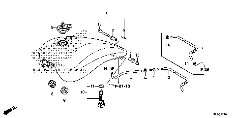
FUEL PUMP
FUEL TANK (2)
GASKET KIT A
GASKET KIT B
GEARSHIFT DRUM
GENERATOR
HANDLE SWITCH@CABLE
HANDLEBAR@TOP BRIDGE (2)
HEADLIGHT
IGNITION COIL@ECU
INTAKE MANIFOLD@INJECTOR
LEFT CRANKCASE COVER
MARK (2)
METER (2)
MIRROR
OIL FILTER@OIL PUMP
PAIR CONTROL VALVE
PEDAL
RADIATOR
REAR BRAKE CALIPER (2)
REAR BRAKE MASTER
REAR CYLINDER HEAD
REAR CYLINDER HEAD COVER
REAR FENDER (2)
REAR SHOCK ABSORBER (2)
REAR WHEEL (2)
RIGHT CRANKCASE COVER
SEAT (2)
SIDE COVER@TOOLS
SIDE GEAR CASE
SIDE STAND
STARTER MOTOR
STEERING STEM
STEP (2)
SWINGARM
TAILLIGHT@LICENSE LIGHT
THROTTLE BODY
TOOLS
TRANSMISSION
TURN SIGNAL
WATER PUMP
WIRE HARNESS (2)
ABS MODULATOR
AIR CLEANER
BALANCER
BATTERY
BRAKE LINE (3)
CAM CHAIN@TENSIONER
CAMSHAFT@VALVE
CANISTER
CAUTION LABEL (2)
CLUTCH
CRANKCASE
CRANKSHAFT@PISTON
CYLINDER
EXHAUST MUFFLER
FINAL DRIVEN GEAR
FRAME (2)
FRONT BRAKE CALIPER (2)
FRONT BRAKE MASTER
FRONT CYLINDER HEAD
FRONT CYLINDER HEAD COVER
FRONT FENDER (2)
FRONT FORK (2)
FRONT WHEEL (2)
FUEL PUMP
FUEL TANK (2)
GASKET KIT A
GASKET KIT B
GEARSHIFT DRUM
GENERATOR
HANDLE SWITCH@CABLE
HANDLEBAR@TOP BRIDGE (2)
HEADLIGHT
IGNITION COIL@ECU
INTAKE MANIFOLD@INJECTOR
LEFT CRANKCASE COVER
MARK (2)
METER (2)
MIRROR
OIL FILTER@OIL PUMP
PAIR CONTROL VALVE
PEDAL
RADIATOR
REAR BRAKE CALIPER (2)
REAR BRAKE MASTER
REAR CYLINDER HEAD
REAR CYLINDER HEAD COVER
REAR FENDER (2)
REAR SHOCK ABSORBER (2)
REAR WHEEL (2)
RIGHT CRANKCASE COVER
SEAT (2)
SIDE COVER@TOOLS
SIDE GEAR CASE
SIDE STAND
STARTER MOTOR
STEERING STEM
STEP (2)
SWINGARM
TAILLIGHT@LICENSE LIGHT
THROTTLE BODY
TOOLS
TRANSMISSION
TURN SIGNAL
WATER PUMP
WIRE HARNESS (2)
VIEW WISH LIST