Polaris
Browse New Models
Shop In-Stock
Honda
Browse New Models
Shop In-Stock
KTM
Browse New Models
Shop In-Stock
Beta
Browse New Models
Shop In-Stock
Timbersled
Browse New Models
1318 W 2nd St
,
The Dalles, OR
97058
541-298-1161
Search Inventory
Toggle navigation
Home
Brands
Inventory
All Inventory In Stock
New Inventory In Stock
Pre-Owned Inventory
Polaris Off-Road
Polaris Snowmobiles
Timbersled
Manufacturer Models
Value Your Trade-In
Request a Model
Government Purchasing Program
OEM Promotions
Secure Financing
Parts
Parts Department
Parts Finder
Shopping Cart
Service
Service Department
Warranty & Recall Look-Up
Schedule Polaris Service
Financing
About
Our Dealership
Our Team
Reviews
Customer Survey
Employment
Location & Hours
Contact
541-298-1161
The Dalles, OR
Fiche | Parts Diagrams
Home
›
Parts
›
Parts Finder
Search by :
Part / Desc
VIN
Please Select
Honda
KTM
Polaris
*Please enter at least 3 characters
SEARCH
Manufacturer
Honda
Motorcycles
2020
CRF110F A
VIEW WISH LIST
Select a Section
Show/Hide
AIR CLEANER (2)
ALTERNATOR
BATTERY (2)
CAM CHAIN@TENSIONER
CAMSHAFT@VALVE
CAUTION LABELS
CLUTCH
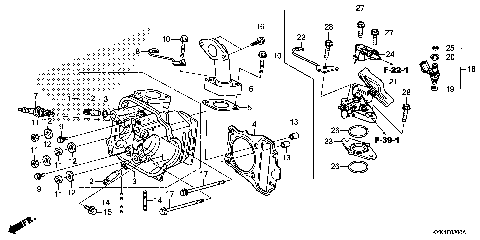
CRANKCASE
CRANKSHAFT@PISTON
CYLINDER
CYLINDER HEAD
CYLINDER HEAD COVER
FRAME (2)
FRONT BRAKE PANEL
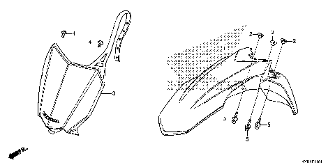
FRONT FENDER (2)
FRONT FORK
FRONT WHEEL
FUEL TANK (2)
GASKET KIT A
GASKET KIT B
GEARSHIFT DRUM
HANDLE LEVER@SWITCH@CABLE
HANDLEBAR@TOP BRIDGE (2)
KICK STARTER SPINDLE
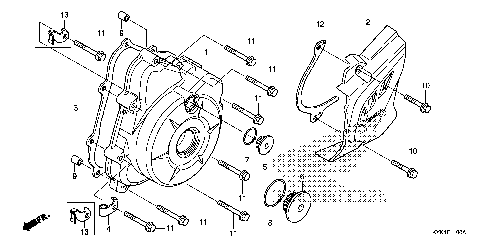
LEFT CRANKCASE COVER
MUFFLER (2)
OIL PUMP
ONE-WAY CLUTCH
PEDAL@KICK STARTER ARM
REAR BRAKE PANEL
REAR FENDER (2)
REAR SHOCK ABSORBER
REAR WHEEL
RIGHT CRANKCASE COVER
SEAT
SIDE COVER (2)
STAND
STARTING CLUTCH
STARTING MOTOR
STEERING STEM (2)
STEP
STRIPE@MARK (2)
SWINGARM
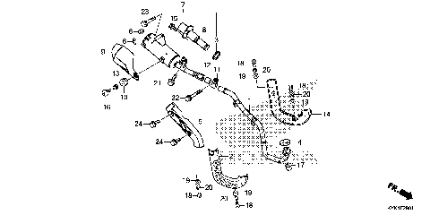
THROTTLE BODY
TOOLS
TRANSMISSION
WIRE HARNESS (2)
AIR CLEANER (2)
ALTERNATOR
BATTERY (2)
CAM CHAIN@TENSIONER
CAMSHAFT@VALVE
CAUTION LABELS
CLUTCH
CRANKCASE
CRANKSHAFT@PISTON
CYLINDER
CYLINDER HEAD
CYLINDER HEAD COVER
FRAME (2)
FRONT BRAKE PANEL
FRONT FENDER (2)
FRONT FORK
FRONT WHEEL
FUEL TANK (2)
GASKET KIT A
GASKET KIT B
GEARSHIFT DRUM
HANDLE LEVER@SWITCH@CABLE
HANDLEBAR@TOP BRIDGE (2)
KICK STARTER SPINDLE
LEFT CRANKCASE COVER
MUFFLER (2)
OIL PUMP
ONE-WAY CLUTCH
PEDAL@KICK STARTER ARM
REAR BRAKE PANEL
REAR FENDER (2)
REAR SHOCK ABSORBER
REAR WHEEL
RIGHT CRANKCASE COVER
SEAT
SIDE COVER (2)
STAND
STARTING CLUTCH
STARTING MOTOR
STEERING STEM (2)
STEP
STRIPE@MARK (2)
SWINGARM
THROTTLE BODY
TOOLS
TRANSMISSION
WIRE HARNESS (2)
VIEW WISH LIST