Polaris
Browse New Models
Shop In-Stock
Honda
Browse New Models
Shop In-Stock
KTM
Browse New Models
Shop In-Stock
Beta
Browse New Models
Shop In-Stock
Timbersled
Browse New Models
1318 W 2nd St
,
The Dalles, OR
97058
541-298-1161
Search Inventory
Toggle navigation
Home
Brands
Inventory
All Inventory In Stock
New Inventory In Stock
Pre-Owned Inventory
Polaris Off-Road
Polaris Snowmobiles
Timbersled
Manufacturer Models
Value Your Trade-In
Request a Model
Government Purchasing Program
OEM Promotions
Secure Financing
Parts
Parts Department
Parts Finder
Shopping Cart
Service
Service Department
Warranty & Recall Look-Up
Schedule Polaris Service
Financing
About
Our Dealership
Our Team
Reviews
Customer Survey
Employment
Location & Hours
Contact
541-298-1161
The Dalles, OR
Fiche | Parts Diagrams
Home
›
Parts
›
Parts Finder
Search by :
Part / Desc
VIN
Please Select
Honda
KTM
Polaris
*Please enter at least 3 characters
SEARCH
Manufacturer
Honda
Utility Vehicles
2016
SXS1000M5P A
VIEW WISH LIST
Select a Section
Show/Hide
2-PIECE POLY WINDSHIELD
ACCESSORIES
AIR CLEANER
ALTERNATOR
ALTERNATOR COVER
BATTERY
BED
BED PLATE@REAR GATE
BRAKE PIPE
CAM CHAIN@TENSIONER
CAMSHAFT@VALVE
CAUTION LABEL
CLUTCH
CONTROL MOTOR
CRANKCASE
CRANKSHAFT@PISTON
CYLINDER HEAD
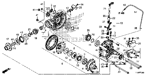
FINAL DRIVE SHAFT
FINAL DRIVEN GEAR
FINAL DRIVEN SHAFT
FRAME
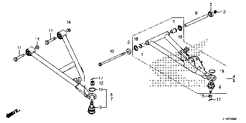
FRONT ARM
FRONT BRAKE CALIPER
FRONT BRAKE MASTER
FRONT CUSHION
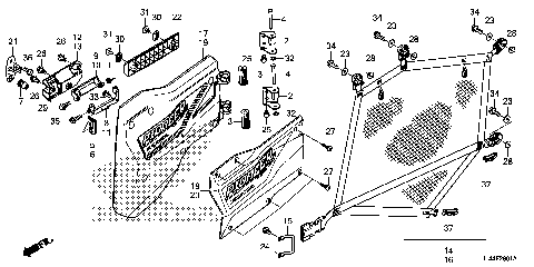
FRONT DOOR
FRONT FENDER@HOOD
FRONT FINAL GEAR
FRONT GRILLE@FRONT BUMPER
FRONT KNUCKLE@DRIVESHAFT
FRONT SEAT
FUEL PUMP
FUEL TANK
GASKET KIT A
GASKET KIT B
GEARSHIFT FORK
GEARSHIFT FORK (SUB
GLASS WINSHIELD
HARD FRONT DOORS
HARD ROOF (5P)
HEADLIGHT
INSTRUMENT PANEL
MARK
METER@SWITCH
MUFFLER
OIL COOLER
OIL PAN
OIL PUMP
PEDAL
PROPELLER SHAFT
RADIATOR
REAR ARM@REAR STABILIZER
REAR BRAKE CALIPER
REAR DOOR
REAR KNUCKLE@REAR
REAR SEAT
REAR SHOCK ABSORBER
ROLL BAR
SEAT BELT
SEAT BOTTOM COVER
SHIFT LEVER@SELECT LEVER
SIDE COVER
SOLENOID VALVE
STARTING CLUTCH
STARTING MOTOR
STEERING GEAR BOX@TIE ROD
STEERING SHAFT (EPS)
STEERING WHEEL
SUB-TRANSMISSION CASE
TAILLIGHT
THROTTLE BODY
TOOLS
TRANSMISSION
WATER HOSE@THERMOSTAT
WATER PIPE@WATER HOSE
WHEEL
WINDSHIELD WIPER KIT
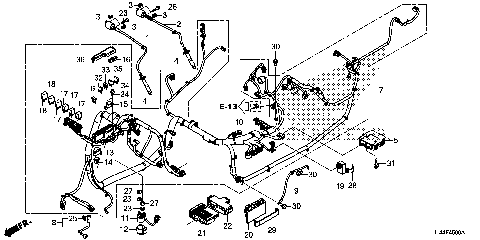
WIRE HARNESS
2-PIECE POLY WINDSHIELD
ACCESSORIES
AIR CLEANER
ALTERNATOR
ALTERNATOR COVER
BATTERY
BED
BED PLATE@REAR GATE
BRAKE PIPE
CAM CHAIN@TENSIONER
CAMSHAFT@VALVE
CAUTION LABEL
CLUTCH
CONTROL MOTOR
CRANKCASE
CRANKSHAFT@PISTON
CYLINDER HEAD
FINAL DRIVE SHAFT
FINAL DRIVEN GEAR
FINAL DRIVEN SHAFT
FRAME
FRONT ARM
FRONT BRAKE CALIPER
FRONT BRAKE MASTER
FRONT CUSHION
FRONT DOOR
FRONT FENDER@HOOD
FRONT FINAL GEAR
FRONT GRILLE@FRONT BUMPER
FRONT KNUCKLE@DRIVESHAFT
FRONT SEAT
FUEL PUMP
FUEL TANK
GASKET KIT A
GASKET KIT B
GEARSHIFT FORK
GEARSHIFT FORK (SUB
GLASS WINSHIELD
HARD FRONT DOORS
HARD ROOF (5P)
HEADLIGHT
INSTRUMENT PANEL
MARK
METER@SWITCH
MUFFLER
OIL COOLER
OIL PAN
OIL PUMP
PEDAL
PROPELLER SHAFT
RADIATOR
REAR ARM@REAR STABILIZER
REAR BRAKE CALIPER
REAR DOOR
REAR KNUCKLE@REAR
REAR SEAT
REAR SHOCK ABSORBER
ROLL BAR
SEAT BELT
SEAT BOTTOM COVER
SHIFT LEVER@SELECT LEVER
SIDE COVER
SOLENOID VALVE
STARTING CLUTCH
STARTING MOTOR
STEERING GEAR BOX@TIE ROD
STEERING SHAFT (EPS)
STEERING WHEEL
SUB-TRANSMISSION CASE
TAILLIGHT
THROTTLE BODY
TOOLS
TRANSMISSION
WATER HOSE@THERMOSTAT
WATER PIPE@WATER HOSE
WHEEL
WINDSHIELD WIPER KIT
WIRE HARNESS
VIEW WISH LIST