Polaris
Browse New Models
Shop In-Stock
Honda
Browse New Models
Shop In-Stock
KTM
Browse New Models
Shop In-Stock
Beta
Browse New Models
Shop In-Stock
Timbersled
Browse New Models
1318 W 2nd St
,
The Dalles, OR
97058
541-298-1161
Search Inventory
Toggle navigation
Home
Brands
Inventory
All Inventory In Stock
New Inventory In Stock
Pre-Owned Inventory
Polaris Off-Road
Polaris Snowmobiles
Timbersled
Manufacturer Models
Value Your Trade-In
Request a Model
Government Purchasing Program
OEM Promotions
Secure Financing
Parts
Parts Department
Parts Finder
Shopping Cart
Service
Service Department
Warranty & Recall Look-Up
Schedule Polaris Service
Financing
About
Our Dealership
Our Team
Reviews
Customer Survey
Employment
Location & Hours
Contact
541-298-1161
The Dalles, OR
Fiche | Parts Diagrams
Home
›
Parts
›
Parts Finder
Search by :
Part / Desc
VIN
Please Select
Honda
KTM
Polaris
*Please enter at least 3 characters
SEARCH
Manufacturer
Honda
Utility Vehicles
2016
SXS500M2
VIEW WISH LIST
Select a Section
Show/Hide
ACCESSORIES
AIR CLEANER
ALTERNATOR
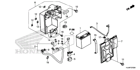
BATTERY
BRAKE PIPE
CAM CHAIN@TENSIONER
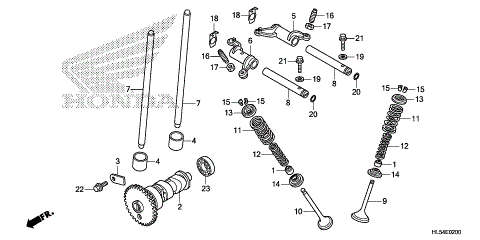
CAMSHAFT@VALVE
CAUTION LABEL
CLUTCH
CRANKCASE
CRANKSHAFT@PISTON
CYLINDER
CYLINDER HEAD
FINAL DRIVEN GEAR
FINAL SHAFT
FRAME
FRONT ARM
FRONT BRAKE CALIPER
FRONT BRAKE MASTER CYLINDER
FRONT CRANKCASE COVER
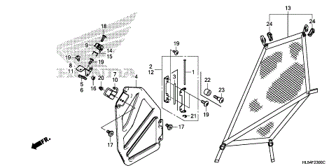
FRONT DOOR
FRONT FENDER@HOOD
FRONT FINAL GEAR
FRONT GRILLE@FRONT BUMPER
FRONT KNUCKLE@DRIVESHAFT
FRONT SHOCK ABSORBER
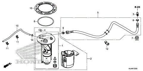
FUEL PUMP
FUEL TANK
GASKET KIT A
GASKET KIT B
GEARSHIFT FORK
HEADLIGHT
INSTRUMENT PANEL
LUGGAGE CARRIER
MARK
MUFFLER
OIL PUMP
PARKING BRAKE
PEDAL
PROPELLER SHAFT
RADIATOR
REAR ARM
REAR BRAKE CALIPER
REAR CRANKCASE COVER
REAR FENDER
REAR KNUCKLE@REAR DRIVESHAFT
REAR SHOCK ABSORBER
ROLL BAR
SEAT
SEAT BELT
SEAT BOTTOM COVER
SHIFT LEVER@SELECT LEVER
SIDE COVER
STARTER MOTOR
STARTING GEAR
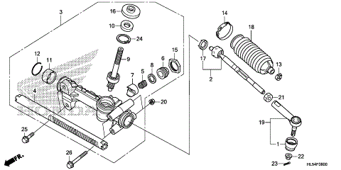
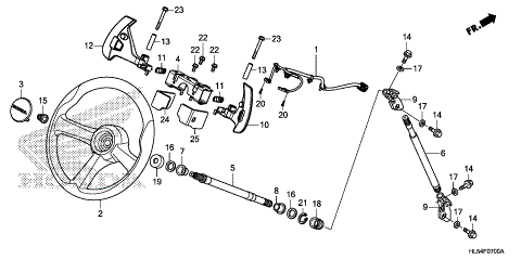
STEERING GEAR BOX@TIE ROD
STEERING WHEEL@STEERING SHAFT
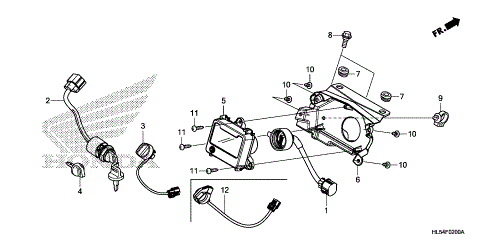
SWITCH@METER
TAILLIGHT
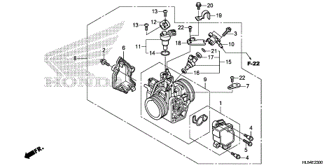
THROTTLE BODY
TOOL
TRANSMISSION
WATER PIPE@WATER HOSE
WATER PUMP COVER
WHEEL
WIRE HARNESS
ACCESSORIES
AIR CLEANER
ALTERNATOR
BATTERY
BRAKE PIPE
CAM CHAIN@TENSIONER
CAMSHAFT@VALVE
CAUTION LABEL
CLUTCH
CRANKCASE
CRANKSHAFT@PISTON
CYLINDER
CYLINDER HEAD
FINAL DRIVEN GEAR
FINAL SHAFT
FRAME
FRONT ARM
FRONT BRAKE CALIPER
FRONT BRAKE MASTER CYLINDER
FRONT CRANKCASE COVER
FRONT DOOR
FRONT FENDER@HOOD
FRONT FINAL GEAR
FRONT GRILLE@FRONT BUMPER
FRONT KNUCKLE@DRIVESHAFT
FRONT SHOCK ABSORBER
FUEL PUMP
FUEL TANK
GASKET KIT A
GASKET KIT B
GEARSHIFT FORK
HEADLIGHT
INSTRUMENT PANEL
LUGGAGE CARRIER
MARK
MUFFLER
OIL PUMP
PARKING BRAKE
PEDAL
PROPELLER SHAFT
RADIATOR
REAR ARM
REAR BRAKE CALIPER
REAR CRANKCASE COVER
REAR FENDER
REAR KNUCKLE@REAR DRIVESHAFT
REAR SHOCK ABSORBER
ROLL BAR
SEAT
SEAT BELT
SEAT BOTTOM COVER
SHIFT LEVER@SELECT LEVER
SIDE COVER
STARTER MOTOR
STARTING GEAR
STEERING GEAR BOX@TIE ROD
STEERING WHEEL@STEERING SHAFT
SWITCH@METER
TAILLIGHT
THROTTLE BODY
TOOL
TRANSMISSION
WATER PIPE@WATER HOSE
WATER PUMP COVER
WHEEL
WIRE HARNESS
VIEW WISH LIST