Polaris
Browse New Models
Shop In-Stock
Honda
Browse New Models
Shop In-Stock
KTM
Browse New Models
Shop In-Stock
Beta
Browse New Models
Shop In-Stock
Timbersled
Browse New Models
1318 W 2nd St
,
The Dalles, OR
97058
541-298-1161
Search Inventory
Toggle navigation
Home
Brands
Inventory
All Inventory In Stock
New Inventory In Stock
Pre-Owned Inventory
Polaris Off-Road
Polaris Snowmobiles
Timbersled
Manufacturer Models
Value Your Trade-In
Request a Model
Government Purchasing Program
OEM Promotions
Secure Financing
Parts
Parts Department
Parts Finder
Shopping Cart
Service
Service Department
Warranty & Recall Look-Up
Schedule Polaris Service
Financing
About
Our Dealership
Our Team
Reviews
Customer Survey
Employment
Location & Hours
Contact
541-298-1161
The Dalles, OR
Fiche | Parts Diagrams
Home
›
Parts
›
Parts Finder
Search by :
Part / Desc
VIN
Please Select
Honda
KTM
Polaris
*Please enter at least 3 characters
SEARCH
Manufacturer
Honda
Watercraft
2007
ARX1200T3D
VIEW WISH LIST
Select a Section
Show/Hide
AIR CLEANER (TURBO)
ALTERNATOR
BALANCER
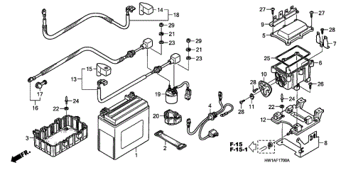
BATTERY
BILGE STRAINER
BOARDING STEP
CAM CHAIN@TENSIONER
CAMSHAFT@VALVE
CAUTION LABEL
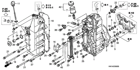
CRANKCASE
CRANKSHAFT@PISTON
CYLINDER HEAD
CYLINDER HEAD COVER
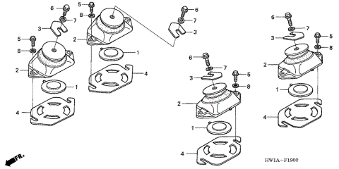
ENGINE MOUNT
EXHAUST MANIFOLD (TURBO)
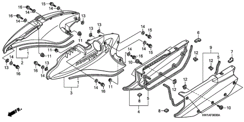
FRONT HOOD
FUEL TANK
GASKET KIT A
GASKET KIT B
HANDLEBAR
IMPELLER@DRIVESHAFT (TURBO)
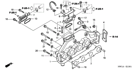
INLET MANIFOLD
INTERCOOLER
MARK@STRIPE
METER (GPS)
MIRROR
MUFFLER (TURBO)
OIL PAN@OIL PUMP
OIL TANK COVER@FRONT COVER
POST COVER
PROTECTOR@FLOOR MAT
REAR GRIP@REAR TRAY
REVERSE LEVER@REVERSE CABLE
RIDE PLATE
SEAT
SIDE COVER@SIDE PANEL
SPONSON@AIR VENT TUBE
STARTING CLUTCH
STARTING MOTOR
STEERING SHAFT
SWITCH@CABLE
THROTTLE BODY (TURBO)
TOOLS
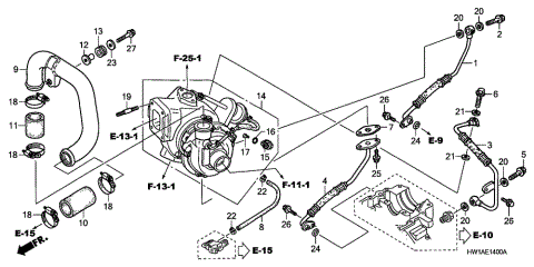
TURBOCHARGER
WATER HOSE (TURBO)
WIRE HARNESS (ENGINE)
WIRE HARNESS (FRAME)
AIR CLEANER (TURBO)
ALTERNATOR
BALANCER
BATTERY
BILGE STRAINER
BOARDING STEP
CAM CHAIN@TENSIONER
CAMSHAFT@VALVE
CAUTION LABEL
CRANKCASE
CRANKSHAFT@PISTON
CYLINDER HEAD
CYLINDER HEAD COVER
ENGINE MOUNT
EXHAUST MANIFOLD (TURBO)
FRONT HOOD
FUEL TANK
GASKET KIT A
GASKET KIT B
HANDLEBAR
IMPELLER@DRIVESHAFT (TURBO)
INLET MANIFOLD
INTERCOOLER
MARK@STRIPE
METER (GPS)
MIRROR
MUFFLER (TURBO)
OIL PAN@OIL PUMP
OIL TANK COVER@FRONT COVER
POST COVER
PROTECTOR@FLOOR MAT
REAR GRIP@REAR TRAY
REVERSE LEVER@REVERSE CABLE
RIDE PLATE
SEAT
SIDE COVER@SIDE PANEL
SPONSON@AIR VENT TUBE
STARTING CLUTCH
STARTING MOTOR
STEERING SHAFT
SWITCH@CABLE
THROTTLE BODY (TURBO)
TOOLS
TURBOCHARGER
WATER HOSE (TURBO)
WIRE HARNESS (ENGINE)
WIRE HARNESS (FRAME)
VIEW WISH LIST