Polaris
Browse New Models
Shop In-Stock
Honda
Browse New Models
Shop In-Stock
KTM
Browse New Models
Shop In-Stock
Beta
Browse New Models
Shop In-Stock
Timbersled
Browse New Models
1318 W 2nd St
,
The Dalles, OR
97058
541-298-1161
Search Inventory
Toggle navigation
Home
Brands
Inventory
All Inventory In Stock
New Inventory In Stock
Pre-Owned Inventory
Polaris Off-Road
Polaris Snowmobiles
Timbersled
Manufacturer Models
Value Your Trade-In
Request a Model
Government Purchasing Program
OEM Promotions
Secure Financing
Parts
Parts Department
Parts Finder
Shopping Cart
Service
Service Department
Warranty & Recall Look-Up
Schedule Polaris Service
Financing
About
Our Dealership
Our Team
Reviews
Customer Survey
Employment
Location & Hours
Contact
541-298-1161
The Dalles, OR
Fiche | Parts Diagrams
Home
›
Parts
›
Parts Finder
Search by :
Part / Desc
VIN
Please Select
Honda
KTM
Polaris
*Please enter at least 3 characters
SEARCH
Manufacturer
KTM
Motorcycles
2014
125 SX ENGINE
VIEW WISH LIST
Select a Section
Show/Hide
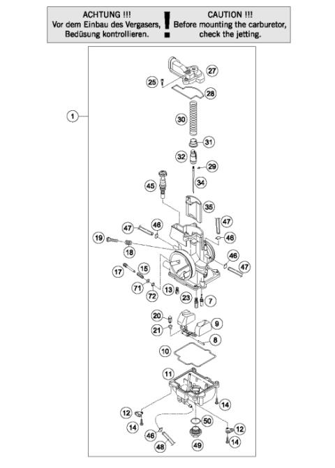
CARBURETOR
CLUTCH
CLUTCH COVER
COOLING SYSTEM
CRANKSHAFT, PISTON
CYLINDER, CYLINDER HEAD
ENGINE CASE
EXHAUST CONTROL
IGNITION SYSTEM
KICK STARTER
REED VALVE CASE
SHIFTING MECHANISM
TRANSMISSION I - MAIN SHAFT
TRANSMISSION II - COUNTERSHAFT
CARBURETOR
CLUTCH
CLUTCH COVER
COOLING SYSTEM
CRANKSHAFT, PISTON
CYLINDER, CYLINDER HEAD
ENGINE CASE
EXHAUST CONTROL
IGNITION SYSTEM
KICK STARTER
REED VALVE CASE
SHIFTING MECHANISM
TRANSMISSION I - MAIN SHAFT
TRANSMISSION II - COUNTERSHAFT
VIEW WISH LIST