Polaris
Browse New Models
Shop In-Stock
Honda
Browse New Models
Shop In-Stock
KTM
Browse New Models
Shop In-Stock
Beta
Browse New Models
Shop In-Stock
Timbersled
Browse New Models
1318 W 2nd St
,
The Dalles, OR
97058
541-298-1161
Search Inventory
Toggle navigation
Home
Brands
Inventory
All Inventory In Stock
New Inventory In Stock
Pre-Owned Inventory
Polaris Off-Road
Polaris Snowmobiles
Timbersled
Manufacturer Models
Value Your Trade-In
Request a Model
Government Purchasing Program
OEM Promotions
Secure Financing
Parts
Parts Department
Parts Finder
Shopping Cart
Service
Service Department
Warranty & Recall Look-Up
Schedule Polaris Service
Financing
About
Our Dealership
Our Team
Reviews
Customer Survey
Employment
Location & Hours
Contact
541-298-1161
The Dalles, OR
Fiche | Parts Diagrams
Home
›
Parts
›
Parts Finder
Search by :
Part / Desc
VIN
Please Select
Honda
KTM
Polaris
*Please enter at least 3 characters
SEARCH
Manufacturer
KTM
Motorcycles
2019
2019 450 EXC-F SIX DAYS ENGINE
VIEW WISH LIST
Select a Section
Show/Hide
BALANCER SHAFT
CLUTCH
CLUTCH COVER
COOLING SYSTEM
CRANKSHAFT, PISTON
CYLINDER
CYLINDER HEAD
ELECTRIC STARTER
ENGINE CASE
IGNITION SYSTEM
LUBRICATING SYSTEM
SECONDARY AIR SYSTEM SAS
SHIFTING MECHANISM
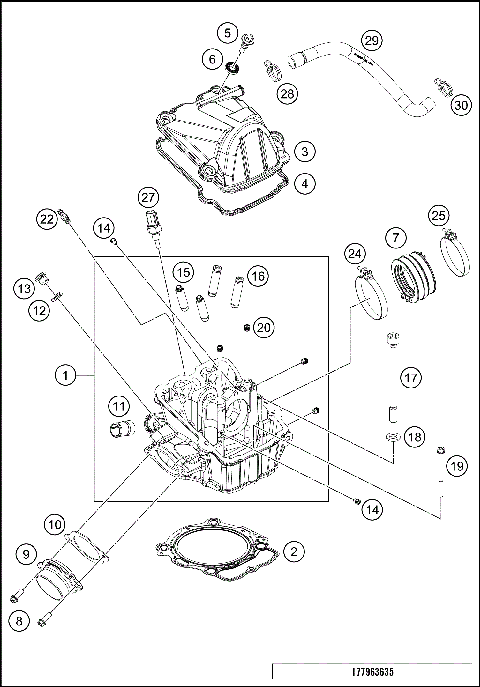
THROTTLE BODY
TIMING DRIVE
TRANSMISSION I - MAIN SHAFT
TRANSMISSION II - COUNTERSHAFT
VALVE DRIVE
WATER PUMP
BALANCER SHAFT
CLUTCH
CLUTCH COVER
COOLING SYSTEM
CRANKSHAFT, PISTON
CYLINDER
CYLINDER HEAD
ELECTRIC STARTER
ENGINE CASE
IGNITION SYSTEM
LUBRICATING SYSTEM
SECONDARY AIR SYSTEM SAS
SHIFTING MECHANISM
THROTTLE BODY
TIMING DRIVE
TRANSMISSION I - MAIN SHAFT
TRANSMISSION II - COUNTERSHAFT
VALVE DRIVE
WATER PUMP
VIEW WISH LIST