Polaris
Browse New Models
Shop In-Stock
Honda
Browse New Models
Shop In-Stock
KTM
Browse New Models
Shop In-Stock
Beta
Browse New Models
Shop In-Stock
Timbersled
Browse New Models
1318 W 2nd St
,
The Dalles, OR
97058
541-298-1161
Search Inventory
Toggle navigation
Home
Brands
Inventory
All Inventory In Stock
New Inventory In Stock
Pre-Owned Inventory
Polaris Off-Road
Polaris Snowmobiles
Timbersled
Manufacturer Models
Value Your Trade-In
Request a Model
Government Purchasing Program
OEM Promotions
Secure Financing
Parts
Parts Department
Parts Finder
Shopping Cart
Service
Service Department
Warranty & Recall Look-Up
Schedule Polaris Service
Financing
About
Our Dealership
Our Team
Reviews
Customer Survey
Employment
Location & Hours
Contact
541-298-1161
The Dalles, OR
Fiche | Parts Diagrams
Home
›
Parts
›
Parts Finder
Search by :
Part / Desc
VIN
Please Select
Honda
KTM
Polaris
*Please enter at least 3 characters
SEARCH
Manufacturer
KTM
Motorcycles
2022
2022 1290 SUPER DUKE R EVO ORANGE CHASSIS
VIEW WISH LIST
Select a Section
Show/Hide
AIR FILTER
ANTIBLOCK SYSTEM ABS
EVAPORATIVE CANISTER
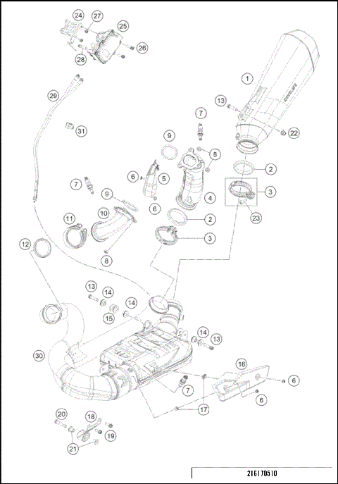
EXHAUST SYSTEM
FRAME
FRONT BRAKE CALIPER
FRONT BRAKE CONTROL
FRONT FORK DISASSEMBLED
FRONT FORK, TRIPLE CLAMP
FRONT WHEEL
FUEL PUMP
HANDLEBAR, CONTROLS
INSTRUMENTS / LOCK SYSTEM
LIGHTING SYSTEM
MASK, FENDERS
PRO LEVER LINKING
REAR BRAKE CALIPER
REAR BRAKE CONTROL
REAR WHEEL
SEPERATE ENCLOSURE
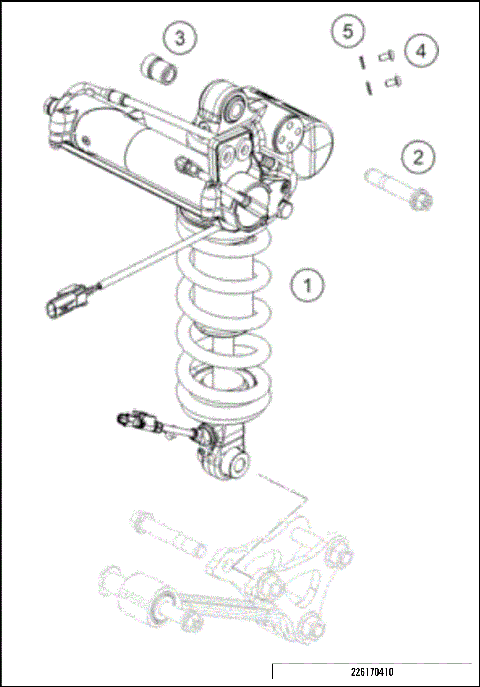
SHOCK ABSORBER
SHOCK ABSORBER DISASSEMBLED
SIDE / CENTER STAND
SWING ARM
TANK, SEAT
TECHNIC INFORMATION STICKER
WIRING HARNESS
AIR FILTER
ANTIBLOCK SYSTEM ABS
EVAPORATIVE CANISTER
EXHAUST SYSTEM
FRAME
FRONT BRAKE CALIPER
FRONT BRAKE CONTROL
FRONT FORK DISASSEMBLED
FRONT FORK, TRIPLE CLAMP
FRONT WHEEL
FUEL PUMP
HANDLEBAR, CONTROLS
INSTRUMENTS / LOCK SYSTEM
LIGHTING SYSTEM
MASK, FENDERS
PRO LEVER LINKING
REAR BRAKE CALIPER
REAR BRAKE CONTROL
REAR WHEEL
SEPERATE ENCLOSURE
SHOCK ABSORBER
SHOCK ABSORBER DISASSEMBLED
SIDE / CENTER STAND
SWING ARM
TANK, SEAT
TECHNIC INFORMATION STICKER
WIRING HARNESS
VIEW WISH LIST