Polaris
Browse New Models
Shop In-Stock
Honda
Browse New Models
Shop In-Stock
KTM
Browse New Models
Shop In-Stock
Beta
Browse New Models
Shop In-Stock
Timbersled
Browse New Models
1318 W 2nd St
,
The Dalles, OR
97058
541-298-1161
Search Inventory
Toggle navigation
Home
Brands
Inventory
All Inventory In Stock
New Inventory In Stock
Pre-Owned Inventory
Polaris Off-Road
Polaris Snowmobiles
Timbersled
Manufacturer Models
Value Your Trade-In
Request a Model
Government Purchasing Program
OEM Promotions
Secure Financing
Parts
Parts Department
Parts Finder
Shopping Cart
Service
Service Department
Warranty & Recall Look-Up
Schedule Polaris Service
Financing
About
Our Dealership
Our Team
Reviews
Customer Survey
Employment
Location & Hours
Contact
541-298-1161
The Dalles, OR
Fiche | Parts Diagrams
Home
›
Parts
›
Parts Finder
Search by :
Part / Desc
VIN
Please Select
Honda
KTM
Polaris
*Please enter at least 3 characters
SEARCH
Manufacturer
Polaris
ATVs
2007
OUTLAW 500 (A07GP50AA/AB)
VIEW WISH LIST
Select a Section
Show/Hide
AIR INTAKE - A07GP50AA/AB (4999201899920189C02)
BATTERY - A07GP50AA/AB (4999201899920189C04)
BRAKE, FRONT - A07GP50AA/AB (4999201899920189B14)
BRAKE, REAR - A07GP50AA/AB (49ATVBRAKERROUTLAW)
CAB, FRONT and SIDE PANELS - A07GP50AA/AB (49ATVCABOUTLAW)
CAB, REAR - A07GP50AA/AB (49ATVCABRROUTLAW)
CALIPER, FRONT - A07GP50AA/AB (4999201899920189B13)
CALIPERS, REAR - A07GP50AA/AB (4999201899920189B12)
CHAIN COVER - A07GP50AA/AB (4999201899920189D09)
CLUTCH - A07GP50AA/AB (4999201899920189D08)
CLUTCH LEVER - A07GP50AA/AB (4999201899920189A10)
CONTROLS and INDICATOR - A07GP50AA/AB (4999201899920189A09)
COOLING - A07GP50AA/AB (49ATVCOOLOUTLAW)
DECALS - A07GP50AA/AB (49ATVDECALOUTLAW)
ELECTRICAL - A07GP50AA/AB (4999201899920189C03)
ENGINE, CARBURETOR, LOWER - A07GP50AA/AB (4999201899920189C11)
ENGINE, CARBURETOR, UPPER - A07GP50AA/AB (4999201899920189C10)
ENGINE, CRANKCASE - A07GP50AA/AB (4999201899920189C07)
ENGINE, CRANKSHAFT and PISTON - A07GP50AA/AB (4999201899920189D02)
ENGINE, CYLINDER - A07GP50AA/AB (49ATVCYLINDEROUTLAW)
ENGINE, MAGNETO - A07GP50AA/AB (4999201899920189D01)
ENGINE, MAGNETO COVER - A07GP50AA/AB (4999201899920189D03)
ENGINE, MOUNTING - A07GP50AA/AB (4999201899920189A13)
ENGINE, OIL FILTER - A07GP50AA/AB (4999201899920189C14)
ENGINE, OIL PUMP - A07GP50AA/AB (4999201899920189C13)
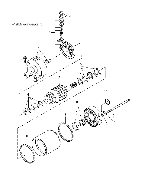
ENGINE, STARTING MOTOR - A07GP50AA/AB (4999201899920189D04)
ENGINE, WATER PUMP - A07GP50AA/AB (4999201899920189C12)
EXHAUST SYSTEM - A07GP50AA/AB (49ATVXHAUSTOUTLAW)
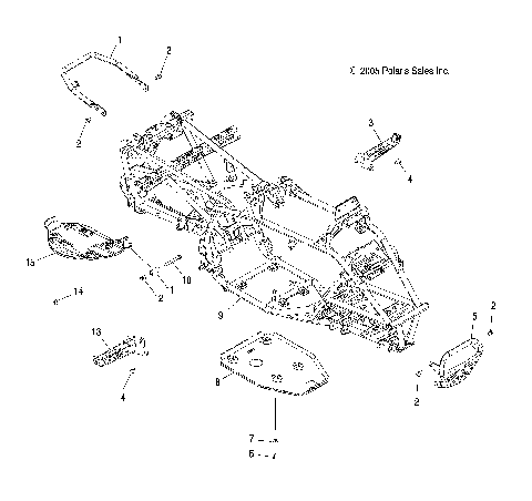
FRAME, MAIN - A07GP50AA/AB (4999201899920189A03)
FUEL PUMP - A07GP50AA/AB (4999201899920189D05)
FUEL TANK - A07GP50AA/AB (49ATVFUELOUTLAW)
GEARCASE, REAR - A07GP50AA/AB (4999201899920189B07)
HEADLAMPS/TAILLAMP - A07GP50AA/AB (4999201899920189A07)
HUB, FRONT and WHEEL, FRONT - A07GP50AA/AB (4999201899920189B05)
INTAKE and EXHAUST - A07GP50AA/AB (4999201899920189C09)
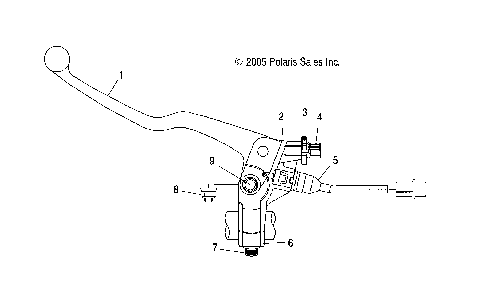
MASTER CYLINDER, BRAKE, FRONT - A07GP50AA/AB (4999201899920189C01)
OIL TANK - A07GP50AA/AB (49ATVOILOUTLAW)
SEAT - A07GP50AA/AB (4999201899920189A05)
SHIFTING - A07GP50AA/AB (49ATVSHIFTOUTLAW)
SHOCK, FRONT (7043259) - A07GP50AA/AB (49ATVSHOCKFRT7043259)
SHOCK, REAR (7043260) - A07GP50AB (49ATVSHOCKRR7043260)
SHOCK, REAR, MOUNTING - A07GP50AA/AB (49ATVSHOCKMTGOUTLAW)
STEERING POST - A07GP50AA/AB (4999201899920189B02)
STEERING, LOWER - A07GP50AA/AB (4999201899920189B03)
SUSPENSION, FRONT - A07GP50AA/AB (4999201899920189B04)
SUSPENSION, REAR - A07GP50AA/AB (49ATVSUSPRROUTLAW)
TOOL KIT - A07GP50AA/AB (4999201899920189D10)
TORSION BAR - A07GP50AA/AB (49ATVTORSIONOUTLAW)
TRANSMISSION - A07GP50AA/AB (4999201899920189D06)
WHEEL, REAR - A07GP50AA/AB (4999201899920189B06)
AIR INTAKE - A07GP50AA/AB (4999201899920189C02)
BATTERY - A07GP50AA/AB (4999201899920189C04)
BRAKE, FRONT - A07GP50AA/AB (4999201899920189B14)
BRAKE, REAR - A07GP50AA/AB (49ATVBRAKERROUTLAW)
CAB, FRONT and SIDE PANELS - A07GP50AA/AB (49ATVCABOUTLAW)
CAB, REAR - A07GP50AA/AB (49ATVCABRROUTLAW)
CALIPER, FRONT - A07GP50AA/AB (4999201899920189B13)
CALIPERS, REAR - A07GP50AA/AB (4999201899920189B12)
CHAIN COVER - A07GP50AA/AB (4999201899920189D09)
CLUTCH - A07GP50AA/AB (4999201899920189D08)
CLUTCH LEVER - A07GP50AA/AB (4999201899920189A10)
CONTROLS and INDICATOR - A07GP50AA/AB (4999201899920189A09)
COOLING - A07GP50AA/AB (49ATVCOOLOUTLAW)
DECALS - A07GP50AA/AB (49ATVDECALOUTLAW)
ELECTRICAL - A07GP50AA/AB (4999201899920189C03)
ENGINE, CARBURETOR, LOWER - A07GP50AA/AB (4999201899920189C11)
ENGINE, CARBURETOR, UPPER - A07GP50AA/AB (4999201899920189C10)
ENGINE, CRANKCASE - A07GP50AA/AB (4999201899920189C07)
ENGINE, CRANKSHAFT and PISTON - A07GP50AA/AB (4999201899920189D02)
ENGINE, CYLINDER - A07GP50AA/AB (49ATVCYLINDEROUTLAW)
ENGINE, MAGNETO - A07GP50AA/AB (4999201899920189D01)
ENGINE, MAGNETO COVER - A07GP50AA/AB (4999201899920189D03)
ENGINE, MOUNTING - A07GP50AA/AB (4999201899920189A13)
ENGINE, OIL FILTER - A07GP50AA/AB (4999201899920189C14)
ENGINE, OIL PUMP - A07GP50AA/AB (4999201899920189C13)
ENGINE, STARTING MOTOR - A07GP50AA/AB (4999201899920189D04)
ENGINE, WATER PUMP - A07GP50AA/AB (4999201899920189C12)
EXHAUST SYSTEM - A07GP50AA/AB (49ATVXHAUSTOUTLAW)
FRAME, MAIN - A07GP50AA/AB (4999201899920189A03)
FUEL PUMP - A07GP50AA/AB (4999201899920189D05)
FUEL TANK - A07GP50AA/AB (49ATVFUELOUTLAW)
GEARCASE, REAR - A07GP50AA/AB (4999201899920189B07)
HEADLAMPS/TAILLAMP - A07GP50AA/AB (4999201899920189A07)
HUB, FRONT and WHEEL, FRONT - A07GP50AA/AB (4999201899920189B05)
INTAKE and EXHAUST - A07GP50AA/AB (4999201899920189C09)
MASTER CYLINDER, BRAKE, FRONT - A07GP50AA/AB (4999201899920189C01)
OIL TANK - A07GP50AA/AB (49ATVOILOUTLAW)
SEAT - A07GP50AA/AB (4999201899920189A05)
SHIFTING - A07GP50AA/AB (49ATVSHIFTOUTLAW)
SHOCK, FRONT (7043259) - A07GP50AA/AB (49ATVSHOCKFRT7043259)
SHOCK, REAR (7043260) - A07GP50AB (49ATVSHOCKRR7043260)
SHOCK, REAR, MOUNTING - A07GP50AA/AB (49ATVSHOCKMTGOUTLAW)
STEERING POST - A07GP50AA/AB (4999201899920189B02)
STEERING, LOWER - A07GP50AA/AB (4999201899920189B03)
SUSPENSION, FRONT - A07GP50AA/AB (4999201899920189B04)
SUSPENSION, REAR - A07GP50AA/AB (49ATVSUSPRROUTLAW)
TOOL KIT - A07GP50AA/AB (4999201899920189D10)
TORSION BAR - A07GP50AA/AB (49ATVTORSIONOUTLAW)
TRANSMISSION - A07GP50AA/AB (4999201899920189D06)
WHEEL, REAR - A07GP50AA/AB (4999201899920189B06)
VIEW WISH LIST