Polaris
Browse New Models
Shop In-Stock
Honda
Browse New Models
Shop In-Stock
KTM
Browse New Models
Shop In-Stock
Beta
Browse New Models
Shop In-Stock
Timbersled
Browse New Models
1318 W 2nd St
,
The Dalles, OR
97058
541-298-1161
Search Inventory
Toggle navigation
Home
Brands
Inventory
All Inventory In Stock
New Inventory In Stock
Pre-Owned Inventory
Polaris Off-Road
Polaris Snowmobiles
Timbersled
Manufacturer Models
Value Your Trade-In
Request a Model
Government Purchasing Program
OEM Promotions
Secure Financing
Parts
Parts Department
Parts Finder
Shopping Cart
Service
Service Department
Warranty & Recall Look-Up
Schedule Polaris Service
Financing
About
Our Dealership
Our Team
Reviews
Customer Survey
Employment
Location & Hours
Contact
541-298-1161
The Dalles, OR
Fiche | Parts Diagrams
Home
›
Parts
›
Parts Finder
Search by :
Part / Desc
VIN
Please Select
Honda
KTM
Polaris
*Please enter at least 3 characters
SEARCH
Manufacturer
Polaris
ATVs
2007
SCRAMBLER 500 2X4 INTL (A07BA50FA)
VIEW WISH LIST
Select a Section
Show/Hide
AIR BOX - A07BA50FA (49ATVAIRBOX07SCRMIN)
BRAKE, CALIPER MOUNTING, REAR - A07BA50FA (49ATVCALIPERBOSS)
BRAKE, FRONT - A07BA50FA (4999202939920293A14)
BRAKE, HAND/MASTER CYLINDER\BRAKE LINE - A07BA50FA (49ATVCONTROLSSCRAM)
BRAKE, REAR - A07BA50FA (49ATVBRAKERRSCRAM)
BUMPER, FRONT and SHIELDS - A07BA50FA (49ATVBUMPER07SCRMIN)
CAB, FRONT - A07BA50FA (49ATVCAB07SCRMIN)
CAB, REAR - A07BA50FA (49ATVCABRR07SCRMIN)
CLUTCH COVER - A07BA50FA (49ATVCLUTCHCVR07SCRMIN)
CLUTCH, DRIVE - A07BA50FA (4999201549920154B09)
CLUTCH, DRIVEN - A07BA50FA (4999201549920154B10)
CONTROL PANEL - A07BA50FA (4999201549920154A06)
CONTROLS, THROTTLE ASM/CABLE - A07BA50FA (4999201549920154B08)
COOLING SYSTEM - A07BA50FA (4999201549920154A07)
DECALS - A07BA50FA (49ATVDECAL07SCRMIN)
ELECTRICAL/TAILLIGHT - A07BA50FA (49ATVELECT07SCRMIN)
ENGINE, CARBURETOR MOUNTING/FUEL PUMP/LINES - A07BA50FA (49ATVCARBBRKT07SCRMIN)
ENGINE, CARBURETOR, LOWER - A07BA50FA (4999201549920154D02)
ENGINE, CARBURETOR, UPPER - A07BA50FA (4999201549920154D01)
ENGINE, CRANKCASE - A07BA50FA (4999201549920154C12)
ENGINE, CRANKSHAFT and PISTON - A07BA50FA (4999201549920154C13)
ENGINE, CYLINDER - A07BA50FA (4999201549920154C14)
ENGINE, INTAKE and EXHAUST - A07BA50FA (4999201549920154D03)
ENGINE, MAGNETO - A07BA50FA (49ATVMAGNETOSCRAM)
ENGINE, MOUNTING - A07BA50FA (49ATVENGINESCRAM)
ENGINE, OIL FILTER - A07BA50FA (4999201549920154D07)
ENGINE, OIL PUMP - A07BA50FA (4999201549920154D06)
ENGINE, RECOIL STARTER - A07BA50FA (4999201549920154D04)
ENGINE, STARTING MOTOR - A07BA50FA (4999201549920154D09)
ENGINE, WATER PUMP - A07BA50FA (49RGRWATERPUMP07500)
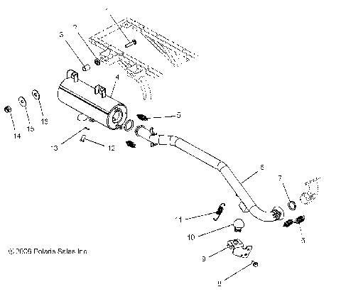
EXHAUST SYSTEM - A07BA50FA (49ATVEXHAUST07SCRMIN)
FUEL SYSTEM - A07BA50FA (4999201549920154A12)
GEAR SELECTOR - A07BA50FA (49ATVGEARSELECT07SCRMIN)
HANDLEBAR/HEADLIGHT - A07BA50FA (4999201549920154B06)
OIL TANK - A07BA50FA (49ATVOILSCRAM)
SHAFT, PROP, GUARD - A07BA50FA (49ATVSHAFTPROP07SCRMIN)
STEERING POST - A07BA50FA (4999202939920293B05)
SUSPENSION, AXLE, REAR - A07BA50FA (4999201549920154C03)
SUSPENSION, FRONT - A07BA50FA (49ATVSUSPFRT07SCRMIN)
SUSPENSION, REAR - A07BA50FA (49ATVSWINGARM07SCRMIN)
SUSPENSION, SHOCK, REAR - A07BA50FA (4969976997C09)
SUSPENSION, STRUT, FRONT - A07BA50FA (49ATVSTRUT07SCRMIN)
TOOL KIT - A07BA50FA (49ATVTOOL07SCRMIN)
TRANSMISSION - A07BA50FA (4999202939920293C02)
TRANSMISSION MOUNTING - A07BA50FA (49ATVTRANMTG07SCRMIN)
TRANSMISSION, INTERNAL - A07BA50FA (49ATVTRANSINTL07SCRMIN)
WHEEL, FRONT - A07BA50FA (4999202939920293A13)
WHEEL, REAR - A07BA50FA (4999201549920154C02)
AIR BOX - A07BA50FA (49ATVAIRBOX07SCRMIN)
BRAKE, CALIPER MOUNTING, REAR - A07BA50FA (49ATVCALIPERBOSS)
BRAKE, FRONT - A07BA50FA (4999202939920293A14)
BRAKE, HAND/MASTER CYLINDER\BRAKE LINE - A07BA50FA (49ATVCONTROLSSCRAM)
BRAKE, REAR - A07BA50FA (49ATVBRAKERRSCRAM)
BUMPER, FRONT and SHIELDS - A07BA50FA (49ATVBUMPER07SCRMIN)
CAB, FRONT - A07BA50FA (49ATVCAB07SCRMIN)
CAB, REAR - A07BA50FA (49ATVCABRR07SCRMIN)
CLUTCH COVER - A07BA50FA (49ATVCLUTCHCVR07SCRMIN)
CLUTCH, DRIVE - A07BA50FA (4999201549920154B09)
CLUTCH, DRIVEN - A07BA50FA (4999201549920154B10)
CONTROL PANEL - A07BA50FA (4999201549920154A06)
CONTROLS, THROTTLE ASM/CABLE - A07BA50FA (4999201549920154B08)
COOLING SYSTEM - A07BA50FA (4999201549920154A07)
DECALS - A07BA50FA (49ATVDECAL07SCRMIN)
ELECTRICAL/TAILLIGHT - A07BA50FA (49ATVELECT07SCRMIN)
ENGINE, CARBURETOR MOUNTING/FUEL PUMP/LINES - A07BA50FA (49ATVCARBBRKT07SCRMIN)
ENGINE, CARBURETOR, LOWER - A07BA50FA (4999201549920154D02)
ENGINE, CARBURETOR, UPPER - A07BA50FA (4999201549920154D01)
ENGINE, CRANKCASE - A07BA50FA (4999201549920154C12)
ENGINE, CRANKSHAFT and PISTON - A07BA50FA (4999201549920154C13)
ENGINE, CYLINDER - A07BA50FA (4999201549920154C14)
ENGINE, INTAKE and EXHAUST - A07BA50FA (4999201549920154D03)
ENGINE, MAGNETO - A07BA50FA (49ATVMAGNETOSCRAM)
ENGINE, MOUNTING - A07BA50FA (49ATVENGINESCRAM)
ENGINE, OIL FILTER - A07BA50FA (4999201549920154D07)
ENGINE, OIL PUMP - A07BA50FA (4999201549920154D06)
ENGINE, RECOIL STARTER - A07BA50FA (4999201549920154D04)
ENGINE, STARTING MOTOR - A07BA50FA (4999201549920154D09)
ENGINE, WATER PUMP - A07BA50FA (49RGRWATERPUMP07500)
EXHAUST SYSTEM - A07BA50FA (49ATVEXHAUST07SCRMIN)
FUEL SYSTEM - A07BA50FA (4999201549920154A12)
GEAR SELECTOR - A07BA50FA (49ATVGEARSELECT07SCRMIN)
HANDLEBAR/HEADLIGHT - A07BA50FA (4999201549920154B06)
OIL TANK - A07BA50FA (49ATVOILSCRAM)
SHAFT, PROP, GUARD - A07BA50FA (49ATVSHAFTPROP07SCRMIN)
STEERING POST - A07BA50FA (4999202939920293B05)
SUSPENSION, AXLE, REAR - A07BA50FA (4999201549920154C03)
SUSPENSION, FRONT - A07BA50FA (49ATVSUSPFRT07SCRMIN)
SUSPENSION, REAR - A07BA50FA (49ATVSWINGARM07SCRMIN)
SUSPENSION, SHOCK, REAR - A07BA50FA (4969976997C09)
SUSPENSION, STRUT, FRONT - A07BA50FA (49ATVSTRUT07SCRMIN)
TOOL KIT - A07BA50FA (49ATVTOOL07SCRMIN)
TRANSMISSION - A07BA50FA (4999202939920293C02)
TRANSMISSION MOUNTING - A07BA50FA (49ATVTRANMTG07SCRMIN)
TRANSMISSION, INTERNAL - A07BA50FA (49ATVTRANSINTL07SCRMIN)
WHEEL, FRONT - A07BA50FA (4999202939920293A13)
WHEEL, REAR - A07BA50FA (4999201549920154C02)
VIEW WISH LIST