Polaris
Browse New Models
Shop In-Stock
Honda
Browse New Models
Shop In-Stock
KTM
Browse New Models
Shop In-Stock
Beta
Browse New Models
Shop In-Stock
Timbersled
Browse New Models
1318 W 2nd St
,
The Dalles, OR
97058
541-298-1161
Search Inventory
Toggle navigation
Home
Brands
Inventory
All Inventory In Stock
New Inventory In Stock
Pre-Owned Inventory
Polaris Off-Road
Polaris Snowmobiles
Timbersled
Manufacturer Models
Value Your Trade-In
Request a Model
Government Purchasing Program
OEM Promotions
Secure Financing
Parts
Parts Department
Parts Finder
Shopping Cart
Service
Service Department
Warranty & Recall Look-Up
Schedule Polaris Service
Financing
About
Our Dealership
Our Team
Reviews
Customer Survey
Employment
Location & Hours
Contact
541-298-1161
The Dalles, OR
Fiche | Parts Diagrams
Home
›
Parts
›
Parts Finder
Search by :
Part / Desc
VIN
Please Select
Honda
KTM
Polaris
*Please enter at least 3 characters
SEARCH
Manufacturer
Polaris
ATVs
2007
SPORTSMAN X2 500 EFI QUAD (A07TH50EA)
VIEW WISH LIST
Select a Section
Show/Hide
A-ARM/STRUT MOUNTING - A07TH50EA (49ATVAARMX2500EFI)
AIR BOX - A07TH50EA (4999204069920406B05)
BOX FRAME - A07TH50EA (49ATVBOXX2500EFI)
BOX, REAR - A07TH50EA (49ATVBOXRRX2500EFI)
BRAKE CALIPER, FRONT - A07TH50EA (49ATVBRAKEFRT075EFIIN)
BRAKE CALIPER, REAR - A07TH50EA (4999200139920013B05)
BRAKE LINES, FRONT - A07TH50EA (49ATVBRAKELINEX2QUAD)
BRAKE, FOOT - A07TH50EA (49ATVBRAKEFOOTX2QUAD)
BRAKE, LH MASTER CYLINDER - A07TH50EA (4999204069920406B08)
BRAKE, LINES, REAR - A07TH50EA (49ATVBRAKERRX2QUAD)
BRAKE, VALVE SYSTEM - A07TH50EA (49ATVBRAKEVALVEX2QUAD)
BUMPER MOUNTING - A07TH50EA (49ATVBUMPERX2QUAD)
CAB FOIL, REAR - A07TH50EA (49ATVCABFOILX2500EFI)
CAB, FRONT - A07TH50EA (49ATVCABX2QUAD)
CAB, REAR and MAIN FRAME - A07TH50EA (49ATVCABRRX2QUAD)
CLUTCH COVER - A07TH50EA (49ATVCLUTCHCVRX2500EFI)
CLUTCH, DRIVE and MOUNTING - A07TH50EA (4999204069920406C11)
CLUTCH, DRIVEN - A07TH50EA (4999200139920013C06)
CONTROLS, THROTTLE ASM./CABLE - A07TH50EA (4999204069920406B13)
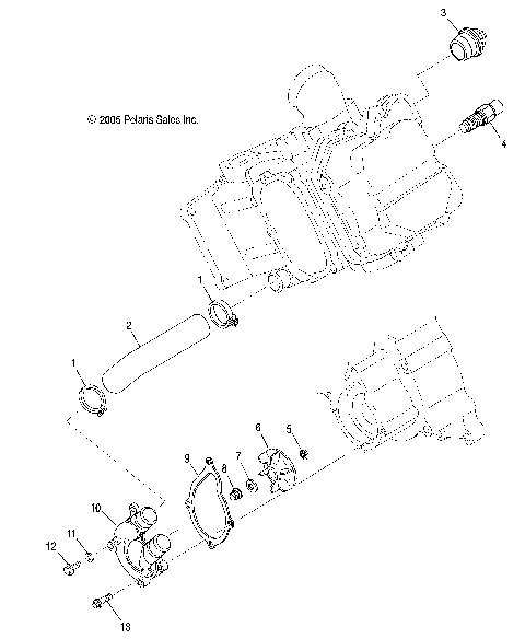
COOLING SYSTEM - A07TH50EA (4999204069920406B02)
DECALS - A07TH50EA (49ATVDECALX2QUAD)
ELECTRICAL - A07TH50EA (49ATVELECTX2QUAD)
ENGINE, CRANKCASE - A07TH50EA (4999200139920013D04)
ENGINE, CRANKSHAFT and PISTON - A07TH50EA (4999200139920013D06)
ENGINE, CYLINDER - A07TH50EA (4999200139920013D05)
ENGINE, FUEL INJECTION - A07TH50EA (4999200139920013D08)
ENGINE, INTAKE and EXHAUST - A07TH50EA (4999200139920013D09)
ENGINE, MAGNETO - A07TH50EA (4999200139920013E01)
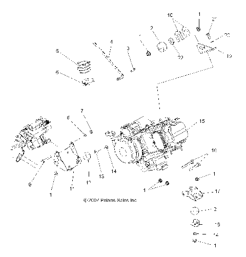
ENGINE, MOUNTING - A07TH50EA (49ATVENGINEX2500EFI)
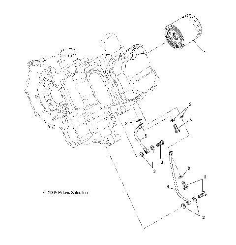
ENGINE, OIL FILTER - A07TH50EA (4999200139920013D12)
ENGINE, OIL PUMP - A07TH50EA (4999200139920013D11)
ENGINE, RECOIL STARTER - A07TH50EA (4999200139920013D13)
ENGINE, STARTING MOTOR - A07TH50EA (4999200139920013D14)
ENGINE, THROTTLE BODY - A07TH50EA (49ATVTHROTTLEBODY500EFI)
ENGINE, WATER PUMP - A07TH50EA (4999200139920013D10)
EXHAUST SYSTEM - A07TH50EA (49ATVEXHAUSTX2QUAD)
EXHAUST, AIR INJECTION SYSTEM - A07TH50EA (49ATVAIRINJECTX2QUAD)
FUEL TANK - A07TH50EA (49ATVFUELX2QUAD)
GEAR SELECTOR - A07TH50EA (4999204069920406C10)
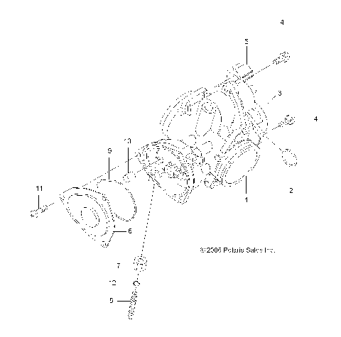
GEARCASE, FRONT - A07TH50EA (49ATVGEARCASE08SP500)
GEARCASE, MOUNTING, FRONT (DEMAND DRIVE) - A07TH50EA (49ATVGEARCASEMTG500EFI)
HANDLEBAR and CONTROLS - A07TH50EA (49ATVHANDLEBARX2QUAD)
HEADLIGHT ASM. - A07TH50EA (49ATVHEADLTASMX2QUAD)
HEADLIGHT POD and SPEEDOMETER - A07TH50EA (49ATVHEADLIGHTX2QUAD)
OIL TANK - A07TH50EA (4999204069920406B07)
SEAT, PASSENGER, BACK - A07TH50EA (49ATVSEATBACKX2500EFI)
SEAT, PASSENGER, BOTTOM - A07TH50EA (49ATVSEATBOTTOMX2500EFI)
SEATS - A07TH50EA (49ATVSEATX2500EFI)
SHAFT, DRIVE, FRONT - A07TH50EA (49ATVSHAFTDRIVE1332347)
SHAFT, DRIVE, REAR - A07TH50EA (4999204069920406C01)
SHAFT, PROP - A07TH50EA (4999204069920406C02)
STEERING POST - A07TH50EA (49ATVSTEERINGX2QUAD)
STORAGE, FRONT - A07TH50EA (49ATVSTORAGE075EFIIN)
STRUT, FRONT - A07TH50EA (49ATVSTRUTX2500EFI)
SUSPENSION, REAR - A07TH50EA (49ATVSUSPRRX2QUAD)
TAILGATE - A07TH50EA (4999204069920406A09)
TAILLIGHT MOUNTING - A07TH50EA (4999204069920406A11)
TOOL KIT - A07TH50EA (4999204069920406E10)
TORSION BAR - A07TH50EA (49ATVTORSIONX2500EFI)
TRANSMISSION - A07TH50EA (4999204069920406D05)
TRANSMISSION, DIFFERENTIAL - A07TH50EA (4999204069920406D07)
TRANSMISSION, INTERNAL - A07TH50EA (4999204069920406D06)
TRANSMISSION, MOUNTING - A07TH50EA (4999204069920406D03)
TRANSMISSION, OUTPUT SHAFT, FRONT - A07TH50EA (4999204069920406D08)
TRANSMISSION, SHIFT FORKS - A07TH50EA (4999204069920406D09)
TURN SIGNALS/MIRRORS/HORN - A07TH50EA (49ATVTURNSIGX2QUAD)
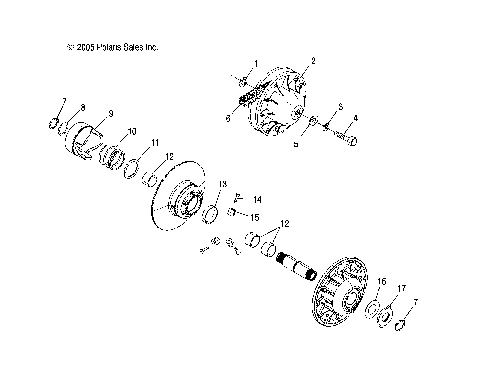
WHEEL, FRONT - A07TH50EA (49ATVWHEELFRTX2QUAD)
WHEEL, REAR - A07TH50EA (49ATVWHEELREARX2QUAD)
A-ARM/STRUT MOUNTING - A07TH50EA (49ATVAARMX2500EFI)
AIR BOX - A07TH50EA (4999204069920406B05)
BOX FRAME - A07TH50EA (49ATVBOXX2500EFI)
BOX, REAR - A07TH50EA (49ATVBOXRRX2500EFI)
BRAKE CALIPER, FRONT - A07TH50EA (49ATVBRAKEFRT075EFIIN)
BRAKE CALIPER, REAR - A07TH50EA (4999200139920013B05)
BRAKE LINES, FRONT - A07TH50EA (49ATVBRAKELINEX2QUAD)
BRAKE, FOOT - A07TH50EA (49ATVBRAKEFOOTX2QUAD)
BRAKE, LH MASTER CYLINDER - A07TH50EA (4999204069920406B08)
BRAKE, LINES, REAR - A07TH50EA (49ATVBRAKERRX2QUAD)
BRAKE, VALVE SYSTEM - A07TH50EA (49ATVBRAKEVALVEX2QUAD)
BUMPER MOUNTING - A07TH50EA (49ATVBUMPERX2QUAD)
CAB FOIL, REAR - A07TH50EA (49ATVCABFOILX2500EFI)
CAB, FRONT - A07TH50EA (49ATVCABX2QUAD)
CAB, REAR and MAIN FRAME - A07TH50EA (49ATVCABRRX2QUAD)
CLUTCH COVER - A07TH50EA (49ATVCLUTCHCVRX2500EFI)
CLUTCH, DRIVE and MOUNTING - A07TH50EA (4999204069920406C11)
CLUTCH, DRIVEN - A07TH50EA (4999200139920013C06)
CONTROLS, THROTTLE ASM./CABLE - A07TH50EA (4999204069920406B13)
COOLING SYSTEM - A07TH50EA (4999204069920406B02)
DECALS - A07TH50EA (49ATVDECALX2QUAD)
ELECTRICAL - A07TH50EA (49ATVELECTX2QUAD)
ENGINE, CRANKCASE - A07TH50EA (4999200139920013D04)
ENGINE, CRANKSHAFT and PISTON - A07TH50EA (4999200139920013D06)
ENGINE, CYLINDER - A07TH50EA (4999200139920013D05)
ENGINE, FUEL INJECTION - A07TH50EA (4999200139920013D08)
ENGINE, INTAKE and EXHAUST - A07TH50EA (4999200139920013D09)
ENGINE, MAGNETO - A07TH50EA (4999200139920013E01)
ENGINE, MOUNTING - A07TH50EA (49ATVENGINEX2500EFI)
ENGINE, OIL FILTER - A07TH50EA (4999200139920013D12)
ENGINE, OIL PUMP - A07TH50EA (4999200139920013D11)
ENGINE, RECOIL STARTER - A07TH50EA (4999200139920013D13)
ENGINE, STARTING MOTOR - A07TH50EA (4999200139920013D14)
ENGINE, THROTTLE BODY - A07TH50EA (49ATVTHROTTLEBODY500EFI)
ENGINE, WATER PUMP - A07TH50EA (4999200139920013D10)
EXHAUST SYSTEM - A07TH50EA (49ATVEXHAUSTX2QUAD)
EXHAUST, AIR INJECTION SYSTEM - A07TH50EA (49ATVAIRINJECTX2QUAD)
FUEL TANK - A07TH50EA (49ATVFUELX2QUAD)
GEAR SELECTOR - A07TH50EA (4999204069920406C10)
GEARCASE, FRONT - A07TH50EA (49ATVGEARCASE08SP500)
GEARCASE, MOUNTING, FRONT (DEMAND DRIVE) - A07TH50EA (49ATVGEARCASEMTG500EFI)
HANDLEBAR and CONTROLS - A07TH50EA (49ATVHANDLEBARX2QUAD)
HEADLIGHT ASM. - A07TH50EA (49ATVHEADLTASMX2QUAD)
HEADLIGHT POD and SPEEDOMETER - A07TH50EA (49ATVHEADLIGHTX2QUAD)
OIL TANK - A07TH50EA (4999204069920406B07)
SEAT, PASSENGER, BACK - A07TH50EA (49ATVSEATBACKX2500EFI)
SEAT, PASSENGER, BOTTOM - A07TH50EA (49ATVSEATBOTTOMX2500EFI)
SEATS - A07TH50EA (49ATVSEATX2500EFI)
SHAFT, DRIVE, FRONT - A07TH50EA (49ATVSHAFTDRIVE1332347)
SHAFT, DRIVE, REAR - A07TH50EA (4999204069920406C01)
SHAFT, PROP - A07TH50EA (4999204069920406C02)
STEERING POST - A07TH50EA (49ATVSTEERINGX2QUAD)
STORAGE, FRONT - A07TH50EA (49ATVSTORAGE075EFIIN)
STRUT, FRONT - A07TH50EA (49ATVSTRUTX2500EFI)
SUSPENSION, REAR - A07TH50EA (49ATVSUSPRRX2QUAD)
TAILGATE - A07TH50EA (4999204069920406A09)
TAILLIGHT MOUNTING - A07TH50EA (4999204069920406A11)
TOOL KIT - A07TH50EA (4999204069920406E10)
TORSION BAR - A07TH50EA (49ATVTORSIONX2500EFI)
TRANSMISSION - A07TH50EA (4999204069920406D05)
TRANSMISSION, DIFFERENTIAL - A07TH50EA (4999204069920406D07)
TRANSMISSION, INTERNAL - A07TH50EA (4999204069920406D06)
TRANSMISSION, MOUNTING - A07TH50EA (4999204069920406D03)
TRANSMISSION, OUTPUT SHAFT, FRONT - A07TH50EA (4999204069920406D08)
TRANSMISSION, SHIFT FORKS - A07TH50EA (4999204069920406D09)
TURN SIGNALS/MIRRORS/HORN - A07TH50EA (49ATVTURNSIGX2QUAD)
WHEEL, FRONT - A07TH50EA (49ATVWHEELFRTX2QUAD)
WHEEL, REAR - A07TH50EA (49ATVWHEELREARX2QUAD)
VIEW WISH LIST