Polaris
Browse New Models
Shop In-Stock
Honda
Browse New Models
Shop In-Stock
KTM
Browse New Models
Shop In-Stock
Beta
Browse New Models
Shop In-Stock
Timbersled
Browse New Models
1318 W 2nd St
,
The Dalles, OR
97058
541-298-1161
Search Inventory
Toggle navigation
Home
Brands
Inventory
All Inventory In Stock
New Inventory In Stock
Pre-Owned Inventory
Polaris Off-Road
Polaris Snowmobiles
Timbersled
Manufacturer Models
Value Your Trade-In
Request a Model
Government Purchasing Program
OEM Promotions
Secure Financing
Parts
Parts Department
Parts Finder
Shopping Cart
Service
Service Department
Warranty & Recall Look-Up
Schedule Polaris Service
Financing
About
Our Dealership
Our Team
Reviews
Customer Survey
Employment
Location & Hours
Contact
541-298-1161
The Dalles, OR
Fiche | Parts Diagrams
Home
›
Parts
›
Parts Finder
Search by :
Part / Desc
VIN
Please Select
Honda
KTM
Polaris
*Please enter at least 3 characters
SEARCH
Manufacturer
Polaris
ATVs
2008
OUTLAW 525 "S" (A08GJ52AA/AB/AC)
VIEW WISH LIST
Select a Section
Show/Hide
BODY, DECALS - A08GJ52AA/AB/AC (49ATVDECAL08OUT525)
BODY, FRONT CAB and SIDE PANELS - A08GJ52AA/AB/AC (49ATVCAB08OUT525S)
BODY, FUEL TANK - A08GJ52AA/AB/AC (49ATVFUEL08OUT525S)
BODY, REAR CAB - A08GJ52AA/AB/AC (49ATVCABRR08OUT525S)
BODY, SEAT - A08GJ52AA/AB/AC (49ATVSEAT08OUT525S)
BRAKES, FRONT ASM. - A08GJ52AA/AB/AC (49ATVBRAKEFRT08OUT525S)
BRAKES, FRONT BRAKE and MASTER CYLINDER - A08GJ52AA/AB/AC (49ATVMCLH07OUT525)
BRAKES, FRONT CALIPER - A08GJ52AA/AB/AC (49ATVCALIPER08OUT525S)
BRAKES, REAR BRAKE - A08GJ52AA/AB/AC (49ATVBRAKERR08OUT525S)
BRAKES, REAR CALIPER - A08GJ52AA/AB/AC (49ATVCALIPERRR08OUT525S)
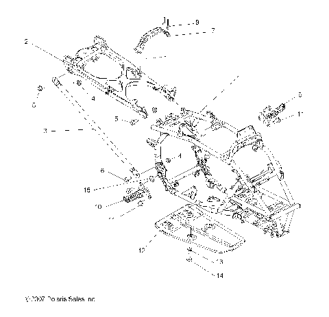
CHASSIS, BUMPER and GRAB BAR - A08GJ52AA/AB/AC (49ATVBUMPER08OUT525S)
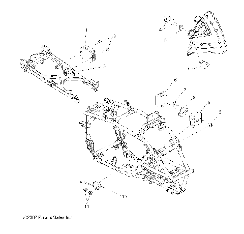
CHASSIS, FRAME - A08GJ52AA/AB/AC (49ATVFRAME08OUT525S)
DRIVE TRAIN, BALANCER SHAFT - A08GJ52AA/AB/AC (49ATVSHAFTBALANCER07OUT525)
DRIVE TRAIN, FRONT SPROCKET GUARD - A08GJ52AA/AB/AC (49ATVSPROCKET08OUT525S)
DRIVE TRAIN, REAR AXLE and HOUSING - A08GJ52AA/AB/AC (4999201849920184B06)
DRIVE TRAIN, SHIFTING - A08GJ52AA/AB/AC (49ATVSHIFT07OUT525)
DRIVE TRAIN, TRANSMISSION - A08GJ52AA/AB/AC (49ATVTRANSMISSION07OUT525)
DRIVE TRAIN, TRANSMISSION 2 - A08GJ52AA/AB/AC (49ATVTRANSMISSION208OUT525S)
ELECTRICAL, BATTERY - A08GJ52AA/AB/AC (49ATVBATTERY08OUT525S)
ELECTRICAL, HEADLIGHTS, TAILLIGHTS and BULBS - A08GJ52AA/AB/AC (49ATVHEADLIGHT08OUT525S)
ELECTRICAL, IGNITION SYSTEM - A08GJ52AA/AB/AC (49ATVIGNITION07OUT525)
ELECTRICAL, SWITCHES and SENSORS - A08GJ52AA/AB/AC (49ATVELECT08OUT525S)
ELECTRICAL, WIRE HARNESSES - A08GJ52AA/AB/AC (49ATVHARNESS08OUT525S)
ENGINE, AIR INTAKE SYSTEM - A08GJ52AA/AB/AC (49ATVAIRBOX08OUT525S)
ENGINE, CARBURETOR - A08GJ52AA/AB/AC (49ATVCARB08OUT525S)
ENGINE, CLUTCH - A08GJ52AA/AB/AC (49ATVCLUTCH07OUT525)
ENGINE, CLUTCH COVER - A08GJ52AA/AB/AC (49ATVCLUTCHCVR07OUT525)
ENGINE, CLUTCH LEVER and MASTER CYLINDER - A08GJ52AA/AB/AC (49ATVMCLH08OUT525S)
ENGINE, COOLING SYSTEM - A08GJ52AA/AB/AC (49ATVCOOL08OUT525S)
ENGINE, CRANKCASE - A08GJ52AA/AB/AC (49ATVCRANKCASE08OUT525S)
ENGINE, CRANKSHAFT and PISTON - A08GJ52AA/AB/AC (49ATVCRANKSHAFT07OUT525)
ENGINE, CYLINDER - A08GJ52AA/AB/AC (49ATVCYLINDER07OUT525)
ENGINE, CYLINDER HEAD - A08GJ52AA/AB/AC (49ATVCYLINDERHD07OUT525)
ENGINE, EXHAUST - A08GJ52AA/AB/AC (49ATVEXHAUST08OUT525S)
ENGINE, MOUNTING - A08GJ52AA/AB/AC (49ATVENGINEMTG08OUT525S)
ENGINE, OIL SYSTEM and OIL PUMP - A08GJ52AA/AB/AC (49ATVOILPUMP07OUT525)
ENGINE, STARTING SYSTEM - A08GJ52AA/AB/AC (49ATVSTARTER07OUT525)
ENGINE, TIMING SYSTEM - A08GJ52AA/AB/AC (49ATVCAMCHAIN08OUT525S)
ENGINE, VALVE DRIVE - A08GJ52AA/AB/AC (49ATVVALVE07OUT525)
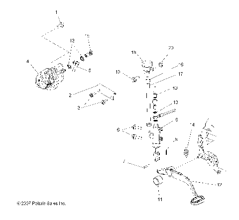
STEERING, CONTROLS and INDICATOR - A08GJ52AA/AB/AC (49ATVCONTROLS07OUT525)
STEERING, POST and HANDLEBAR - A08GJ52AA/AB/AC (4999201899920189B02)
STEERING, TIE RODS and LOWER ASM. - A08GJ52AA/AB/AC (4999201899920189B03)
SUSPENSION, FRONT - A08GJ52AA/AB/AC (49ATVSUSPFRT08OUT525S)
SUSPENSION, FRONT SHOCK - A08GJ52AA/AB (49ATVSHOCKFRT7043358)
SUSPENSION, FRONT SHOCK - A08GJ52AC (49ATVSHOCKFRT7043359)
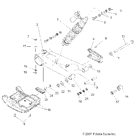
SUSPENSION, REAR SHOCK - A08GJ52AA/AB/AC (49ATVSHOCKRR7043331)
SUSPENSION, REAR SHOCK MOUNTING - A08GJ52AA/AB/AC (49ATVSHOCKMTG08OUT525S)
SUSPENSION, SWING ARM - A08GJ52AA/AB/AC (49ATVSWINGARM08OUT525S)
TOOLS, TOOL KIT - A08GJ52AA/AB/AC (49ATVTOOL08OUT525S)
WHEELS, FRONT - A08GJ52AA/AB/AC (49ATVWHEELFRT08OUT525S)
WHEELS, REAR - A08GJ52AA/AB/AC (49ATVWHEELREAR08OUT525S)
BODY, DECALS - A08GJ52AA/AB/AC (49ATVDECAL08OUT525)
BODY, FRONT CAB and SIDE PANELS - A08GJ52AA/AB/AC (49ATVCAB08OUT525S)
BODY, FUEL TANK - A08GJ52AA/AB/AC (49ATVFUEL08OUT525S)
BODY, REAR CAB - A08GJ52AA/AB/AC (49ATVCABRR08OUT525S)
BODY, SEAT - A08GJ52AA/AB/AC (49ATVSEAT08OUT525S)
BRAKES, FRONT ASM. - A08GJ52AA/AB/AC (49ATVBRAKEFRT08OUT525S)
BRAKES, FRONT BRAKE and MASTER CYLINDER - A08GJ52AA/AB/AC (49ATVMCLH07OUT525)
BRAKES, FRONT CALIPER - A08GJ52AA/AB/AC (49ATVCALIPER08OUT525S)
BRAKES, REAR BRAKE - A08GJ52AA/AB/AC (49ATVBRAKERR08OUT525S)
BRAKES, REAR CALIPER - A08GJ52AA/AB/AC (49ATVCALIPERRR08OUT525S)
CHASSIS, BUMPER and GRAB BAR - A08GJ52AA/AB/AC (49ATVBUMPER08OUT525S)
CHASSIS, FRAME - A08GJ52AA/AB/AC (49ATVFRAME08OUT525S)
DRIVE TRAIN, BALANCER SHAFT - A08GJ52AA/AB/AC (49ATVSHAFTBALANCER07OUT525)
DRIVE TRAIN, FRONT SPROCKET GUARD - A08GJ52AA/AB/AC (49ATVSPROCKET08OUT525S)
DRIVE TRAIN, REAR AXLE and HOUSING - A08GJ52AA/AB/AC (4999201849920184B06)
DRIVE TRAIN, SHIFTING - A08GJ52AA/AB/AC (49ATVSHIFT07OUT525)
DRIVE TRAIN, TRANSMISSION - A08GJ52AA/AB/AC (49ATVTRANSMISSION07OUT525)
DRIVE TRAIN, TRANSMISSION 2 - A08GJ52AA/AB/AC (49ATVTRANSMISSION208OUT525S)
ELECTRICAL, BATTERY - A08GJ52AA/AB/AC (49ATVBATTERY08OUT525S)
ELECTRICAL, HEADLIGHTS, TAILLIGHTS and BULBS - A08GJ52AA/AB/AC (49ATVHEADLIGHT08OUT525S)
ELECTRICAL, IGNITION SYSTEM - A08GJ52AA/AB/AC (49ATVIGNITION07OUT525)
ELECTRICAL, SWITCHES and SENSORS - A08GJ52AA/AB/AC (49ATVELECT08OUT525S)
ELECTRICAL, WIRE HARNESSES - A08GJ52AA/AB/AC (49ATVHARNESS08OUT525S)
ENGINE, AIR INTAKE SYSTEM - A08GJ52AA/AB/AC (49ATVAIRBOX08OUT525S)
ENGINE, CARBURETOR - A08GJ52AA/AB/AC (49ATVCARB08OUT525S)
ENGINE, CLUTCH - A08GJ52AA/AB/AC (49ATVCLUTCH07OUT525)
ENGINE, CLUTCH COVER - A08GJ52AA/AB/AC (49ATVCLUTCHCVR07OUT525)
ENGINE, CLUTCH LEVER and MASTER CYLINDER - A08GJ52AA/AB/AC (49ATVMCLH08OUT525S)
ENGINE, COOLING SYSTEM - A08GJ52AA/AB/AC (49ATVCOOL08OUT525S)
ENGINE, CRANKCASE - A08GJ52AA/AB/AC (49ATVCRANKCASE08OUT525S)
ENGINE, CRANKSHAFT and PISTON - A08GJ52AA/AB/AC (49ATVCRANKSHAFT07OUT525)
ENGINE, CYLINDER - A08GJ52AA/AB/AC (49ATVCYLINDER07OUT525)
ENGINE, CYLINDER HEAD - A08GJ52AA/AB/AC (49ATVCYLINDERHD07OUT525)
ENGINE, EXHAUST - A08GJ52AA/AB/AC (49ATVEXHAUST08OUT525S)
ENGINE, MOUNTING - A08GJ52AA/AB/AC (49ATVENGINEMTG08OUT525S)
ENGINE, OIL SYSTEM and OIL PUMP - A08GJ52AA/AB/AC (49ATVOILPUMP07OUT525)
ENGINE, STARTING SYSTEM - A08GJ52AA/AB/AC (49ATVSTARTER07OUT525)
ENGINE, TIMING SYSTEM - A08GJ52AA/AB/AC (49ATVCAMCHAIN08OUT525S)
ENGINE, VALVE DRIVE - A08GJ52AA/AB/AC (49ATVVALVE07OUT525)
STEERING, CONTROLS and INDICATOR - A08GJ52AA/AB/AC (49ATVCONTROLS07OUT525)
STEERING, POST and HANDLEBAR - A08GJ52AA/AB/AC (4999201899920189B02)
STEERING, TIE RODS and LOWER ASM. - A08GJ52AA/AB/AC (4999201899920189B03)
SUSPENSION, FRONT - A08GJ52AA/AB/AC (49ATVSUSPFRT08OUT525S)
SUSPENSION, FRONT SHOCK - A08GJ52AA/AB (49ATVSHOCKFRT7043358)
SUSPENSION, FRONT SHOCK - A08GJ52AC (49ATVSHOCKFRT7043359)
SUSPENSION, REAR SHOCK - A08GJ52AA/AB/AC (49ATVSHOCKRR7043331)
SUSPENSION, REAR SHOCK MOUNTING - A08GJ52AA/AB/AC (49ATVSHOCKMTG08OUT525S)
SUSPENSION, SWING ARM - A08GJ52AA/AB/AC (49ATVSWINGARM08OUT525S)
TOOLS, TOOL KIT - A08GJ52AA/AB/AC (49ATVTOOL08OUT525S)
WHEELS, FRONT - A08GJ52AA/AB/AC (49ATVWHEELFRT08OUT525S)
WHEELS, REAR - A08GJ52AA/AB/AC (49ATVWHEELREAR08OUT525S)
VIEW WISH LIST