Polaris
Browse New Models
Shop In-Stock
Honda
Browse New Models
Shop In-Stock
KTM
Browse New Models
Shop In-Stock
Beta
Browse New Models
Shop In-Stock
Timbersled
Browse New Models
1318 W 2nd St
,
The Dalles, OR
97058
541-298-1161
Search Inventory
Toggle navigation
Home
Brands
Inventory
All Inventory In Stock
New Inventory In Stock
Pre-Owned Inventory
Polaris Off-Road
Polaris Snowmobiles
Timbersled
Manufacturer Models
Value Your Trade-In
Request a Model
Government Purchasing Program
OEM Promotions
Secure Financing
Parts
Parts Department
Parts Finder
Shopping Cart
Service
Service Department
Warranty & Recall Look-Up
Schedule Polaris Service
Financing
About
Our Dealership
Our Team
Reviews
Customer Survey
Employment
Location & Hours
Contact
541-298-1161
The Dalles, OR
Fiche | Parts Diagrams
Home
›
Parts
›
Parts Finder
Search by :
Part / Desc
VIN
Please Select
Honda
KTM
Polaris
*Please enter at least 3 characters
SEARCH
Manufacturer
Polaris
ATVs
2008
TRAIL BLAZER 330 (A08BA32AA)
VIEW WISH LIST
Select a Section
Show/Hide
BODY, CLUTCH COVER - A08BA32AA (49ATVCLUTCHCVR08TB)
BODY, DECALS - A08BA32AA (49ATVDECAL08TB)
BODY, FRONT CAB - A08BA32AA (49ATVCAB08TB)
BODY, FUEL SYSTEM - A08BA32AA (49ATVFUEL08TB)
BODY, REAR CAB - A08BA32AA (49ATVCABRR08SCRAM)
BRAKES, BRAKE LINES - A08BA32AA (49ATVBRAKELINE08TB)
BRAKES, BRAKE PEDAL and REAR MASTER CYLINDER - A08BA32AA (49ATVBRAKERR08SCRAM)
BRAKES, FRONT BRAKE LEVER and MASTER CYLINDER - A08BA32AA (49ATVMCLH08SCRAM)
BRAKES, FRONT CALIPER - A08BA32AA (49ATVBRAKEFRT08SCRAM)
BRAKES, REAR CALIPER - A08BA32AA (49ATVCALIPER08SCRAM)
BRAKES, REAR CALIPER MOUNTING - A08BA32AA (49ATVCALIPERMTG08SCRAM)
CHASSIS, FRAME - A08BA32AA (49ATVFRAME08TB)
CHASSIS, FRONT BUMPER - A08BA32AA (49ATVBUMPER08TB)
CHASSIS, SWING ARM - A08BA32AA (49ATVSWINGARM08SCRAM2X4)
DRIVE TRAIN, GEAR SELECTOR - A08BA32AA (49ATVGEARSELECT08TB)
DRIVE TRAIN, MAIN GEARCASE - A08BA32AA (4999202939920293C02)
DRIVE TRAIN, MAIN GEARCASE INTERNAL - A08BA32AA (49ATVTRANSINTL08SCRAM2X4)
DRIVE TRAIN, MAIN GEARCASE MOUNTING - A08BA32AA (49ATVTRANMTG08TB)
DRIVE TRAIN, PRIMARY CLUTCH - A08BA32AA (49ATVCLUTCH08SCRAM)
DRIVE TRAIN, PROP SHAFT GUARD - A08BA32AA (49ATVSHAFTPROP08SCRAM2X4)
DRIVE TRAIN, REAR AXLE and HOUSING - A08BA32AA (4999201549920154C03)
DRIVE TRAIN, SECONDARY CLUTCH - A08BA32AA (49ATVCLUTCHDRIVEN08SCRAM)
ELECTRICAL, BATTERY - A08BA32AA (49ATVBATTERY08TB)
ELECTRICAL, BULBS - A08BA32AA (49ATVBULBS08TB)
ELECTRICAL, GAUGES and INDICATOR - A08BA32AA (49ATVGAUGES08SCRAM)
ELECTRICAL, HARNESS - A08BA32AA (49ATVHARNESS08TB)
ELECTRICAL, HEADLIGHT - A08BA32AA (49ATVHEADLIGHT08TB)
ELECTRICAL, IGNITION SYSTEM - A08BA32AA (49ATVMAGNETO08TB)
ELECTRICAL, SWITCHES and SENSORS and CONTROL MODULES - A08BA32AA (49ATVELECT08SCRAM)
ELECTRICAL, TAILLIGHT - A08BA32AA (49ATVTAILLAMPS08SCRAM)
ENGINE, AIR INTAKE SYSTEM - A08BA32AA (49ATVAIRBOX08TB)
ENGINE, CARBURETOR BRACKET - A08BA32AA (49ATVCARBBRKT08TB)
ENGINE, CARBURETOR, LOWER - A08BA32AA (49ATVCARB08TB)
ENGINE, CARBURETOR, UPPER - A08BA32AA (49ATVCARBUPPER08TB)
ENGINE, CHOKE CABLE - A08BA32AA (49ATVCABLE08SCRAM)
ENGINE, COOLING SYSTEM - A08BA32AA (49ATVCOOL08TBLZR)
ENGINE, CRANKCASE - A08BA32AA (49ATVCRANKCASE08TB)
ENGINE, CRANKSHAFT and PISTON - A08BA32AA (49ATVCRANKSHAFT08TB)
ENGINE, CYLINDER and HEAD - A08BA32AA (49ATVCYLINDER08TB)
ENGINE, EXHAUST - A08BA32AA (49ATVEXHAUST08TB)
ENGINE, FUEL PUMP - A08BA32AA (4999200059920005D11)
ENGINE, MOUNTING - A08BA32AA (49ATVENGINEMTG08TB)
ENGINE, OIL PUMP and OIL FILTER - A08BA32AA (4999202939920293C12)
ENGINE, RECOIL STARTER - A08BA32AA (49ATVRECOIL08TB)
ENGINE, SHORT BLOCK - A08BA32AA (49ATVENGINE08TB)
ENGINE, STARTING MOTOR - A08BA32AA (49ATVSTARTER08TB)
ENGINE, VALVES and CAMSHAFT - A08BA32AA (49ATVCAMSHAFT08TB)
REFERENCE, MANUALS and INFORMATION - A08BA32AA (49ATVOM07OTLW90)
STEERING, CONTROLS and THROTTLE - A08BA32AA (49ATVCONTROLS08SCRAM2X4)
STEERING, HANDLEBAR and CONTROLS - A08BA32AA (49ATVHANDLEBAR08TB)
STEERING, STEERING POST - A08BA32AA (49ATVSTEERING08SCRAM2X4)
SUSPENSION, A-ARM and STRUT MOUNTING - A08BA32AA (49ATVSUSPFRT08TB)
SUSPENSION, FRONT STRUT - A08BA32AA (49ATVSTRUT08TB)
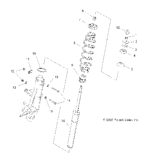
SUSPENSION, REAR SHOCK - A08BA32AA (49ATVSHOCKRR7042319)
TOOLS, TOOL KIT - A08BA32AA (49ATVTOOL08TB)
WHEELS, FRONT - A08BA32AA (49ATVWHEELFRT08SCRAM2X4)
WHEELS, REAR - A08BA32AA (49ATVWHEELREAR08SCRAM)
BODY, CLUTCH COVER - A08BA32AA (49ATVCLUTCHCVR08TB)
BODY, DECALS - A08BA32AA (49ATVDECAL08TB)
BODY, FRONT CAB - A08BA32AA (49ATVCAB08TB)
BODY, FUEL SYSTEM - A08BA32AA (49ATVFUEL08TB)
BODY, REAR CAB - A08BA32AA (49ATVCABRR08SCRAM)
BRAKES, BRAKE LINES - A08BA32AA (49ATVBRAKELINE08TB)
BRAKES, BRAKE PEDAL and REAR MASTER CYLINDER - A08BA32AA (49ATVBRAKERR08SCRAM)
BRAKES, FRONT BRAKE LEVER and MASTER CYLINDER - A08BA32AA (49ATVMCLH08SCRAM)
BRAKES, FRONT CALIPER - A08BA32AA (49ATVBRAKEFRT08SCRAM)
BRAKES, REAR CALIPER - A08BA32AA (49ATVCALIPER08SCRAM)
BRAKES, REAR CALIPER MOUNTING - A08BA32AA (49ATVCALIPERMTG08SCRAM)
CHASSIS, FRAME - A08BA32AA (49ATVFRAME08TB)
CHASSIS, FRONT BUMPER - A08BA32AA (49ATVBUMPER08TB)
CHASSIS, SWING ARM - A08BA32AA (49ATVSWINGARM08SCRAM2X4)
DRIVE TRAIN, GEAR SELECTOR - A08BA32AA (49ATVGEARSELECT08TB)
DRIVE TRAIN, MAIN GEARCASE - A08BA32AA (4999202939920293C02)
DRIVE TRAIN, MAIN GEARCASE INTERNAL - A08BA32AA (49ATVTRANSINTL08SCRAM2X4)
DRIVE TRAIN, MAIN GEARCASE MOUNTING - A08BA32AA (49ATVTRANMTG08TB)
DRIVE TRAIN, PRIMARY CLUTCH - A08BA32AA (49ATVCLUTCH08SCRAM)
DRIVE TRAIN, PROP SHAFT GUARD - A08BA32AA (49ATVSHAFTPROP08SCRAM2X4)
DRIVE TRAIN, REAR AXLE and HOUSING - A08BA32AA (4999201549920154C03)
DRIVE TRAIN, SECONDARY CLUTCH - A08BA32AA (49ATVCLUTCHDRIVEN08SCRAM)
ELECTRICAL, BATTERY - A08BA32AA (49ATVBATTERY08TB)
ELECTRICAL, BULBS - A08BA32AA (49ATVBULBS08TB)
ELECTRICAL, GAUGES and INDICATOR - A08BA32AA (49ATVGAUGES08SCRAM)
ELECTRICAL, HARNESS - A08BA32AA (49ATVHARNESS08TB)
ELECTRICAL, HEADLIGHT - A08BA32AA (49ATVHEADLIGHT08TB)
ELECTRICAL, IGNITION SYSTEM - A08BA32AA (49ATVMAGNETO08TB)
ELECTRICAL, SWITCHES and SENSORS and CONTROL MODULES - A08BA32AA (49ATVELECT08SCRAM)
ELECTRICAL, TAILLIGHT - A08BA32AA (49ATVTAILLAMPS08SCRAM)
ENGINE, AIR INTAKE SYSTEM - A08BA32AA (49ATVAIRBOX08TB)
ENGINE, CARBURETOR BRACKET - A08BA32AA (49ATVCARBBRKT08TB)
ENGINE, CARBURETOR, LOWER - A08BA32AA (49ATVCARB08TB)
ENGINE, CARBURETOR, UPPER - A08BA32AA (49ATVCARBUPPER08TB)
ENGINE, CHOKE CABLE - A08BA32AA (49ATVCABLE08SCRAM)
ENGINE, COOLING SYSTEM - A08BA32AA (49ATVCOOL08TBLZR)
ENGINE, CRANKCASE - A08BA32AA (49ATVCRANKCASE08TB)
ENGINE, CRANKSHAFT and PISTON - A08BA32AA (49ATVCRANKSHAFT08TB)
ENGINE, CYLINDER and HEAD - A08BA32AA (49ATVCYLINDER08TB)
ENGINE, EXHAUST - A08BA32AA (49ATVEXHAUST08TB)
ENGINE, FUEL PUMP - A08BA32AA (4999200059920005D11)
ENGINE, MOUNTING - A08BA32AA (49ATVENGINEMTG08TB)
ENGINE, OIL PUMP and OIL FILTER - A08BA32AA (4999202939920293C12)
ENGINE, RECOIL STARTER - A08BA32AA (49ATVRECOIL08TB)
ENGINE, SHORT BLOCK - A08BA32AA (49ATVENGINE08TB)
ENGINE, STARTING MOTOR - A08BA32AA (49ATVSTARTER08TB)
ENGINE, VALVES and CAMSHAFT - A08BA32AA (49ATVCAMSHAFT08TB)
REFERENCE, MANUALS and INFORMATION - A08BA32AA (49ATVOM07OTLW90)
STEERING, CONTROLS and THROTTLE - A08BA32AA (49ATVCONTROLS08SCRAM2X4)
STEERING, HANDLEBAR and CONTROLS - A08BA32AA (49ATVHANDLEBAR08TB)
STEERING, STEERING POST - A08BA32AA (49ATVSTEERING08SCRAM2X4)
SUSPENSION, A-ARM and STRUT MOUNTING - A08BA32AA (49ATVSUSPFRT08TB)
SUSPENSION, FRONT STRUT - A08BA32AA (49ATVSTRUT08TB)
SUSPENSION, REAR SHOCK - A08BA32AA (49ATVSHOCKRR7042319)
TOOLS, TOOL KIT - A08BA32AA (49ATVTOOL08TB)
WHEELS, FRONT - A08BA32AA (49ATVWHEELFRT08SCRAM2X4)
WHEELS, REAR - A08BA32AA (49ATVWHEELREAR08SCRAM)
VIEW WISH LIST