Polaris
Browse New Models
Shop In-Stock
Honda
Browse New Models
Shop In-Stock
KTM
Browse New Models
Shop In-Stock
Beta
Browse New Models
Shop In-Stock
Timbersled
Browse New Models
1318 W 2nd St
,
The Dalles, OR
97058
541-298-1161
Search Inventory
Toggle navigation
Home
Brands
Inventory
All Inventory In Stock
New Inventory In Stock
Pre-Owned Inventory
Polaris Off-Road
Polaris Snowmobiles
Timbersled
Manufacturer Models
Value Your Trade-In
Request a Model
Government Purchasing Program
OEM Promotions
Secure Financing
Parts
Parts Department
Parts Finder
Shopping Cart
Service
Service Department
Warranty & Recall Look-Up
Schedule Polaris Service
Financing
About
Our Dealership
Our Team
Reviews
Customer Survey
Employment
Location & Hours
Contact
541-298-1161
The Dalles, OR
Fiche | Parts Diagrams
Home
›
Parts
›
Parts Finder
Search by :
Part / Desc
VIN
Please Select
Honda
KTM
Polaris
*Please enter at least 3 characters
SEARCH
Manufacturer
Polaris
ATVs
2008
TRAIL BOSS 330 (A08CA32AA)
VIEW WISH LIST
Select a Section
Show/Hide
BODY, CLUTCH COVER - A08CA32AA (49ATVCLUTCHCVR08BOSS)
BODY, DECALS - A08CA32AA (49ATVDECALBOSS)
BODY, FRONT CAB and SIDE PANELS - A08CA32AA (49ATVCAB08BOSS)
BODY, FUEL TANK ASM. - A08CA32AA (4999202939920293A11)
BODY, REAR CAB and FOOTWELLS - A08CA32AA (49ATVCABRR08BOSS)
BODY, SEAT ASM. - A08CA32AA (49ATVSEAT08BOSS)
BRAKES, FRONT BRAKE LEVER and MASTER CYLINDER - A08CA32AA (49ATVMCLH08SCRAM)
BRAKES, FRONT CALIPER - A08CA32AA (4999202939920293A14)
BRAKES, LINES and ASSEMBLY - A08CA32AA (49ATVBRAKELINE08BOSS)
BRAKES, REAR CALIPER - A08CA32AA (49ATVCALIPER08SCRAM)
BRAKES, REAR CALIPER MOUNTING - A08CA32AA (49ATVCALIPERMTG08SCRAM)
BRAKES, REAR MASTER CYLINDER and PEDAL - A08CA32AA (49ATVBRAKERRBOSS)
CHASSIS, FRAME, RACKS and BUMPER - A08CA32AA (49ATVBUMPER08BOSS)
DRIVE TRAIN, GEAR SELECTOR - A0(CA32AA (49ATVGEARSELECT08BOSS)
DRIVE TRAIN, GEARCASE MOUNTING - A08CA32AA (49ATVTRANMTG07BOSS)
DRIVE TRAIN, MAIN GEARCASE - A08CA32AA (4999202939920293C02)
DRIVE TRAIN, MAIN GEARCASE INTERNAL - A08CA32AA (49ATVTRANSINTL08SCRAM2X4)
DRIVE TRAIN, PRIMARY CLUTCH - A08CA32AA (4999202939920293B12)
DRIVE TRAIN, REAR AXLE and HOUSING - A08CA32AA (4999202939920293B08)
DRIVE TRAIN, SECONDARY CLUTCH - A08CA32AA (4999202939920293B13)
ELECTRICAL, BATTERY - A08CA32AA (49ATVBATTERY08BOSS)
ELECTRICAL, HEADLIGHTS, TAILIGHTS and BULBS - A08CA32AA (49ATVHEADLIGHT08BOSS)
ELECTRICAL, IGNITION SYSTEM - A08CA32AA (49ATVMAGNETO08BOSS)
ELECTRICAL, SWITCHES and SENSORS - A08CA32AA (49ATVELECT08BOSS)
ELECTRICAL, WIRE HARNESS - A08CA32AA (49ATVHARNESS08BOSS)
ENGINE, AIR INTAKE SYSTEM - A08CA32AA (49ATVAIRBOX08BOSS)
ENGINE, CARBURETOR BRACKET - A08CA32AA (49ATVCARBBRKT08TB)
ENGINE, CARBURETOR, LOWER - A08CA32AA (49ATVCARB08TB)
ENGINE, CARBURETOR, UPPER - A08CA32AA (49ATVCARBUPPER08TB)
ENGINE, COOLING SYSTEM - A08CA32AA (49ATVCOOL08TB)
ENGINE, CRANKCASE - A08CA32AA (49ATVCRANKCASE08TB)
ENGINE, CRANKSHAFT and PISTON - A08CA32AA (49ATVCRANKSHAFT08TB)
ENGINE, CYLINDER and HEAD - A08CA32AA (49ATVCYLINDER08TB)
ENGINE, EXHAUST SYSTEM - A08CA32AA (4999202939920293A09)
ENGINE, FUEL PUMP - A08CA32AA (4999202939920293D01)
ENGINE, MOUNTING - A08CA32AA (49ATVENGINEMTG08TB)
ENGINE, OIL PUMP and OIL FILTER - A08CA32AA (4999202939920293C12)
ENGINE, RECOIL STARTER - A08CA32AA (49ATVRECOIL08TB)
ENGINE, SHORT BLOCK - A08CA32AA (49ATVENGINE08TB)
ENGINE, STARTING MOTOR - A08CA32AA (49ATVSTARTER08TB)
ENGINE, VALVES and CAMSHAFT - A08CA32AA (49ATVCAMSHAFT08TB)
STEERING, CONTROLS and THROTTLE - A08CA32AA (49ATVCONTROLS08SCRAM2X4)
STEERING, HANDLEBAR and CONTROLS - A08CA32AA (4999202939920293B07)
STEERING, POST and TIE ROD - A08CA32AA (49ATVSTEERING08SCRAM2X4)
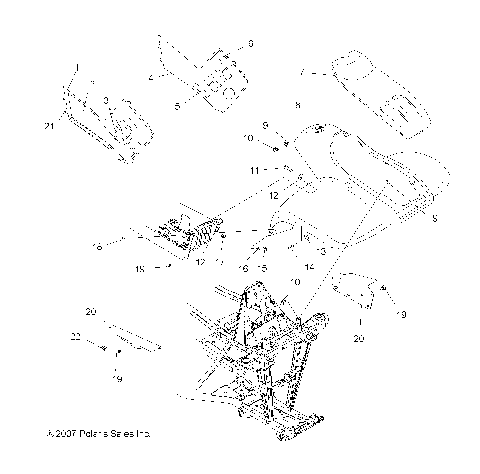
SUSPENSION, FRONT and A-ARM MOUNTING - A08CA32AA (49ATVAARM08BOSS)
SUSPENSION, STRUT, FRONT - A08CA32AA (49ATVSTRUTBOSS)
SUSPENSION, SWING ARM and REAR SHOCK - A08CA32AA (4999202939920293B10)
TOOLS, TOOL KIT - A08CA32AA (49ATVTOOL08BOSS)
WHEELS, FRONT - A08CA32AA (4999202939920293A13)
WHEELS, REAR - A08CA32AA (4999202939920293B09)
BODY, CLUTCH COVER - A08CA32AA (49ATVCLUTCHCVR08BOSS)
BODY, DECALS - A08CA32AA (49ATVDECALBOSS)
BODY, FRONT CAB and SIDE PANELS - A08CA32AA (49ATVCAB08BOSS)
BODY, FUEL TANK ASM. - A08CA32AA (4999202939920293A11)
BODY, REAR CAB and FOOTWELLS - A08CA32AA (49ATVCABRR08BOSS)
BODY, SEAT ASM. - A08CA32AA (49ATVSEAT08BOSS)
BRAKES, FRONT BRAKE LEVER and MASTER CYLINDER - A08CA32AA (49ATVMCLH08SCRAM)
BRAKES, FRONT CALIPER - A08CA32AA (4999202939920293A14)
BRAKES, LINES and ASSEMBLY - A08CA32AA (49ATVBRAKELINE08BOSS)
BRAKES, REAR CALIPER - A08CA32AA (49ATVCALIPER08SCRAM)
BRAKES, REAR CALIPER MOUNTING - A08CA32AA (49ATVCALIPERMTG08SCRAM)
BRAKES, REAR MASTER CYLINDER and PEDAL - A08CA32AA (49ATVBRAKERRBOSS)
CHASSIS, FRAME, RACKS and BUMPER - A08CA32AA (49ATVBUMPER08BOSS)
DRIVE TRAIN, GEAR SELECTOR - A0(CA32AA (49ATVGEARSELECT08BOSS)
DRIVE TRAIN, GEARCASE MOUNTING - A08CA32AA (49ATVTRANMTG07BOSS)
DRIVE TRAIN, MAIN GEARCASE - A08CA32AA (4999202939920293C02)
DRIVE TRAIN, MAIN GEARCASE INTERNAL - A08CA32AA (49ATVTRANSINTL08SCRAM2X4)
DRIVE TRAIN, PRIMARY CLUTCH - A08CA32AA (4999202939920293B12)
DRIVE TRAIN, REAR AXLE and HOUSING - A08CA32AA (4999202939920293B08)
DRIVE TRAIN, SECONDARY CLUTCH - A08CA32AA (4999202939920293B13)
ELECTRICAL, BATTERY - A08CA32AA (49ATVBATTERY08BOSS)
ELECTRICAL, HEADLIGHTS, TAILIGHTS and BULBS - A08CA32AA (49ATVHEADLIGHT08BOSS)
ELECTRICAL, IGNITION SYSTEM - A08CA32AA (49ATVMAGNETO08BOSS)
ELECTRICAL, SWITCHES and SENSORS - A08CA32AA (49ATVELECT08BOSS)
ELECTRICAL, WIRE HARNESS - A08CA32AA (49ATVHARNESS08BOSS)
ENGINE, AIR INTAKE SYSTEM - A08CA32AA (49ATVAIRBOX08BOSS)
ENGINE, CARBURETOR BRACKET - A08CA32AA (49ATVCARBBRKT08TB)
ENGINE, CARBURETOR, LOWER - A08CA32AA (49ATVCARB08TB)
ENGINE, CARBURETOR, UPPER - A08CA32AA (49ATVCARBUPPER08TB)
ENGINE, COOLING SYSTEM - A08CA32AA (49ATVCOOL08TB)
ENGINE, CRANKCASE - A08CA32AA (49ATVCRANKCASE08TB)
ENGINE, CRANKSHAFT and PISTON - A08CA32AA (49ATVCRANKSHAFT08TB)
ENGINE, CYLINDER and HEAD - A08CA32AA (49ATVCYLINDER08TB)
ENGINE, EXHAUST SYSTEM - A08CA32AA (4999202939920293A09)
ENGINE, FUEL PUMP - A08CA32AA (4999202939920293D01)
ENGINE, MOUNTING - A08CA32AA (49ATVENGINEMTG08TB)
ENGINE, OIL PUMP and OIL FILTER - A08CA32AA (4999202939920293C12)
ENGINE, RECOIL STARTER - A08CA32AA (49ATVRECOIL08TB)
ENGINE, SHORT BLOCK - A08CA32AA (49ATVENGINE08TB)
ENGINE, STARTING MOTOR - A08CA32AA (49ATVSTARTER08TB)
ENGINE, VALVES and CAMSHAFT - A08CA32AA (49ATVCAMSHAFT08TB)
STEERING, CONTROLS and THROTTLE - A08CA32AA (49ATVCONTROLS08SCRAM2X4)
STEERING, HANDLEBAR and CONTROLS - A08CA32AA (4999202939920293B07)
STEERING, POST and TIE ROD - A08CA32AA (49ATVSTEERING08SCRAM2X4)
SUSPENSION, FRONT and A-ARM MOUNTING - A08CA32AA (49ATVAARM08BOSS)
SUSPENSION, STRUT, FRONT - A08CA32AA (49ATVSTRUTBOSS)
SUSPENSION, SWING ARM and REAR SHOCK - A08CA32AA (4999202939920293B10)
TOOLS, TOOL KIT - A08CA32AA (49ATVTOOL08BOSS)
WHEELS, FRONT - A08CA32AA (4999202939920293A13)
WHEELS, REAR - A08CA32AA (4999202939920293B09)
VIEW WISH LIST