Polaris
Browse New Models
Shop In-Stock
Honda
Browse New Models
Shop In-Stock
KTM
Browse New Models
Shop In-Stock
Beta
Browse New Models
Shop In-Stock
Timbersled
Browse New Models
1318 W 2nd St
,
The Dalles, OR
97058
541-298-1161
Search Inventory
Toggle navigation
Home
Brands
Inventory
All Inventory In Stock
New Inventory In Stock
Pre-Owned Inventory
Polaris Off-Road
Polaris Snowmobiles
Timbersled
Manufacturer Models
Value Your Trade-In
Request a Model
Government Purchasing Program
OEM Promotions
Secure Financing
Parts
Parts Department
Parts Finder
Shopping Cart
Service
Service Department
Warranty & Recall Look-Up
Schedule Polaris Service
Financing
About
Our Dealership
Our Team
Reviews
Customer Survey
Employment
Location & Hours
Contact
541-298-1161
The Dalles, OR
Fiche | Parts Diagrams
Home
›
Parts
›
Parts Finder
Search by :
Part / Desc
VIN
Please Select
Honda
KTM
Polaris
*Please enter at least 3 characters
SEARCH
Manufacturer
Polaris
ATVs
2009
SPORTSMAN 90 (A09FA09AA/AB)
VIEW WISH LIST
Select a Section
Show/Hide
BODY, CAB and SEAT - A09FA09AA/AB (49ATVCAB07SPRT90)
BODY, DECALS - A09FA09AA/AB (49ATVDECAL09SP90)
BODY, FUEL TANK and HOSES - A09FA09AA/AB (49ATVFUEL09SP90)
BRAKES, FRONT - A09FA09AA/AB (4999202399920239B11)
BRAKES, REAR - A09FA09AA/AB (49ATVBRAKERR08OUT90)
CHASSIS, A-ARM and FOOTREST - A09FA09AA/AB (49ATVSUSPFRT07OTLW90)
CHASSIS, BUMPER - A09FA09AA/AB (49ATVBUMPER09SP90)
CHASSIS, FRAME - A09FA09AA/AB (49ATVFRAME07SPRT90)
DRIVE TRAIN, DRIVE CHAIN and GUARD - A09FA09AA/AB (49ATVCHAIN08OUT90)
DRIVE TRAIN, PRIMARY CLUTCH - A09FA09AA/AB (49ATVPRIMARY07OTLW90)
DRIVE TRAIN, SECONDARY CLUTCH - A09FA09AA/AB (49ATVSECONDARY07OTLW90)
DRIVE TRAIN, TRANSMISSION - A09FA09AA/AB (49ATVTRANSMISSION07OTLW90)
DRIVE TRAIN, TRANSMISSION SHIFT LEVER - A09FA09AA/AB (49ATVSHIFT07OTLW90)
ELECTRICAL, SWITCHES, HARNESS and INDICATORS - A09FA09AA/AB (49ATVELECT07OTLW90)
ELECTRICAL, TAILLIGHT - A09FA09AA/AB (49ATVHEADLIGHT07SPRT90)
ENGINE, AIR INTAKE SYSTEM - A09FA09AA/AB (49ATVAIRBOX09OUT90)
ENGINE, CAM CHAIN - A09FA09AA/AB (49ATVCAMCHAIN07OTLW90)
ENGINE, CARBURETOR - A09FA09AA/AB (49ATVCARB09OUT90)
ENGINE, CLUTCH COVER and KICK START - A09FA09AA/AB (49ATVCRANKCASECVRLH09SP90)
ENGINE, CRANKCASE - A09FA09AA/AB (49ATVCRANKCASE07OTLW90)
ENGINE, CRANKCASE COVER, RH - A09FA09AA/AB (49ATVCRANKCASECVRRH07OTLW90)
ENGINE, CRANKSHAFT and PISTON - A09FA09AA/AB (49ATVCRANKSHAFT08OUT90)
ENGINE, CYLINDER - A09FA09AA/AB (49ATVCYLINDER07OTLW90)
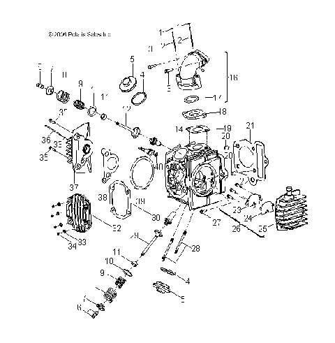
ENGINE, CYLINDER HEAD - A09FA09AA/AB (49ATVCYLINDERHD09SP90)
ENGINE, EXHAUST - A09FA09AA/AB (49ATVEXHAUST07SPRT90)
ENGINE, GENERATOR and STARTING MOTOR - A09FA09AA/AB (49ATVGENERATOR07OTLW90)
ENGINE, OIL PUMP - A09FA09AA/AB (49ATVOILPUMP07OTLW90)
ENGINE, STARTER - A09FA09AA/AB (49ATVSTARTER207OTLW90)
REFERENCES, MANUAL and SETUP INFORMATION - A09FA09AA/AB (49ATVTOOL09SP90)
STEERING, HANDLEBAR - A09FA09AA/AB (49ATVHANDLEBAR08SP90)
STEERING, STEERING POST and TIE ROD ASM. - A09FA09AA/AB (49ATVSTEERING09OTLW90)
SUSPENSION, SHOCKS - A09FA09AA/AB (49ATVSUSP08OUT90)
WHEELS, FRONT - A09FA09AA/AB (49ATVWHEELFRT07SPRT90)
WHEELS, REAR - A09FA09AA/AB (49ATVWHEELREAR07SPRT90)
WHEELS, REAR AXLE - A09FA09AA/AB (4999202399920239B14)
BODY, CAB and SEAT - A09FA09AA/AB (49ATVCAB07SPRT90)
BODY, DECALS - A09FA09AA/AB (49ATVDECAL09SP90)
BODY, FUEL TANK and HOSES - A09FA09AA/AB (49ATVFUEL09SP90)
BRAKES, FRONT - A09FA09AA/AB (4999202399920239B11)
BRAKES, REAR - A09FA09AA/AB (49ATVBRAKERR08OUT90)
CHASSIS, A-ARM and FOOTREST - A09FA09AA/AB (49ATVSUSPFRT07OTLW90)
CHASSIS, BUMPER - A09FA09AA/AB (49ATVBUMPER09SP90)
CHASSIS, FRAME - A09FA09AA/AB (49ATVFRAME07SPRT90)
DRIVE TRAIN, DRIVE CHAIN and GUARD - A09FA09AA/AB (49ATVCHAIN08OUT90)
DRIVE TRAIN, PRIMARY CLUTCH - A09FA09AA/AB (49ATVPRIMARY07OTLW90)
DRIVE TRAIN, SECONDARY CLUTCH - A09FA09AA/AB (49ATVSECONDARY07OTLW90)
DRIVE TRAIN, TRANSMISSION - A09FA09AA/AB (49ATVTRANSMISSION07OTLW90)
DRIVE TRAIN, TRANSMISSION SHIFT LEVER - A09FA09AA/AB (49ATVSHIFT07OTLW90)
ELECTRICAL, SWITCHES, HARNESS and INDICATORS - A09FA09AA/AB (49ATVELECT07OTLW90)
ELECTRICAL, TAILLIGHT - A09FA09AA/AB (49ATVHEADLIGHT07SPRT90)
ENGINE, AIR INTAKE SYSTEM - A09FA09AA/AB (49ATVAIRBOX09OUT90)
ENGINE, CAM CHAIN - A09FA09AA/AB (49ATVCAMCHAIN07OTLW90)
ENGINE, CARBURETOR - A09FA09AA/AB (49ATVCARB09OUT90)
ENGINE, CLUTCH COVER and KICK START - A09FA09AA/AB (49ATVCRANKCASECVRLH09SP90)
ENGINE, CRANKCASE - A09FA09AA/AB (49ATVCRANKCASE07OTLW90)
ENGINE, CRANKCASE COVER, RH - A09FA09AA/AB (49ATVCRANKCASECVRRH07OTLW90)
ENGINE, CRANKSHAFT and PISTON - A09FA09AA/AB (49ATVCRANKSHAFT08OUT90)
ENGINE, CYLINDER - A09FA09AA/AB (49ATVCYLINDER07OTLW90)
ENGINE, CYLINDER HEAD - A09FA09AA/AB (49ATVCYLINDERHD09SP90)
ENGINE, EXHAUST - A09FA09AA/AB (49ATVEXHAUST07SPRT90)
ENGINE, GENERATOR and STARTING MOTOR - A09FA09AA/AB (49ATVGENERATOR07OTLW90)
ENGINE, OIL PUMP - A09FA09AA/AB (49ATVOILPUMP07OTLW90)
ENGINE, STARTER - A09FA09AA/AB (49ATVSTARTER207OTLW90)
REFERENCES, MANUAL and SETUP INFORMATION - A09FA09AA/AB (49ATVTOOL09SP90)
STEERING, HANDLEBAR - A09FA09AA/AB (49ATVHANDLEBAR08SP90)
STEERING, STEERING POST and TIE ROD ASM. - A09FA09AA/AB (49ATVSTEERING09OTLW90)
SUSPENSION, SHOCKS - A09FA09AA/AB (49ATVSUSP08OUT90)
WHEELS, FRONT - A09FA09AA/AB (49ATVWHEELFRT07SPRT90)
WHEELS, REAR - A09FA09AA/AB (49ATVWHEELREAR07SPRT90)
WHEELS, REAR AXLE - A09FA09AA/AB (4999202399920239B14)
VIEW WISH LIST