Polaris
Browse New Models
Shop In-Stock
Honda
Browse New Models
Shop In-Stock
KTM
Browse New Models
Shop In-Stock
Beta
Browse New Models
Shop In-Stock
Timbersled
Browse New Models
1318 W 2nd St
,
The Dalles, OR
97058
541-298-1161
Search Inventory
Toggle navigation
Home
Brands
Inventory
All Inventory In Stock
New Inventory In Stock
Pre-Owned Inventory
Polaris Off-Road
Polaris Snowmobiles
Timbersled
Manufacturer Models
Value Your Trade-In
Request a Model
Government Purchasing Program
OEM Promotions
Secure Financing
Parts
Parts Department
Parts Finder
Shopping Cart
Service
Service Department
Warranty & Recall Look-Up
Schedule Polaris Service
Financing
About
Our Dealership
Our Team
Reviews
Customer Survey
Employment
Location & Hours
Contact
541-298-1161
The Dalles, OR
Fiche | Parts Diagrams
Home
›
Parts
›
Parts Finder
Search by :
Part / Desc
VIN
Please Select
Honda
KTM
Polaris
*Please enter at least 3 characters
SEARCH
Manufacturer
Polaris
ATVs
2009
SPORTSMAN X2 500 EFI (A09TN50AX/AZ)
VIEW WISH LIST
Select a Section
Show/Hide
BODY, BOX FRAME and LATCH - A09TN50AX/AZ (49ATVBOXSPX2)
BODY, BOX, REAR - A09TN50AX/AZ (49ATVBOXRR09SPX25)
BODY, CLUTCH COVER - A09TN50AX/AZ (49ATVCLUTCHCVR08SPX25)
BODY, DECALS - A09TN50AX/AZ (49ATVDECAL09SPX25)
BODY, FRONT BUMPER and MOUNTING - A09TN50AX/AZ (49ATVBUMPER08SP500)
BODY, FRONT CAB - A09TN50AX/AZ (49ATVCAB08SPX25)
BODY, FRONT STORAGE BOX - A09TN50AX/AZ (49ATVSTORAGE08SP500)
BODY, FUEL TANK ASM. - A09TN50AX/AZ (49ATVFUEL08SPX25)
BODY, HEADLIGHT POD - A09TN50AX/AZ (49ATVHEADLIGHT08SP500EFI)
BODY, PASSENGER SEAT BACK - A09TN50AX/AZ (49ATVSEATBACK08SPX27)
BODY, PASSENGER SEAT BOTTOM - A09TN50AX/AZ (49ATVSEATBOTTOMX2500EFI)
BODY, REAR CAB - A09TN50AX/AZ (49ATVCABRR09SPX2800)
BODY, REAR CAB FOIL - A09TN50AX/AZ (49ATVCABFOILX2500EFI)
BODY, SEAT and OPERATOR - A09TN50AX/AZ (49ATVSEAT08SPX25)
BODY, TAILGATE - A09TN50AX/AZ (49ATVTAILGATEMTG09SPX25)
BODY, TAILGATE BRACKETS - A09TN50AX/AZ (49ATVTAILGATEMTG08SPX25)
BRAKES, BRAKE LINES - A09TN50AX/AZ (49ATVBRAKELINE08SPX25)
BRAKES, FRONT BRAKE LEVER and MASTER CYLINDER - A09TN50AX/AZ (4999204069920406B08)
BRAKES, FRONT CALIPER - A09TN50AX/AZ (49ATVBRAKEFRT08SP500)
BRAKES, PEDAL and REAR MASTER CYLINDER - A09TN50AX/AZ (49ATVBRAKERR08SPX25)
BRAKES, REAR CALIPER - A09TN50AX/AZ (49ATVCALIPER08SPX25)
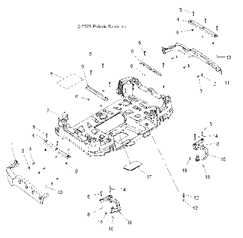
CHASSIS, FRAME - A09TN50AX/AZ (49ATVFRAME08SPX25)
DRIVE TRAIN, DIFFERENTIAL - A09TN50AX/AZ (49ATVTRANSMISSION08SPX25)
DRIVE TRAIN, FRONT DRIVE SHAFT - A09TN50AX/AZ (49ATVSHAFTDRIVE08SP)
DRIVE TRAIN, FRONT GEARCASE and MOUNTING - A09TN50AX/AZ (49ATVGEARCASE1332568)
DRIVE TRAIN, GEAR SELECTOR - A09TN50AX/AZ (49ATVGEARSELECT09SPTRG500)
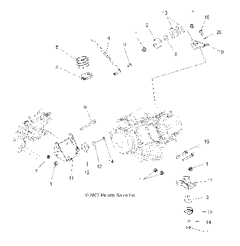
DRIVE TRAIN, MAIN GEARCASE - A09TN50AX/AZ (49ATVGEARCASE08SPX25)
DRIVE TRAIN, MAIN GEARCASE INTERNAL - A09TN50AX/AZ (49ATVTRANSINTL08SPX25)
DRIVE TRAIN, MAIN GEARCASE MOUNTING - A09TN50AX/AZ (49ATVGEARCASEMTG09SPX25)
DRIVE TRAIN, MAIN GEARCASE OUTPUT SHAFT - A09TN50AX/AZ (49ATVSHAFTOUTPUT08SPX25)
DRIVE TRAIN, MAIN GEARCASE SHIFT FORKS - A09TN50AX/AZ (4999204069920406D09)
DRIVE TRAIN, PRIMARY CLUTCH - A09TN50AX/AZ (49ATVCLUTCH08SPX25)
DRIVE TRAIN, PROP SHAFT - A09TN50AX/AZ (4999204069920406C02)
DRIVE TRAIN, REAR DRIVE SHAFT - A09TN50AX/AZ (49ATVSHAFTDRIVERR08SPX25)
DRIVE TRAIN, SECONDARY CLUTCH - A09TN50AX/AZ (49ATVCLUTCHDRIVEN08SPX25)
ELECTRICAL, BATTERY - A09TN50AX/AZ (49ATVBATTERY09SPTRG500)
ELECTRICAL, BULBS - A09TN50AX/AZ (49ATVBULBS08SP500)
ELECTRICAL, GAUGES and INDICATORS - A09TN50AX/AZ (49ATVGAUGES08SP500)
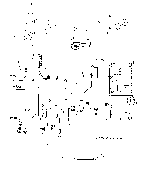
ELECTRICAL, HARNESSES - A09TN50AX/AZ (49ATVHARNESS09SPTRG500)
ELECTRICAL, HEADLIGHTS - A09TN50AX/AZ (49ATVHEADLTASM08SP500)
ELECTRICAL, IGNITION SYSTEM - A09TN50AX/AZ (49ATVMAGNETO09SP500TRG)
ELECTRICAL, SWITCHES and SENSORS and ECM - A09TN50AX/AZ (49ATVELECT09SPX25)
ELECTRICAL, TAILLIGHTS - A09TN50AX/AZ (49ATVTAILLAMPS09SPX2500)
ENGINE, AIR INTAKE SYSTEM - A09TN50AX/AZ (49ATVAIRBOX08SPX25)
ENGINE, COOLING SYSTEM - A09TN50AX/AZ (49ATVCOOL08SPX25)
ENGINE, CRANKCASE - A09TN50AX/AZ (49ATVCRANKCASE09SP500)
ENGINE, CRANKSHAFT and PISTON - A09TN50AX/AZ (49ATVCRANKSHAFT08SP500)
ENGINE, CYLINDER and HEAD - A09TN50AX/AZ (49ATVCYLINDERHD08SP500EFI)
ENGINE, EXHAUST - A09TN50AX/AZ (49ATVEXHAUST08SPX25)
ENGINE, FLYWHEEL COVER - A09TN50AX/AZ (4999202119920211D14)
ENGINE, FUEL INJECTOR - A09TN50AX/AZ (49ATVFUELINJECT09SPTRG500)
ENGINE, MOUNTING - A09TN50AX/AZ (49ATVENGINEMTG09SPTRG500)
ENGINE, OIL FILTER - A09TN50AX/AZ (4999200099920009D13)
ENGINE, OIL PUMP - A09TN50AX/AZ (49ATVOILPUMP09SP500)
ENGINE, OIL SYSTEM - A09TN50AX/AZ (4999204069920406B07)
ENGINE, SHORT BLOCK - A09TN50AX/AZ (49ATVENGINE08SP500)
ENGINE, STARTING SYSTEM - A09TN50AX/AZ (49ATVSTARTER09TB)
ENGINE, THROTTLE BODY - A09TN50AX/AZ (49ATVTHROTTLEBODY08SP500EFI)
ENGINE, VALVES and CAMSHAFT - A09TN50AX/AZ (49ATVVALVE08SP500)
ENGINE, WATER PUMP - A09TN50AX/AZ (49ATVWATERPUMP08SP500)
REFERENCE, MANUALS and INFORMATION - A09TN50AX/AZ (49ATVOM07OTLW90)
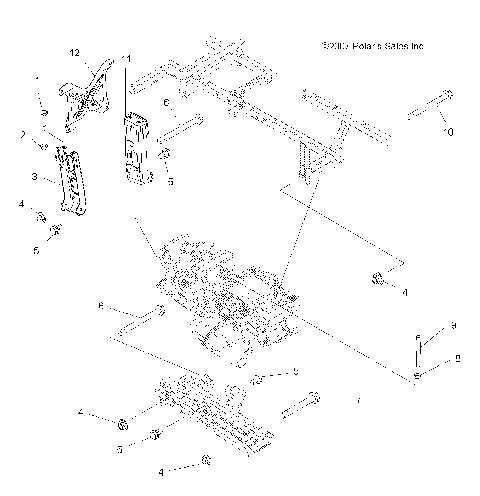
STEERING, CONTROLS and THROTTLE - A09TN50AX/AZ (49ATVCONTROLS086X6)
STEERING, HANDLEBAR and CONTROLS - A09TN50AX/AZ (49ATVHANDLEBAR08SP500EFI)
STEERING, STEERING POST - A09TN50AX/AZ (49ATVSTEERING08SPX25)
SUSPENSION, A-ARM and STRUT MOUNTING - A09TN50AX/AZ (49ATVAARM08SPX25)
SUSPENSION, FRONT STRUT - A09TN50AX/AZ (49ATVSTRUT08X2500QUAD)
SUSPENSION, REAR - A09TN50AX/AZ (49ATVSUSPRR09SPX2500)
SUSPENSION, TORSION BAR - A09TN50AX/AZ (49ATVTORSION08SPX25)
TOOLS, TOOL KIT - A09TN50AX/AZ (49ATVTOOL08SPX25)
WHEELS, FRONT - A09TN50AX/AZ (49ATVWHEELFRTX2QUAD)
WHEELS, REAR - A09TN50AX/AZ (49ATVWHEELREAR08SPX25)
BODY, BOX FRAME and LATCH - A09TN50AX/AZ (49ATVBOXSPX2)
BODY, BOX, REAR - A09TN50AX/AZ (49ATVBOXRR09SPX25)
BODY, CLUTCH COVER - A09TN50AX/AZ (49ATVCLUTCHCVR08SPX25)
BODY, DECALS - A09TN50AX/AZ (49ATVDECAL09SPX25)
BODY, FRONT BUMPER and MOUNTING - A09TN50AX/AZ (49ATVBUMPER08SP500)
BODY, FRONT CAB - A09TN50AX/AZ (49ATVCAB08SPX25)
BODY, FRONT STORAGE BOX - A09TN50AX/AZ (49ATVSTORAGE08SP500)
BODY, FUEL TANK ASM. - A09TN50AX/AZ (49ATVFUEL08SPX25)
BODY, HEADLIGHT POD - A09TN50AX/AZ (49ATVHEADLIGHT08SP500EFI)
BODY, PASSENGER SEAT BACK - A09TN50AX/AZ (49ATVSEATBACK08SPX27)
BODY, PASSENGER SEAT BOTTOM - A09TN50AX/AZ (49ATVSEATBOTTOMX2500EFI)
BODY, REAR CAB - A09TN50AX/AZ (49ATVCABRR09SPX2800)
BODY, REAR CAB FOIL - A09TN50AX/AZ (49ATVCABFOILX2500EFI)
BODY, SEAT and OPERATOR - A09TN50AX/AZ (49ATVSEAT08SPX25)
BODY, TAILGATE - A09TN50AX/AZ (49ATVTAILGATEMTG09SPX25)
BODY, TAILGATE BRACKETS - A09TN50AX/AZ (49ATVTAILGATEMTG08SPX25)
BRAKES, BRAKE LINES - A09TN50AX/AZ (49ATVBRAKELINE08SPX25)
BRAKES, FRONT BRAKE LEVER and MASTER CYLINDER - A09TN50AX/AZ (4999204069920406B08)
BRAKES, FRONT CALIPER - A09TN50AX/AZ (49ATVBRAKEFRT08SP500)
BRAKES, PEDAL and REAR MASTER CYLINDER - A09TN50AX/AZ (49ATVBRAKERR08SPX25)
BRAKES, REAR CALIPER - A09TN50AX/AZ (49ATVCALIPER08SPX25)
CHASSIS, FRAME - A09TN50AX/AZ (49ATVFRAME08SPX25)
DRIVE TRAIN, DIFFERENTIAL - A09TN50AX/AZ (49ATVTRANSMISSION08SPX25)
DRIVE TRAIN, FRONT DRIVE SHAFT - A09TN50AX/AZ (49ATVSHAFTDRIVE08SP)
DRIVE TRAIN, FRONT GEARCASE and MOUNTING - A09TN50AX/AZ (49ATVGEARCASE1332568)
DRIVE TRAIN, GEAR SELECTOR - A09TN50AX/AZ (49ATVGEARSELECT09SPTRG500)
DRIVE TRAIN, MAIN GEARCASE - A09TN50AX/AZ (49ATVGEARCASE08SPX25)
DRIVE TRAIN, MAIN GEARCASE INTERNAL - A09TN50AX/AZ (49ATVTRANSINTL08SPX25)
DRIVE TRAIN, MAIN GEARCASE MOUNTING - A09TN50AX/AZ (49ATVGEARCASEMTG09SPX25)
DRIVE TRAIN, MAIN GEARCASE OUTPUT SHAFT - A09TN50AX/AZ (49ATVSHAFTOUTPUT08SPX25)
DRIVE TRAIN, MAIN GEARCASE SHIFT FORKS - A09TN50AX/AZ (4999204069920406D09)
DRIVE TRAIN, PRIMARY CLUTCH - A09TN50AX/AZ (49ATVCLUTCH08SPX25)
DRIVE TRAIN, PROP SHAFT - A09TN50AX/AZ (4999204069920406C02)
DRIVE TRAIN, REAR DRIVE SHAFT - A09TN50AX/AZ (49ATVSHAFTDRIVERR08SPX25)
DRIVE TRAIN, SECONDARY CLUTCH - A09TN50AX/AZ (49ATVCLUTCHDRIVEN08SPX25)
ELECTRICAL, BATTERY - A09TN50AX/AZ (49ATVBATTERY09SPTRG500)
ELECTRICAL, BULBS - A09TN50AX/AZ (49ATVBULBS08SP500)
ELECTRICAL, GAUGES and INDICATORS - A09TN50AX/AZ (49ATVGAUGES08SP500)
ELECTRICAL, HARNESSES - A09TN50AX/AZ (49ATVHARNESS09SPTRG500)
ELECTRICAL, HEADLIGHTS - A09TN50AX/AZ (49ATVHEADLTASM08SP500)
ELECTRICAL, IGNITION SYSTEM - A09TN50AX/AZ (49ATVMAGNETO09SP500TRG)
ELECTRICAL, SWITCHES and SENSORS and ECM - A09TN50AX/AZ (49ATVELECT09SPX25)
ELECTRICAL, TAILLIGHTS - A09TN50AX/AZ (49ATVTAILLAMPS09SPX2500)
ENGINE, AIR INTAKE SYSTEM - A09TN50AX/AZ (49ATVAIRBOX08SPX25)
ENGINE, COOLING SYSTEM - A09TN50AX/AZ (49ATVCOOL08SPX25)
ENGINE, CRANKCASE - A09TN50AX/AZ (49ATVCRANKCASE09SP500)
ENGINE, CRANKSHAFT and PISTON - A09TN50AX/AZ (49ATVCRANKSHAFT08SP500)
ENGINE, CYLINDER and HEAD - A09TN50AX/AZ (49ATVCYLINDERHD08SP500EFI)
ENGINE, EXHAUST - A09TN50AX/AZ (49ATVEXHAUST08SPX25)
ENGINE, FLYWHEEL COVER - A09TN50AX/AZ (4999202119920211D14)
ENGINE, FUEL INJECTOR - A09TN50AX/AZ (49ATVFUELINJECT09SPTRG500)
ENGINE, MOUNTING - A09TN50AX/AZ (49ATVENGINEMTG09SPTRG500)
ENGINE, OIL FILTER - A09TN50AX/AZ (4999200099920009D13)
ENGINE, OIL PUMP - A09TN50AX/AZ (49ATVOILPUMP09SP500)
ENGINE, OIL SYSTEM - A09TN50AX/AZ (4999204069920406B07)
ENGINE, SHORT BLOCK - A09TN50AX/AZ (49ATVENGINE08SP500)
ENGINE, STARTING SYSTEM - A09TN50AX/AZ (49ATVSTARTER09TB)
ENGINE, THROTTLE BODY - A09TN50AX/AZ (49ATVTHROTTLEBODY08SP500EFI)
ENGINE, VALVES and CAMSHAFT - A09TN50AX/AZ (49ATVVALVE08SP500)
ENGINE, WATER PUMP - A09TN50AX/AZ (49ATVWATERPUMP08SP500)
REFERENCE, MANUALS and INFORMATION - A09TN50AX/AZ (49ATVOM07OTLW90)
STEERING, CONTROLS and THROTTLE - A09TN50AX/AZ (49ATVCONTROLS086X6)
STEERING, HANDLEBAR and CONTROLS - A09TN50AX/AZ (49ATVHANDLEBAR08SP500EFI)
STEERING, STEERING POST - A09TN50AX/AZ (49ATVSTEERING08SPX25)
SUSPENSION, A-ARM and STRUT MOUNTING - A09TN50AX/AZ (49ATVAARM08SPX25)
SUSPENSION, FRONT STRUT - A09TN50AX/AZ (49ATVSTRUT08X2500QUAD)
SUSPENSION, REAR - A09TN50AX/AZ (49ATVSUSPRR09SPX2500)
SUSPENSION, TORSION BAR - A09TN50AX/AZ (49ATVTORSION08SPX25)
TOOLS, TOOL KIT - A09TN50AX/AZ (49ATVTOOL08SPX25)
WHEELS, FRONT - A09TN50AX/AZ (49ATVWHEELFRTX2QUAD)
WHEELS, REAR - A09TN50AX/AZ (49ATVWHEELREAR08SPX25)
VIEW WISH LIST