Polaris
Browse New Models
Shop In-Stock
Honda
Browse New Models
Shop In-Stock
KTM
Browse New Models
Shop In-Stock
Beta
Browse New Models
Shop In-Stock
Timbersled
Browse New Models
1318 W 2nd St
,
The Dalles, OR
97058
541-298-1161
Search Inventory
Toggle navigation
Home
Brands
Inventory
All Inventory In Stock
New Inventory In Stock
Pre-Owned Inventory
Polaris Off-Road
Polaris Snowmobiles
Timbersled
Manufacturer Models
Value Your Trade-In
Request a Model
Government Purchasing Program
OEM Promotions
Secure Financing
Parts
Parts Department
Parts Finder
Shopping Cart
Service
Service Department
Warranty & Recall Look-Up
Schedule Polaris Service
Financing
About
Our Dealership
Our Team
Reviews
Customer Survey
Employment
Location & Hours
Contact
541-298-1161
The Dalles, OR
Fiche | Parts Diagrams
Home
›
Parts
›
Parts Finder
Search by :
Part / Desc
VIN
Please Select
Honda
KTM
Polaris
*Please enter at least 3 characters
SEARCH
Manufacturer
Polaris
ATVs
2010
OUTLAW 50 INTL (A10KA05FA/FB/FD)
VIEW WISH LIST
Select a Section
Show/Hide
BODY, CAB and SEAT - A10KA05FA/FB/FD (49ATVCAB09OUT50)
BODY, DECALS - A10KA05FA/FB/FD (49ATVDECAL09OUT50)
BODY, FUEL TANK and HOSES - A10KA05FA/FB/FD (49ATVFUEL07PRED50)
BRAKES, FRONT - A10KA05FA/FB/FD (4999202399920239B11)
BRAKES, REAR - A10KA05FA/FB/FD (49ATVBRAKERR10OUT50)
CHASSIS, BUMPER - A10KA05FA/FB/FD (49ATVBUMPER07PRED50)
CHASSIS, FOOTREST - A10KA05FA/FB/FD (49ATVSUSPFRT08OUT50)
CHASSIS, FRAME and SWING ARM - A10KA05FA/FB/FD (49ATVFRAME07PRED50)
DRIVE TRAIN, CHAIN - A10KA05FA/FB/FD (4999202359920235B13)
DRIVE TRAIN, PRIMARY CLUTCH - A10KA05FA/FB/FD (49ATVPRIMARY07OTLW90)
DRIVE TRAIN, SECONDARY CLUTCH - A10KA05FA/FB/FD (49ATVSECONDARY07OTLW90)
DRIVE TRAIN, TRANSMISSION - A10KA05FA/FB/FD (49ATVTRANSMISSION07PRED50)
ELECTRICAL, HEADLIGHTand TAILLIGHT - A10KA05FA/FB/FD (49ATVHEADLIGHT10OUT50)
ELECTRICAL, SWITCHES, HARNESS and PARTS - A10KA05FA/FB/FD (49ATVELECT10OUT50)
ENGINE, AIR INTAKE SYSTEM - A10KA05FA/FB/FD (49ATVAIRBOX10OUT50)
ENGINE, CAM CHAIN - A10KA05FA/FB/FD (49ATVCAMCHAIN07OTLW90)
ENGINE, CARBURETOR - A10KA05FA/FB/FD (49ATVCARB09OUT90)
ENGINE, CLUTCH COVER and KICK START - A10KA05FA/FB/FD (49ATVCRANKCASECVRLH09OUT50)
ENGINE, CRANKCASE - A10KA05FA/FB/FD (49ATVCRANKCASE07PRED50)
ENGINE, CRANKCASE COVER, RH - A10KA05FA/FB/FD (49ATVCRANKCASECVRRH07OTLW90)
ENGINE, CRANKSHAFT and PISTON - A10KA05FA/FB/FD (49ATVCRANKSHAFT07PRED50)
ENGINE, CYLINDER - A10KA05FA/FB/FD (49ATVCYLINDER07OTLW90)
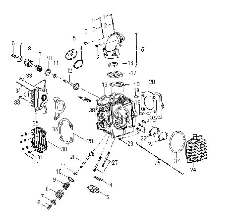
ENGINE, CYLINDER HEAD - A10KA05FA/FB/FD (49ATVCYLINDERHD08OUT50)
ENGINE, EXHAUST - A10KA05FA/FB/FD (49ATVEXHAUST07PRED50)
ENGINE, GENERATOR and STARTING MOTOR - A10KA05FA/FB/FD (49ATVGENERATOR10OUT50)
ENGINE, KICK START - A10KA05FA/FB/FD (49ATVSTARTER207OTLW90)
ENGINE, OIL PUMP - A10KA05FA/FB/FD (49ATVOILPUMP07OTLW90)
REFERENCES, MANUAL and SETUP INFORMATION - A10KA05FA/FB/FD (49ATVTOOL09SP90)
STEERING, HANDLEBAR - A10KA05FA/FB/FD (49ATVHANDLEBAR07PRED50)
STEERING, STEERING POST and TIE ROD ASM. - A10KA05FA/FB/FD (49ATVSTEERING10OUT50)
SUSPENSION, SHOCKS - A10KA05FA/FB/FD (49ATVSUSP07PRED50)
WHEELS, FRONT - A10KA05FA/FB/FD (49ATVWHEELFRT07PRED50)
WHEELS, REAR - A10KA05FA/FB/FD (49ATVWHEELREAR07PRED50)
WHEELS, REAR AXLE - A10KA05FA/FB/FD (4999202359920235B12)
BODY, CAB and SEAT - A10KA05FA/FB/FD (49ATVCAB09OUT50)
BODY, DECALS - A10KA05FA/FB/FD (49ATVDECAL09OUT50)
BODY, FUEL TANK and HOSES - A10KA05FA/FB/FD (49ATVFUEL07PRED50)
BRAKES, FRONT - A10KA05FA/FB/FD (4999202399920239B11)
BRAKES, REAR - A10KA05FA/FB/FD (49ATVBRAKERR10OUT50)
CHASSIS, BUMPER - A10KA05FA/FB/FD (49ATVBUMPER07PRED50)
CHASSIS, FOOTREST - A10KA05FA/FB/FD (49ATVSUSPFRT08OUT50)
CHASSIS, FRAME and SWING ARM - A10KA05FA/FB/FD (49ATVFRAME07PRED50)
DRIVE TRAIN, CHAIN - A10KA05FA/FB/FD (4999202359920235B13)
DRIVE TRAIN, PRIMARY CLUTCH - A10KA05FA/FB/FD (49ATVPRIMARY07OTLW90)
DRIVE TRAIN, SECONDARY CLUTCH - A10KA05FA/FB/FD (49ATVSECONDARY07OTLW90)
DRIVE TRAIN, TRANSMISSION - A10KA05FA/FB/FD (49ATVTRANSMISSION07PRED50)
ELECTRICAL, HEADLIGHTand TAILLIGHT - A10KA05FA/FB/FD (49ATVHEADLIGHT10OUT50)
ELECTRICAL, SWITCHES, HARNESS and PARTS - A10KA05FA/FB/FD (49ATVELECT10OUT50)
ENGINE, AIR INTAKE SYSTEM - A10KA05FA/FB/FD (49ATVAIRBOX10OUT50)
ENGINE, CAM CHAIN - A10KA05FA/FB/FD (49ATVCAMCHAIN07OTLW90)
ENGINE, CARBURETOR - A10KA05FA/FB/FD (49ATVCARB09OUT90)
ENGINE, CLUTCH COVER and KICK START - A10KA05FA/FB/FD (49ATVCRANKCASECVRLH09OUT50)
ENGINE, CRANKCASE - A10KA05FA/FB/FD (49ATVCRANKCASE07PRED50)
ENGINE, CRANKCASE COVER, RH - A10KA05FA/FB/FD (49ATVCRANKCASECVRRH07OTLW90)
ENGINE, CRANKSHAFT and PISTON - A10KA05FA/FB/FD (49ATVCRANKSHAFT07PRED50)
ENGINE, CYLINDER - A10KA05FA/FB/FD (49ATVCYLINDER07OTLW90)
ENGINE, CYLINDER HEAD - A10KA05FA/FB/FD (49ATVCYLINDERHD08OUT50)
ENGINE, EXHAUST - A10KA05FA/FB/FD (49ATVEXHAUST07PRED50)
ENGINE, GENERATOR and STARTING MOTOR - A10KA05FA/FB/FD (49ATVGENERATOR10OUT50)
ENGINE, KICK START - A10KA05FA/FB/FD (49ATVSTARTER207OTLW90)
ENGINE, OIL PUMP - A10KA05FA/FB/FD (49ATVOILPUMP07OTLW90)
REFERENCES, MANUAL and SETUP INFORMATION - A10KA05FA/FB/FD (49ATVTOOL09SP90)
STEERING, HANDLEBAR - A10KA05FA/FB/FD (49ATVHANDLEBAR07PRED50)
STEERING, STEERING POST and TIE ROD ASM. - A10KA05FA/FB/FD (49ATVSTEERING10OUT50)
SUSPENSION, SHOCKS - A10KA05FA/FB/FD (49ATVSUSP07PRED50)
WHEELS, FRONT - A10KA05FA/FB/FD (49ATVWHEELFRT07PRED50)
WHEELS, REAR - A10KA05FA/FB/FD (49ATVWHEELREAR07PRED50)
WHEELS, REAR AXLE - A10KA05FA/FB/FD (4999202359920235B12)
VIEW WISH LIST