Polaris
Browse New Models
Shop In-Stock
Honda
Browse New Models
Shop In-Stock
KTM
Browse New Models
Shop In-Stock
Beta
Browse New Models
Shop In-Stock
Timbersled
Browse New Models
1318 W 2nd St
,
The Dalles, OR
97058
541-298-1161
Search Inventory
Toggle navigation
Home
Brands
Inventory
All Inventory In Stock
New Inventory In Stock
Pre-Owned Inventory
Polaris Off-Road
Polaris Snowmobiles
Timbersled
Manufacturer Models
Value Your Trade-In
Request a Model
Government Purchasing Program
OEM Promotions
Secure Financing
Parts
Parts Department
Parts Finder
Shopping Cart
Service
Service Department
Warranty & Recall Look-Up
Schedule Polaris Service
Financing
About
Our Dealership
Our Team
Reviews
Customer Survey
Employment
Location & Hours
Contact
541-298-1161
The Dalles, OR
Fiche | Parts Diagrams
Home
›
Parts
›
Parts Finder
Search by :
Part / Desc
VIN
Please Select
Honda
KTM
Polaris
*Please enter at least 3 characters
SEARCH
Manufacturer
Polaris
ATVs
2010
SPORTSMAN 400 HO 4X4 (A10LH46AX/AZ)
VIEW WISH LIST
Select a Section
Show/Hide
BODY, CLUTCH COVER - A10LH46AX/AZ (49ATVCLUTCHCVR08SP400)
BODY, DECALS - A10LH46AX/AZ (49ATVDECAL10SP400)
BODY, FRONT BUMPER and MOUNTING - A10LH46AX/AZ (49ATVBUMPER08SP400)
BODY, FRONT CAB and FRONT BOX COVER - A10LH46AX/AZ (49ATVCAB08SP300)
BODY, FUEL TANK - A10LH46AX/AZ (49ATVFUEL10SP400)
BODY, MUD GUARDS - A10LH46AX/AZ (49ATVMUDGUARD08SP400)
BODY, REAR CAB and SEAT - A10LH46AX/AZ (49ATVCABRR09SP400)
BODY, REAR CAB FOIL - A10LH46AX/AZ (49ATVCABFOIL08SP400)
BODY, REAR RACK ASM. - A10LH46AX/AZ (49ATVRACKMTG08SP300)
BRAKES, BRAKE CALIPER MOUNTING - A10LH46AX/AZ (49ATVCALIPERMTG10HAWK)
BRAKES, BRAKE LINES - A10LH46AX/AZ (49ATVBRAKELINE08SP300)
BRAKES, BRAKE PEDAL and REAR MASTER CYLINDER - A10LH46AX/AZ (49ATVBRAKEFOOT10SP400)
BRAKES, FRONT BRAKE LEVER and MASTER CYLINDER - A10LH46AX/AZ (4999202079920207A14)
BRAKES, FRONT CALIPERS - A10LH46AX/AZ (49ATVCALIPER08SP300)
BRAKES, REAR CALIPER - A10LH46AX/AZ (49ATVCALIPERRR10HAWK)
CHASSIS, FRAME - A10LH46AX/AZ (49ATVFRAME09SP400)
DRIVE TRAIN, FRONT DRIVE SHAFT - A10LH46AX/AZ (49ATVSHAFTDRIVE08SP300)
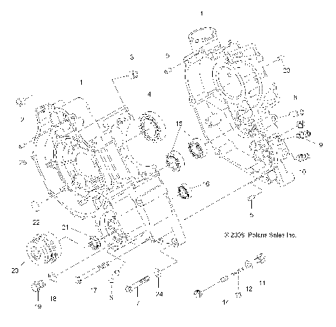
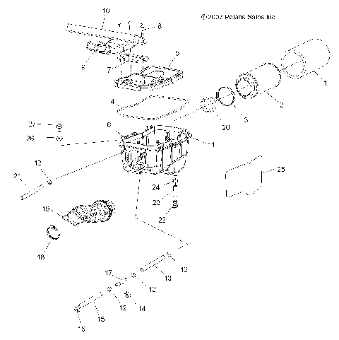
DRIVE TRAIN, FRONT GEARCASE - A10LH46AX/AZ (49ATVGEARCASE08SP3)
DRIVE TRAIN, FRONT GEARCASE MOUNTING - A10LH46AX/AZ (49ATVGEARCASEMTG08SP3)
DRIVE TRAIN, FRONT PROP SHAFT - A10LH46AX/AZ (49ATVSHAFTPROP09SP300)
DRIVE TRAIN, GEAR SELECTOR - A10LH46AX/AZ (49ATVGEARSELECT08SP400)
DRIVE TRAIN, MAIN GEARCASE - A10LH46AX/AZ (49ATVTRANSCVR08SP300)
DRIVE TRAIN, MAIN GEARCASE INTERNALS - A10LH46AX/AZ (49ATVTRANSINTL08SP300)
DRIVE TRAIN, MAIN GEARCASE MOUNTING - A10LH46AX/AZ (49ATVGEARCASEMTG08SP4)
DRIVE TRAIN, PRIMARY CLUTCH - A10LH46AX/AZ (49ATVPRIMARY08SP300)
DRIVE TRAIN, REAR DRIVE SHAFT - A10LH46AX/AZ (49ATVSHAFTDRIVERR08SP300)
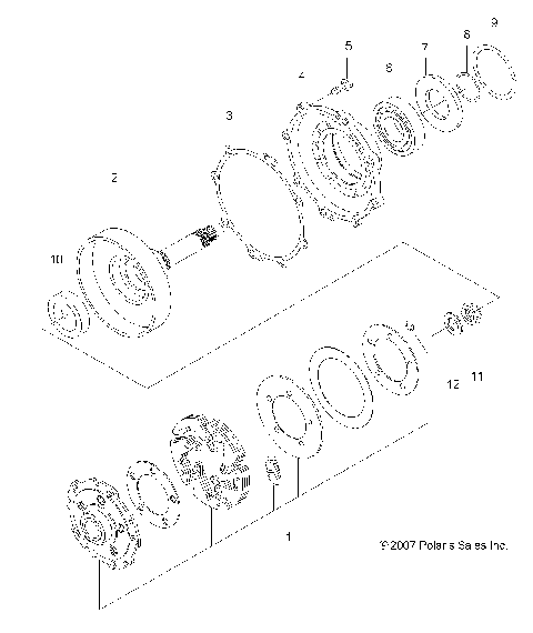
DRIVE TRAIN, SECONDARY CLUTCH - A10LH46AX/AZ (49ATVCLUTCHDRIVEN08SP300)
ELECTRICAL, BATTERY - A10LH46AX/AZ (49ATVBATTERY09SP400)
ELECTRICAL, BULBS - A10LH46AX/AZ (49ATVBULBS09SP300)
ELECTRICAL, GAUGES and INDICATORS - A10LH46AX/AZ (49ATVGAUGES08SP300)
ELECTRICAL, HARNESSES - A10LH46AX/AZ (49ATVHARNESS09SP400)
ELECTRICAL, HEADLIGHTS - A10LH46AX/AZ (49ATVHEADLTASM10HAWK)
ELECTRICAL, IGNITION SYSTEM - A10LH46AX/AZ (49ATVMAGNETO08SP400)
ELECTRICAL, SWITCHES, SENSORS and ECM - A10LH46AX/AZ (49ATVSWITCHES08SP400)
ELECTRICAL, TAILLIGHTS - A10LH46AX/AZ (49ATVTAILLAMPS09SP300)
ENGINE, AIR INTAKE SYSTEM - A10LH46AX/AZ (49ATVAIRBOX08SP400)
ENGINE, CARBURETOR LOWER - A10LH46AX/AZ (49ATVCARB08SP400)
ENGINE, CARBURETOR UPPER - A10LH46AX/AZ (49ATVCARBUPPER08SP400)
ENGINE, CLUTCH - A10LH46AX/AZ (49ATVCLUTCH08SP400)
ENGINE, COOLING SYSTEM - A10LH46AX/AZ (49ATVCOOL09SP400)
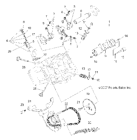
ENGINE, CRANKCASE - A10LH46AX/AZ (49ATVCRANKCASE09SP400)
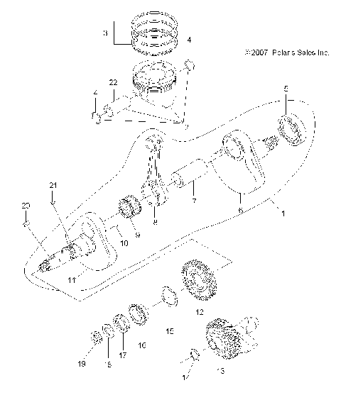
ENGINE, CRANKSHAFT and PISTON - A10LH46AX/AZ (49ATVCRANKSHAFT08SP400)
ENGINE, CYLINDER and HEAD - A10LH46AX/AZ (49ATVCYLINDER08SP400)
ENGINE, EXHAUST - A10LH46AX/AZ (49ATVEXHAUST08SP400)
ENGINE, FLYWHEEL COVER - A10LH46AX/AZ (49RGRFLYWHEELCVR11500EFI)
ENGINE, FUEL PUMP - A10LH46AX/AZ (4999200059920005D11)
ENGINE, MOUNTING - A10LH46AX/AZ (49ATVENGINEMTG10SP400)
ENGINE, OIL FILTER - A10LH46AX/AZ (49ATVOILFILTER08SP400)
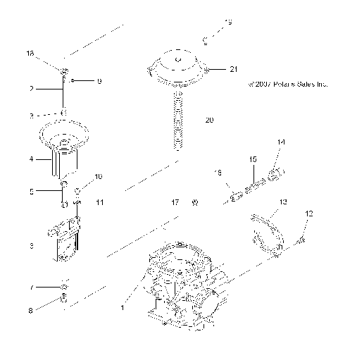
ENGINE, OIL PUMP - A10LH46AX/AZ (49ATVOILPUMP08SP400)
ENGINE, OIL SYSTEM - A10LH46AX/AZ (49ATVOIL08SP400)
ENGINE, SHORT BLOCK - A10LH46AX/AZ (49ATVENGINE08SP500)
ENGINE, STARTING SYSTEM - A10LH46AX/AZ (49ATVSTARTER09SP400)
ENGINE, VALVES and CAMSHAFT - A10LH46AX/AZ (49ATVVALVE08SP400)
ENGINE, WATER PUMP - A10LH46AX/AZ (49ATVWATERPUMP08SP400)
REFERENCE, MANUALS and INFORMATION - A10LH46AX/AZ (49ATVREFERENCE08SP300)
STEERING, CONTROLS and THROTTLE - A10LH46AX/AZ (49ATVCONTROLS08SP300)
STEERING, HANDLEBAR and CONTROLS - A10LH46AX/AZ (49ATVHANDLEBAR09SP400)
STEERING, STEERING POST ASM. - A10LH46AX/AZ (49ATVSTEERING08SP300)
SUSPENSION, A-ARM and STRUT MOUNTING - A10LH46AX/AZ (49ATVAARM09SP400)
SUSPENSION, FRONT STRUT - A10LH46AX/AZ (49ATVSTRUT08SP300)
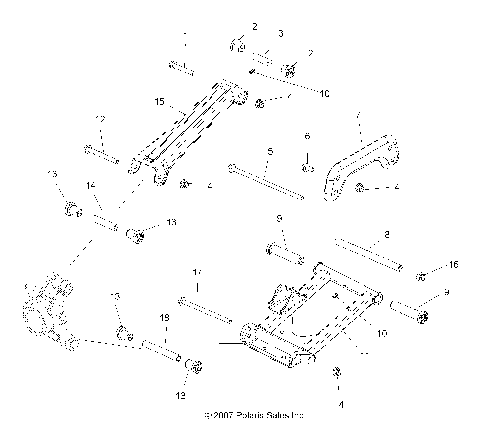
SUSPENSION, REAR - A10LH46AX/AZ (49ATVSUSPRR08SP400)
SUSPENSION, REAR SHOCKS - A10LH46AX/AZ (4999202079920207C06)
SUSPENSION, TORSION BAR - A10LH46AX/AZ (49ATVTORSION08SP400)
TOOLS, TOOL KIT - A10LH46AX/AZ (49ATVTOOL10SP400)
WHEELS, FRONT - A10LH46AX/AZ (49ATVWHEELFRT08SP300)
WHEELS, REAR - A10LH46AX/AZ (49ATVWHEELREAR08SP300)
BODY, CLUTCH COVER - A10LH46AX/AZ (49ATVCLUTCHCVR08SP400)
BODY, DECALS - A10LH46AX/AZ (49ATVDECAL10SP400)
BODY, FRONT BUMPER and MOUNTING - A10LH46AX/AZ (49ATVBUMPER08SP400)
BODY, FRONT CAB and FRONT BOX COVER - A10LH46AX/AZ (49ATVCAB08SP300)
BODY, FUEL TANK - A10LH46AX/AZ (49ATVFUEL10SP400)
BODY, MUD GUARDS - A10LH46AX/AZ (49ATVMUDGUARD08SP400)
BODY, REAR CAB and SEAT - A10LH46AX/AZ (49ATVCABRR09SP400)
BODY, REAR CAB FOIL - A10LH46AX/AZ (49ATVCABFOIL08SP400)
BODY, REAR RACK ASM. - A10LH46AX/AZ (49ATVRACKMTG08SP300)
BRAKES, BRAKE CALIPER MOUNTING - A10LH46AX/AZ (49ATVCALIPERMTG10HAWK)
BRAKES, BRAKE LINES - A10LH46AX/AZ (49ATVBRAKELINE08SP300)
BRAKES, BRAKE PEDAL and REAR MASTER CYLINDER - A10LH46AX/AZ (49ATVBRAKEFOOT10SP400)
BRAKES, FRONT BRAKE LEVER and MASTER CYLINDER - A10LH46AX/AZ (4999202079920207A14)
BRAKES, FRONT CALIPERS - A10LH46AX/AZ (49ATVCALIPER08SP300)
BRAKES, REAR CALIPER - A10LH46AX/AZ (49ATVCALIPERRR10HAWK)
CHASSIS, FRAME - A10LH46AX/AZ (49ATVFRAME09SP400)
DRIVE TRAIN, FRONT DRIVE SHAFT - A10LH46AX/AZ (49ATVSHAFTDRIVE08SP300)
DRIVE TRAIN, FRONT GEARCASE - A10LH46AX/AZ (49ATVGEARCASE08SP3)
DRIVE TRAIN, FRONT GEARCASE MOUNTING - A10LH46AX/AZ (49ATVGEARCASEMTG08SP3)
DRIVE TRAIN, FRONT PROP SHAFT - A10LH46AX/AZ (49ATVSHAFTPROP09SP300)
DRIVE TRAIN, GEAR SELECTOR - A10LH46AX/AZ (49ATVGEARSELECT08SP400)
DRIVE TRAIN, MAIN GEARCASE - A10LH46AX/AZ (49ATVTRANSCVR08SP300)
DRIVE TRAIN, MAIN GEARCASE INTERNALS - A10LH46AX/AZ (49ATVTRANSINTL08SP300)
DRIVE TRAIN, MAIN GEARCASE MOUNTING - A10LH46AX/AZ (49ATVGEARCASEMTG08SP4)
DRIVE TRAIN, PRIMARY CLUTCH - A10LH46AX/AZ (49ATVPRIMARY08SP300)
DRIVE TRAIN, REAR DRIVE SHAFT - A10LH46AX/AZ (49ATVSHAFTDRIVERR08SP300)
DRIVE TRAIN, SECONDARY CLUTCH - A10LH46AX/AZ (49ATVCLUTCHDRIVEN08SP300)
ELECTRICAL, BATTERY - A10LH46AX/AZ (49ATVBATTERY09SP400)
ELECTRICAL, BULBS - A10LH46AX/AZ (49ATVBULBS09SP300)
ELECTRICAL, GAUGES and INDICATORS - A10LH46AX/AZ (49ATVGAUGES08SP300)
ELECTRICAL, HARNESSES - A10LH46AX/AZ (49ATVHARNESS09SP400)
ELECTRICAL, HEADLIGHTS - A10LH46AX/AZ (49ATVHEADLTASM10HAWK)
ELECTRICAL, IGNITION SYSTEM - A10LH46AX/AZ (49ATVMAGNETO08SP400)
ELECTRICAL, SWITCHES, SENSORS and ECM - A10LH46AX/AZ (49ATVSWITCHES08SP400)
ELECTRICAL, TAILLIGHTS - A10LH46AX/AZ (49ATVTAILLAMPS09SP300)
ENGINE, AIR INTAKE SYSTEM - A10LH46AX/AZ (49ATVAIRBOX08SP400)
ENGINE, CARBURETOR LOWER - A10LH46AX/AZ (49ATVCARB08SP400)
ENGINE, CARBURETOR UPPER - A10LH46AX/AZ (49ATVCARBUPPER08SP400)
ENGINE, CLUTCH - A10LH46AX/AZ (49ATVCLUTCH08SP400)
ENGINE, COOLING SYSTEM - A10LH46AX/AZ (49ATVCOOL09SP400)
ENGINE, CRANKCASE - A10LH46AX/AZ (49ATVCRANKCASE09SP400)
ENGINE, CRANKSHAFT and PISTON - A10LH46AX/AZ (49ATVCRANKSHAFT08SP400)
ENGINE, CYLINDER and HEAD - A10LH46AX/AZ (49ATVCYLINDER08SP400)
ENGINE, EXHAUST - A10LH46AX/AZ (49ATVEXHAUST08SP400)
ENGINE, FLYWHEEL COVER - A10LH46AX/AZ (49RGRFLYWHEELCVR11500EFI)
ENGINE, FUEL PUMP - A10LH46AX/AZ (4999200059920005D11)
ENGINE, MOUNTING - A10LH46AX/AZ (49ATVENGINEMTG10SP400)
ENGINE, OIL FILTER - A10LH46AX/AZ (49ATVOILFILTER08SP400)
ENGINE, OIL PUMP - A10LH46AX/AZ (49ATVOILPUMP08SP400)
ENGINE, OIL SYSTEM - A10LH46AX/AZ (49ATVOIL08SP400)
ENGINE, SHORT BLOCK - A10LH46AX/AZ (49ATVENGINE08SP500)
ENGINE, STARTING SYSTEM - A10LH46AX/AZ (49ATVSTARTER09SP400)
ENGINE, VALVES and CAMSHAFT - A10LH46AX/AZ (49ATVVALVE08SP400)
ENGINE, WATER PUMP - A10LH46AX/AZ (49ATVWATERPUMP08SP400)
REFERENCE, MANUALS and INFORMATION - A10LH46AX/AZ (49ATVREFERENCE08SP300)
STEERING, CONTROLS and THROTTLE - A10LH46AX/AZ (49ATVCONTROLS08SP300)
STEERING, HANDLEBAR and CONTROLS - A10LH46AX/AZ (49ATVHANDLEBAR09SP400)
STEERING, STEERING POST ASM. - A10LH46AX/AZ (49ATVSTEERING08SP300)
SUSPENSION, A-ARM and STRUT MOUNTING - A10LH46AX/AZ (49ATVAARM09SP400)
SUSPENSION, FRONT STRUT - A10LH46AX/AZ (49ATVSTRUT08SP300)
SUSPENSION, REAR - A10LH46AX/AZ (49ATVSUSPRR08SP400)
SUSPENSION, REAR SHOCKS - A10LH46AX/AZ (4999202079920207C06)
SUSPENSION, TORSION BAR - A10LH46AX/AZ (49ATVTORSION08SP400)
TOOLS, TOOL KIT - A10LH46AX/AZ (49ATVTOOL10SP400)
WHEELS, FRONT - A10LH46AX/AZ (49ATVWHEELFRT08SP300)
WHEELS, REAR - A10LH46AX/AZ (49ATVWHEELREAR08SP300)
VIEW WISH LIST