Polaris
Browse New Models
Shop In-Stock
Honda
Browse New Models
Shop In-Stock
KTM
Browse New Models
Shop In-Stock
Beta
Browse New Models
Shop In-Stock
Timbersled
Browse New Models
1318 W 2nd St
,
The Dalles, OR
97058
541-298-1161
Search Inventory
Toggle navigation
Home
Brands
Inventory
All Inventory In Stock
New Inventory In Stock
Pre-Owned Inventory
Polaris Off-Road
Polaris Snowmobiles
Timbersled
Manufacturer Models
Value Your Trade-In
Request a Model
Government Purchasing Program
OEM Promotions
Secure Financing
Parts
Parts Department
Parts Finder
Shopping Cart
Service
Service Department
Warranty & Recall Look-Up
Schedule Polaris Service
Financing
About
Our Dealership
Our Team
Reviews
Customer Survey
Employment
Location & Hours
Contact
541-298-1161
The Dalles, OR
Fiche | Parts Diagrams
Home
›
Parts
›
Parts Finder
Search by :
Part / Desc
VIN
Please Select
Honda
KTM
Polaris
*Please enter at least 3 characters
SEARCH
Manufacturer
Polaris
ATVs
2010
SPORTSMAN 500 HO INTL (A10MH50FX/FF)
VIEW WISH LIST
Select a Section
Show/Hide
BODY, CLUTCH COVER - A10MH50FX/FF (49ATVCLUTCHCVR08SP500)
BODY, DECALS - A10MH50FX/FF (49ATVDECAL10SP500I)
BODY, FRONT BUMPER and MOUNTING - A10MH50FX/FF (49ATVBUMPER10SP500I)
BODY, FRONT CAB and SIDE PANELS - A10MH50FX/FF (49ATVCAB08SP500)
BODY, FUEL TANK ASM. - A10MH50FX/FF (49ATVFUEL10SP500I)
BODY, HEADLIGHT POD - A10MH50FX/FF (49ATVHEADLIGHT09SP500)
BODY, REAR CAB, SEAT and FOOTWELLS - A10MH50FX/FF (49ATVCABRR08SP500)
BODY, REAR RACK ASM. - A10MH50FX/FF (49ATVRACKMTG08SP500)
BODY, STORAGE BOX, REAR - A10MH50FX/FF (49ATVSTORAGERR09SP500)
BODY, STORAGE, FRONT - A10MH50FX/FF (49ATVSTORAGE10SP500)
BRAKES, BRAKE CALIPER, FRONT (Built 11/10/09 and Before) - A10MH50FX/FF (49ATVBRAKEFRT075EFIIN)
BRAKES, BRAKE CALIPER, FRONT (Built 11/11/09 and After) - A10MH50FX/FF (49ATVCALIPER08X2500QUAD)
BRAKES, BRAKE CALIPER, REAR - A10MH50FX/FF (4999200139920013B05)
BRAKES, FOOT BRAKE - A10MH50FX/FF (49ATVBRAKEFOOT10SP500I)
BRAKES, FRONT BRAKE LEVER and MASTER CYLINDER - A10MH50FX/FF (4999204069920406B08)
BRAKES, FRONT BRAKE LINES - A10MH50FX/FF (49ATVBRAKELINE09SP500TR)
BRAKES, REAR BRAKE LINES - A10MH50FX/FF (49ATVBRAKELINERR10SPTR)
BRAKES, VALVE SYSTEM - A10MH50FX/FF (49ATVBRAKEVALVE075EFIIN)
CHASSIS, FRAME - A10MH50FX/FF (49ATVFRAME08SP500)
DRIVE TRAIN, FRONT DRIVE SHAFT - A10MH50FX/FF (49ATVSHAFTDRIVE08SP)
DRIVE TRAIN, FRONT GEARCASE (Built 11/01/09 and Before) - A10MH50FX/FF (49ATVGEARCASE1332772)
DRIVE TRAIN, FRONT GEARCASE (Built 11/02/09 to 3/08/10) - A10MH50FX/FF (49ATVGEARCASE08SP500)
DRIVE TRAIN, FRONT GEARCASE (Built 3/09/10 and After) - A10MH50FX/FF (49RGRTRANSINTL1332773)
DRIVE TRAIN, FRONT GEARCASE MOUNTING - A10MH50FX/FF (49ATVGEARCASEMTG500EFI)
DRIVE TRAIN, FRONT PROP SHAFT - A10MH50FX/FF (49ATVSHAFTPROP08SP500A)
DRIVE TRAIN, GEAR SELECTOR - A10MH50FX/FF (49ATVGEARSELECT08SP500EFI)
DRIVE TRAIN, GEARCASE FRONT OUTPUT SHAFT - A10MH50FX/FF (49ATVSHAFTOUTPUT08SP500)
DRIVE TRAIN, MAIN GEARCASE - A10MH50FX/FF (49ATVGEARCASE09SP500)
DRIVE TRAIN, MAIN GEARCASE INTERNALS - A10MH50FX/FF (49ATVTRANSINTL08SP500)
DRIVE TRAIN, MAIN GEARCASE MOUNTING - A10MH50FX/FF (4999200059920005C12)
DRIVE TRAIN, PRIMARY CLUTCH - A10MH50FX/FF (49ATVCLUTCH08SP500)
DRIVE TRAIN, REAR DRIVE SHAFT - A10MH50FX/FF (49ATVSHAFTDRIVERR1332654)
DRIVE TRAIN, SECONDARY CLUTCH - A10MH50FX/FF (49ATVCLUTCHDRIVEN08SP500)
DRIVE TRAIN, SHIFT FORKS - A10MH50FX/FF (4999200059920005D02)
ELECTRICAL, BATTERY - A10MH50FX/FF (49ATVBATTERY09SP500)
ELECTRICAL, BULBS - A10MH50FX/FF (49ATVBULBS08X2500QUAD)
ELECTRICAL, GAUGES and INDICATORS - A10MH50FX/FF (49ATVGAUGES08X2500QUAD)
ELECTRICAL, HARNESSES - A10MH50FX/FF (49ATVHARNESS10SP500I)
ELECTRICAL, HEADLIGHTS - A10MH50FX/FF (49ATVHEADLIGHT08X2500QUAD)
ELECTRICAL, IGNITION SYSTEM - A10MH50FX/FF (49ATVMAGNETO09SP500)
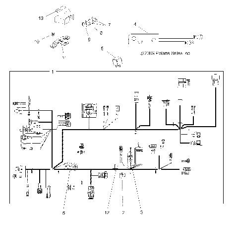
ELECTRICAL, SWITCHES, SENSORS and ECM - A10MH50FX/FF (49ATVELECT10SP500I)
ELECTRICAL, TAILLAMPS - A10MH50FX/FF (49ATVTAILLAMPS08SP800EFI)
ELECTRICAL, TURN SIGNALS/MIRRORS/HORN - A10MH50FX/FF (49ATVTURNSIG10SP500I)
ENGINE, AIR INTAKE SYSTEM - A10MH50FX/FF (49ATVAIRBOX08SP500)
ENGINE, CARBURETOR MOUNTING and FUEL LINES - A10MH50FX/FF (49ATVCARBBRKT09SP500)
ENGINE, CARBURETOR, LOWER - A10MH50FX/FF (4999200099920009D08)
ENGINE, CARBURETOR, UPPER - A10MH50FX/FF (49ATVCARBUPPER08SP500)
ENGINE, COOLING SYSTEM - A10MH50FX/FF (49ATVCOOL10SP500)
ENGINE, CRANKCASE - A10MH50FX/FF (49ATVCRANKCASE09SP500)
ENGINE, CRANKSHAFT and PISTON - A10MH50FX/FF (49ATVCRANKSHAFT08SP500)
ENGINE, CYLINDER and HEAD - A10MH50FX/FF (49ATVCYLINDER08SP500)
ENGINE, EXHAUST - A10MH50FX/FF (49ATVEXHAUST08SP500)
ENGINE, FLYWHEEL COVER - A10MH50FX/FF (49RGRFLYWHEELCVR11500EFI)
ENGINE, FUEL PUMP - A10MH50FX/FF (49ATVFUELPUMP10SP500)
ENGINE, MOUNTING - A10MH50FX/FF (49ATVENGINEMTG10SP500)
ENGINE, OIL FILTER - A10MH50FX/FF (4999200099920009D13)
ENGINE, OIL PUMP - A10MH50FX/FF (4999200099920009D12)
ENGINE, OIL SYSTEM and OIL TANK - A10MH50FX/FF (4999200059920005B01)
ENGINE, SHORT BLOCK - A10MH50FX/FF (49ATVENGINE08SP500)
ENGINE, STARTING SYSTEM - A10MH50FX/FF (49ATVSTARTER09TB)
ENGINE, VALVES and CAMSHAFT - A10MH50FX/FF (49ATVVALVE08SP500)
ENGINE, WATER PUMP - A10MH50FX/FF (49ATVWATERPUMP10SP500)
OPTIONS, WINCH - A10MH50FF (49ATVWINCH08800EFI)
REFERENCE, MANUALS and INFORMATION - A10MH50FX/FF (49ATVOM07OTLW90)
STEERING, CONTROLS, THROTTLE ASM. and CABLE - A10MH50FX/FF (49ATVCONTROLS086X6)
STEERING, HANDLEBAR and CONTROLS - A10MH50FX/FF (49ATVHANDLEBAR10SP500I)
STEERING, STEERING LOCK - A10MH50FX/FF (49ATVSTEERINGLOCK09SP500TR)
STEERING, STEERING POST - A10MH50FX/FF (49ATVSTEERING086X6)
SUSPENSION, A-ARM and STRUT MOUNTING - A10MH50FX/FF (49ATVAARM08SP500)
SUSPENSION, FRONT STRUT - A10MH50FX/FF (49ATVSTRUT10SP500I)
SUSPENSION, REAR - A10MH50FX/FF (49ATVSUSPRR08SP500)
SUSPENSION, TORSION BAR - A10MH50FX/FF (4999200059920005C10)
TOOLS, TOOL KIT - A10MH50FX/FF (49ATVTOOL08SP500)
WHEELS, FRONT TIRE and BRAKE DISC - A10MH50FX/FF (4999200059920005B12)
WHEELS, REAR TIRE and BRAKE DISC - A10MH50FX/FF (4999200059920005C08)
BODY, CLUTCH COVER - A10MH50FX/FF (49ATVCLUTCHCVR08SP500)
BODY, DECALS - A10MH50FX/FF (49ATVDECAL10SP500I)
BODY, FRONT BUMPER and MOUNTING - A10MH50FX/FF (49ATVBUMPER10SP500I)
BODY, FRONT CAB and SIDE PANELS - A10MH50FX/FF (49ATVCAB08SP500)
BODY, FUEL TANK ASM. - A10MH50FX/FF (49ATVFUEL10SP500I)
BODY, HEADLIGHT POD - A10MH50FX/FF (49ATVHEADLIGHT09SP500)
BODY, REAR CAB, SEAT and FOOTWELLS - A10MH50FX/FF (49ATVCABRR08SP500)
BODY, REAR RACK ASM. - A10MH50FX/FF (49ATVRACKMTG08SP500)
BODY, STORAGE BOX, REAR - A10MH50FX/FF (49ATVSTORAGERR09SP500)
BODY, STORAGE, FRONT - A10MH50FX/FF (49ATVSTORAGE10SP500)
BRAKES, BRAKE CALIPER, FRONT (Built 11/10/09 and Before) - A10MH50FX/FF (49ATVBRAKEFRT075EFIIN)
BRAKES, BRAKE CALIPER, FRONT (Built 11/11/09 and After) - A10MH50FX/FF (49ATVCALIPER08X2500QUAD)
BRAKES, BRAKE CALIPER, REAR - A10MH50FX/FF (4999200139920013B05)
BRAKES, FOOT BRAKE - A10MH50FX/FF (49ATVBRAKEFOOT10SP500I)
BRAKES, FRONT BRAKE LEVER and MASTER CYLINDER - A10MH50FX/FF (4999204069920406B08)
BRAKES, FRONT BRAKE LINES - A10MH50FX/FF (49ATVBRAKELINE09SP500TR)
BRAKES, REAR BRAKE LINES - A10MH50FX/FF (49ATVBRAKELINERR10SPTR)
BRAKES, VALVE SYSTEM - A10MH50FX/FF (49ATVBRAKEVALVE075EFIIN)
CHASSIS, FRAME - A10MH50FX/FF (49ATVFRAME08SP500)
DRIVE TRAIN, FRONT DRIVE SHAFT - A10MH50FX/FF (49ATVSHAFTDRIVE08SP)
DRIVE TRAIN, FRONT GEARCASE (Built 11/01/09 and Before) - A10MH50FX/FF (49ATVGEARCASE1332772)
DRIVE TRAIN, FRONT GEARCASE (Built 11/02/09 to 3/08/10) - A10MH50FX/FF (49ATVGEARCASE08SP500)
DRIVE TRAIN, FRONT GEARCASE (Built 3/09/10 and After) - A10MH50FX/FF (49RGRTRANSINTL1332773)
DRIVE TRAIN, FRONT GEARCASE MOUNTING - A10MH50FX/FF (49ATVGEARCASEMTG500EFI)
DRIVE TRAIN, FRONT PROP SHAFT - A10MH50FX/FF (49ATVSHAFTPROP08SP500A)
DRIVE TRAIN, GEAR SELECTOR - A10MH50FX/FF (49ATVGEARSELECT08SP500EFI)
DRIVE TRAIN, GEARCASE FRONT OUTPUT SHAFT - A10MH50FX/FF (49ATVSHAFTOUTPUT08SP500)
DRIVE TRAIN, MAIN GEARCASE - A10MH50FX/FF (49ATVGEARCASE09SP500)
DRIVE TRAIN, MAIN GEARCASE INTERNALS - A10MH50FX/FF (49ATVTRANSINTL08SP500)
DRIVE TRAIN, MAIN GEARCASE MOUNTING - A10MH50FX/FF (4999200059920005C12)
DRIVE TRAIN, PRIMARY CLUTCH - A10MH50FX/FF (49ATVCLUTCH08SP500)
DRIVE TRAIN, REAR DRIVE SHAFT - A10MH50FX/FF (49ATVSHAFTDRIVERR1332654)
DRIVE TRAIN, SECONDARY CLUTCH - A10MH50FX/FF (49ATVCLUTCHDRIVEN08SP500)
DRIVE TRAIN, SHIFT FORKS - A10MH50FX/FF (4999200059920005D02)
ELECTRICAL, BATTERY - A10MH50FX/FF (49ATVBATTERY09SP500)
ELECTRICAL, BULBS - A10MH50FX/FF (49ATVBULBS08X2500QUAD)
ELECTRICAL, GAUGES and INDICATORS - A10MH50FX/FF (49ATVGAUGES08X2500QUAD)
ELECTRICAL, HARNESSES - A10MH50FX/FF (49ATVHARNESS10SP500I)
ELECTRICAL, HEADLIGHTS - A10MH50FX/FF (49ATVHEADLIGHT08X2500QUAD)
ELECTRICAL, IGNITION SYSTEM - A10MH50FX/FF (49ATVMAGNETO09SP500)
ELECTRICAL, SWITCHES, SENSORS and ECM - A10MH50FX/FF (49ATVELECT10SP500I)
ELECTRICAL, TAILLAMPS - A10MH50FX/FF (49ATVTAILLAMPS08SP800EFI)
ELECTRICAL, TURN SIGNALS/MIRRORS/HORN - A10MH50FX/FF (49ATVTURNSIG10SP500I)
ENGINE, AIR INTAKE SYSTEM - A10MH50FX/FF (49ATVAIRBOX08SP500)
ENGINE, CARBURETOR MOUNTING and FUEL LINES - A10MH50FX/FF (49ATVCARBBRKT09SP500)
ENGINE, CARBURETOR, LOWER - A10MH50FX/FF (4999200099920009D08)
ENGINE, CARBURETOR, UPPER - A10MH50FX/FF (49ATVCARBUPPER08SP500)
ENGINE, COOLING SYSTEM - A10MH50FX/FF (49ATVCOOL10SP500)
ENGINE, CRANKCASE - A10MH50FX/FF (49ATVCRANKCASE09SP500)
ENGINE, CRANKSHAFT and PISTON - A10MH50FX/FF (49ATVCRANKSHAFT08SP500)
ENGINE, CYLINDER and HEAD - A10MH50FX/FF (49ATVCYLINDER08SP500)
ENGINE, EXHAUST - A10MH50FX/FF (49ATVEXHAUST08SP500)
ENGINE, FLYWHEEL COVER - A10MH50FX/FF (49RGRFLYWHEELCVR11500EFI)
ENGINE, FUEL PUMP - A10MH50FX/FF (49ATVFUELPUMP10SP500)
ENGINE, MOUNTING - A10MH50FX/FF (49ATVENGINEMTG10SP500)
ENGINE, OIL FILTER - A10MH50FX/FF (4999200099920009D13)
ENGINE, OIL PUMP - A10MH50FX/FF (4999200099920009D12)
ENGINE, OIL SYSTEM and OIL TANK - A10MH50FX/FF (4999200059920005B01)
ENGINE, SHORT BLOCK - A10MH50FX/FF (49ATVENGINE08SP500)
ENGINE, STARTING SYSTEM - A10MH50FX/FF (49ATVSTARTER09TB)
ENGINE, VALVES and CAMSHAFT - A10MH50FX/FF (49ATVVALVE08SP500)
ENGINE, WATER PUMP - A10MH50FX/FF (49ATVWATERPUMP10SP500)
OPTIONS, WINCH - A10MH50FF (49ATVWINCH08800EFI)
REFERENCE, MANUALS and INFORMATION - A10MH50FX/FF (49ATVOM07OTLW90)
STEERING, CONTROLS, THROTTLE ASM. and CABLE - A10MH50FX/FF (49ATVCONTROLS086X6)
STEERING, HANDLEBAR and CONTROLS - A10MH50FX/FF (49ATVHANDLEBAR10SP500I)
STEERING, STEERING LOCK - A10MH50FX/FF (49ATVSTEERINGLOCK09SP500TR)
STEERING, STEERING POST - A10MH50FX/FF (49ATVSTEERING086X6)
SUSPENSION, A-ARM and STRUT MOUNTING - A10MH50FX/FF (49ATVAARM08SP500)
SUSPENSION, FRONT STRUT - A10MH50FX/FF (49ATVSTRUT10SP500I)
SUSPENSION, REAR - A10MH50FX/FF (49ATVSUSPRR08SP500)
SUSPENSION, TORSION BAR - A10MH50FX/FF (4999200059920005C10)
TOOLS, TOOL KIT - A10MH50FX/FF (49ATVTOOL08SP500)
WHEELS, FRONT TIRE and BRAKE DISC - A10MH50FX/FF (4999200059920005B12)
WHEELS, REAR TIRE and BRAKE DISC - A10MH50FX/FF (4999200059920005C08)
VIEW WISH LIST