Polaris
Browse New Models
Shop In-Stock
Honda
Browse New Models
Shop In-Stock
KTM
Browse New Models
Shop In-Stock
Beta
Browse New Models
Shop In-Stock
Timbersled
Browse New Models
1318 W 2nd St
,
The Dalles, OR
97058
541-298-1161
Search Inventory
Toggle navigation
Home
Brands
Inventory
All Inventory In Stock
New Inventory In Stock
Pre-Owned Inventory
Polaris Off-Road
Polaris Snowmobiles
Timbersled
Manufacturer Models
Value Your Trade-In
Request a Model
Government Purchasing Program
OEM Promotions
Secure Financing
Parts
Parts Department
Parts Finder
Shopping Cart
Service
Service Department
Warranty & Recall Look-Up
Schedule Polaris Service
Financing
About
Our Dealership
Our Team
Reviews
Customer Survey
Employment
Location & Hours
Contact
541-298-1161
The Dalles, OR
Fiche | Parts Diagrams
Home
›
Parts
›
Parts Finder
Search by :
Part / Desc
VIN
Please Select
Honda
KTM
Polaris
*Please enter at least 3 characters
SEARCH
Manufacturer
Polaris
ATVs
2011
SCRAMBLER 500 4X4 INTL (A11NG50FA)
VIEW WISH LIST
Select a Section
Show/Hide
BODY, CLUTCH COVER - A11NG50FA (49ATVCLUTCHCVR10TBLZR)
BODY, DECALS - A11NG50FA (49ATVDECAL10SCRAMI)
BODY, FRONT CAB - A11NG50FA (49ATVCAB10TBLZR)
BODY, FUEL SYSTEM - A11NG50FA (49ATVFUEL11SCRAMI)
BODY, REAR CAB - A11NG50FA (49ATVCABRR10TBI)
BRAKES, BRAKE PEDAL and REAR MASTER CYLINDER - A11NG50FA (49ATVBRAKERR10BOSSI)
BRAKES, FRONT BRAKE LEVER and MASTER CYLINDER - A11NG50FA (49ATVMCLH10BOSSI)
BRAKES, FRONT CALIPER - A11NG50FA (4999202939920293A14)
BRAKES, REAR CALIPER - A11NG50FA (49ATVCALIPER10BOSSI)
BRAKES, REAR CALIPER MOUNTING - A11NG50FA (49ATVCALIPERMTG10TB)
BRAKES, VALVE SYSTEM and LINES - A11NG50FA (49ATVBRAKELINE11BOSSI)
CHASSIS, FRAME - A11NG50FA (49ATVFRAME10TBLZR)
CHASSIS, FRONT BUMPER - A11NG50FA (49ATVBUMPER11SCRAMI)
DRIVE TRAIN, FRONT DRIVE SHAFT - A11NG50FA (49ATVSHAFTDRIVE11SCRAMI)
DRIVE TRAIN, FRONT GEARCASE (Built 9/27/10 and Before) - A11NG50FA (49RGRTRANSINTL1332773)
DRIVE TRAIN, FRONT GEARCASE (Built 9/28/10 and After) - A11NG50FA (49RGRTRANSINTL1332956)
DRIVE TRAIN, FRONT GEARCASE MOUNTING - A11NG50FA (49ATVGEARCASEMTG10SCRAM)
DRIVE TRAIN, FRONT PROP SHAFT - A11NG50FA (49ATVSHAFTPROP10SCRAM)
DRIVE TRAIN, GEAR SELECTOR - A11NG50FA (49ATVGEARSELECT10TBLZR)
DRIVE TRAIN, MAIN GEARCASE - A11NG50FA (49ATVGEARCASE1332729)
DRIVE TRAIN, MAIN GEARCASE INTERNALS - A11NG50FA (49ATVTRANSINTL1332729)
DRIVE TRAIN, MAIN GEARCASE MOUNTING - A11NG50FA (49ATVGEARCASE10SCRAM)
DRIVE TRAIN, MAIN GEARCASE OUTPUT SHAFT - A11NG50FA (49ATVSHAFTOUTPUT1332729)
DRIVE TRAIN, PRIMARY CLUTCH - A11NG50FA (49ATVCLUTCH08SCRAM)
DRIVE TRAIN, REAR AXLE and HOUSING - A11NG50FA (49ATVAXLE10TBLZR)
DRIVE TRAIN, SECONDARY CLUTCH - A11NG50FA (49ATVCLUTCHDRIVEN10TBLZR)
ELECTRICAL, BATTERY - A11NG50FA (49ATVBATTERY10TBLZR)
ELECTRICAL, GAUGES and INDICATORS - A11NG50FA (49ATVGAUGES10BOSSI)
ELECTRICAL, HARNESS - A11NG50FA (49ATVHARNESS11SCRAMI)
ELECTRICAL, HEADLIGHT - A11NG50FA (49ATVHEADLIGHT10TBI)
ELECTRICAL, IGNITION SYSTEM - A11NG50FA (49ATVMAGNETO08SCRAM)
ELECTRICAL, SWITCHES and SENSORS and CONTROL MODULES - A11NG50FA (49ATVELECT10SCRAMI)
ELECTRICAL, TAILLIGHTS - A11NG50FA (49ATVTAILLAMPS10TBLZR)
ELECTRICAL, TURN SIGNALS, HORN, MIRRORS and LICENSE PLATE HOLDER - A11NG50FA (49ATVTURNSIG10TBI)
ENGINE, AIR INTAKE SYSTEM - A11NG50FA (49ATVAIRBOX10SCRAM)
ENGINE, CARBURETOR BRACKET - A11NG50FA (49ATVCARBBRKT10TBLZR)
ENGINE, CARBURETOR, LOWER - A11NG50FA (4999201549920154D02)
ENGINE, CARBURETOR, UPPER - A11NG50FA (49ATVCARBUPPER08SCRAM)
ENGINE, CHOKE CABLE - A11NG50FA (49ATVCABLE08SCRAM)
ENGINE, COOLING SYSTEM - A11NG50FA (49ATVCOOL10SCRAM)
ENGINE, CRANKCASE - A11NG50FA (49ATVCRANKCASE09SP500)
ENGINE, CRANKSHAFT and PISTON - A11NG50FA (49ATVCRANKSHAFT08SCRAM)
ENGINE, CYLINDER and HEAD - A11NG50FA (49ATVCYLINDERHD11SCRAM)
ENGINE, EXHAUST - A11NG50FA (49ATVEXHAUST10SCRAM)
ENGINE, FLYWHEEL COVER - A11NG50FA (49RGRFLYWHEELCVR11500EFI)
ENGINE, FUEL PUMP - A11NG50FA (49ATVFUELPUMP11SP500)
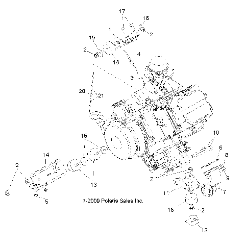
ENGINE, MOUNTING - A11NG50FA (49ATVENGINEMTG10SCRAM)
ENGINE, OIL SYSTEM and OIL FILTER - A11NG50FA (4999201549920154D07)
ENGINE, OIL SYSTEM and OIL PUMP - A11NG50FA (49OILPUMP11SCRAM)
ENGINE, OIL SYSTEM and OIL TANK - A11NG50FA (49ATVOIL10SCRAM)
ENGINE, SHORT BLOCK - A11NG50FA (49ATVENGINE08SCRAM)
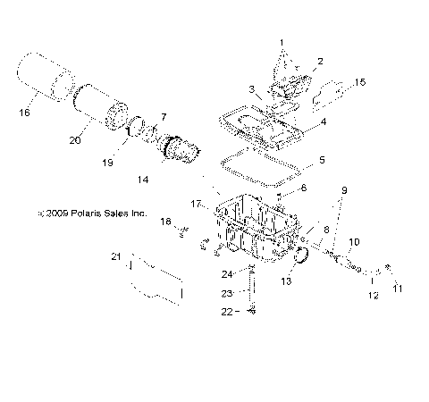
ENGINE, STARTING MOTOR - A11NG50FA (49ATVSTARTER09TB)
ENGINE, VALVE and CAMSHAFT - A11NG50FA (49ATVVALVE08SCRAM)
ENGINE, WATER PUMP - A11NG50FA (49ATVWATERPUMP11SCRAM)
STEERING, CONTROLS and THROTTLE - A11NG50FA (49ATVCONTROLS08SCRAM)
STEERING, HANDLEBAR and CONTROLS - A11NG50FA (49ATVHANDLEBAR10BOSSI)
STEERING, STEERING LOCK - A11NG50FA (49ATVSTEERINGLOCK09SP500TR)
STEERING, STEERING POST - A11NG50FA (49ATVSTEERING08SCRAM)
SUSPENSION, A-ARM and STRUT MOUNTING - A11NG50FA (49ATVAARM08SCRAM)
SUSPENSION, FRONT STRUT - A11NG50FA (49ATVSTRUT10SP500I)
SUSPENSION, REAR SHOCK - A11NG50FA (49ATVSHOCKRR7043536)
SUSPENSION, SWING ARM - A11NG50FA (49ATVSWINGARM10SCRAMI)
TOOLS, TOOL KIT - A11NG50FA (49ATVTOOL08SCRAM)
WHEELS, FRONT - A11NG50FA (49ATVWHEELFRT10SCRAM)
WHEELS, REAR - A11NG50FA (49ATVWHEELREAR08SCRAM)
BODY, CLUTCH COVER - A11NG50FA (49ATVCLUTCHCVR10TBLZR)
BODY, DECALS - A11NG50FA (49ATVDECAL10SCRAMI)
BODY, FRONT CAB - A11NG50FA (49ATVCAB10TBLZR)
BODY, FUEL SYSTEM - A11NG50FA (49ATVFUEL11SCRAMI)
BODY, REAR CAB - A11NG50FA (49ATVCABRR10TBI)
BRAKES, BRAKE PEDAL and REAR MASTER CYLINDER - A11NG50FA (49ATVBRAKERR10BOSSI)
BRAKES, FRONT BRAKE LEVER and MASTER CYLINDER - A11NG50FA (49ATVMCLH10BOSSI)
BRAKES, FRONT CALIPER - A11NG50FA (4999202939920293A14)
BRAKES, REAR CALIPER - A11NG50FA (49ATVCALIPER10BOSSI)
BRAKES, REAR CALIPER MOUNTING - A11NG50FA (49ATVCALIPERMTG10TB)
BRAKES, VALVE SYSTEM and LINES - A11NG50FA (49ATVBRAKELINE11BOSSI)
CHASSIS, FRAME - A11NG50FA (49ATVFRAME10TBLZR)
CHASSIS, FRONT BUMPER - A11NG50FA (49ATVBUMPER11SCRAMI)
DRIVE TRAIN, FRONT DRIVE SHAFT - A11NG50FA (49ATVSHAFTDRIVE11SCRAMI)
DRIVE TRAIN, FRONT GEARCASE (Built 9/27/10 and Before) - A11NG50FA (49RGRTRANSINTL1332773)
DRIVE TRAIN, FRONT GEARCASE (Built 9/28/10 and After) - A11NG50FA (49RGRTRANSINTL1332956)
DRIVE TRAIN, FRONT GEARCASE MOUNTING - A11NG50FA (49ATVGEARCASEMTG10SCRAM)
DRIVE TRAIN, FRONT PROP SHAFT - A11NG50FA (49ATVSHAFTPROP10SCRAM)
DRIVE TRAIN, GEAR SELECTOR - A11NG50FA (49ATVGEARSELECT10TBLZR)
DRIVE TRAIN, MAIN GEARCASE - A11NG50FA (49ATVGEARCASE1332729)
DRIVE TRAIN, MAIN GEARCASE INTERNALS - A11NG50FA (49ATVTRANSINTL1332729)
DRIVE TRAIN, MAIN GEARCASE MOUNTING - A11NG50FA (49ATVGEARCASE10SCRAM)
DRIVE TRAIN, MAIN GEARCASE OUTPUT SHAFT - A11NG50FA (49ATVSHAFTOUTPUT1332729)
DRIVE TRAIN, PRIMARY CLUTCH - A11NG50FA (49ATVCLUTCH08SCRAM)
DRIVE TRAIN, REAR AXLE and HOUSING - A11NG50FA (49ATVAXLE10TBLZR)
DRIVE TRAIN, SECONDARY CLUTCH - A11NG50FA (49ATVCLUTCHDRIVEN10TBLZR)
ELECTRICAL, BATTERY - A11NG50FA (49ATVBATTERY10TBLZR)
ELECTRICAL, GAUGES and INDICATORS - A11NG50FA (49ATVGAUGES10BOSSI)
ELECTRICAL, HARNESS - A11NG50FA (49ATVHARNESS11SCRAMI)
ELECTRICAL, HEADLIGHT - A11NG50FA (49ATVHEADLIGHT10TBI)
ELECTRICAL, IGNITION SYSTEM - A11NG50FA (49ATVMAGNETO08SCRAM)
ELECTRICAL, SWITCHES and SENSORS and CONTROL MODULES - A11NG50FA (49ATVELECT10SCRAMI)
ELECTRICAL, TAILLIGHTS - A11NG50FA (49ATVTAILLAMPS10TBLZR)
ELECTRICAL, TURN SIGNALS, HORN, MIRRORS and LICENSE PLATE HOLDER - A11NG50FA (49ATVTURNSIG10TBI)
ENGINE, AIR INTAKE SYSTEM - A11NG50FA (49ATVAIRBOX10SCRAM)
ENGINE, CARBURETOR BRACKET - A11NG50FA (49ATVCARBBRKT10TBLZR)
ENGINE, CARBURETOR, LOWER - A11NG50FA (4999201549920154D02)
ENGINE, CARBURETOR, UPPER - A11NG50FA (49ATVCARBUPPER08SCRAM)
ENGINE, CHOKE CABLE - A11NG50FA (49ATVCABLE08SCRAM)
ENGINE, COOLING SYSTEM - A11NG50FA (49ATVCOOL10SCRAM)
ENGINE, CRANKCASE - A11NG50FA (49ATVCRANKCASE09SP500)
ENGINE, CRANKSHAFT and PISTON - A11NG50FA (49ATVCRANKSHAFT08SCRAM)
ENGINE, CYLINDER and HEAD - A11NG50FA (49ATVCYLINDERHD11SCRAM)
ENGINE, EXHAUST - A11NG50FA (49ATVEXHAUST10SCRAM)
ENGINE, FLYWHEEL COVER - A11NG50FA (49RGRFLYWHEELCVR11500EFI)
ENGINE, FUEL PUMP - A11NG50FA (49ATVFUELPUMP11SP500)
ENGINE, MOUNTING - A11NG50FA (49ATVENGINEMTG10SCRAM)
ENGINE, OIL SYSTEM and OIL FILTER - A11NG50FA (4999201549920154D07)
ENGINE, OIL SYSTEM and OIL PUMP - A11NG50FA (49OILPUMP11SCRAM)
ENGINE, OIL SYSTEM and OIL TANK - A11NG50FA (49ATVOIL10SCRAM)
ENGINE, SHORT BLOCK - A11NG50FA (49ATVENGINE08SCRAM)
ENGINE, STARTING MOTOR - A11NG50FA (49ATVSTARTER09TB)
ENGINE, VALVE and CAMSHAFT - A11NG50FA (49ATVVALVE08SCRAM)
ENGINE, WATER PUMP - A11NG50FA (49ATVWATERPUMP11SCRAM)
STEERING, CONTROLS and THROTTLE - A11NG50FA (49ATVCONTROLS08SCRAM)
STEERING, HANDLEBAR and CONTROLS - A11NG50FA (49ATVHANDLEBAR10BOSSI)
STEERING, STEERING LOCK - A11NG50FA (49ATVSTEERINGLOCK09SP500TR)
STEERING, STEERING POST - A11NG50FA (49ATVSTEERING08SCRAM)
SUSPENSION, A-ARM and STRUT MOUNTING - A11NG50FA (49ATVAARM08SCRAM)
SUSPENSION, FRONT STRUT - A11NG50FA (49ATVSTRUT10SP500I)
SUSPENSION, REAR SHOCK - A11NG50FA (49ATVSHOCKRR7043536)
SUSPENSION, SWING ARM - A11NG50FA (49ATVSWINGARM10SCRAMI)
TOOLS, TOOL KIT - A11NG50FA (49ATVTOOL08SCRAM)
WHEELS, FRONT - A11NG50FA (49ATVWHEELFRT10SCRAM)
WHEELS, REAR - A11NG50FA (49ATVWHEELREAR08SCRAM)
VIEW WISH LIST