Polaris
Browse New Models
Shop In-Stock
Honda
Browse New Models
Shop In-Stock
KTM
Browse New Models
Shop In-Stock
Beta
Browse New Models
Shop In-Stock
Timbersled
Browse New Models
1318 W 2nd St
,
The Dalles, OR
97058
541-298-1161
Search Inventory
Toggle navigation
Home
Brands
Inventory
All Inventory In Stock
New Inventory In Stock
Pre-Owned Inventory
Polaris Off-Road
Polaris Snowmobiles
Timbersled
Manufacturer Models
Value Your Trade-In
Request a Model
Government Purchasing Program
OEM Promotions
Secure Financing
Parts
Parts Department
Parts Finder
Shopping Cart
Service
Service Department
Warranty & Recall Look-Up
Schedule Polaris Service
Financing
About
Our Dealership
Our Team
Reviews
Customer Survey
Employment
Location & Hours
Contact
541-298-1161
The Dalles, OR
Fiche | Parts Diagrams
Home
›
Parts
›
Parts Finder
Search by :
Part / Desc
VIN
Please Select
Honda
KTM
Polaris
*Please enter at least 3 characters
SEARCH
Manufacturer
Polaris
ATVs
2012
SPORTSMAN TOURING 500 HO (A12DH50AX/AZ)
VIEW WISH LIST
Select a Section
Show/Hide
BODY, CLUTCH COVER - A12DH50AX/AZ (49ATVCLUTCHCVR10SP500TRG)
BODY, DECALS - A12DH50AX/AZ (49ATVDECAL12SP500TRG)
BODY, FRONT BUMPER and MOUNTING - A12DH50AX/AZ (49ATVBUMPER12SP500TRG)
BODY, FRONT CAB and SIDE PANELS - A12DH50AX/AZ (49ATVCAB12SP400)
BODY, FUEL TANK ASM. - A12DH50AX/AZ (49ATVFUEL11SP500TRG)
BODY, HEADLIGHT POD - A12DH50AX/AZ (49ATVHEADLIGHT09SP500)
BODY, OPERATOR SEAT - A12DH50AX/AZ (49ATVSEAT10SP500TRG)
BODY, PASSENGER SEAT BOTTOM and SEAT BACK - A12DH50AX/AZ (49ATVSEATBOTTOM10SP500TRG)
BODY, REAR CAB and FOOTWELLS - A12DH50AX/AZ (49ATVCABRR09SPTRG500)
BODY, REAR CAB FOIL - A12DH50AX/AZ (49ATVCABFOIL08SPTRG500)
BODY, REAR RACK ASM. - A12DH50AX/AZ (49ATVRACKMTG11SP500TRG)
BODY, STORAGE BOX, REAR - A12DH50AX/AZ (49ATVSTORAGERR10SP500TRG)
BODY, STORAGE, FRONT - A12DH50AX/AZ (49ATVSTORAGE12SP6X6)
BRAKES, BRAKE LINES - A12DH50AX/AZ (49ATVBRAKELINE11SP500TRG)
BRAKES, FRONT BRAKE LEVER and MASTER CYLINDER - A12DH50AX/AZ (4999204069920406B08)
BRAKES, FRONT CALIPER - A12DH50AX/AZ (49ATVBRAKEFRT08SP500)
BRAKES, PEDAL and REAR MASTER CYLINDER - A12DH50AX/AZ (49ATVBRAKERR11SP500TRG)
BRAKES, REAR CALIPER - A12DH50AX/AZ (49ATVCALIPER10SP500TRG)
CHASSIS, FRAME - A12DH50AX/AZ (49ATVFRAME11SPTRG500)
DRIVE TRAIN, FRONT DRIVE SHAFT - A12DH50AX/AZ (49ATVSHAFTDRIVE1332881)
DRIVE TRAIN, FRONT GEARCASE - A12DH50AX/AZ (49RGRTRANSINTL1332956)
DRIVE TRAIN, FRONT GEARCASE MOUNTING - A12DH50AX/AZ (49ATVGEARCASEMTG500EFI)
DRIVE TRAIN, GEAR SELECTOR - A12DH50AX/AZ (49ATVGEARSELECT09SPTRG500)
DRIVE TRAIN, MAIN GEARCASE - A12DH50AX/AZ (49ATVGEARCASE11SP500TRG)
DRIVE TRAIN, MAIN GEARCASE INTERNAL - A12DH50AX/AZ (49ATVTRANSINTL1332579)
DRIVE TRAIN, MAIN GEARCASE MOUNTING - A12DH50AX/AZ (49ATVGEARCASEMTG08SPTRG500)
DRIVE TRAIN, MAIN GEARCASE OUTPUT SHAFT - A12DH50AX/AZ (49ATVSHAFTOUTPUT08SPX25)
DRIVE TRAIN, MAIN GEARCASE SHIFT FORKS - A12DH50AX/AZ (4999204069920406D09)
DRIVE TRAIN, PRIMARY CLUTCH - A12DH50AX/AZ (49ATVCLUTCH08SPX25)
DRIVE TRAIN, PROP SHAFT - A12DH50AX/AZ (4999204069920406C02)
DRIVE TRAIN, REAR DRIVE SHAFT - A12DH50AX/AZ (49ATVSHAFTDRIVERR1332936)
DRIVE TRAIN, SECONDARY CLUTCH - A12DH50AX/AZ (49ATVCLUTCHDRIVEN08SPX25)
ELECTRICAL, BATTERY - A12DH50AX/AZ (49ATVBATTERY11SP500TRG)
ELECTRICAL, BULBS - A12DH50AX/AZ (49ATVBULBS11SP500TRG)
ELECTRICAL, GAUGES and INDICATORS - A12DH50AX/AZ (49ATVGAUGES08SP500)
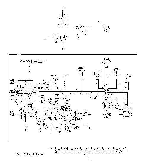
ELECTRICAL, HARNESSES - A12DH50AX/AZ (49ATVHARNESS12SP500TRG)
ELECTRICAL, HEADLIGHTS - A12DH50AX/AZ (49ATVHEADLIGHT11SP500)
ELECTRICAL, IGNITION SYSTEM - A12DH50AX/AZ (49ATVMAGNETO12SP500)
ELECTRICAL, SWITCHES, SENSORS and ECM - A12DH50AX/AZ (49ATVELECT12400)
ELECTRICAL, TAILLIGHTS - A12DH50AX/AZ (49ATVTAILLAMPS09SPTRG800)
ENGINE, AIR INTAKE SYSTEM - A12DH50AX/AZ (49ATVAIRBOX10SP500TRG)
ENGINE, CARBURETOR MOUNTING and FUEL LINES - A12DH50AX/AZ (49ATVCARBBRKT11SP500I)
ENGINE, CARBURETOR, LOWER - A12DH50AX/AZ (4999200099920009D08)
ENGINE, CARBURETOR, UPPER - A12DH50AX/AZ (49ATVCARBUPPER08SP500)
ENGINE, COOLING SYSTEM - A12DH50AX/AZ (49ATVCOOL12SP500TRG)
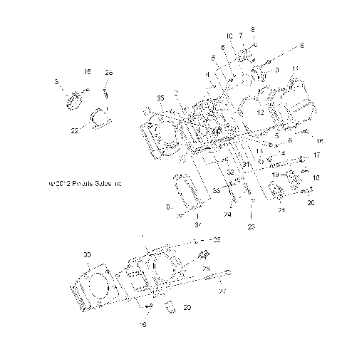
ENGINE, CRANKCASE - A12DH50AX/AZ (49ATVCRANKCASE12SP500)
ENGINE, CRANKSHAFT and PISTON - A12DH50AX/AZ (49ATVCRANKSHAFT08SP500)
ENGINE, CYLINDER and HEAD - A12DH50AX/AZ (49ATVCYLINDER12SP500TRG)
ENGINE, EXHAUST - A12DH50AX/AZ (49ATVEXHAUST12SPTRG500)
ENGINE, FLYWHEEL COVER - A12DH50AX/AZ (49RGRFLYWHEELCVR11500EFI)
ENGINE, FUEL PUMP - A12DH50AX/AZ (49ATVFUELPUMP11SP500)
ENGINE, MOUNTING - A12DH50AX/AZ (49ATVENGINEMTG11SP500TRG)
ENGINE, OIL FILTER - A12DH50AX/AZ (4999200099920009D13)
ENGINE, OIL PUMP - A12DH50AX/AZ (49ATVOILPUMP12SP500)
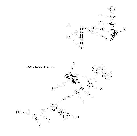
ENGINE, OIL SYSTEM - A12DH50AX/AZ (4999204069920406B07)
ENGINE, SHORT BLOCK - A12DH50AX/AZ (49ATVENGINE08SP500)
ENGINE, STARTING SYSTEM (Built 11/29/11 and Before) - A12DH50AX/AZ (49ATVSTARTER12SP500)
ENGINE, STARTING SYSTEM (Built 11/30/11 and After) - A12DH50AX/AZ (49ATVSTARTER12400)
ENGINE, VALVES and CAMSHAFT - A12DH50AX/AZ (49ATVVALVE08SP500)
ENGINE, WATER PUMP - A12DH50AX/AZ (49ATVWATERPUMP12400)
REFERENCE, OWNERS MANUAL - A12DH50AX/AZ (49ATVOM07OTLW90)
STEERING, CONTROLS and THROTTLE - A12DH50AX/AZ (49ATVCONTROLS10SPTRG500)
STEERING, HANDLEBAR and CONTROLS - A12DH50AX/AZ (49ATVHANDLEBAR09SP500)
STEERING, STEERING POST - A12DH50AX/AZ (49ATVSTEERING11SP500TRG)
SUSPENSION, A-ARM and STRUT MOUNTING - A12DH50AX/AZ (49ATVAARM08SPX25)
SUSPENSION, FRONT STRUT - A12DH50AX/AZ (49ATVSTRUT10SP500I)
SUSPENSION, REAR - A12DH50AX/AZ (49ATVSUSPRR10SPTRG500)
SUSPENSION, TORSION BAR - A12DH50AX/AZ (49ATVTORSION08SPX25)
TOOLS, TOOL KIT - A12DH50AX/AZ (49ATVTOOL08SPX25)
WHEELS, FRONT - A12DH50AX/AZ (49ATVWHEELFRT10SP500TRG)
WHEELS, REAR - A12DH50AX/AZ (49ATVWHEELREAR10SP500TRG)
BODY, CLUTCH COVER - A12DH50AX/AZ (49ATVCLUTCHCVR10SP500TRG)
BODY, DECALS - A12DH50AX/AZ (49ATVDECAL12SP500TRG)
BODY, FRONT BUMPER and MOUNTING - A12DH50AX/AZ (49ATVBUMPER12SP500TRG)
BODY, FRONT CAB and SIDE PANELS - A12DH50AX/AZ (49ATVCAB12SP400)
BODY, FUEL TANK ASM. - A12DH50AX/AZ (49ATVFUEL11SP500TRG)
BODY, HEADLIGHT POD - A12DH50AX/AZ (49ATVHEADLIGHT09SP500)
BODY, OPERATOR SEAT - A12DH50AX/AZ (49ATVSEAT10SP500TRG)
BODY, PASSENGER SEAT BOTTOM and SEAT BACK - A12DH50AX/AZ (49ATVSEATBOTTOM10SP500TRG)
BODY, REAR CAB and FOOTWELLS - A12DH50AX/AZ (49ATVCABRR09SPTRG500)
BODY, REAR CAB FOIL - A12DH50AX/AZ (49ATVCABFOIL08SPTRG500)
BODY, REAR RACK ASM. - A12DH50AX/AZ (49ATVRACKMTG11SP500TRG)
BODY, STORAGE BOX, REAR - A12DH50AX/AZ (49ATVSTORAGERR10SP500TRG)
BODY, STORAGE, FRONT - A12DH50AX/AZ (49ATVSTORAGE12SP6X6)
BRAKES, BRAKE LINES - A12DH50AX/AZ (49ATVBRAKELINE11SP500TRG)
BRAKES, FRONT BRAKE LEVER and MASTER CYLINDER - A12DH50AX/AZ (4999204069920406B08)
BRAKES, FRONT CALIPER - A12DH50AX/AZ (49ATVBRAKEFRT08SP500)
BRAKES, PEDAL and REAR MASTER CYLINDER - A12DH50AX/AZ (49ATVBRAKERR11SP500TRG)
BRAKES, REAR CALIPER - A12DH50AX/AZ (49ATVCALIPER10SP500TRG)
CHASSIS, FRAME - A12DH50AX/AZ (49ATVFRAME11SPTRG500)
DRIVE TRAIN, FRONT DRIVE SHAFT - A12DH50AX/AZ (49ATVSHAFTDRIVE1332881)
DRIVE TRAIN, FRONT GEARCASE - A12DH50AX/AZ (49RGRTRANSINTL1332956)
DRIVE TRAIN, FRONT GEARCASE MOUNTING - A12DH50AX/AZ (49ATVGEARCASEMTG500EFI)
DRIVE TRAIN, GEAR SELECTOR - A12DH50AX/AZ (49ATVGEARSELECT09SPTRG500)
DRIVE TRAIN, MAIN GEARCASE - A12DH50AX/AZ (49ATVGEARCASE11SP500TRG)
DRIVE TRAIN, MAIN GEARCASE INTERNAL - A12DH50AX/AZ (49ATVTRANSINTL1332579)
DRIVE TRAIN, MAIN GEARCASE MOUNTING - A12DH50AX/AZ (49ATVGEARCASEMTG08SPTRG500)
DRIVE TRAIN, MAIN GEARCASE OUTPUT SHAFT - A12DH50AX/AZ (49ATVSHAFTOUTPUT08SPX25)
DRIVE TRAIN, MAIN GEARCASE SHIFT FORKS - A12DH50AX/AZ (4999204069920406D09)
DRIVE TRAIN, PRIMARY CLUTCH - A12DH50AX/AZ (49ATVCLUTCH08SPX25)
DRIVE TRAIN, PROP SHAFT - A12DH50AX/AZ (4999204069920406C02)
DRIVE TRAIN, REAR DRIVE SHAFT - A12DH50AX/AZ (49ATVSHAFTDRIVERR1332936)
DRIVE TRAIN, SECONDARY CLUTCH - A12DH50AX/AZ (49ATVCLUTCHDRIVEN08SPX25)
ELECTRICAL, BATTERY - A12DH50AX/AZ (49ATVBATTERY11SP500TRG)
ELECTRICAL, BULBS - A12DH50AX/AZ (49ATVBULBS11SP500TRG)
ELECTRICAL, GAUGES and INDICATORS - A12DH50AX/AZ (49ATVGAUGES08SP500)
ELECTRICAL, HARNESSES - A12DH50AX/AZ (49ATVHARNESS12SP500TRG)
ELECTRICAL, HEADLIGHTS - A12DH50AX/AZ (49ATVHEADLIGHT11SP500)
ELECTRICAL, IGNITION SYSTEM - A12DH50AX/AZ (49ATVMAGNETO12SP500)
ELECTRICAL, SWITCHES, SENSORS and ECM - A12DH50AX/AZ (49ATVELECT12400)
ELECTRICAL, TAILLIGHTS - A12DH50AX/AZ (49ATVTAILLAMPS09SPTRG800)
ENGINE, AIR INTAKE SYSTEM - A12DH50AX/AZ (49ATVAIRBOX10SP500TRG)
ENGINE, CARBURETOR MOUNTING and FUEL LINES - A12DH50AX/AZ (49ATVCARBBRKT11SP500I)
ENGINE, CARBURETOR, LOWER - A12DH50AX/AZ (4999200099920009D08)
ENGINE, CARBURETOR, UPPER - A12DH50AX/AZ (49ATVCARBUPPER08SP500)
ENGINE, COOLING SYSTEM - A12DH50AX/AZ (49ATVCOOL12SP500TRG)
ENGINE, CRANKCASE - A12DH50AX/AZ (49ATVCRANKCASE12SP500)
ENGINE, CRANKSHAFT and PISTON - A12DH50AX/AZ (49ATVCRANKSHAFT08SP500)
ENGINE, CYLINDER and HEAD - A12DH50AX/AZ (49ATVCYLINDER12SP500TRG)
ENGINE, EXHAUST - A12DH50AX/AZ (49ATVEXHAUST12SPTRG500)
ENGINE, FLYWHEEL COVER - A12DH50AX/AZ (49RGRFLYWHEELCVR11500EFI)
ENGINE, FUEL PUMP - A12DH50AX/AZ (49ATVFUELPUMP11SP500)
ENGINE, MOUNTING - A12DH50AX/AZ (49ATVENGINEMTG11SP500TRG)
ENGINE, OIL FILTER - A12DH50AX/AZ (4999200099920009D13)
ENGINE, OIL PUMP - A12DH50AX/AZ (49ATVOILPUMP12SP500)
ENGINE, OIL SYSTEM - A12DH50AX/AZ (4999204069920406B07)
ENGINE, SHORT BLOCK - A12DH50AX/AZ (49ATVENGINE08SP500)
ENGINE, STARTING SYSTEM (Built 11/29/11 and Before) - A12DH50AX/AZ (49ATVSTARTER12SP500)
ENGINE, STARTING SYSTEM (Built 11/30/11 and After) - A12DH50AX/AZ (49ATVSTARTER12400)
ENGINE, VALVES and CAMSHAFT - A12DH50AX/AZ (49ATVVALVE08SP500)
ENGINE, WATER PUMP - A12DH50AX/AZ (49ATVWATERPUMP12400)
REFERENCE, OWNERS MANUAL - A12DH50AX/AZ (49ATVOM07OTLW90)
STEERING, CONTROLS and THROTTLE - A12DH50AX/AZ (49ATVCONTROLS10SPTRG500)
STEERING, HANDLEBAR and CONTROLS - A12DH50AX/AZ (49ATVHANDLEBAR09SP500)
STEERING, STEERING POST - A12DH50AX/AZ (49ATVSTEERING11SP500TRG)
SUSPENSION, A-ARM and STRUT MOUNTING - A12DH50AX/AZ (49ATVAARM08SPX25)
SUSPENSION, FRONT STRUT - A12DH50AX/AZ (49ATVSTRUT10SP500I)
SUSPENSION, REAR - A12DH50AX/AZ (49ATVSUSPRR10SPTRG500)
SUSPENSION, TORSION BAR - A12DH50AX/AZ (49ATVTORSION08SPX25)
TOOLS, TOOL KIT - A12DH50AX/AZ (49ATVTOOL08SPX25)
WHEELS, FRONT - A12DH50AX/AZ (49ATVWHEELFRT10SP500TRG)
WHEELS, REAR - A12DH50AX/AZ (49ATVWHEELREAR10SP500TRG)
VIEW WISH LIST