Polaris
Browse New Models
Shop In-Stock
Honda
Browse New Models
Shop In-Stock
KTM
Browse New Models
Shop In-Stock
Beta
Browse New Models
Shop In-Stock
Timbersled
Browse New Models
1318 W 2nd St
,
The Dalles, OR
97058
541-298-1161
Search Inventory
Toggle navigation
Home
Brands
Inventory
All Inventory In Stock
New Inventory In Stock
Pre-Owned Inventory
Polaris Off-Road
Polaris Snowmobiles
Timbersled
Manufacturer Models
Value Your Trade-In
Request a Model
Government Purchasing Program
OEM Promotions
Secure Financing
Parts
Parts Department
Parts Finder
Shopping Cart
Service
Service Department
Warranty & Recall Look-Up
Schedule Polaris Service
Financing
About
Our Dealership
Our Team
Reviews
Customer Survey
Employment
Location & Hours
Contact
541-298-1161
The Dalles, OR
Fiche | Parts Diagrams
Home
›
Parts
›
Parts Finder
Search by :
Part / Desc
VIN
Please Select
Honda
KTM
Polaris
*Please enter at least 3 characters
SEARCH
Manufacturer
Polaris
ATVs
2016
ACE 900 EFI EPS (A16DAE87AL)
VIEW WISH LIST
Select a Section
Show/Hide
BODY, BUMPER, FRONT - A16DAE87AL (49ATVBUMPER14325)
BODY, BUMPER, REAR - A16DAE87AL (100300)
BODY, DECALS - A16DAE87AL (100218)
BODY, DOORS (BUILT 10/1/15 AND BEFORE) - A16DAE87AL (100289)
BODY, DOORS (FROM 10/2/15) - A16DAE87AL (100167)
BODY, FLOOR AND ROCKER PANELS - A16DAE87AL (49ATVFLOOR14325)
BODY, FUEL TANK - A16DAE87AL (100213)
BODY, HOOD AND FRONT BODY WORK - A16DAE87AL (49ATVCAB15ACE570)
BODY, REAR RACK AND FENDERS - A16DAE87AL (100211)
BODY, SEAT ASM. - A16DAE87AL (100287)
BODY, SEAT MOUNTING AND BELT - A16DAE87AL (100212)
BODY, SPLASH SHIELDS - A16DAE87AL (49ATVSHIELD15ACE570)
BRAKES, BRAKE LINES AND MASTER CYLINDER - A16DAE87AL (49ATVBRAKELINE15ACE570)
BRAKES, CALIPER MOUNTING - A16DAE87AL (49ATVCALIPERMTG14325)
BRAKES, CALIPER, FRONT - A16DAE87AL (49ATVCALIPER14SP325)
BRAKES, CALIPER, REAR - A16DAE87AL (49ATVCALIPERRR14SP325)
BRAKES, PEDAL AND MASTER CYLINDER MOUNTING - A16DAE87AL (49ATVBRAKEFOOT14SP325)
CHASSIS, CAB FRAME AND SIDE BARS - A16DAE87AL (100217)
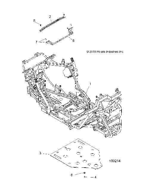
CHASSIS, MAIN FRAME AND SKID PLATE - A16DAE87AL (100214)
DRIVE TRAIN, CLUTCH COVER AND DUCTING - A16DAE87AL (100205)
DRIVE TRAIN, CLUTCH, PRIMARY - A16DAE87AL (100296)
DRIVE TRAIN, CLUTCH, SECONDARY - A16DAE87AL (49RGRCLUTCHDVN14900XP)
DRIVE TRAIN, FRONT GEARCASE - A16DAE87AL (49ATVGEARCASEMTG14325)
DRIVE TRAIN, FRONT GEARCASE INTERNALS (FROM 7/1/16) - A17DAE87AL (100834)
DRIVE TRAIN, FRONT GEARCASE INTERNALS (TO 7/1/16) - A16DAE87AL (100202)
DRIVE TRAIN, FRONT HALF SHAFT - A16DAE87AL (100044)
DRIVE TRAIN, FRONT PROP SHAFT - A16DAE87AL (49ATVSHAFTPROP14SP325)
DRIVE TRAIN, GEAR SELECTOR - A16DAE87AL (100219)
DRIVE TRAIN, MAIN GEARCASE - A16DAE87AL (100203)
DRIVE TRAIN, REAR HALF SHAFT (FROM 4/26/16) - A16DAE87AL (100511)
DRIVE TRAIN, REAR HALF SHAFT (TO 4/25/16) - A16DAE87AL (49RGRSHAFTDRIVERR12RZR570)
ELECTRICAL, BATTERY - A16DAE87AL (100216)
ELECTRICAL, DASH INSTRUMENTS AND SWITCHES - A16DAE87AL (49ATVDASH14SP325)
ELECTRICAL, HEADLIGHTS, TAILLIGHTS and BULBS - A16DAE87AL (49RGRTAILLAMPS12RZR570)
ELECTRICAL, IGNITION - A16DAE87AL (700253)
ELECTRICAL, SENSORS, ECU and CONTROL MODULES - A16DAE87AL (100220)
ELECTRICAL, WIRE HARNESS - A16DAE87AL (100215)
ENGINE, AIR INTAKE SYSTEM - A16DAE87AL (100209)
ENGINE, BALANCER - A16DAE87AL (49RGRBALANCER13900XP)
ENGINE, BREATHER - A16DAE87AL (49RGRBREATHER13900XP)
ENGINE, COOLING SYSTEM - A16DAE87AL (100210)
ENGINE, COOLING, THERMOSTAT and BYPASS - A16DAE87AL (49RGRTHERMO15RZR900)
ENGINE, COOLING, WATERPUMP - A16DAE87AL (49RGRWATERPUMP13900XP)
ENGINE, CRANKCASE - A16DAE87AL (49RGRCRANKCASE13900XP)
ENGINE, CRANKSHAFT and PISTON - A16DAE87AL (49RGRPISTON11RZR875)
ENGINE, CYLINDER and HEAD - A16DAE87AL (100207)
ENGINE, EXHAUST SYSTEM - A16DAE87AL (100208)
ENGINE, INTAKE and THROTTLE BODY - A16DAE87AL (49RGRTHROTTLEBODY14900XP)
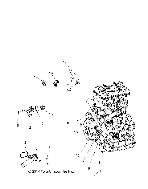
ENGINE, MOUNTING - A16DAE87AL (100634)
ENGINE, OIL DIPSTICK - A16DAE87AL (49RGRDIPSTICK15RZR900)
ENGINE, OIL PUMP and OIL COOLER - A16DAE87AL (49RGROILPUMP13900XP)
ENGINE, STARTER and DRIVE - A16DAE87AL (49RGRSTARTINGMTR13900XP)
ENGINE, STATOR and COVER - A16DAE87AL (49RGRMAGNETOCVR13900XP)
ENGINE, THROTTLE PEDAL - A16DAE87AL (100299)
ENGINE, VALVE COVER - A16DAE87AL (49RGRVALVE13900XP)
ENGINE, VALVES and CAMSHAFTS - A16DAE87AL (49RGRCAM14900XP)
REFERENCES, TOOL KIT and OWNERS MANUAL - A16DAE87AL (100163)
STEERING, STEERING ASM. - A16DAE87AL (100165)
SUSPENSION, A-ARM and STRUT MOUNTING - A16DAE87AL (100297)
SUSPENSION, FRONT STRUT - A16DAE87AL (49ATVSTRUT14SP325)
SUSPENSION, REAR CONTROL ARMS - A16DAE87AL (100206)
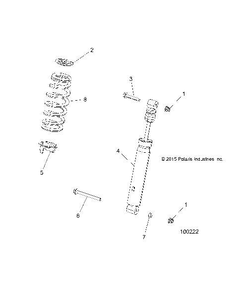
SUSPENSION, REAR SHOCK MOUNTING - A16DAE87AL (100222)
SUSPENSION, STABILIZER BAR, FRONT - A16DAE87AL (100298)
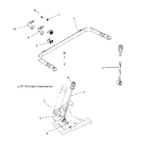
SUSPENSION, STABILIZER BAR, REAR - A16DAE87AL (100223)
WHEELS, FRONT TIRE and BRAKE DISC - A16DAE87AL (100166)
WHEELS, REAR - A16DAE87AL (100164)
BODY, BUMPER, FRONT - A16DAE87AL (49ATVBUMPER14325)
BODY, BUMPER, REAR - A16DAE87AL (100300)
BODY, DECALS - A16DAE87AL (100218)
BODY, DOORS (BUILT 10/1/15 AND BEFORE) - A16DAE87AL (100289)
BODY, DOORS (FROM 10/2/15) - A16DAE87AL (100167)
BODY, FLOOR AND ROCKER PANELS - A16DAE87AL (49ATVFLOOR14325)
BODY, FUEL TANK - A16DAE87AL (100213)
BODY, HOOD AND FRONT BODY WORK - A16DAE87AL (49ATVCAB15ACE570)
BODY, REAR RACK AND FENDERS - A16DAE87AL (100211)
BODY, SEAT ASM. - A16DAE87AL (100287)
BODY, SEAT MOUNTING AND BELT - A16DAE87AL (100212)
BODY, SPLASH SHIELDS - A16DAE87AL (49ATVSHIELD15ACE570)
BRAKES, BRAKE LINES AND MASTER CYLINDER - A16DAE87AL (49ATVBRAKELINE15ACE570)
BRAKES, CALIPER MOUNTING - A16DAE87AL (49ATVCALIPERMTG14325)
BRAKES, CALIPER, FRONT - A16DAE87AL (49ATVCALIPER14SP325)
BRAKES, CALIPER, REAR - A16DAE87AL (49ATVCALIPERRR14SP325)
BRAKES, PEDAL AND MASTER CYLINDER MOUNTING - A16DAE87AL (49ATVBRAKEFOOT14SP325)
CHASSIS, CAB FRAME AND SIDE BARS - A16DAE87AL (100217)
CHASSIS, MAIN FRAME AND SKID PLATE - A16DAE87AL (100214)
DRIVE TRAIN, CLUTCH COVER AND DUCTING - A16DAE87AL (100205)
DRIVE TRAIN, CLUTCH, PRIMARY - A16DAE87AL (100296)
DRIVE TRAIN, CLUTCH, SECONDARY - A16DAE87AL (49RGRCLUTCHDVN14900XP)
DRIVE TRAIN, FRONT GEARCASE - A16DAE87AL (49ATVGEARCASEMTG14325)
DRIVE TRAIN, FRONT GEARCASE INTERNALS (FROM 7/1/16) - A17DAE87AL (100834)
DRIVE TRAIN, FRONT GEARCASE INTERNALS (TO 7/1/16) - A16DAE87AL (100202)
DRIVE TRAIN, FRONT HALF SHAFT - A16DAE87AL (100044)
DRIVE TRAIN, FRONT PROP SHAFT - A16DAE87AL (49ATVSHAFTPROP14SP325)
DRIVE TRAIN, GEAR SELECTOR - A16DAE87AL (100219)
DRIVE TRAIN, MAIN GEARCASE - A16DAE87AL (100203)
DRIVE TRAIN, REAR HALF SHAFT (FROM 4/26/16) - A16DAE87AL (100511)
DRIVE TRAIN, REAR HALF SHAFT (TO 4/25/16) - A16DAE87AL (49RGRSHAFTDRIVERR12RZR570)
ELECTRICAL, BATTERY - A16DAE87AL (100216)
ELECTRICAL, DASH INSTRUMENTS AND SWITCHES - A16DAE87AL (49ATVDASH14SP325)
ELECTRICAL, HEADLIGHTS, TAILLIGHTS and BULBS - A16DAE87AL (49RGRTAILLAMPS12RZR570)
ELECTRICAL, IGNITION - A16DAE87AL (700253)
ELECTRICAL, SENSORS, ECU and CONTROL MODULES - A16DAE87AL (100220)
ELECTRICAL, WIRE HARNESS - A16DAE87AL (100215)
ENGINE, AIR INTAKE SYSTEM - A16DAE87AL (100209)
ENGINE, BALANCER - A16DAE87AL (49RGRBALANCER13900XP)
ENGINE, BREATHER - A16DAE87AL (49RGRBREATHER13900XP)
ENGINE, COOLING SYSTEM - A16DAE87AL (100210)
ENGINE, COOLING, THERMOSTAT and BYPASS - A16DAE87AL (49RGRTHERMO15RZR900)
ENGINE, COOLING, WATERPUMP - A16DAE87AL (49RGRWATERPUMP13900XP)
ENGINE, CRANKCASE - A16DAE87AL (49RGRCRANKCASE13900XP)
ENGINE, CRANKSHAFT and PISTON - A16DAE87AL (49RGRPISTON11RZR875)
ENGINE, CYLINDER and HEAD - A16DAE87AL (100207)
ENGINE, EXHAUST SYSTEM - A16DAE87AL (100208)
ENGINE, INTAKE and THROTTLE BODY - A16DAE87AL (49RGRTHROTTLEBODY14900XP)
ENGINE, MOUNTING - A16DAE87AL (100634)
ENGINE, OIL DIPSTICK - A16DAE87AL (49RGRDIPSTICK15RZR900)
ENGINE, OIL PUMP and OIL COOLER - A16DAE87AL (49RGROILPUMP13900XP)
ENGINE, STARTER and DRIVE - A16DAE87AL (49RGRSTARTINGMTR13900XP)
ENGINE, STATOR and COVER - A16DAE87AL (49RGRMAGNETOCVR13900XP)
ENGINE, THROTTLE PEDAL - A16DAE87AL (100299)
ENGINE, VALVE COVER - A16DAE87AL (49RGRVALVE13900XP)
ENGINE, VALVES and CAMSHAFTS - A16DAE87AL (49RGRCAM14900XP)
REFERENCES, TOOL KIT and OWNERS MANUAL - A16DAE87AL (100163)
STEERING, STEERING ASM. - A16DAE87AL (100165)
SUSPENSION, A-ARM and STRUT MOUNTING - A16DAE87AL (100297)
SUSPENSION, FRONT STRUT - A16DAE87AL (49ATVSTRUT14SP325)
SUSPENSION, REAR CONTROL ARMS - A16DAE87AL (100206)
SUSPENSION, REAR SHOCK MOUNTING - A16DAE87AL (100222)
SUSPENSION, STABILIZER BAR, FRONT - A16DAE87AL (100298)
SUSPENSION, STABILIZER BAR, REAR - A16DAE87AL (100223)
WHEELS, FRONT TIRE and BRAKE DISC - A16DAE87AL (100166)
WHEELS, REAR - A16DAE87AL (100164)
VIEW WISH LIST