Polaris
Browse New Models
Shop In-Stock
Honda
Browse New Models
Shop In-Stock
KTM
Browse New Models
Shop In-Stock
Beta
Browse New Models
Shop In-Stock
Timbersled
Browse New Models
1318 W 2nd St
,
The Dalles, OR
97058
541-298-1161
Search Inventory
Toggle navigation
Home
Brands
Inventory
All Inventory In Stock
New Inventory In Stock
Pre-Owned Inventory
Polaris Off-Road
Polaris Snowmobiles
Timbersled
Manufacturer Models
Value Your Trade-In
Request a Model
Government Purchasing Program
OEM Promotions
Secure Financing
Parts
Parts Department
Parts Finder
Shopping Cart
Service
Service Department
Warranty & Recall Look-Up
Schedule Polaris Service
Financing
About
Our Dealership
Our Team
Reviews
Customer Survey
Employment
Location & Hours
Contact
541-298-1161
The Dalles, OR
Fiche | Parts Diagrams
Home
›
Parts
›
Parts Finder
Search by :
Part / Desc
VIN
Please Select
Honda
KTM
Polaris
*Please enter at least 3 characters
SEARCH
Manufacturer
Polaris
ATVs
2016
INTL SPORTSMAN 570/450 EFI MD (A16SEA57N1/N7/E57N1/E57N2/BA57N1)
VIEW WISH LIST
Select a Section
Show/Hide
BODY, CLUTCH COVER - A16SEA57N1/N7/E57N1/E57N2/BA57N1 [49ATVCLUTCHCVR15570AA]
BODY, DECALS - A16SEA57N1/N7/E57N1/E57N2/BA57N1 [100239]
BODY, FRONT BUMPER and MOUNTING - A16SEA57N1/N7/E57N1/E57N2/BA57N1 [100098]
BODY, FRONT CAB and SIDE PANELS - A16SEA57N1/N7/E57N1/E57N2/BA57N1 [100100]
BODY, FUEL TANK ASM. - A16SEA57N1/N7/E57N1/E57N2/BA57N1 [100097]
BODY, HEADLIGHT POD - A16SEA57N1/N7/E57N1/E57N2/BA57N1 [49ATVHEADLIGHT11SP800]
BODY, HEADLIGHT POD COVER BRACKET - A16SBA57N1 [100272]
BODY, REAR CAB, SEAT and FOOTWELLS - A16SEA57N1/N7/E57N1/E57N2/BA57N1 [100240]
BODY, REAR RACK - A16SEA57N1/N7/E57N1/E57N2/BA57N1 [49ATVRACKMTGRR14570]
BODY, RIGHT HAND SIDE PANEL HEAT SHIELD AND HARDWARE 1 UP - A16SEA57N1/N7/E57N1/E57N2/BA57N1 (101067)
BODY, STORAGE BOX, REAR - A16SEA57N1/N7/E57N1/E57N2/BA57N1 [49ATVSTORAGERR14SP570]
BODY, STORAGE, FRONT - A16SEA57N1/N7/E57N1/E57N2/BA57N1 [49ATVSTORAGE15570AA]
BRAKES, BRAKE LINES - A16SEA57N1/N7/E57N1/E57N2/BA57N1 [49ATVBRAKELINE14SP570]
BRAKES, BRAKE PEDAL and MASTER CYLINDER - A16SEA57N1/N7/E57N1/E57N2/BA57N1 [49ATVBRAKEFOOT11SP500]
BRAKES, FRONT BRAKE LEVER and MASTER CYLINDER - A16SEA57N1/N7/E57N1/E57N2/BA57N1 [4999204069920406B08]
BRAKES, FRONT CALIPER - A16SEA57N1/N7/E57N1/E57N2/BA57N1 [49ATVBRAKEFRT08SP500]
BRAKES, REAR CALIPER - A16SEA57N1/N7/E57N1/E57N2/BA57N1 [49ATVBRAKERR09SP500]
CHASSIS, FRAME - A16SEA57N1/N7/E57N1/E57N2/BA57N1 [49ATVFRAME15570AA]
CONTROLS, THROTTLE ASM. - A16SEA57N1/N7/E57N1/E57N2/BA57N1 [100237]
DRIVE TRAIN, FRONT DRIVE SHAFT - A16SEA57N1/N7/E57N1/E57N2/BA57N1 [100194]
DRIVE TRAIN, FRONT GEARCASE - A16SEA57N1/N7/E57N1/E57N2/BA57N1 [49ATVTRANSINTL1333393]
DRIVE TRAIN, FRONT GEARCASE MOUNTING - A16SEA57N1/N7/E57N1/E57N2/BA57N1 [49ATVGEARCASEMTG13SP500F]
DRIVE TRAIN, FRONT PROP SHAFT - A16SEA57N1/N7/E57N1/E57N2/BA57N1 [49ATVSHAFTPROP08SP500A]
DRIVE TRAIN, GEAR SELECTOR - A16SEA57N1/N7/E57N1/E57N2/BA57N1 [100274]
DRIVE TRAIN, MAIN GEARCASE - A16SEA57N1/N7/E57N1/E57N2/BA57N1 [49ATVGEARCASE1333302]
DRIVE TRAIN, MAIN GEARCASE MOUNTING - A16SEA57N1/N7/E57N1/E57N2/BA57N1 [49ATVGEARCASEMTGN14SP500]
DRIVE TRAIN, PRIMARY CLUTCH - A16SEA57N1/N7/E57N1/E57N2/BA57N1 [49ATVCLUTCH14SP570]
DRIVE TRAIN, REAR DRIVE SHAFT - A16SEA57N1/N7/E57N1/E57N2/BA57N1 [100191]
DRIVE TRAIN, SECONDARY CLUTCH - A16SEA57N1/N7/E57N1/E57N2/BA57N1 [49ATVCLUTCHDRIVEN11SP500]
ELECTRICAL, BATTERY - A16SEA57N1/N7/E57N1/E57N2/BA57N1 [49ATVBATTERY15570A]
ELECTRICAL, BULBS - A16SEA57N1/N7/E57N1/E57N2/BA57N1 [49ATVBULBS08SP500]
ELECTRICAL, GAUGES and INDICATORS - A16SEA57N1/N7/E57N1/E57N2/BA57N1 [49ATVGAUGES08SP500]
ELECTRICAL, HEADLIGHTS - A16SEA57N1/N7/E57N1/E57N2/BA57N1 [49ATVHEADLIGHT11SP500]
ELECTRICAL, IGNITION COIL, WIRE AND SPARK PLUG - A16SEA57N1/N7/E57N1/E57N2/BA57N1 [49ATVIGNITION14SP570]
ELECTRICAL, MAIN WIRE HARNESS - A16SEA57N1/N7/E57N1/E57N2/BA57N1 [100241]
ELECTRICAL, SWITCHES, SENSORS and ECM - A16SEA57N1/N7/E57N1/E57N2/BA57N1 [49ATVELECT14SP570]
ELECTRICAL, TAILLAMPS - A16SEA57N1/N7/E57N1/E57N2/BA57N1 [49ATVTAILLAMPS08SP500]
ENGINE, AIR INTAKE SYSTEM - A16SEA57N1/N7/E57N1/E57N2/BA57N1 [100105]
ENGINE, CAM CHAIN and SPROCKET - A16SEA57N1/N7/E57N1/E57N2/BA57N1 [49RGRCAM12RZR570]
ENGINE, COOLING SYSTEM - A16SEA57N1/N7/E57N1/E57N2/BA57N1 [49ATVCOOL14SP570HD]
ENGINE, CRANKCASE - A16SEA57N1/N7/E57N1/E57N2/BA57N1 [100043]
ENGINE, CRANKSHAFT, PISTON and BALANCE SHAFT - A16SEA57N1/N7/E57N1/E57N2/BA57N1 [49RGRPISTON12RZR570]
ENGINE, CYLINDER - A16SEA57N1/N7/E57N1/E57N2/BA57N1 [49RGRCYLINDER12RZR570]
ENGINE, CYLINDER HEAD, CAMS and VALVES - A16SEA57N1/N7/E57N1/E57N2/BA57N1 [100092]
ENGINE, EXHAUST - A16SEA57N1/N7/E57N1/E57N2/BA57N1 [100181]
ENGINE, FUEL INJECTOR 2521068 O-RINGS - A16SEA57N1/N7/E57N1/E57N2/BA57N1 (101239)
ENGINE, MOUNTING & LONG BLOCK - A16SEA57N1/N7/E57N1/E57N2/BA57N1 [49ATVENGINEMTG15TRCTR]
ENGINE, OIL FILTER and DIPSTICK - A16SEA57N1/N7/E57N1/E57N2/BA57N1 [49ATVOILFILTER14SP570]
ENGINE, OIL PUMP - A16SEA57N1/N7/E57N1/E57N2/BA57N1 [49ATVOILPUMP15570AA]
ENGINE, STARTER DRIVE - A16SEA57N1/N7/E57N1/E57N2/BA57N1 [49ATVSTARTER15570AA]
ENGINE, STATOR COVER and FLYWHEEL - A16SEA57N1/N7/E57N1/E57N2/BA57N1 [100093]
ENGINE, THERMOSTAT and COVER - A16SEA57N1/N7/E57N1/E57N2/BA57N1 [49RGRTHERMO12RZR570]
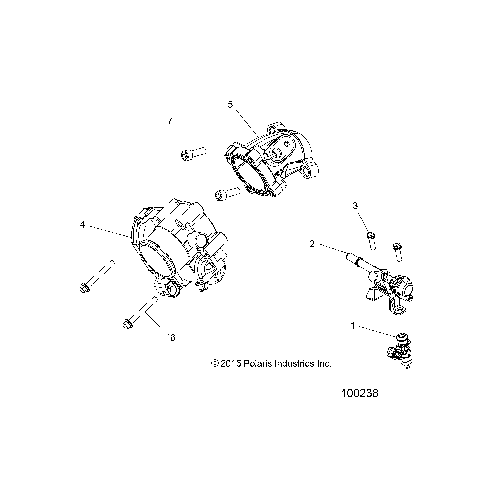
ENGINE, THROTTLE BODY and FUEL RAIL - A16SEA57N1/N7/E57N1/E57N2/BA57N1 [100238]
ENGINE, VALVE COVER - A16SEA57N1/N7/E57N1/E57N2/BA57N1 [49RGRVALVE12RZR570]
ENGINE, WATERPUMP IMPELLER and COVER - A16SEA57N1/N7/E57N1/E57N2/BA57N1 [49ATVWATERPUMP14SP570]
REFERENCE, OWNERS MANUAL - A16SEA57N1/N7/E57N1/E57N2/BA57N1 [49ATVOM07OTLW90]
STEERING, EPS - A16SEE57N1/N2 [49ATVSTEERING14SP570]
STEERING, HANDLEBAR and CONTROLS - A16SEA57N1/N7/E57N1/E57N2/BA57N1 [100059]
STEERING, STEERING POST - A16SEA57N1/N2 [49ATVSTEERING11SP500]
SUSPENSION, A-ARM and STRUT MOUNTING - A16SEA57N1/N7/E57N1/E57N2/BA57N1 [100193]
SUSPENSION, FRONT STRUT - A16SEA57N1/N7/E57N1/E57N2/BA57N1 [100236]
SUSPENSION, REAR - A16SEA57N1/N7/E57N1/E57N2/BA57N1 [100192]
SUSPENSION, TORSION BAR - A16SEA57N1/N7/E57N1/E57N2/BA57N1 [49ATVTORSION14SP570]
TOOLS, TOOL KIT - A16SEA57N1/N7/E57N1/E57N2/BA57N1 [100035]
WHEELS, FRONT TIRE and BRAKE DISC - A16SEA57N1/N7/E57N1/E57N2/BA57N1 [4999200059920005B12]
WHEELS, REAR TIRE and BRAKE DISC - A16SEA57N1/N7/E57N1/E57N2/BA57N1 [49ATVWHEELREAR11SP500]
BODY, CLUTCH COVER - A16SEA57N1/N7/E57N1/E57N2/BA57N1 [49ATVCLUTCHCVR15570AA]
BODY, DECALS - A16SEA57N1/N7/E57N1/E57N2/BA57N1 [100239]
BODY, FRONT BUMPER and MOUNTING - A16SEA57N1/N7/E57N1/E57N2/BA57N1 [100098]
BODY, FRONT CAB and SIDE PANELS - A16SEA57N1/N7/E57N1/E57N2/BA57N1 [100100]
BODY, FUEL TANK ASM. - A16SEA57N1/N7/E57N1/E57N2/BA57N1 [100097]
BODY, HEADLIGHT POD - A16SEA57N1/N7/E57N1/E57N2/BA57N1 [49ATVHEADLIGHT11SP800]
BODY, HEADLIGHT POD COVER BRACKET - A16SBA57N1 [100272]
BODY, REAR CAB, SEAT and FOOTWELLS - A16SEA57N1/N7/E57N1/E57N2/BA57N1 [100240]
BODY, REAR RACK - A16SEA57N1/N7/E57N1/E57N2/BA57N1 [49ATVRACKMTGRR14570]
BODY, RIGHT HAND SIDE PANEL HEAT SHIELD AND HARDWARE 1 UP - A16SEA57N1/N7/E57N1/E57N2/BA57N1 (101067)
BODY, STORAGE BOX, REAR - A16SEA57N1/N7/E57N1/E57N2/BA57N1 [49ATVSTORAGERR14SP570]
BODY, STORAGE, FRONT - A16SEA57N1/N7/E57N1/E57N2/BA57N1 [49ATVSTORAGE15570AA]
BRAKES, BRAKE LINES - A16SEA57N1/N7/E57N1/E57N2/BA57N1 [49ATVBRAKELINE14SP570]
BRAKES, BRAKE PEDAL and MASTER CYLINDER - A16SEA57N1/N7/E57N1/E57N2/BA57N1 [49ATVBRAKEFOOT11SP500]
BRAKES, FRONT BRAKE LEVER and MASTER CYLINDER - A16SEA57N1/N7/E57N1/E57N2/BA57N1 [4999204069920406B08]
BRAKES, FRONT CALIPER - A16SEA57N1/N7/E57N1/E57N2/BA57N1 [49ATVBRAKEFRT08SP500]
BRAKES, REAR CALIPER - A16SEA57N1/N7/E57N1/E57N2/BA57N1 [49ATVBRAKERR09SP500]
CHASSIS, FRAME - A16SEA57N1/N7/E57N1/E57N2/BA57N1 [49ATVFRAME15570AA]
CONTROLS, THROTTLE ASM. - A16SEA57N1/N7/E57N1/E57N2/BA57N1 [100237]
DRIVE TRAIN, FRONT DRIVE SHAFT - A16SEA57N1/N7/E57N1/E57N2/BA57N1 [100194]
DRIVE TRAIN, FRONT GEARCASE - A16SEA57N1/N7/E57N1/E57N2/BA57N1 [49ATVTRANSINTL1333393]
DRIVE TRAIN, FRONT GEARCASE MOUNTING - A16SEA57N1/N7/E57N1/E57N2/BA57N1 [49ATVGEARCASEMTG13SP500F]
DRIVE TRAIN, FRONT PROP SHAFT - A16SEA57N1/N7/E57N1/E57N2/BA57N1 [49ATVSHAFTPROP08SP500A]
DRIVE TRAIN, GEAR SELECTOR - A16SEA57N1/N7/E57N1/E57N2/BA57N1 [100274]
DRIVE TRAIN, MAIN GEARCASE - A16SEA57N1/N7/E57N1/E57N2/BA57N1 [49ATVGEARCASE1333302]
DRIVE TRAIN, MAIN GEARCASE MOUNTING - A16SEA57N1/N7/E57N1/E57N2/BA57N1 [49ATVGEARCASEMTGN14SP500]
DRIVE TRAIN, PRIMARY CLUTCH - A16SEA57N1/N7/E57N1/E57N2/BA57N1 [49ATVCLUTCH14SP570]
DRIVE TRAIN, REAR DRIVE SHAFT - A16SEA57N1/N7/E57N1/E57N2/BA57N1 [100191]
DRIVE TRAIN, SECONDARY CLUTCH - A16SEA57N1/N7/E57N1/E57N2/BA57N1 [49ATVCLUTCHDRIVEN11SP500]
ELECTRICAL, BATTERY - A16SEA57N1/N7/E57N1/E57N2/BA57N1 [49ATVBATTERY15570A]
ELECTRICAL, BULBS - A16SEA57N1/N7/E57N1/E57N2/BA57N1 [49ATVBULBS08SP500]
ELECTRICAL, GAUGES and INDICATORS - A16SEA57N1/N7/E57N1/E57N2/BA57N1 [49ATVGAUGES08SP500]
ELECTRICAL, HEADLIGHTS - A16SEA57N1/N7/E57N1/E57N2/BA57N1 [49ATVHEADLIGHT11SP500]
ELECTRICAL, IGNITION COIL, WIRE AND SPARK PLUG - A16SEA57N1/N7/E57N1/E57N2/BA57N1 [49ATVIGNITION14SP570]
ELECTRICAL, MAIN WIRE HARNESS - A16SEA57N1/N7/E57N1/E57N2/BA57N1 [100241]
ELECTRICAL, SWITCHES, SENSORS and ECM - A16SEA57N1/N7/E57N1/E57N2/BA57N1 [49ATVELECT14SP570]
ELECTRICAL, TAILLAMPS - A16SEA57N1/N7/E57N1/E57N2/BA57N1 [49ATVTAILLAMPS08SP500]
ENGINE, AIR INTAKE SYSTEM - A16SEA57N1/N7/E57N1/E57N2/BA57N1 [100105]
ENGINE, CAM CHAIN and SPROCKET - A16SEA57N1/N7/E57N1/E57N2/BA57N1 [49RGRCAM12RZR570]
ENGINE, COOLING SYSTEM - A16SEA57N1/N7/E57N1/E57N2/BA57N1 [49ATVCOOL14SP570HD]
ENGINE, CRANKCASE - A16SEA57N1/N7/E57N1/E57N2/BA57N1 [100043]
ENGINE, CRANKSHAFT, PISTON and BALANCE SHAFT - A16SEA57N1/N7/E57N1/E57N2/BA57N1 [49RGRPISTON12RZR570]
ENGINE, CYLINDER - A16SEA57N1/N7/E57N1/E57N2/BA57N1 [49RGRCYLINDER12RZR570]
ENGINE, CYLINDER HEAD, CAMS and VALVES - A16SEA57N1/N7/E57N1/E57N2/BA57N1 [100092]
ENGINE, EXHAUST - A16SEA57N1/N7/E57N1/E57N2/BA57N1 [100181]
ENGINE, FUEL INJECTOR 2521068 O-RINGS - A16SEA57N1/N7/E57N1/E57N2/BA57N1 (101239)
ENGINE, MOUNTING & LONG BLOCK - A16SEA57N1/N7/E57N1/E57N2/BA57N1 [49ATVENGINEMTG15TRCTR]
ENGINE, OIL FILTER and DIPSTICK - A16SEA57N1/N7/E57N1/E57N2/BA57N1 [49ATVOILFILTER14SP570]
ENGINE, OIL PUMP - A16SEA57N1/N7/E57N1/E57N2/BA57N1 [49ATVOILPUMP15570AA]
ENGINE, STARTER DRIVE - A16SEA57N1/N7/E57N1/E57N2/BA57N1 [49ATVSTARTER15570AA]
ENGINE, STATOR COVER and FLYWHEEL - A16SEA57N1/N7/E57N1/E57N2/BA57N1 [100093]
ENGINE, THERMOSTAT and COVER - A16SEA57N1/N7/E57N1/E57N2/BA57N1 [49RGRTHERMO12RZR570]
ENGINE, THROTTLE BODY and FUEL RAIL - A16SEA57N1/N7/E57N1/E57N2/BA57N1 [100238]
ENGINE, VALVE COVER - A16SEA57N1/N7/E57N1/E57N2/BA57N1 [49RGRVALVE12RZR570]
ENGINE, WATERPUMP IMPELLER and COVER - A16SEA57N1/N7/E57N1/E57N2/BA57N1 [49ATVWATERPUMP14SP570]
REFERENCE, OWNERS MANUAL - A16SEA57N1/N7/E57N1/E57N2/BA57N1 [49ATVOM07OTLW90]
STEERING, EPS - A16SEE57N1/N2 [49ATVSTEERING14SP570]
STEERING, HANDLEBAR and CONTROLS - A16SEA57N1/N7/E57N1/E57N2/BA57N1 [100059]
STEERING, STEERING POST - A16SEA57N1/N2 [49ATVSTEERING11SP500]
SUSPENSION, A-ARM and STRUT MOUNTING - A16SEA57N1/N7/E57N1/E57N2/BA57N1 [100193]
SUSPENSION, FRONT STRUT - A16SEA57N1/N7/E57N1/E57N2/BA57N1 [100236]
SUSPENSION, REAR - A16SEA57N1/N7/E57N1/E57N2/BA57N1 [100192]
SUSPENSION, TORSION BAR - A16SEA57N1/N7/E57N1/E57N2/BA57N1 [49ATVTORSION14SP570]
TOOLS, TOOL KIT - A16SEA57N1/N7/E57N1/E57N2/BA57N1 [100035]
WHEELS, FRONT TIRE and BRAKE DISC - A16SEA57N1/N7/E57N1/E57N2/BA57N1 [4999200059920005B12]
WHEELS, REAR TIRE and BRAKE DISC - A16SEA57N1/N7/E57N1/E57N2/BA57N1 [49ATVWHEELREAR11SP500]
VIEW WISH LIST