Polaris
Browse New Models
Shop In-Stock
Honda
Browse New Models
Shop In-Stock
KTM
Browse New Models
Shop In-Stock
Beta
Browse New Models
Shop In-Stock
Timbersled
Browse New Models
1318 W 2nd St
,
The Dalles, OR
97058
541-298-1161
Search Inventory
Toggle navigation
Home
Brands
Inventory
All Inventory In Stock
New Inventory In Stock
Pre-Owned Inventory
Polaris Off-Road
Polaris Snowmobiles
Timbersled
Manufacturer Models
Value Your Trade-In
Request a Model
Government Purchasing Program
OEM Promotions
Secure Financing
Parts
Parts Department
Parts Finder
Shopping Cart
Service
Service Department
Warranty & Recall Look-Up
Schedule Polaris Service
Financing
About
Our Dealership
Our Team
Reviews
Customer Survey
Employment
Location & Hours
Contact
541-298-1161
The Dalles, OR
Fiche | Parts Diagrams
Home
›
Parts
›
Parts Finder
Search by :
Part / Desc
VIN
Please Select
Honda
KTM
Polaris
*Please enter at least 3 characters
SEARCH
Manufacturer
Polaris
ATVs
2016
INTL SPORTSMAN TOURING QUAD 570 EPS (A16SDC57C2)
VIEW WISH LIST
Select a Section
Show/Hide
BODY, CLUTCH COVER - A16SDC57C2 (49ATVCLUTCHCVR1570TRG)
BODY, DECALS - A16SDC57C2 (100335)
BODY, FRONT BUMPER and MOUNTING - A16SDC57C2 (49ATVBUMPER15570SP)
BODY, FRONT CAB and SIDE PANELS - A16SDC57C2 (100100)
BODY, FUEL TANK ASM. - A16SDC57C2 (100178)
BODY, HEADLIGHT POD - A16SDC57C2 (49ATVHEADLIGHT11SP800)
BODY, MIRRORS - A16SDC57C2 (49ATVMIRRORS14SP850F)
BODY, REAR CAB and FOOTWELLS - A16SDC57C2 (49ATVCABRR14SP570TRG)
BODY, REAR RACK and HAND GRIPS - A16SDC57C2 (49ATVRACKMTGRR14SP570TRG)
BODY, RIGHT HAND SIDE PANEL HEAT SHIELD AND HARDWARE 2 UP - A16SDC57C2 (101068)
BODY, SEAT - A16SDC57C2 (49ATVSEAT14SP570TRG)
BODY, STORAGE BOX, REAR - A16SDC57C2 (49ATVSTORAGERR14SP570)
BODY, STORAGE, FRONT - A16SDC57C2 (49ATVSTORAGE15570AA)
BRAKES, BRAKE CALIPER, FRONT - A16SDC57C2 [49ATVCALIPER08X2500QUAD]
BRAKES, BRAKE CALIPER, REAR - A16SDC57C2 [4999200139920013B05]
BRAKES, BRAKE PEDAL and MASTER CYLINDER - A16SDC57C2 [49ATVBRAKEFOOT11SP500F]
BRAKES, FRONT BRAKE LEVER and MASTER CYLINDER - A16SDC57C2 [4999204069920406B08]
BRAKES, FRONT BRAKE LINES - A16SDC57C2 [49ATVBRAKELINE14SP570F]
BRAKES, REAR BRAKE LINES - A16SDC57C2 [49ATVBRAKELINERR15TRGEU]
BRAKES, VALVE SYSTEM - A16SDC57C2 [49ATVBRAKEVALVE14SP570F]
CHASSIS, FRAME - A16SDC57C2 (49ATVFRAME1570TRG)
DRIVE TRAIN, FRONT DRIVE SHAFT - A16SDC57C2 (49ATVSHAFTDRIVE1332931)
DRIVE TRAIN, FRONT GEARCASE - A16SDC57C2 (49ATVGEARCASE1333239)
DRIVE TRAIN, FRONT GEARCASE MOUNTING - A16SDC57C2 (49ATVGEARCASEMTG13SP500F)
DRIVE TRAIN, FRONT PROP SHAFT - A16SDC57C2 (49ATVSHAFTPROP08SP500A)
DRIVE TRAIN, GEAR SELECTOR - A16SDC57C2 (49ATVGEARSELECT14SP570HD)
DRIVE TRAIN, MAIN GEARCASE - A16SDC57C2 [100089]
DRIVE TRAIN, MAIN GEARCASE MOUNTING - A16SDC57C2 (49ATVGEARCASEMTGN14SP500)
DRIVE TRAIN, PRIMARY CLUTCH - A16SDC57C2 [100099]
DRIVE TRAIN, REAR DRIVE SHAFT - A16SDC57C2 (49ATVSHAFTDRIVERR14SP500)
DRIVE TRAIN, SECONDARY CLUTCH - A16SDC57C2 [100242]
ELECTRICAL, BATTERY - A16SDC57C2 (49ATVBATTERY15570A)
ELECTRICAL, BULBS - A16SDC57C2 [49ATVBULBS11SP500TR]
ELECTRICAL, GAUGES and INDICATORS - A16SDC57C2 (49ATVGAUGES08SP500)
ELECTRICAL, HARNESS - A16SDC57C2 (100339)
ELECTRICAL, HEADLIGHTS - A16SDC57C2 [49ATVHEADLTASM11SP500TR]
ELECTRICAL, IGNITION COIL, WIRE AND SPARK PLUG - A16SDC57C2 (49ATVIGNITION14SP570)
ELECTRICAL, SWITCHES, SENSORS and ECM - A16SDC57C2 (100562)
ELECTRICAL, TAILLAMPS - A16SDC57C2 (49ATVTAILLAMPS08SP500)
ELECTRICAL, TURN SIGNALS and HORN - A16SDC57C2 (100336)
ENGINE, AIR INTAKE SYSTEM - A16SDC57C2 [100262]
ENGINE, CAM CHAIN and SPROCKET - A16SDC57C2 (49RGRCAM12RZR570)
ENGINE, COOLING SYSTEM - A16SDC57C2 (49ATVCOOL15TRGEU)
ENGINE, CRANKCASE - A16SDC57C2 [100043]
ENGINE, CRANKSHAFT, PISTON and BALANCE SHAFT - A16SDC57C2 [49RGRPISTON12RZR570]
ENGINE, CYLINDER - A16SDC57C2 [49RGRCYLINDER12RZR570]
ENGINE, CYLINDER HEAD, CAMS and VALVES - A16SDC57C2 [100092]
ENGINE, EXHAUST - A16SDC57C2 (49ATVEXHAUST15QUAD)
ENGINE, FUEL INJECTOR 2521068 O-RINGS - A16SDC57C2 (101239)
ENGINE, MOUNTING & LONG BLOCK - A16SDC57C2 (49ATVENGINEMTG15TRCTR)
ENGINE, OIL FILTER and DIPSTICK - A16SDC57C2 (49ATVOILFILTER14SP570)
ENGINE, OIL PUMP - A16SDC57C2 (49ATVOILPUMP15570AA)
ENGINE, STARTER DRIVE - A16SDC57C2 (49ATVSTARTER15570AA)
ENGINE, STATOR COVER and FLYWHEEL - A16SDC57C2 (49ATVFLYWHEEL14SP570)
ENGINE, THERMOSTAT and COVER - A16SDC57C2 (49RGRTHERMO12RZR570)
ENGINE, THROTTLE BODY and FUEL RAIL - A16SDC57C2 (49ATVTHROTTLEBODY15570MD)
ENGINE, VALVE COVER - A16SDC57C2 (49RGRVALVE12RZR570)
ENGINE, WATERPUMP IMPELLER and COVER - A16SDC57C2 (49ATVWATERPUMP14SP570)
REFERENCE, OWNERS MANUAL - A16SDC57C2 (49ATVOM07OTLW90)
STEERING, CONTROLS, THROTTLE ASM. and CABLE - A16SDC57C2 (49ATVCONTROLS15TRCTR)
STEERING, EPS - A16SDC57C2 [49ATVSTEERING14SP570]
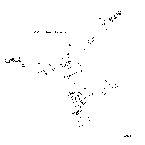
STEERING, HANDLEBAR and CONTROLS - A16SDC57C2 (100338)
STEERING, STEERING LOCK - A16SDC57C2 (49ATVSTEERINGLOCK09SP500TR)
SUSPENSION, A-ARM and STRUT MOUNTING - A16SDC57C2 [100193]
SUSPENSION, FRONT STRUT - A16SDC57C2 (49ATVSTRUT13SP500)
SUSPENSION, REAR - A16SDC57C2 [100259]
SUSPENSION, TORSION BAR - A16SDC57C2 (49ATVTORSION14SP570)
TOOLS, TOOL KIT - A16SDC57C2 [100337]
WHEELS, FRONT TIRE and BRAKE DISC - A16SDC57C2 (4999200059920005B12)
WHEELS, REAR TIRE and BRAKE DISC - A16SDC57C2 (49ATVWHEELREAR11SP500)
BODY, CLUTCH COVER - A16SDC57C2 (49ATVCLUTCHCVR1570TRG)
BODY, DECALS - A16SDC57C2 (100335)
BODY, FRONT BUMPER and MOUNTING - A16SDC57C2 (49ATVBUMPER15570SP)
BODY, FRONT CAB and SIDE PANELS - A16SDC57C2 (100100)
BODY, FUEL TANK ASM. - A16SDC57C2 (100178)
BODY, HEADLIGHT POD - A16SDC57C2 (49ATVHEADLIGHT11SP800)
BODY, MIRRORS - A16SDC57C2 (49ATVMIRRORS14SP850F)
BODY, REAR CAB and FOOTWELLS - A16SDC57C2 (49ATVCABRR14SP570TRG)
BODY, REAR RACK and HAND GRIPS - A16SDC57C2 (49ATVRACKMTGRR14SP570TRG)
BODY, RIGHT HAND SIDE PANEL HEAT SHIELD AND HARDWARE 2 UP - A16SDC57C2 (101068)
BODY, SEAT - A16SDC57C2 (49ATVSEAT14SP570TRG)
BODY, STORAGE BOX, REAR - A16SDC57C2 (49ATVSTORAGERR14SP570)
BODY, STORAGE, FRONT - A16SDC57C2 (49ATVSTORAGE15570AA)
BRAKES, BRAKE CALIPER, FRONT - A16SDC57C2 [49ATVCALIPER08X2500QUAD]
BRAKES, BRAKE CALIPER, REAR - A16SDC57C2 [4999200139920013B05]
BRAKES, BRAKE PEDAL and MASTER CYLINDER - A16SDC57C2 [49ATVBRAKEFOOT11SP500F]
BRAKES, FRONT BRAKE LEVER and MASTER CYLINDER - A16SDC57C2 [4999204069920406B08]
BRAKES, FRONT BRAKE LINES - A16SDC57C2 [49ATVBRAKELINE14SP570F]
BRAKES, REAR BRAKE LINES - A16SDC57C2 [49ATVBRAKELINERR15TRGEU]
BRAKES, VALVE SYSTEM - A16SDC57C2 [49ATVBRAKEVALVE14SP570F]
CHASSIS, FRAME - A16SDC57C2 (49ATVFRAME1570TRG)
DRIVE TRAIN, FRONT DRIVE SHAFT - A16SDC57C2 (49ATVSHAFTDRIVE1332931)
DRIVE TRAIN, FRONT GEARCASE - A16SDC57C2 (49ATVGEARCASE1333239)
DRIVE TRAIN, FRONT GEARCASE MOUNTING - A16SDC57C2 (49ATVGEARCASEMTG13SP500F)
DRIVE TRAIN, FRONT PROP SHAFT - A16SDC57C2 (49ATVSHAFTPROP08SP500A)
DRIVE TRAIN, GEAR SELECTOR - A16SDC57C2 (49ATVGEARSELECT14SP570HD)
DRIVE TRAIN, MAIN GEARCASE - A16SDC57C2 [100089]
DRIVE TRAIN, MAIN GEARCASE MOUNTING - A16SDC57C2 (49ATVGEARCASEMTGN14SP500)
DRIVE TRAIN, PRIMARY CLUTCH - A16SDC57C2 [100099]
DRIVE TRAIN, REAR DRIVE SHAFT - A16SDC57C2 (49ATVSHAFTDRIVERR14SP500)
DRIVE TRAIN, SECONDARY CLUTCH - A16SDC57C2 [100242]
ELECTRICAL, BATTERY - A16SDC57C2 (49ATVBATTERY15570A)
ELECTRICAL, BULBS - A16SDC57C2 [49ATVBULBS11SP500TR]
ELECTRICAL, GAUGES and INDICATORS - A16SDC57C2 (49ATVGAUGES08SP500)
ELECTRICAL, HARNESS - A16SDC57C2 (100339)
ELECTRICAL, HEADLIGHTS - A16SDC57C2 [49ATVHEADLTASM11SP500TR]
ELECTRICAL, IGNITION COIL, WIRE AND SPARK PLUG - A16SDC57C2 (49ATVIGNITION14SP570)
ELECTRICAL, SWITCHES, SENSORS and ECM - A16SDC57C2 (100562)
ELECTRICAL, TAILLAMPS - A16SDC57C2 (49ATVTAILLAMPS08SP500)
ELECTRICAL, TURN SIGNALS and HORN - A16SDC57C2 (100336)
ENGINE, AIR INTAKE SYSTEM - A16SDC57C2 [100262]
ENGINE, CAM CHAIN and SPROCKET - A16SDC57C2 (49RGRCAM12RZR570)
ENGINE, COOLING SYSTEM - A16SDC57C2 (49ATVCOOL15TRGEU)
ENGINE, CRANKCASE - A16SDC57C2 [100043]
ENGINE, CRANKSHAFT, PISTON and BALANCE SHAFT - A16SDC57C2 [49RGRPISTON12RZR570]
ENGINE, CYLINDER - A16SDC57C2 [49RGRCYLINDER12RZR570]
ENGINE, CYLINDER HEAD, CAMS and VALVES - A16SDC57C2 [100092]
ENGINE, EXHAUST - A16SDC57C2 (49ATVEXHAUST15QUAD)
ENGINE, FUEL INJECTOR 2521068 O-RINGS - A16SDC57C2 (101239)
ENGINE, MOUNTING & LONG BLOCK - A16SDC57C2 (49ATVENGINEMTG15TRCTR)
ENGINE, OIL FILTER and DIPSTICK - A16SDC57C2 (49ATVOILFILTER14SP570)
ENGINE, OIL PUMP - A16SDC57C2 (49ATVOILPUMP15570AA)
ENGINE, STARTER DRIVE - A16SDC57C2 (49ATVSTARTER15570AA)
ENGINE, STATOR COVER and FLYWHEEL - A16SDC57C2 (49ATVFLYWHEEL14SP570)
ENGINE, THERMOSTAT and COVER - A16SDC57C2 (49RGRTHERMO12RZR570)
ENGINE, THROTTLE BODY and FUEL RAIL - A16SDC57C2 (49ATVTHROTTLEBODY15570MD)
ENGINE, VALVE COVER - A16SDC57C2 (49RGRVALVE12RZR570)
ENGINE, WATERPUMP IMPELLER and COVER - A16SDC57C2 (49ATVWATERPUMP14SP570)
REFERENCE, OWNERS MANUAL - A16SDC57C2 (49ATVOM07OTLW90)
STEERING, CONTROLS, THROTTLE ASM. and CABLE - A16SDC57C2 (49ATVCONTROLS15TRCTR)
STEERING, EPS - A16SDC57C2 [49ATVSTEERING14SP570]
STEERING, HANDLEBAR and CONTROLS - A16SDC57C2 (100338)
STEERING, STEERING LOCK - A16SDC57C2 (49ATVSTEERINGLOCK09SP500TR)
SUSPENSION, A-ARM and STRUT MOUNTING - A16SDC57C2 [100193]
SUSPENSION, FRONT STRUT - A16SDC57C2 (49ATVSTRUT13SP500)
SUSPENSION, REAR - A16SDC57C2 [100259]
SUSPENSION, TORSION BAR - A16SDC57C2 (49ATVTORSION14SP570)
TOOLS, TOOL KIT - A16SDC57C2 [100337]
WHEELS, FRONT TIRE and BRAKE DISC - A16SDC57C2 (4999200059920005B12)
WHEELS, REAR TIRE and BRAKE DISC - A16SDC57C2 (49ATVWHEELREAR11SP500)
VIEW WISH LIST