Polaris
Browse New Models
Shop In-Stock
Honda
Browse New Models
Shop In-Stock
KTM
Browse New Models
Shop In-Stock
Beta
Browse New Models
Shop In-Stock
Timbersled
Browse New Models
1318 W 2nd St
,
The Dalles, OR
97058
541-298-1161
Search Inventory
Toggle navigation
Home
Brands
Inventory
All Inventory In Stock
New Inventory In Stock
Pre-Owned Inventory
Polaris Off-Road
Polaris Snowmobiles
Timbersled
Manufacturer Models
Value Your Trade-In
Request a Model
Government Purchasing Program
OEM Promotions
Secure Financing
Parts
Parts Department
Parts Finder
Shopping Cart
Service
Service Department
Warranty & Recall Look-Up
Schedule Polaris Service
Financing
About
Our Dealership
Our Team
Reviews
Customer Survey
Employment
Location & Hours
Contact
541-298-1161
The Dalles, OR
Fiche | Parts Diagrams
Home
›
Parts
›
Parts Finder
Search by :
Part / Desc
VIN
Please Select
Honda
KTM
Polaris
*Please enter at least 3 characters
SEARCH
Manufacturer
Polaris
ATVs
2017
INTL ACE 570 EFI EURO (A17DAA57F5)
VIEW WISH LIST
Select a Section
Show/Hide
BODY, BUMPER, FRONT - A17DAA57F5 (100538)
BODY, BUMPER, REAR - A17DAA57F5 [101086]
BODY, DECALS - A17DAA57F5 [101087]
BODY, FLOOR AND ROCKER PANELS - A17DAA57F5 (49ATVFLOOR14325)
BODY, FUEL TANK - A17DAA57F5 (101235)
BODY, HOOD AND FRONT BODY WORK - A17DAA57F5 (49ATVCAB15ACE570)
BODY, REAR RACK AND FENDERS - A17DAA57F5 (101085)
BODY, SEAT ASM. - A17DAA57F5 (100287)
BODY, SEAT MOUNTING AND BELT - A17DAA57F5 (100544)
BODY, SIDE NETS - A17DAA57F5 (49ATVNETS14325)
BODY, SPLASH SHIELDS - A17DAA57F5 (49ATVSHIELD15ACE570)
BRAKES, BRAKE LINES AND MASTER CYLINDER - A17DAA57F5 (101082)
BRAKES, CALIPER MOUNTING - A17DAA57F5 (49ATVCALIPERMTG14325)
BRAKES, CALIPER, FRONT - A17DAA57F5 (49ATVCALIPER14SP325)
BRAKES, CALIPER, REAR - A17DAA57F5 (49ATVCALIPERRR14SP325)
BRAKES, PARK BRAKE LEVER ASM. - A17DAA57F5 [49ATVBRAKEFOOT15ACEEU]
BRAKES, PEDAL AND MASTER CYLINDER MOUNTING - A17DAA57F5 (49ATVBRAKEFOOT14SP325)
CHASSIS, CAB FRAME AND SIDE BARS - A17DAA57F5 (101011)
CHASSIS, MAIN FRAME AND SKID PLATE - A17DAA57F5 (101234)
DRIVE TRAIN, CLUTCH COVER AND DUCTING - A17DAA57F5 (100525)
DRIVE TRAIN, FRONT GEARCASE INTERNALS - A17DAA57F5 (100834)
DRIVE TRAIN, FRONT GEARCASE MOUNTING - A17DAA57F5 (101081)
DRIVE TRAIN, FRONT HALF SHAFT - A17DAA57F5 (100044)
DRIVE TRAIN, FRONT PROP SHAFT - A17DAA57F5 (49ATVSHAFTPROP14SP325)
DRIVE TRAIN, GEAR SELECTOR - A17DAA57F5 (49ATVGEARSELECT15325)
DRIVE TRAIN, MAIN GEARCASE - A17DAA57F5 (101080)
DRIVE TRAIN, PRIMARY CLUTCH - A17DAA57F5 (100682)
DRIVE TRAIN, REAR HALF SHAFT - A17DAA57F5 (100511)
DRIVE TRAIN, SECONDARY CLUTCH - A17DAA57F5 (100681)
ELECTRICAL, BATTERY - A17DAA57F5 (101010)
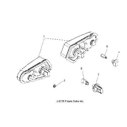
ELECTRICAL, DASH INSTRUMENTS AND SWITCHES - A17DAA57F5 (100315)
ELECTRICAL, HEADLIGHTS - A17DAA57F5 [49ATVHEADLIGHT13850SCRAMI]
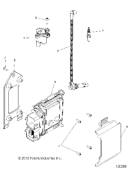
ELECTRICAL, IGNITION - A17DAA57F5 (100288)
ELECTRICAL, RELAY, DIFFERENTIAL - A17DAA57F5 (100229)
ELECTRICAL, SENSORS - A17DAA57F5 (49RGRELECT14570)
ELECTRICAL, TAILLAMPS - A17DAA57F5 [49ATVTAILLAMPS14ACEE]
ELECTRICAL, TURN SIGNALS, HORN AND MIRRORS - A17DAA57F5 [101088]
ELECTRICAL, WIRE HARNESS - A17DAA57F5 (101089)
ENGINE, AIR INTAKE SYSTEM - A17DAA57F5 (101006)
ENGINE, BREATHER - A17DAA57F5 (100550)
ENGINE, CAM CHAIN and SPROCKET - A17DAA57F5 (49RGRCAM12RZR570)
ENGINE, COOLING SYSTEM - A17DAA57F5 (49ATVCOOL15ACE570)
ENGINE, CRANKCASE - A17DAA57F5 (100533)
ENGINE, CRANKSHAFT, PISTON AND BALANCE SHAFT - A17DAA57F5 (49RGRPISTON12RZR570)
ENGINE, CYLINDER - A17DAA57F5 (49RGRCYLINDER12RZR570)
ENGINE, CYLINDER HEAD, CAMS and VALVES - A17DAA57F5 (100092)
ENGINE, EXHAUST SYSTEM - A17DAA57F5 [101336]
ENGINE, EXHAUST SYSTEM SHIELDS - A17DAA57F5 (101084)
ENGINE, FUEL INJECTOR 2521068 O-RINGS - A17DAA57F5 (101239)
ENGINE, OIL FILTER and DIPSTICK - A17DAA57F5 (49RGROILFILTER14570)
ENGINE, OIL PUMP - A17DAA57F5 (49RGROILPUMP12RZR570)
ENGINE, STARTER DRIVE - A17DAA57F5 (49ATVSTARTER15ACE570)
ENGINE, STATOR COVER and FLYWHEEL - A17DAA57F5 (49RGRFLYWHEELCVR12RZR570)
ENGINE, THERMOSTAT and COVER - A17DAA57F5 (100534)
ENGINE, THROTTLE BODY and FUEL RAIL - A17DAA57F5 (100532)
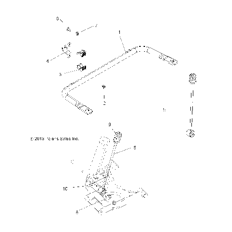
ENGINE, THROTTLE PEDAL - A17DAA57F5 (100615)
ENGINE, TRANSMISSION MOUNTING & LONG BLOCK - A17DAA57F5 (101236)
ENGINE, VALVE COVER - A17DAA57F5 (49RGRVALVE12RZR570)
ENGINE, WATERPUMP IMPELLER and COVER - A17DAA57F5 (49RGRWATERPUMP12RZR570)
REFERENCES, TOOL KIT and OWNERS MANUAL - A17DAA57F5 (100163)
STEERING, STEERING ASM. - A17DAA57F5 (101083)
SUSPENSION, A-ARM and STRUT MOUNTING - A17DAA57F5 (100197)
SUSPENSION, FRONT STRUT - A17DAA57F5 (49ATVSTRUT14SP325)
SUSPENSION, REAR CONTROL ARMS - A17DAA57F5 (100859)
SUSPENSION, REAR SHOCK MOUNTING - A17DAA57F5 (49RGRSHOCKMTGRR12RZR570)
SUSPENSION, STABILIZER BAR, REAR - A17DAA57F5 (49ATVSTABILIZER14SP325)
WHEELS, FRONT TIRE and BRAKE DISC - A17DAA57F5 (49ATVWHEELFRT14SP325)
WHEELS, REAR - A17DAA57F5 (49ATVWHEELRR14SP325)
BODY, BUMPER, FRONT - A17DAA57F5 (100538)
BODY, BUMPER, REAR - A17DAA57F5 [101086]
BODY, DECALS - A17DAA57F5 [101087]
BODY, FLOOR AND ROCKER PANELS - A17DAA57F5 (49ATVFLOOR14325)
BODY, FUEL TANK - A17DAA57F5 (101235)
BODY, HOOD AND FRONT BODY WORK - A17DAA57F5 (49ATVCAB15ACE570)
BODY, REAR RACK AND FENDERS - A17DAA57F5 (101085)
BODY, SEAT ASM. - A17DAA57F5 (100287)
BODY, SEAT MOUNTING AND BELT - A17DAA57F5 (100544)
BODY, SIDE NETS - A17DAA57F5 (49ATVNETS14325)
BODY, SPLASH SHIELDS - A17DAA57F5 (49ATVSHIELD15ACE570)
BRAKES, BRAKE LINES AND MASTER CYLINDER - A17DAA57F5 (101082)
BRAKES, CALIPER MOUNTING - A17DAA57F5 (49ATVCALIPERMTG14325)
BRAKES, CALIPER, FRONT - A17DAA57F5 (49ATVCALIPER14SP325)
BRAKES, CALIPER, REAR - A17DAA57F5 (49ATVCALIPERRR14SP325)
BRAKES, PARK BRAKE LEVER ASM. - A17DAA57F5 [49ATVBRAKEFOOT15ACEEU]
BRAKES, PEDAL AND MASTER CYLINDER MOUNTING - A17DAA57F5 (49ATVBRAKEFOOT14SP325)
CHASSIS, CAB FRAME AND SIDE BARS - A17DAA57F5 (101011)
CHASSIS, MAIN FRAME AND SKID PLATE - A17DAA57F5 (101234)
DRIVE TRAIN, CLUTCH COVER AND DUCTING - A17DAA57F5 (100525)
DRIVE TRAIN, FRONT GEARCASE INTERNALS - A17DAA57F5 (100834)
DRIVE TRAIN, FRONT GEARCASE MOUNTING - A17DAA57F5 (101081)
DRIVE TRAIN, FRONT HALF SHAFT - A17DAA57F5 (100044)
DRIVE TRAIN, FRONT PROP SHAFT - A17DAA57F5 (49ATVSHAFTPROP14SP325)
DRIVE TRAIN, GEAR SELECTOR - A17DAA57F5 (49ATVGEARSELECT15325)
DRIVE TRAIN, MAIN GEARCASE - A17DAA57F5 (101080)
DRIVE TRAIN, PRIMARY CLUTCH - A17DAA57F5 (100682)
DRIVE TRAIN, REAR HALF SHAFT - A17DAA57F5 (100511)
DRIVE TRAIN, SECONDARY CLUTCH - A17DAA57F5 (100681)
ELECTRICAL, BATTERY - A17DAA57F5 (101010)
ELECTRICAL, DASH INSTRUMENTS AND SWITCHES - A17DAA57F5 (100315)
ELECTRICAL, HEADLIGHTS - A17DAA57F5 [49ATVHEADLIGHT13850SCRAMI]
ELECTRICAL, IGNITION - A17DAA57F5 (100288)
ELECTRICAL, RELAY, DIFFERENTIAL - A17DAA57F5 (100229)
ELECTRICAL, SENSORS - A17DAA57F5 (49RGRELECT14570)
ELECTRICAL, TAILLAMPS - A17DAA57F5 [49ATVTAILLAMPS14ACEE]
ELECTRICAL, TURN SIGNALS, HORN AND MIRRORS - A17DAA57F5 [101088]
ELECTRICAL, WIRE HARNESS - A17DAA57F5 (101089)
ENGINE, AIR INTAKE SYSTEM - A17DAA57F5 (101006)
ENGINE, BREATHER - A17DAA57F5 (100550)
ENGINE, CAM CHAIN and SPROCKET - A17DAA57F5 (49RGRCAM12RZR570)
ENGINE, COOLING SYSTEM - A17DAA57F5 (49ATVCOOL15ACE570)
ENGINE, CRANKCASE - A17DAA57F5 (100533)
ENGINE, CRANKSHAFT, PISTON AND BALANCE SHAFT - A17DAA57F5 (49RGRPISTON12RZR570)
ENGINE, CYLINDER - A17DAA57F5 (49RGRCYLINDER12RZR570)
ENGINE, CYLINDER HEAD, CAMS and VALVES - A17DAA57F5 (100092)
ENGINE, EXHAUST SYSTEM - A17DAA57F5 [101336]
ENGINE, EXHAUST SYSTEM SHIELDS - A17DAA57F5 (101084)
ENGINE, FUEL INJECTOR 2521068 O-RINGS - A17DAA57F5 (101239)
ENGINE, OIL FILTER and DIPSTICK - A17DAA57F5 (49RGROILFILTER14570)
ENGINE, OIL PUMP - A17DAA57F5 (49RGROILPUMP12RZR570)
ENGINE, STARTER DRIVE - A17DAA57F5 (49ATVSTARTER15ACE570)
ENGINE, STATOR COVER and FLYWHEEL - A17DAA57F5 (49RGRFLYWHEELCVR12RZR570)
ENGINE, THERMOSTAT and COVER - A17DAA57F5 (100534)
ENGINE, THROTTLE BODY and FUEL RAIL - A17DAA57F5 (100532)
ENGINE, THROTTLE PEDAL - A17DAA57F5 (100615)
ENGINE, TRANSMISSION MOUNTING & LONG BLOCK - A17DAA57F5 (101236)
ENGINE, VALVE COVER - A17DAA57F5 (49RGRVALVE12RZR570)
ENGINE, WATERPUMP IMPELLER and COVER - A17DAA57F5 (49RGRWATERPUMP12RZR570)
REFERENCES, TOOL KIT and OWNERS MANUAL - A17DAA57F5 (100163)
STEERING, STEERING ASM. - A17DAA57F5 (101083)
SUSPENSION, A-ARM and STRUT MOUNTING - A17DAA57F5 (100197)
SUSPENSION, FRONT STRUT - A17DAA57F5 (49ATVSTRUT14SP325)
SUSPENSION, REAR CONTROL ARMS - A17DAA57F5 (100859)
SUSPENSION, REAR SHOCK MOUNTING - A17DAA57F5 (49RGRSHOCKMTGRR12RZR570)
SUSPENSION, STABILIZER BAR, REAR - A17DAA57F5 (49ATVSTABILIZER14SP325)
WHEELS, FRONT TIRE and BRAKE DISC - A17DAA57F5 (49ATVWHEELFRT14SP325)
WHEELS, REAR - A17DAA57F5 (49ATVWHEELRR14SP325)
VIEW WISH LIST