Polaris
Browse New Models
Shop In-Stock
Honda
Browse New Models
Shop In-Stock
KTM
Browse New Models
Shop In-Stock
Beta
Browse New Models
Shop In-Stock
Timbersled
Browse New Models
1318 W 2nd St
,
The Dalles, OR
97058
541-298-1161
Search Inventory
Toggle navigation
Home
Brands
Inventory
All Inventory In Stock
New Inventory In Stock
Pre-Owned Inventory
Polaris Off-Road
Polaris Snowmobiles
Timbersled
Manufacturer Models
Value Your Trade-In
Request a Model
Government Purchasing Program
OEM Promotions
Secure Financing
Parts
Parts Department
Parts Finder
Shopping Cart
Service
Service Department
Warranty & Recall Look-Up
Schedule Polaris Service
Financing
About
Our Dealership
Our Team
Reviews
Customer Survey
Employment
Location & Hours
Contact
541-298-1161
The Dalles, OR
Fiche | Parts Diagrams
Home
›
Parts
›
Parts Finder
Search by :
Part / Desc
VIN
Please Select
Honda
KTM
Polaris
*Please enter at least 3 characters
SEARCH
Manufacturer
Polaris
ATVs
2017
OUTLAW 50 (A17YAK05A4/A6)
VIEW WISH LIST
Select a Section
Show/Hide
BODY, CAB and SEAT - A17YAK05A4/A6 (49ATVCAB09OUT50)
BODY, DECALS - A17YAK05A4/A6 (A00054)
BODY, FUEL TANK and HOSES - A17YAK05A4/A6 (A00061)
BRAKES, FRONT - A17YAK05A4/A6 (4999202399920239B11)
BRAKES, REAR - A17YAK05A4/A6 (49ATVBRAKERR13OUT50)
CHASSIS, BUMPER - A17YAK05A4/A6 (49ATVBUMPER07PRED50)
CHASSIS, FOOTREST - A17YAK05A4/A6 (49ATVSUSPFRT08OUT50)
CHASSIS, FRAME and SWING ARM - A17YAK05A4/A6 (A00038)
DRIVE TRAIN, CHAIN - A17YAK05A4/A6 (4999202359920235B13)
DRIVE TRAIN, PRIMARY CLUTCH - A17YAK05A4/A6 (49ATVPRIMARY14OTLW90)
DRIVE TRAIN, SECONDARY CLUTCH - A17YAK05A4/A6 (A00022)
DRIVE TRAIN, TRANSMISSION - A17YAK05A4/A6 (A00058)
ELECTRICAL, HEADLIGHTand TAILLIGHT - A17YAK05A4/A6 (A00023)
ELECTRICAL, SWITCHES, HARNESS and PARTS - A17YAK05A4/A6 (49ATVELECT12OUT50)
ENGINE, AIR INTAKE SYSTEM - A17YAK05A4/A6 (A00025)
ENGINE, CAM CHAIN - A17YAK05A4/A6 (49ATVCAMCHAIN07OTLW90)
ENGINE, CARBURETOR - A17YAK05A4/A6 (49ATVCARB09OUT90)
ENGINE, CLUTCH COVER and KICK START - A17YAK05A4/A6 (49ATVCRANKCASECVRLH09OUT50)
ENGINE, CRANKCASE - A17YAK05A4/A6 (49ATVCRANKCASE13OUT50)
ENGINE, CRANKCASE COVER, RH - A17YAK05A4/A6 (49ATVCRANKCASECVRRH07OTLW90)
ENGINE, CRANKSHAFT and PISTON - A17YAK05A4/A6 (A00047)
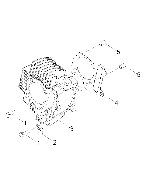
ENGINE, CYLINDER - A17YAK05A4/A6 (A00039)
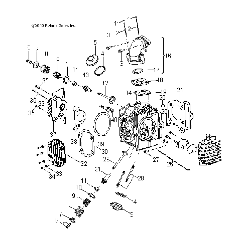
ENGINE, CYLINDER HEAD - A17YAK05A4/A6 (49ATVCYLINDERHD11SP90)
ENGINE, EXHAUST - A17YAK05A4/A6 (A00024)
ENGINE, GENERATOR and STARTING MOTOR - A17YAK05A4/A6 (49ATVGENERATOR10OUT50)
ENGINE, KICK START - A17YAK05A4/A6 (49ATVSTARTER207OTLW90)
ENGINE, OIL PUMP - A17YAK05A4/A6 (49ATVOILPUMP07OTLW90)
REFERENCES, MANUAL and SETUP INFORMATION - A17YAK05A4/A6 (49ATVTOOL09SP90)
STEERING, HANDLEBAR - A17YAK05A4/A6 (49ATVHANDLEBAR07PRED50)
STEERING, STEERING POST and TIE ROD ASM. - A17YAK05A4/A6 (49ATVSTEERING13OUT50)
SUSPENSION, SHOCKS - A17YAK05A4/A6 (A00026)
WHEELS, FRONT - A17YAK05A4/A6 (49ATVWHEELFRT07PRED50)
WHEELS, REAR - A17YAK05A4/A6 (49ATVWHEELREAR07PRED50)
WHEELS, REAR AXLE - A17YAK05A4/A6 (4999202359920235B12)
BODY, CAB and SEAT - A17YAK05A4/A6 (49ATVCAB09OUT50)
BODY, DECALS - A17YAK05A4/A6 (A00054)
BODY, FUEL TANK and HOSES - A17YAK05A4/A6 (A00061)
BRAKES, FRONT - A17YAK05A4/A6 (4999202399920239B11)
BRAKES, REAR - A17YAK05A4/A6 (49ATVBRAKERR13OUT50)
CHASSIS, BUMPER - A17YAK05A4/A6 (49ATVBUMPER07PRED50)
CHASSIS, FOOTREST - A17YAK05A4/A6 (49ATVSUSPFRT08OUT50)
CHASSIS, FRAME and SWING ARM - A17YAK05A4/A6 (A00038)
DRIVE TRAIN, CHAIN - A17YAK05A4/A6 (4999202359920235B13)
DRIVE TRAIN, PRIMARY CLUTCH - A17YAK05A4/A6 (49ATVPRIMARY14OTLW90)
DRIVE TRAIN, SECONDARY CLUTCH - A17YAK05A4/A6 (A00022)
DRIVE TRAIN, TRANSMISSION - A17YAK05A4/A6 (A00058)
ELECTRICAL, HEADLIGHTand TAILLIGHT - A17YAK05A4/A6 (A00023)
ELECTRICAL, SWITCHES, HARNESS and PARTS - A17YAK05A4/A6 (49ATVELECT12OUT50)
ENGINE, AIR INTAKE SYSTEM - A17YAK05A4/A6 (A00025)
ENGINE, CAM CHAIN - A17YAK05A4/A6 (49ATVCAMCHAIN07OTLW90)
ENGINE, CARBURETOR - A17YAK05A4/A6 (49ATVCARB09OUT90)
ENGINE, CLUTCH COVER and KICK START - A17YAK05A4/A6 (49ATVCRANKCASECVRLH09OUT50)
ENGINE, CRANKCASE - A17YAK05A4/A6 (49ATVCRANKCASE13OUT50)
ENGINE, CRANKCASE COVER, RH - A17YAK05A4/A6 (49ATVCRANKCASECVRRH07OTLW90)
ENGINE, CRANKSHAFT and PISTON - A17YAK05A4/A6 (A00047)
ENGINE, CYLINDER - A17YAK05A4/A6 (A00039)
ENGINE, CYLINDER HEAD - A17YAK05A4/A6 (49ATVCYLINDERHD11SP90)
ENGINE, EXHAUST - A17YAK05A4/A6 (A00024)
ENGINE, GENERATOR and STARTING MOTOR - A17YAK05A4/A6 (49ATVGENERATOR10OUT50)
ENGINE, KICK START - A17YAK05A4/A6 (49ATVSTARTER207OTLW90)
ENGINE, OIL PUMP - A17YAK05A4/A6 (49ATVOILPUMP07OTLW90)
REFERENCES, MANUAL and SETUP INFORMATION - A17YAK05A4/A6 (49ATVTOOL09SP90)
STEERING, HANDLEBAR - A17YAK05A4/A6 (49ATVHANDLEBAR07PRED50)
STEERING, STEERING POST and TIE ROD ASM. - A17YAK05A4/A6 (49ATVSTEERING13OUT50)
SUSPENSION, SHOCKS - A17YAK05A4/A6 (A00026)
WHEELS, FRONT - A17YAK05A4/A6 (49ATVWHEELFRT07PRED50)
WHEELS, REAR - A17YAK05A4/A6 (49ATVWHEELREAR07PRED50)
WHEELS, REAR AXLE - A17YAK05A4/A6 (4999202359920235B12)
VIEW WISH LIST