Polaris
Browse New Models
Shop In-Stock
Honda
Browse New Models
Shop In-Stock
KTM
Browse New Models
Shop In-Stock
Beta
Browse New Models
Shop In-Stock
Timbersled
Browse New Models
1318 W 2nd St
,
The Dalles, OR
97058
541-298-1161
Search Inventory
Toggle navigation
Home
Brands
Inventory
All Inventory In Stock
New Inventory In Stock
Pre-Owned Inventory
Polaris Off-Road
Polaris Snowmobiles
Timbersled
Manufacturer Models
Value Your Trade-In
Request a Model
Government Purchasing Program
OEM Promotions
Secure Financing
Parts
Parts Department
Parts Finder
Shopping Cart
Service
Service Department
Warranty & Recall Look-Up
Schedule Polaris Service
Financing
About
Our Dealership
Our Team
Reviews
Customer Survey
Employment
Location & Hours
Contact
541-298-1161
The Dalles, OR
Fiche | Parts Diagrams
Home
›
Parts
›
Parts Finder
Search by :
Part / Desc
VIN
Please Select
Honda
KTM
Polaris
*Please enter at least 3 characters
SEARCH
Manufacturer
Polaris
ATVs
2018
SPORTSMAN 570 6X6 (A18S6E57B1)
VIEW WISH LIST
Select a Section
Show/Hide
BODY, CLUTCH COVER - A18S6E57B1 [49ATVCLUTCHCVR1570TRG]
BODY, DECALS - A18S6E57B1 [101291]
BODY, DUMP BOX - A18S6E57B1 [100466]
BODY, DUMP BOX LEVER and SHOCK MOUNTING - A18S6E57B1 [100467]
BODY, FRONT BUMPER and MOUNTING - A18S6E57B1 [100098]
BODY, FRONT CAB and SIDE PANELS - A18S6E57B1 [100463]
BODY, FRONT RACK EXTENDER - A18S6E57B1 [100473]
BODY, FUEL TANK ASM. - A18S6E57B1 [101444]
BODY, HEADLIGHT POD - A18S6E57B1 (100152)
BODY, PANEL - A18S6E57B1 [C101373]
BODY, REAR CAB and FOOTWELLS - A18S6E57B1 [100464]
BODY, REAR RACK and BOX SIDE RAILS - A18S6E57B1 [100630]
BODY, RIGHT HAND SIDE PANEL HEAT SHIELD AND HARDWARE 2 UP - A18S6E57B1 (101068)
BODY, SEAT - A18S6E57B1 [100469]
BODY, STORAGE, FRONT - A18S6E57B1 [49ATVSTORAGE15570AA]
BRAKES, BRAKE LINES - A18S6E57B1 [100457]
BRAKES, BRAKE PEDAL and MASTER CYLINDER - A18S6E57B1 [49ATVBRAKEFOOT11SP500]
BRAKES, FRONT BRAKE LEVER and MASTER CYLINDER - A18S6E57B1 (100994)
BRAKES, FRONT CALIPER - A18S6E57B1 (49RGRCALIPER10)
BRAKES, MID CALIPERS - A18S6E57B1 [49ATVBRAKERR09SP500]
BRAKES, REAR CALIPER - A18S6E57B1 (49ATVBRAKERR09SP500)
CHASSIS, FRAME - A18S6E57B1 [100451]
DRIVE TRAIN, FRONT DRIVE SHAFT - A18S6E57B1 (101258)
DRIVE TRAIN, FRONT GEARCASE - A18S6E57B1 (49ATVGEARCASE1333239)
DRIVE TRAIN, FRONT GEARCASE MOUNTING - A18S6E57B1 100458]
DRIVE TRAIN, FRONT PROP SHAFT - A18S6E57B1 [49ATVSHAFTPROP08SP500A]
DRIVE TRAIN, GEAR SELECTOR - A18S6E57B1 [49ATVGEARSELECT14SP570HD]
DRIVE TRAIN, MAIN GEARCASE - A18S6E57B1 [101385]
DRIVE TRAIN, MAIN GEARCASE MOUNTING - A18S6E57B1 [100455]
DRIVE TRAIN, PRIMARY CLUTCH - A18S6E57B1 [49ATVCLUTCH14SP570]
DRIVE TRAIN, REAR DRIVE SHAFT - A18S6E57B1 [101289]
DRIVE TRAIN, REAR GEARCASE INTERNALS - A18S6E57B1 [100453]
DRIVE TRAIN, REAR GEARCASE MOUNTING - A18S6E57B1 [100454]
DRIVE TRAIN, REAR MID DRIVE SHAFT - A18S6E57B1 (100631)
DRIVE TRAIN, REAR PROP SHAFT - A18S6E57B1 [101288]
DRIVE TRAIN, SECONDARY CLUTCH - A18S6E57B1 (49ATVCLUTCHDRIVEN1323248)
ELECTRICAL, BATTERY - A18S6E57B1 [100471]
ELECTRICAL, BULBS - A18S6E57B1 (49ATVBULBS1570SPTR)
ELECTRICAL, GAUGES and INDICATORS - A18S6E57B1 (100895)
ELECTRICAL, HARNESS - A18S6E57B1 [100470]
ELECTRICAL, HEADLIGHTS - A18S6E57B1 (49ATVHEADLTASM10SPXP550)
ELECTRICAL, IGNITION COIL, WIRE AND SPARK PLUG - A18S6E57B1 [49ATVIGNITION14SP570]
ELECTRICAL, SWITCHES, SENSORS and ECM - A18S6E57B1 [49ATVELECT14SP570]
ELECTRICAL, TAILLIGHTS - A18S6E57B1 [49ATVTAILLAMPS086X6]
ENGINE, AIR INTAKE SYSTEM - A18S6E57B1 [101159]
ENGINE, AIR INTAKE SYSTEM SUPPORT BRACKET - A18S6E57B1 [101065]
ENGINE, CAM CHAIN and SPROCKET - A18S6E57B1 [49RGRCAM12RZR570]
ENGINE, COOLING SYSTEM - A18S6E57B1 [101153]
ENGINE, CRANKCASE - A18S6E57B1 [100043]
ENGINE, CRANKSHAFT, PISTON and BALANCE SHAFT - A18S6E57B1 [49RGRPISTON12RZR570]
ENGINE, CYLINDER - A18S6E57B1 [49RGRCYLINDER12RZR570]
ENGINE, CYLINDER HEAD, CAMS and VALVES - A18S6E57B1 [100092]
ENGINE, EXHAUST - A18S6E57B1 [101292]
ENGINE, MOUNTING & LONG BLOCK - A18S6E57B1 [49ATVENGINEMTG15TRCTR]
ENGINE, OIL FILTER and DIPSTICK - A18S6E57B1 [49ATVOILFILTER14SP570]
ENGINE, OIL PUMP - A18S6E57B1 [49ATVOILPUMP15570AA]
ENGINE, STARTER DRIVE - A18S6E57B1 [49ATVSTARTER15570AA]
ENGINE, STATOR COVER and FLYWHEEL - A18S6E57B1 [100093]
ENGINE, THERMOSTAT and COVER - A18S6E57B1 [49RGRTHERMO12RZR570]
ENGINE, THROTTLE BODY and FUEL RAIL - A18S6E57B1 [49ATVTHROTTLEBODY15570AA]
ENGINE, VALVE COVER - A18S6E57B1 [49RGRVALVE12RZR570]
ENGINE, WATERPUMP IMPELLER and COVER - A18S6E57B1 [49ATVWATERPUMP14SP570]
REFERENCE, OWNERS MANUAL - A18S6E57B1 [49ATVOM07OTLW90]
STEERING, CONTROLS, THROTTLE ASM. and CABLE - A18S6E57B1 (101161)
STEERING, EPS - A18S6E57B1 [49ATVSTEERING14SP570]
STEERING, HANDLEBAR and CONTROLS - A18S6E57B1 [100472]
SUSPENSION, A-ARM and STRUT MOUNTING - A18S6E57B1 (100091]
SUSPENSION, FRONT STRUT - A18S6E57B1 [49ATVSTRUT10SP500I]
SUSPENSION, MID - A18S6E57B1 [100460]
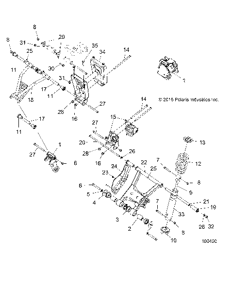
SUSPENSION, REAR - A18S6E57B1 [100461]
SUSPENSION, TORSION BAR - A18S6E57B1 [100459]
TOOLS, TOOL KIT - A18S6E57B1 [100039]
WHEELS, FRONT TIRE and BRAKE DISC - A18S6E57B1 [C101290]
WHEELS, REAR TIRE and BRAKE DISC - A18S6E57B1 [49ATVWHEELREAR11SP500]
BODY, CLUTCH COVER - A18S6E57B1 [49ATVCLUTCHCVR1570TRG]
BODY, DECALS - A18S6E57B1 [101291]
BODY, DUMP BOX - A18S6E57B1 [100466]
BODY, DUMP BOX LEVER and SHOCK MOUNTING - A18S6E57B1 [100467]
BODY, FRONT BUMPER and MOUNTING - A18S6E57B1 [100098]
BODY, FRONT CAB and SIDE PANELS - A18S6E57B1 [100463]
BODY, FRONT RACK EXTENDER - A18S6E57B1 [100473]
BODY, FUEL TANK ASM. - A18S6E57B1 [101444]
BODY, HEADLIGHT POD - A18S6E57B1 (100152)
BODY, PANEL - A18S6E57B1 [C101373]
BODY, REAR CAB and FOOTWELLS - A18S6E57B1 [100464]
BODY, REAR RACK and BOX SIDE RAILS - A18S6E57B1 [100630]
BODY, RIGHT HAND SIDE PANEL HEAT SHIELD AND HARDWARE 2 UP - A18S6E57B1 (101068)
BODY, SEAT - A18S6E57B1 [100469]
BODY, STORAGE, FRONT - A18S6E57B1 [49ATVSTORAGE15570AA]
BRAKES, BRAKE LINES - A18S6E57B1 [100457]
BRAKES, BRAKE PEDAL and MASTER CYLINDER - A18S6E57B1 [49ATVBRAKEFOOT11SP500]
BRAKES, FRONT BRAKE LEVER and MASTER CYLINDER - A18S6E57B1 (100994)
BRAKES, FRONT CALIPER - A18S6E57B1 (49RGRCALIPER10)
BRAKES, MID CALIPERS - A18S6E57B1 [49ATVBRAKERR09SP500]
BRAKES, REAR CALIPER - A18S6E57B1 (49ATVBRAKERR09SP500)
CHASSIS, FRAME - A18S6E57B1 [100451]
DRIVE TRAIN, FRONT DRIVE SHAFT - A18S6E57B1 (101258)
DRIVE TRAIN, FRONT GEARCASE - A18S6E57B1 (49ATVGEARCASE1333239)
DRIVE TRAIN, FRONT GEARCASE MOUNTING - A18S6E57B1 100458]
DRIVE TRAIN, FRONT PROP SHAFT - A18S6E57B1 [49ATVSHAFTPROP08SP500A]
DRIVE TRAIN, GEAR SELECTOR - A18S6E57B1 [49ATVGEARSELECT14SP570HD]
DRIVE TRAIN, MAIN GEARCASE - A18S6E57B1 [101385]
DRIVE TRAIN, MAIN GEARCASE MOUNTING - A18S6E57B1 [100455]
DRIVE TRAIN, PRIMARY CLUTCH - A18S6E57B1 [49ATVCLUTCH14SP570]
DRIVE TRAIN, REAR DRIVE SHAFT - A18S6E57B1 [101289]
DRIVE TRAIN, REAR GEARCASE INTERNALS - A18S6E57B1 [100453]
DRIVE TRAIN, REAR GEARCASE MOUNTING - A18S6E57B1 [100454]
DRIVE TRAIN, REAR MID DRIVE SHAFT - A18S6E57B1 (100631)
DRIVE TRAIN, REAR PROP SHAFT - A18S6E57B1 [101288]
DRIVE TRAIN, SECONDARY CLUTCH - A18S6E57B1 (49ATVCLUTCHDRIVEN1323248)
ELECTRICAL, BATTERY - A18S6E57B1 [100471]
ELECTRICAL, BULBS - A18S6E57B1 (49ATVBULBS1570SPTR)
ELECTRICAL, GAUGES and INDICATORS - A18S6E57B1 (100895)
ELECTRICAL, HARNESS - A18S6E57B1 [100470]
ELECTRICAL, HEADLIGHTS - A18S6E57B1 (49ATVHEADLTASM10SPXP550)
ELECTRICAL, IGNITION COIL, WIRE AND SPARK PLUG - A18S6E57B1 [49ATVIGNITION14SP570]
ELECTRICAL, SWITCHES, SENSORS and ECM - A18S6E57B1 [49ATVELECT14SP570]
ELECTRICAL, TAILLIGHTS - A18S6E57B1 [49ATVTAILLAMPS086X6]
ENGINE, AIR INTAKE SYSTEM - A18S6E57B1 [101159]
ENGINE, AIR INTAKE SYSTEM SUPPORT BRACKET - A18S6E57B1 [101065]
ENGINE, CAM CHAIN and SPROCKET - A18S6E57B1 [49RGRCAM12RZR570]
ENGINE, COOLING SYSTEM - A18S6E57B1 [101153]
ENGINE, CRANKCASE - A18S6E57B1 [100043]
ENGINE, CRANKSHAFT, PISTON and BALANCE SHAFT - A18S6E57B1 [49RGRPISTON12RZR570]
ENGINE, CYLINDER - A18S6E57B1 [49RGRCYLINDER12RZR570]
ENGINE, CYLINDER HEAD, CAMS and VALVES - A18S6E57B1 [100092]
ENGINE, EXHAUST - A18S6E57B1 [101292]
ENGINE, MOUNTING & LONG BLOCK - A18S6E57B1 [49ATVENGINEMTG15TRCTR]
ENGINE, OIL FILTER and DIPSTICK - A18S6E57B1 [49ATVOILFILTER14SP570]
ENGINE, OIL PUMP - A18S6E57B1 [49ATVOILPUMP15570AA]
ENGINE, STARTER DRIVE - A18S6E57B1 [49ATVSTARTER15570AA]
ENGINE, STATOR COVER and FLYWHEEL - A18S6E57B1 [100093]
ENGINE, THERMOSTAT and COVER - A18S6E57B1 [49RGRTHERMO12RZR570]
ENGINE, THROTTLE BODY and FUEL RAIL - A18S6E57B1 [49ATVTHROTTLEBODY15570AA]
ENGINE, VALVE COVER - A18S6E57B1 [49RGRVALVE12RZR570]
ENGINE, WATERPUMP IMPELLER and COVER - A18S6E57B1 [49ATVWATERPUMP14SP570]
REFERENCE, OWNERS MANUAL - A18S6E57B1 [49ATVOM07OTLW90]
STEERING, CONTROLS, THROTTLE ASM. and CABLE - A18S6E57B1 (101161)
STEERING, EPS - A18S6E57B1 [49ATVSTEERING14SP570]
STEERING, HANDLEBAR and CONTROLS - A18S6E57B1 [100472]
SUSPENSION, A-ARM and STRUT MOUNTING - A18S6E57B1 (100091]
SUSPENSION, FRONT STRUT - A18S6E57B1 [49ATVSTRUT10SP500I]
SUSPENSION, MID - A18S6E57B1 [100460]
SUSPENSION, REAR - A18S6E57B1 [100461]
SUSPENSION, TORSION BAR - A18S6E57B1 [100459]
TOOLS, TOOL KIT - A18S6E57B1 [100039]
WHEELS, FRONT TIRE and BRAKE DISC - A18S6E57B1 [C101290]
WHEELS, REAR TIRE and BRAKE DISC - A18S6E57B1 [49ATVWHEELREAR11SP500]
VIEW WISH LIST