Polaris
Browse New Models
Shop In-Stock
Honda
Browse New Models
Shop In-Stock
KTM
Browse New Models
Shop In-Stock
Beta
Browse New Models
Shop In-Stock
Timbersled
Browse New Models
1318 W 2nd St
,
The Dalles, OR
97058
541-298-1161
Search Inventory
Toggle navigation
Home
Brands
Inventory
All Inventory In Stock
New Inventory In Stock
Pre-Owned Inventory
Polaris Off-Road
Polaris Snowmobiles
Timbersled
Manufacturer Models
Value Your Trade-In
Request a Model
Government Purchasing Program
OEM Promotions
Secure Financing
Parts
Parts Department
Parts Finder
Shopping Cart
Service
Service Department
Warranty & Recall Look-Up
Schedule Polaris Service
Financing
About
Our Dealership
Our Team
Reviews
Customer Survey
Employment
Location & Hours
Contact
541-298-1161
The Dalles, OR
Fiche | Parts Diagrams
Home
›
Parts
›
Parts Finder
Search by :
Part / Desc
VIN
Please Select
Honda
KTM
Polaris
*Please enter at least 3 characters
SEARCH
Manufacturer
Polaris
ATVs
2019
INTL SPORTSMAN 570 X2 EPS TRACTOR (A19SWS57P1/P2)
VIEW WISH LIST
Select a Section
Show/Hide
BODY, BOX, REAR - A19SWS57P1/P2 (49ATVBOXRR15570X2)
BODY, CLUTCH COVER - A19SWS57P1/P2 (49ATVCLUTCHCVR1570TRG)
BODY, DECALS - A19SWS57P1/P2 (100721)
BODY, FRONT BUMPER and MOUNTING - A19SWS57P1/P2 (100726)
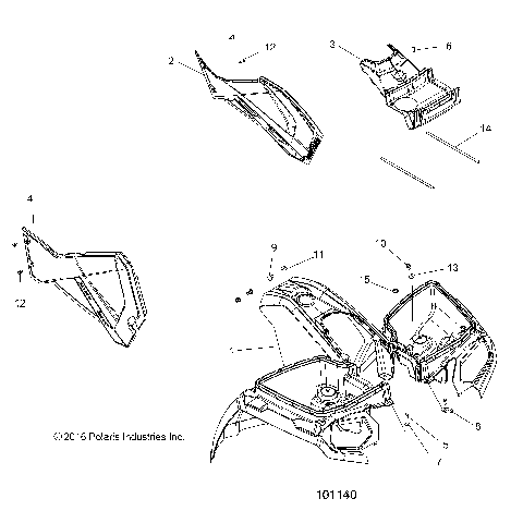
BODY, FRONT CAB and SIDE PANELS - A19SWS57P1/P2 (101140)
BODY, FUEL TANK ASM. - A19SWS57P1/P2 (101391)
BODY, HEADLIGHT POD - A19SWS57P1/P2 (100946)
BODY, MIRRORS - A19SWS57P1/P2 [49ATVMIRRORS14SP850F]
BODY, PANEL - A19SWS57P1/P2 [C101373]
BODY, REAR BOX FRAME AND PIVOT - A19SWS57P1/P2 (49ATVBOX15570X2)
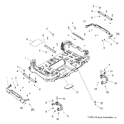
BODY, REAR CAB and FOOTWELLS - A19SWS57P1/P2 (100719)
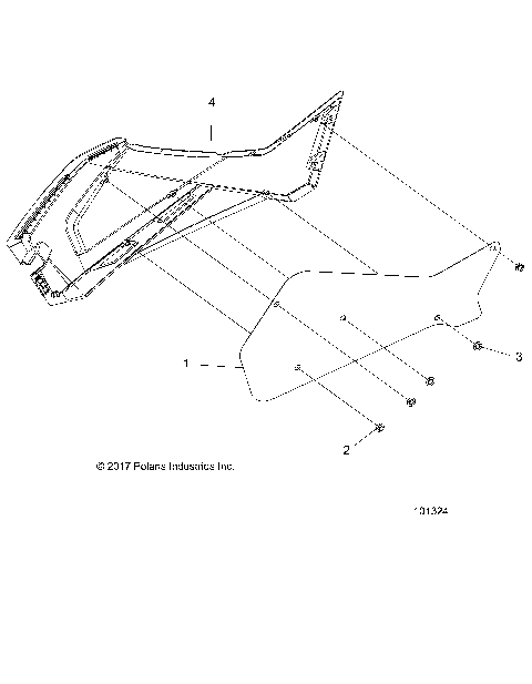
BODY, RIGHT HAND SIDE PANEL HEAT SHIELD AND HARDWARE 2 UP - A19SWS57P1/P2 (101324)
BODY, SEAT, OPERATOR - A19SWS57P1/P2 (49ATVSEAT15570X2)
BODY, SEAT, PASSENGER, BACK - A19SWS57P1/P2 (49ATVSEATBACK15570X2)
BODY, SEAT, PASSENGER, BOTTOM - A19SWS57P1/P2 (49ATVSEATBOTTOM15570X2)
BODY, STORAGE, FRONT - A19SWS57P1/P2 (49ATVSTORAGE15570AA)
BODY, TAILGATE - A19SWS57P1/P2 (49ATVTAILGATEMTG15570X2)
BODY, TAILGATE BRACKETS - A19SWS57P1/P2 (49ATVTAILGATEMTG1570X2)
BRAKES, BRAKE CALIPER, FRONT - A19SWS57P1/P2 [49ATVCALIPER08X2500QUAD]
BRAKES, BRAKE CALIPER, REAR - A19SWS57P1/P2 [4999200139920013B05]
BRAKES, BRAKE PEDAL and MASTER CYLINDER - A19SWS57P1/P2 [49ATVBRAKEFOOT11SP500F]
BRAKES, FRONT BRAKE LEVER and MASTER CYLINDER - A19SWS57P1/P2 (100932)
BRAKES, FRONT BRAKE LINES - A19SWS57P1/P2 [49ATVBRAKELINE14SP570F]
BRAKES, REAR BRAKE LINES - A19SWS57P1/P2 [49ATVBRAKELINERR15TRGEU]
BRAKES, VALVE SYSTEM - A19SWS57P1/P2 [49ATVBRAKEVALVE14SP570F]
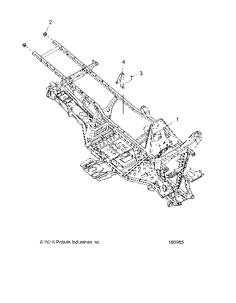
CHASSIS, FRAME - A19SWS57P1/P2 (100985)
CHASSIS, FUEL TANK SUPPORT BRACKET - A19SWS57P1/P2 (101209)
CHASSIS, HITCH - A19SWS57P1/P2 [100555]
CHASSIS, WINCH - A19SWS57P/P2 (100025)
DRIVE TRAIN, FRONT DRIVE SHAFT - A19SWS57P1/P2 (101258)
DRIVE TRAIN, FRONT GEARCASE - A19SWS57P1/P2 (49ATVGEARCASE1333239)
DRIVE TRAIN, FRONT GEARCASE MOUNTING - A19SWS57P1/P2 (49ATVGEARCASEMTG13SP500F)
DRIVE TRAIN, FRONT PROP SHAFT - A19SWS57P1/P2 (49ATVSHAFTPROP08SP500A)
DRIVE TRAIN, GEAR SELECTOR - A19SWS57P1/P2 (49ATVGEARSELECT14SP570HD)
DRIVE TRAIN, MAIN GEARCASE - A19SWS57P1/P2 (49ATVGEARCASE1333274)
DRIVE TRAIN, MAIN GEARCASE MOUNTING - A19SWS57P1/P2 (49ATVGEARCASEMTGN14SP500)
DRIVE TRAIN, PRIMARY CLUTCH - A19SWS57P1/P2 (49ATVCLUTCH14SP570)
DRIVE TRAIN, REAR DRIVE SHAFT - A19SWS57P1/P2 (100699)
DRIVE TRAIN, SECONDARY CLUTCH - A19SWS57P1/P2 (49ATVCLUTCHDRIVEN1323248)
ELECTRICAL, BATTERY - A19SWS57P1/P2 (100724)
ELECTRICAL, BULBS - A19SWS57P1/P2 [49ATVBULBS11SP500TR]
ELECTRICAL, ENGINE BLOCK HEATER - A19SWS57P1/P2 (NEEDNEWTIFF)
ELECTRICAL, GAUGES and INDICATORS - A19SWS57P1/P2 (100895)
ELECTRICAL, HAND AND THUMB WARMER - A19SWS57P1/P2 (100727)
ELECTRICAL, HARNESS - A19SWS57P1/P2 (101392)
ELECTRICAL, HEADLIGHTS - A19SWS57P1/P2 [49ATVHEADLTASM11SP500TR]
ELECTRICAL, IGNITION COIL, WIRE AND SPARK PLUG - A19SWS57P1/P2 (49ATVIGNITION14SP570)
ELECTRICAL, SWITCHES, SENSORS and ECM - A19SWS57P1/P2 [101393]
ELECTRICAL, TAILLIGHTS - A19SWS57P1/P2 (49ATVTAILLAMPS09SPX2500QD)
ELECTRICAL, TETHER SWITCH - A19SWS57P1/P2 [100711]
ELECTRICAL, TURN SIGNALS, HORN and LICENSE PLATE LIGHT - A19SWS57P1/P2 [C101380]
ELECTRICAL, VOLTAGE REGULATOR AND MOUNTING (FROM 11/30/2018) - A19SWS57P1/P2 (C101864)
ENGINE, AIR INTAKE SYSTEM - A19SWS57P1/P2 (101144)
ENGINE, AIR INTAKE SYSTEM SUPPORT BRACKET - A19SWS57P1/P2 [101065]
ENGINE, CAM CHAIN and SPROCKET - A19SWS57P1/P2 (C101422-17)
ENGINE, COOLING SYSTEM - A19SWS57P1/P2 (101200)
ENGINE, CRANKCASE - A19SWS57P1/P2 (100043)
ENGINE, CRANKSHAFT, PISTON and BALANCE SHAFT - A19SWS57P1/P2 (49RGRPISTON12RZR570)
ENGINE, CYLINDER - A19SWS57P1/P2 (49RGRCYLINDER12RZR570)
ENGINE, CYLINDER HEAD, CAMS and VALVES - A18SWS57C1 [C101422-20]
ENGINE, EXHAUST - A19SWS57P1/P2 [101390]
ENGINE, FUEL INJECTOR 2521068 O-RINGS - A19SWS57P1/P2 (101239)
ENGINE, MOUNTING & LONG BLOCK - A19SWS57P1/P2 (49ATVENGINEMTG15QUAD)
ENGINE, OIL FILTER and DIPSTICK - A19SWS57P1/P2 (C101422-8)
ENGINE, OIL PUMP - A19SWS57P1/P2 (49ATVOILPUMP15570AA)
ENGINE, STARTER DRIVE - A19SWS57P1/P2 (49ATVSTARTER15570AA)
ENGINE, STATOR COVER and FLYWHEEL - A19SWS57P1/P2 [100093]
ENGINE, THERMOSTAT and COVER - A19SWS57P1/P2 (C101422-22)
ENGINE, THROTTLE BODY and FUEL RAIL - A19SWS57P1/P2 [49RGRTHROTTLEBODY15TRGEU]
ENGINE, VALVE COVER - A19SWS57P1/P2 (49RGRVALVE12RZR570)
ENGINE, WATERPUMP IMPELLER and COVER - A19SWS57P1/P2 (49ATVWATERPUMP14SP570)
REFERENCE, OWNERS MANUAL - A19SWS57P1/P2 (49ATVOM07OTLW90)
STEERING, CONTROLS, THROTTLE ASM. and CABLE - A19SWS57P1/P2 [49ATVCONTROLS15TRCTR]
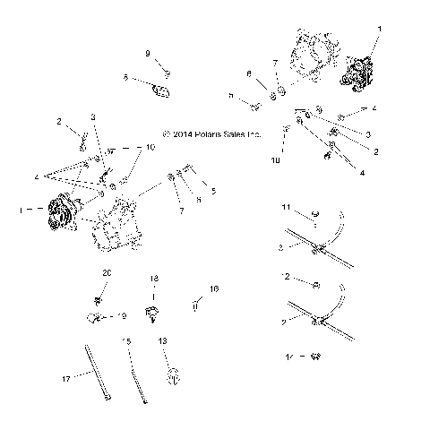
STEERING, EPS - A19SWS57P1/P2 (49ATVSTEERING14SP570)
STEERING, HANDLEBAR and CONTROLS - A19SWS57P1/P2 [101373]
SUSPENSION, A-ARM and STRUT MOUNTING - A19SWS57P1/P2 [C101367]
SUSPENSION, FRONT STRUT - A19SWS57P1/P2 [49ATVSTRUT13SP500]
SUSPENSION, REAR - A19SWS57P1/P2 [C101361]
SUSPENSION, TORSION BAR - A19SWS57P1/P2 (49ATVTORSION14SP570)
TOOLS, TOOL KIT - A19SWS57P1/P2 [100039]
WHEELS, FRONT TIRE and BRAKE DISC - A19SWS57P1 (C101290)
WHEELS, FRONT TIRE and BRAKE DISC - A19SWS57P2 (101259)
WHEELS, REAR TIRE and BRAKE DISC - A19SWS57P1 (49ATVWHEELREAR11SP500)
WHEELS, REAR TIRE and BRAKE DISC - A19SWS57P2 (49ATVWHEELREAR15570SP)
BODY, BOX, REAR - A19SWS57P1/P2 (49ATVBOXRR15570X2)
BODY, CLUTCH COVER - A19SWS57P1/P2 (49ATVCLUTCHCVR1570TRG)
BODY, DECALS - A19SWS57P1/P2 (100721)
BODY, FRONT BUMPER and MOUNTING - A19SWS57P1/P2 (100726)
BODY, FRONT CAB and SIDE PANELS - A19SWS57P1/P2 (101140)
BODY, FUEL TANK ASM. - A19SWS57P1/P2 (101391)
BODY, HEADLIGHT POD - A19SWS57P1/P2 (100946)
BODY, MIRRORS - A19SWS57P1/P2 [49ATVMIRRORS14SP850F]
BODY, PANEL - A19SWS57P1/P2 [C101373]
BODY, REAR BOX FRAME AND PIVOT - A19SWS57P1/P2 (49ATVBOX15570X2)
BODY, REAR CAB and FOOTWELLS - A19SWS57P1/P2 (100719)
BODY, RIGHT HAND SIDE PANEL HEAT SHIELD AND HARDWARE 2 UP - A19SWS57P1/P2 (101324)
BODY, SEAT, OPERATOR - A19SWS57P1/P2 (49ATVSEAT15570X2)
BODY, SEAT, PASSENGER, BACK - A19SWS57P1/P2 (49ATVSEATBACK15570X2)
BODY, SEAT, PASSENGER, BOTTOM - A19SWS57P1/P2 (49ATVSEATBOTTOM15570X2)
BODY, STORAGE, FRONT - A19SWS57P1/P2 (49ATVSTORAGE15570AA)
BODY, TAILGATE - A19SWS57P1/P2 (49ATVTAILGATEMTG15570X2)
BODY, TAILGATE BRACKETS - A19SWS57P1/P2 (49ATVTAILGATEMTG1570X2)
BRAKES, BRAKE CALIPER, FRONT - A19SWS57P1/P2 [49ATVCALIPER08X2500QUAD]
BRAKES, BRAKE CALIPER, REAR - A19SWS57P1/P2 [4999200139920013B05]
BRAKES, BRAKE PEDAL and MASTER CYLINDER - A19SWS57P1/P2 [49ATVBRAKEFOOT11SP500F]
BRAKES, FRONT BRAKE LEVER and MASTER CYLINDER - A19SWS57P1/P2 (100932)
BRAKES, FRONT BRAKE LINES - A19SWS57P1/P2 [49ATVBRAKELINE14SP570F]
BRAKES, REAR BRAKE LINES - A19SWS57P1/P2 [49ATVBRAKELINERR15TRGEU]
BRAKES, VALVE SYSTEM - A19SWS57P1/P2 [49ATVBRAKEVALVE14SP570F]
CHASSIS, FRAME - A19SWS57P1/P2 (100985)
CHASSIS, FUEL TANK SUPPORT BRACKET - A19SWS57P1/P2 (101209)
CHASSIS, HITCH - A19SWS57P1/P2 [100555]
CHASSIS, WINCH - A19SWS57P/P2 (100025)
DRIVE TRAIN, FRONT DRIVE SHAFT - A19SWS57P1/P2 (101258)
DRIVE TRAIN, FRONT GEARCASE - A19SWS57P1/P2 (49ATVGEARCASE1333239)
DRIVE TRAIN, FRONT GEARCASE MOUNTING - A19SWS57P1/P2 (49ATVGEARCASEMTG13SP500F)
DRIVE TRAIN, FRONT PROP SHAFT - A19SWS57P1/P2 (49ATVSHAFTPROP08SP500A)
DRIVE TRAIN, GEAR SELECTOR - A19SWS57P1/P2 (49ATVGEARSELECT14SP570HD)
DRIVE TRAIN, MAIN GEARCASE - A19SWS57P1/P2 (49ATVGEARCASE1333274)
DRIVE TRAIN, MAIN GEARCASE MOUNTING - A19SWS57P1/P2 (49ATVGEARCASEMTGN14SP500)
DRIVE TRAIN, PRIMARY CLUTCH - A19SWS57P1/P2 (49ATVCLUTCH14SP570)
DRIVE TRAIN, REAR DRIVE SHAFT - A19SWS57P1/P2 (100699)
DRIVE TRAIN, SECONDARY CLUTCH - A19SWS57P1/P2 (49ATVCLUTCHDRIVEN1323248)
ELECTRICAL, BATTERY - A19SWS57P1/P2 (100724)
ELECTRICAL, BULBS - A19SWS57P1/P2 [49ATVBULBS11SP500TR]
ELECTRICAL, ENGINE BLOCK HEATER - A19SWS57P1/P2 (NEEDNEWTIFF)
ELECTRICAL, GAUGES and INDICATORS - A19SWS57P1/P2 (100895)
ELECTRICAL, HAND AND THUMB WARMER - A19SWS57P1/P2 (100727)
ELECTRICAL, HARNESS - A19SWS57P1/P2 (101392)
ELECTRICAL, HEADLIGHTS - A19SWS57P1/P2 [49ATVHEADLTASM11SP500TR]
ELECTRICAL, IGNITION COIL, WIRE AND SPARK PLUG - A19SWS57P1/P2 (49ATVIGNITION14SP570)
ELECTRICAL, SWITCHES, SENSORS and ECM - A19SWS57P1/P2 [101393]
ELECTRICAL, TAILLIGHTS - A19SWS57P1/P2 (49ATVTAILLAMPS09SPX2500QD)
ELECTRICAL, TETHER SWITCH - A19SWS57P1/P2 [100711]
ELECTRICAL, TURN SIGNALS, HORN and LICENSE PLATE LIGHT - A19SWS57P1/P2 [C101380]
ELECTRICAL, VOLTAGE REGULATOR AND MOUNTING (FROM 11/30/2018) - A19SWS57P1/P2 (C101864)
ENGINE, AIR INTAKE SYSTEM - A19SWS57P1/P2 (101144)
ENGINE, AIR INTAKE SYSTEM SUPPORT BRACKET - A19SWS57P1/P2 [101065]
ENGINE, CAM CHAIN and SPROCKET - A19SWS57P1/P2 (C101422-17)
ENGINE, COOLING SYSTEM - A19SWS57P1/P2 (101200)
ENGINE, CRANKCASE - A19SWS57P1/P2 (100043)
ENGINE, CRANKSHAFT, PISTON and BALANCE SHAFT - A19SWS57P1/P2 (49RGRPISTON12RZR570)
ENGINE, CYLINDER - A19SWS57P1/P2 (49RGRCYLINDER12RZR570)
ENGINE, CYLINDER HEAD, CAMS and VALVES - A18SWS57C1 [C101422-20]
ENGINE, EXHAUST - A19SWS57P1/P2 [101390]
ENGINE, FUEL INJECTOR 2521068 O-RINGS - A19SWS57P1/P2 (101239)
ENGINE, MOUNTING & LONG BLOCK - A19SWS57P1/P2 (49ATVENGINEMTG15QUAD)
ENGINE, OIL FILTER and DIPSTICK - A19SWS57P1/P2 (C101422-8)
ENGINE, OIL PUMP - A19SWS57P1/P2 (49ATVOILPUMP15570AA)
ENGINE, STARTER DRIVE - A19SWS57P1/P2 (49ATVSTARTER15570AA)
ENGINE, STATOR COVER and FLYWHEEL - A19SWS57P1/P2 [100093]
ENGINE, THERMOSTAT and COVER - A19SWS57P1/P2 (C101422-22)
ENGINE, THROTTLE BODY and FUEL RAIL - A19SWS57P1/P2 [49RGRTHROTTLEBODY15TRGEU]
ENGINE, VALVE COVER - A19SWS57P1/P2 (49RGRVALVE12RZR570)
ENGINE, WATERPUMP IMPELLER and COVER - A19SWS57P1/P2 (49ATVWATERPUMP14SP570)
REFERENCE, OWNERS MANUAL - A19SWS57P1/P2 (49ATVOM07OTLW90)
STEERING, CONTROLS, THROTTLE ASM. and CABLE - A19SWS57P1/P2 [49ATVCONTROLS15TRCTR]
STEERING, EPS - A19SWS57P1/P2 (49ATVSTEERING14SP570)
STEERING, HANDLEBAR and CONTROLS - A19SWS57P1/P2 [101373]
SUSPENSION, A-ARM and STRUT MOUNTING - A19SWS57P1/P2 [C101367]
SUSPENSION, FRONT STRUT - A19SWS57P1/P2 [49ATVSTRUT13SP500]
SUSPENSION, REAR - A19SWS57P1/P2 [C101361]
SUSPENSION, TORSION BAR - A19SWS57P1/P2 (49ATVTORSION14SP570)
TOOLS, TOOL KIT - A19SWS57P1/P2 [100039]
WHEELS, FRONT TIRE and BRAKE DISC - A19SWS57P1 (C101290)
WHEELS, FRONT TIRE and BRAKE DISC - A19SWS57P2 (101259)
WHEELS, REAR TIRE and BRAKE DISC - A19SWS57P1 (49ATVWHEELREAR11SP500)
WHEELS, REAR TIRE and BRAKE DISC - A19SWS57P2 (49ATVWHEELREAR15570SP)
VIEW WISH LIST