Polaris
Browse New Models
Shop In-Stock
Honda
Browse New Models
Shop In-Stock
KTM
Browse New Models
Shop In-Stock
Beta
Browse New Models
Shop In-Stock
Timbersled
Browse New Models
1318 W 2nd St
,
The Dalles, OR
97058
541-298-1161
Search Inventory
Toggle navigation
Home
Brands
Inventory
All Inventory In Stock
New Inventory In Stock
Pre-Owned Inventory
Polaris Off-Road
Polaris Snowmobiles
Timbersled
Manufacturer Models
Value Your Trade-In
Request a Model
Government Purchasing Program
OEM Promotions
Secure Financing
Parts
Parts Department
Parts Finder
Shopping Cart
Service
Service Department
Warranty & Recall Look-Up
Schedule Polaris Service
Financing
About
Our Dealership
Our Team
Reviews
Customer Survey
Employment
Location & Hours
Contact
541-298-1161
The Dalles, OR
Fiche | Parts Diagrams
Home
›
Parts
›
Parts Finder
Search by :
Part / Desc
VIN
Please Select
Honda
KTM
Polaris
*Please enter at least 3 characters
SEARCH
Manufacturer
Polaris
ATVs
2024
OUTLAW 110 (A24YAK11B1/B5)
VIEW WISH LIST
Select a Section
Show/Hide
BODY, CAB and SEAT - A24YAK11B1/B5 (49ATVCAB07OTLW90)
BODY, DECALS - A24YAK11B1/B5 (A00071)
BODY, FUEL TANK ASM. - A24YAK11B1/B5 (A00068)
BRAKES, FRONT - A24YAK11B1/B5 (4999202399920239B11)
BRAKES, REAR - A24YAK11B1/B5 (49ATVBRAKERR08OUT90)
CHASSIS, A-ARM and FOOTREST - A24YAK11B1/B5 (A00049)
CHASSIS, BUMPER - A24YAK11B1/B5 (49ATVBUMPER07OTLW90)
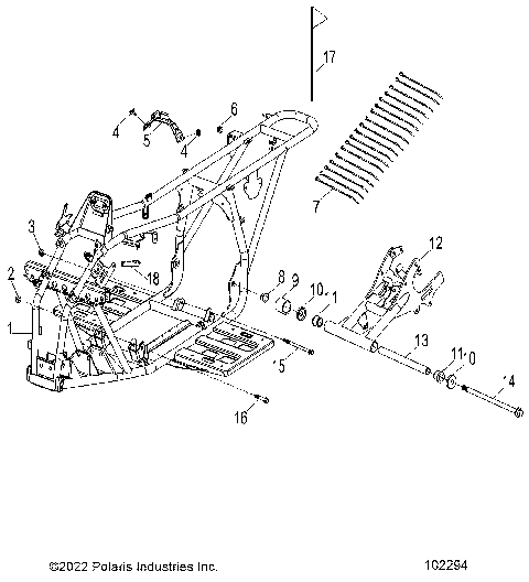
CHASSIS, FRAME - A24YAK11B1/B5 (102294)
DRIVE TRAIN, CHAIN - A24YAK11B1/B5 (49ATVCHAIN08OUT90)
DRIVE TRAIN, PRIMARY AND SECONDARY CLUTCHS - A24YAK11B1/B5 (A00006)
DRIVE TRAIN, TRANSMISSION - A24YAK11B6/B7 (A00072)
DRIVE TRAIN, TRANSMISSION SHIFT LEVER - A24YAK11B1/B5 (49ATVSHIFT07OTLW90)
ELECTRICAL, HEADLIGHT and TAILLIGHT - A24YAK11B1/B5 (49ATVHEADLIGHT07OTLW90)
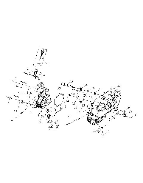
ELECTRICAL, SWITCHES, HARNESS and INDICATORS - A24YAK11B1/B5 (102293)
ENGINE, AIR INTAKE SYSTEM - A24YAK11B1/B5 (A00009)
ENGINE, CAM CHAIN - A24YAK11B1/B5 (49AT6VCAMCHAIN07OTLW90)
ENGINE, CLUTCH COVER - A24YAK11B1/B5 (A00014)
ENGINE, CRANKCASE - A24YAK11B1/B5 (A00045)
ENGINE, CRANKCASE COVER, RH - A24YAK11B1/B5 (49ATVCRANKCASECVRRH07OTLW90)
ENGINE, CRANKSHAFT and PISTON - A24YAK11B1/B5 (A00034)
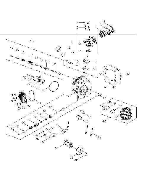
ENGINE, CYLINDER - A24YAK11B1/B5 (A00015)
ENGINE, CYLINDER HEAD - A24YAK11B1/B5 (A00037)
ENGINE, EXHAUST - A24YAK11B1/B5 (A00053)
ENGINE, FUEL INJECTION - A24YAK11B1/B5 (A00008)
ENGINE, GENERATOR and STARTING MOTOR - A24YAK11B1/B5 (A00042)
ENGINE, OIL PUMP - A24YAK11B1/B5 (49ATVOILPUMP07OTLW90)
ENGINE, STARTER - A24YAK11B1/B5 (49ATVSTARTER207OTLW90)
REFERENCES, MANUAL and SETUP INFORMATION - A24YAK11B1/B5 (102302)
REFERENCES, MANUAL and SETUP INFORMATION - A24YAK11B1/B5 (49ATVTOOL09SP90)
STEERING, HANDLEBAR - A24YAK11B1/B5 (A00051)
STEERING, STEERING POST and TIE ROD ASM. - A24YAK11B1/B5 (49ATVSTEERING13OUT90)
SUSPENSION, SHOCKS - A24YAK11B1/B5 (A00027)
WHEELS, FRONT - A24YAK11B1/B5 (49ATVWHEELFRT07OTLW90)
WHEELS, REAR - A24YAK11B1/B5 (49ATVWHEELREAR07OTLW90)
WHEELS, REAR AXLE - A24YAK11B1/B5 (4999202399920239B14)
BODY, CAB and SEAT - A24YAK11B1/B5 (49ATVCAB07OTLW90)
BODY, DECALS - A24YAK11B1/B5 (A00071)
BODY, FUEL TANK ASM. - A24YAK11B1/B5 (A00068)
BRAKES, FRONT - A24YAK11B1/B5 (4999202399920239B11)
BRAKES, REAR - A24YAK11B1/B5 (49ATVBRAKERR08OUT90)
CHASSIS, A-ARM and FOOTREST - A24YAK11B1/B5 (A00049)
CHASSIS, BUMPER - A24YAK11B1/B5 (49ATVBUMPER07OTLW90)
CHASSIS, FRAME - A24YAK11B1/B5 (102294)
DRIVE TRAIN, CHAIN - A24YAK11B1/B5 (49ATVCHAIN08OUT90)
DRIVE TRAIN, PRIMARY AND SECONDARY CLUTCHS - A24YAK11B1/B5 (A00006)
DRIVE TRAIN, TRANSMISSION - A24YAK11B6/B7 (A00072)
DRIVE TRAIN, TRANSMISSION SHIFT LEVER - A24YAK11B1/B5 (49ATVSHIFT07OTLW90)
ELECTRICAL, HEADLIGHT and TAILLIGHT - A24YAK11B1/B5 (49ATVHEADLIGHT07OTLW90)
ELECTRICAL, SWITCHES, HARNESS and INDICATORS - A24YAK11B1/B5 (102293)
ENGINE, AIR INTAKE SYSTEM - A24YAK11B1/B5 (A00009)
ENGINE, CAM CHAIN - A24YAK11B1/B5 (49AT6VCAMCHAIN07OTLW90)
ENGINE, CLUTCH COVER - A24YAK11B1/B5 (A00014)
ENGINE, CRANKCASE - A24YAK11B1/B5 (A00045)
ENGINE, CRANKCASE COVER, RH - A24YAK11B1/B5 (49ATVCRANKCASECVRRH07OTLW90)
ENGINE, CRANKSHAFT and PISTON - A24YAK11B1/B5 (A00034)
ENGINE, CYLINDER - A24YAK11B1/B5 (A00015)
ENGINE, CYLINDER HEAD - A24YAK11B1/B5 (A00037)
ENGINE, EXHAUST - A24YAK11B1/B5 (A00053)
ENGINE, FUEL INJECTION - A24YAK11B1/B5 (A00008)
ENGINE, GENERATOR and STARTING MOTOR - A24YAK11B1/B5 (A00042)
ENGINE, OIL PUMP - A24YAK11B1/B5 (49ATVOILPUMP07OTLW90)
ENGINE, STARTER - A24YAK11B1/B5 (49ATVSTARTER207OTLW90)
REFERENCES, MANUAL and SETUP INFORMATION - A24YAK11B1/B5 (102302)
REFERENCES, MANUAL and SETUP INFORMATION - A24YAK11B1/B5 (49ATVTOOL09SP90)
STEERING, HANDLEBAR - A24YAK11B1/B5 (A00051)
STEERING, STEERING POST and TIE ROD ASM. - A24YAK11B1/B5 (49ATVSTEERING13OUT90)
SUSPENSION, SHOCKS - A24YAK11B1/B5 (A00027)
WHEELS, FRONT - A24YAK11B1/B5 (49ATVWHEELFRT07OTLW90)
WHEELS, REAR - A24YAK11B1/B5 (49ATVWHEELREAR07OTLW90)
WHEELS, REAR AXLE - A24YAK11B1/B5 (4999202399920239B14)
VIEW WISH LIST