Polaris
Browse New Models
Shop In-Stock
Honda
Browse New Models
Shop In-Stock
KTM
Browse New Models
Shop In-Stock
Beta
Browse New Models
Shop In-Stock
Timbersled
Browse New Models
1318 W 2nd St
,
The Dalles, OR
97058
541-298-1161
Search Inventory
Toggle navigation
Home
Brands
Inventory
All Inventory In Stock
New Inventory In Stock
Pre-Owned Inventory
Polaris Off-Road
Polaris Snowmobiles
Timbersled
Manufacturer Models
Value Your Trade-In
Request a Model
Government Purchasing Program
OEM Promotions
Secure Financing
Parts
Parts Department
Parts Finder
Shopping Cart
Service
Service Department
Warranty & Recall Look-Up
Schedule Polaris Service
Financing
About
Our Dealership
Our Team
Reviews
Customer Survey
Employment
Location & Hours
Contact
541-298-1161
The Dalles, OR
Fiche | Parts Diagrams
Home
›
Parts
›
Parts Finder
Search by :
Part / Desc
VIN
Please Select
Honda
KTM
Polaris
*Please enter at least 3 characters
SEARCH
Manufacturer
Polaris
ATVs
2026
INTL SPORTSMAN 110 MD (A26YFA11N5)
VIEW WISH LIST
Select a Section
Show/Hide
BODY, CAB and SEAT - A26YFA11N5 (49ATVCAB07SPRT90)
BODY, DECALS - A26YFA11N5 (A00073)
BODY, FUEL TANK and HOSES - A26YFA11N5 (A00067)
BRAKES, FRONT - A26YFA11N5 (4999202399920239B11)
BRAKES, REAR - A26YFA11N5 (49ATVBRAKERR08OUT90)
CHASSIS, A-ARM and FOOTREST - A26YFA11N5 (A00049)
CHASSIS, BUMPER - A26YFA11N5 (49ATVBUMPER09SP90)
CHASSIS, FRAME - A26YFA11N5 (102294)
DRIVE TRAIN, DRIVE CHAIN and GUARD - A26YFA11N5 (49ATVCHAIN08OUT90)
DRIVE TRAIN, PRIMARY AND SECONDARY CLUTCHS - A26YFA11N5 (A00006)
DRIVE TRAIN, TRANSMISSION - A26YFA11N5 (A00057)
DRIVE TRAIN, TRANSMISSION SHIFT LEVER - A26YFA11N5 (49ATVSHIFT07OTLW90)
ELECTRICAL, TAILLIGHT - A25YFA11N5 (49ATVHEADLIGHT07SPRT90)
ENGINE, AIR INTAKE SYSTEM - A25YFA11N5 (A00009)
ENGINE, CAM CHAIN - A25YFA11N5 (49ATVCAMCHAIN07OTLW90)
ENGINE, CLUTCH COVER - A25YFA11N5 (A00014)
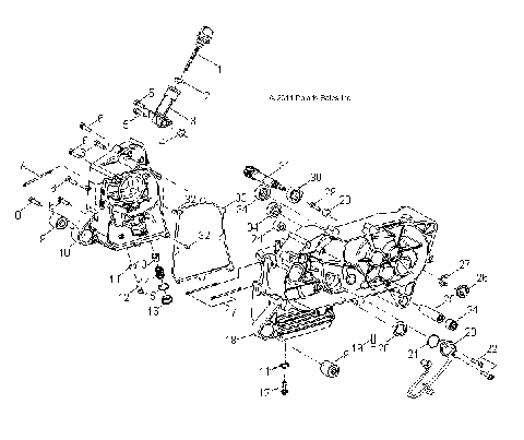
ENGINE, CRANKCASE - A25YFA11N5 (49ATVCRANKCASE12SP90)
ENGINE, CRANKCASE COVER, RH - A25YFA11N5 (49ATVCRANKCASECVRRH07OTLW90)
ENGINE, CRANKSHAFT and PISTON - A25YFA11N5 (A00034)
ENGINE, CYLINDER - A25YFA11N5 (A00015)
ENGINE, EXHAUST - A25YFA11N5 (A00053)
ENGINE, FUEL INJECTION - A25YFA11N5 (A00008)
ENGINE, OIL PUMP - A25YFA11N5 (49ATVOILPUMP07OTLW90)
ENGINE, STARTER - A25YFA11N5 (49ATVSTARTER207OTLW90)
ENGINE, STATOR and STARTING MOTOR - A25YFA11N5 (A00007)
REFERENCES, MANUAL and SETUP INFORMATION - A25YFA11N5 (102302)
STEERING, HANDLEBAR - A25YFA11N5 (A00052)
STEERING, STEERING POST and TIE ROD ASM. - A25YFA11N5 (49ATVSTEERING13OUT90)
SUSPENSION, SHOCKS - A25YFA11N5 (A00027)
WHEELS, FRONT - A25YFA11N5 (49ATVWHEELFRT07SPRT90)
WHEELS, REAR - A25YFA11N5 (49ATVWHEELREAR07SPRT90)
WHEELS, REAR AXLE - A25YFA11N5 (4999202399920239B14)
BODY, CAB and SEAT - A26YFA11N5 (49ATVCAB07SPRT90)
BODY, DECALS - A26YFA11N5 (A00073)
BODY, FUEL TANK and HOSES - A26YFA11N5 (A00067)
BRAKES, FRONT - A26YFA11N5 (4999202399920239B11)
BRAKES, REAR - A26YFA11N5 (49ATVBRAKERR08OUT90)
CHASSIS, A-ARM and FOOTREST - A26YFA11N5 (A00049)
CHASSIS, BUMPER - A26YFA11N5 (49ATVBUMPER09SP90)
CHASSIS, FRAME - A26YFA11N5 (102294)
DRIVE TRAIN, DRIVE CHAIN and GUARD - A26YFA11N5 (49ATVCHAIN08OUT90)
DRIVE TRAIN, PRIMARY AND SECONDARY CLUTCHS - A26YFA11N5 (A00006)
DRIVE TRAIN, TRANSMISSION - A26YFA11N5 (A00057)
DRIVE TRAIN, TRANSMISSION SHIFT LEVER - A26YFA11N5 (49ATVSHIFT07OTLW90)
ELECTRICAL, TAILLIGHT - A25YFA11N5 (49ATVHEADLIGHT07SPRT90)
ENGINE, AIR INTAKE SYSTEM - A25YFA11N5 (A00009)
ENGINE, CAM CHAIN - A25YFA11N5 (49ATVCAMCHAIN07OTLW90)
ENGINE, CLUTCH COVER - A25YFA11N5 (A00014)
ENGINE, CRANKCASE - A25YFA11N5 (49ATVCRANKCASE12SP90)
ENGINE, CRANKCASE COVER, RH - A25YFA11N5 (49ATVCRANKCASECVRRH07OTLW90)
ENGINE, CRANKSHAFT and PISTON - A25YFA11N5 (A00034)
ENGINE, CYLINDER - A25YFA11N5 (A00015)
ENGINE, EXHAUST - A25YFA11N5 (A00053)
ENGINE, FUEL INJECTION - A25YFA11N5 (A00008)
ENGINE, OIL PUMP - A25YFA11N5 (49ATVOILPUMP07OTLW90)
ENGINE, STARTER - A25YFA11N5 (49ATVSTARTER207OTLW90)
ENGINE, STATOR and STARTING MOTOR - A25YFA11N5 (A00007)
REFERENCES, MANUAL and SETUP INFORMATION - A25YFA11N5 (102302)
STEERING, HANDLEBAR - A25YFA11N5 (A00052)
STEERING, STEERING POST and TIE ROD ASM. - A25YFA11N5 (49ATVSTEERING13OUT90)
SUSPENSION, SHOCKS - A25YFA11N5 (A00027)
WHEELS, FRONT - A25YFA11N5 (49ATVWHEELFRT07SPRT90)
WHEELS, REAR - A25YFA11N5 (49ATVWHEELREAR07SPRT90)
WHEELS, REAR AXLE - A25YFA11N5 (4999202399920239B14)
VIEW WISH LIST