Polaris
Browse New Models
Shop In-Stock
Honda
Browse New Models
Shop In-Stock
KTM
Browse New Models
Shop In-Stock
Beta
Browse New Models
Shop In-Stock
Timbersled
Browse New Models
1318 W 2nd St
,
The Dalles, OR
97058
541-298-1161
Search Inventory
Toggle navigation
Home
Brands
Inventory
All Inventory In Stock
New Inventory In Stock
Pre-Owned Inventory
Polaris Off-Road
Polaris Snowmobiles
Timbersled
Manufacturer Models
Value Your Trade-In
Request a Model
Government Purchasing Program
OEM Promotions
Secure Financing
Parts
Parts Department
Parts Finder
Shopping Cart
Service
Service Department
Warranty & Recall Look-Up
Schedule Polaris Service
Financing
About
Our Dealership
Our Team
Reviews
Customer Survey
Employment
Location & Hours
Contact
541-298-1161
The Dalles, OR
Fiche | Parts Diagrams
Home
›
Parts
›
Parts Finder
Search by :
Part / Desc
VIN
Please Select
Honda
KTM
Polaris
*Please enter at least 3 characters
SEARCH
Manufacturer
Polaris
Snowmobiles
2007
500 XC SP (S07NP5CS/CE)
VIEW WISH LIST
Select a Section
Show/Hide
BRAKE SYSTEM - S07NP5CS/CE (49SNOWBRAKE500XCSP)
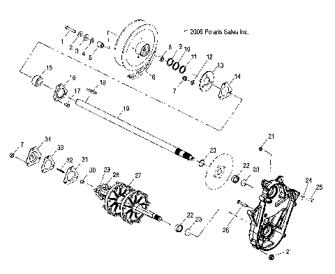
CHAINCASE - S07NP5CS/CE (4997259725B06)
CHASSIS - S07NP5CS/CE (49SNOWCHASSIS500XCSP)
CONSOLE - S07NP5CS/CE (4997259725A13)
COOLING SYSTEM - S07NP5CS/CE (4997259725B05)
DECAL - S07NP5CS/CE (49SNOWDECAL500XCSP)
DRIVE CLUTCH - S07NP5CS/CE (49SNOWDRIVECLUTCH500XCSP)
DRIVE TRAIN - S07NP5CS/CE (49SNOWDRIVETRAIN500XCSP)
DRIVEN CLUTCH - S07NP5CS/CE (49SNOWDRIVENCLUTCHTRAILRMK)
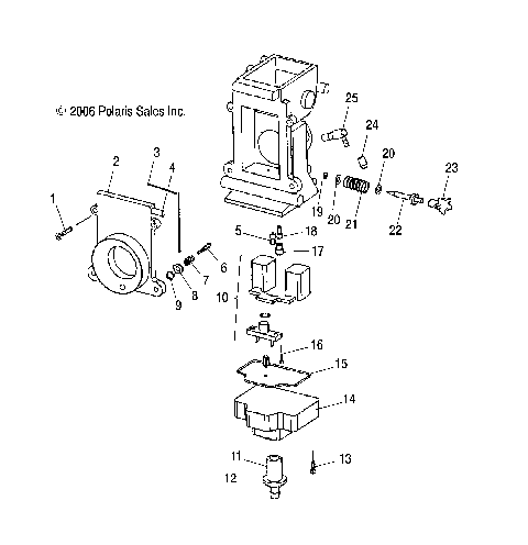
ENGINE, CARBURETOR - S07NP5CS/CE (49SNOWCARBURETOR600HO)
ENGINE, CARBURETOR, LOWER - S07NP5CS/CE (49SNOWCARBLOWER500XCSP)
ENGINE, CARBURETOR, UPPER - S07NP5CS/CE (49SNOWCARBUPPER600HO)
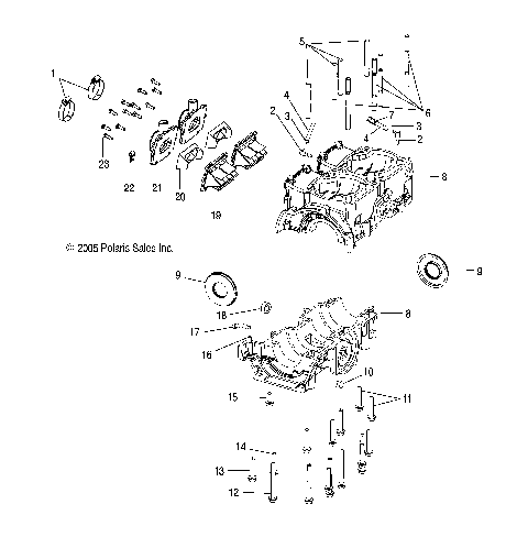
ENGINE, CRANKCASE - S07NP5CS/CE (4997259725C06)
ENGINE, CYLINDER - S07NP5CS/CE (4997259725C07)
ENGINE, MAGNETO - S07NP5CS/CE (4997259725C12)
ENGINE, MOUNTING - S07NP5CS/CE (4997259725C05)
ENGINE, PISTON and CRANKSHAFT - S07NP5CS/CE (4997259725C11)
ENGINE, RECOIL STARTER - S07NP5CS/CE (4997259725C13)
ENGINE, WATER PUMP/OIL PUMP - S07NP5CS/CE (4997259725C10)
EXHAUST - S0NP5CS/CE (4997259725C04)
FUEL SYSTEM - S07NP5CS/CE (4997259725A05)
HANDLEBAR - S07NP5CS/CE (49SNOWHANDLEBAR500XCSP)
HOOD - S07NP5CS/CE (4997259725A09)
HOOD - S07NP5CS/CE (49SNOWHOODHEADLIGHT500XCSP)
HOOD FOIL/FOAM - S07NP5CS/CE (4997259725A10)
NOSEPAN - S07NP5CS/CE (49SNOWNOSEPAN500XCSP)
NOSEPAN - S07NP5CS/CE (49SNOWNOSEPANFOIL500XCSP)
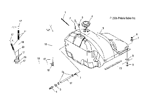
OIL TANK/AIR BOX - S07NP5CS/CE (4997259725C02)
RAIL MOUNTING - S07NP5CS/CE (4997259725B07)
SEAT - S07NP5CS/CE (4997219721A04)
SHOCK, FRONT TRACK (7041975) - S07NP5CS/CE (49SNOWSHOCKFRONT7041975)
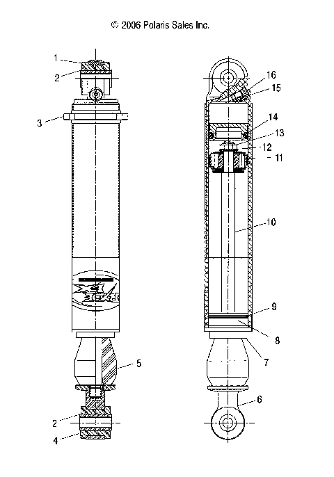
SHOCK, IFS (7043082) - S07NP5CS/CE (49SNOWSHOCKIFS7043082)
SKI - S07NP5CS/CE (49SNOWSKIASMTRAILRMK)
STEERING, LOWER - S07NP5CS/CE (4997259725B01)
STEERING/POST - S07NP5CS/CE (4997259725B02)
SUSPENSION, FRONT - S0NP5CS/CE (4997259725A12)
SUSPENSION, REAR - S07NP5CS/CE (4997259725B08)
TOOL KIT - S07NP5CS/CE (49SNOWTOOL500XCSP)
TORQUE ARM, FRONT - S07NP5CS/CE (4997259725B09)
TORQUE ARM, REAR - S07NP5CS/CE (4997239723B08)
BRAKE SYSTEM - S07NP5CS/CE (49SNOWBRAKE500XCSP)
CHAINCASE - S07NP5CS/CE (4997259725B06)
CHASSIS - S07NP5CS/CE (49SNOWCHASSIS500XCSP)
CONSOLE - S07NP5CS/CE (4997259725A13)
COOLING SYSTEM - S07NP5CS/CE (4997259725B05)
DECAL - S07NP5CS/CE (49SNOWDECAL500XCSP)
DRIVE CLUTCH - S07NP5CS/CE (49SNOWDRIVECLUTCH500XCSP)
DRIVE TRAIN - S07NP5CS/CE (49SNOWDRIVETRAIN500XCSP)
DRIVEN CLUTCH - S07NP5CS/CE (49SNOWDRIVENCLUTCHTRAILRMK)
ENGINE, CARBURETOR - S07NP5CS/CE (49SNOWCARBURETOR600HO)
ENGINE, CARBURETOR, LOWER - S07NP5CS/CE (49SNOWCARBLOWER500XCSP)
ENGINE, CARBURETOR, UPPER - S07NP5CS/CE (49SNOWCARBUPPER600HO)
ENGINE, CRANKCASE - S07NP5CS/CE (4997259725C06)
ENGINE, CYLINDER - S07NP5CS/CE (4997259725C07)
ENGINE, MAGNETO - S07NP5CS/CE (4997259725C12)
ENGINE, MOUNTING - S07NP5CS/CE (4997259725C05)
ENGINE, PISTON and CRANKSHAFT - S07NP5CS/CE (4997259725C11)
ENGINE, RECOIL STARTER - S07NP5CS/CE (4997259725C13)
ENGINE, WATER PUMP/OIL PUMP - S07NP5CS/CE (4997259725C10)
EXHAUST - S0NP5CS/CE (4997259725C04)
FUEL SYSTEM - S07NP5CS/CE (4997259725A05)
HANDLEBAR - S07NP5CS/CE (49SNOWHANDLEBAR500XCSP)
HOOD - S07NP5CS/CE (4997259725A09)
HOOD - S07NP5CS/CE (49SNOWHOODHEADLIGHT500XCSP)
HOOD FOIL/FOAM - S07NP5CS/CE (4997259725A10)
NOSEPAN - S07NP5CS/CE (49SNOWNOSEPAN500XCSP)
NOSEPAN - S07NP5CS/CE (49SNOWNOSEPANFOIL500XCSP)
OIL TANK/AIR BOX - S07NP5CS/CE (4997259725C02)
RAIL MOUNTING - S07NP5CS/CE (4997259725B07)
SEAT - S07NP5CS/CE (4997219721A04)
SHOCK, FRONT TRACK (7041975) - S07NP5CS/CE (49SNOWSHOCKFRONT7041975)
SHOCK, IFS (7043082) - S07NP5CS/CE (49SNOWSHOCKIFS7043082)
SKI - S07NP5CS/CE (49SNOWSKIASMTRAILRMK)
STEERING, LOWER - S07NP5CS/CE (4997259725B01)
STEERING/POST - S07NP5CS/CE (4997259725B02)
SUSPENSION, FRONT - S0NP5CS/CE (4997259725A12)
SUSPENSION, REAR - S07NP5CS/CE (4997259725B08)
TOOL KIT - S07NP5CS/CE (49SNOWTOOL500XCSP)
TORQUE ARM, FRONT - S07NP5CS/CE (4997259725B09)
TORQUE ARM, REAR - S07NP5CS/CE (4997239723B08)
VIEW WISH LIST