Polaris
Browse New Models
Shop In-Stock
Honda
Browse New Models
Shop In-Stock
KTM
Browse New Models
Shop In-Stock
Beta
Browse New Models
Shop In-Stock
Timbersled
Browse New Models
1318 W 2nd St
,
The Dalles, OR
97058
541-298-1161
Search Inventory
Toggle navigation
Home
Brands
Inventory
All Inventory In Stock
New Inventory In Stock
Pre-Owned Inventory
Polaris Off-Road
Polaris Snowmobiles
Timbersled
Manufacturer Models
Value Your Trade-In
Request a Model
Government Purchasing Program
OEM Promotions
Secure Financing
Parts
Parts Department
Parts Finder
Shopping Cart
Service
Service Department
Warranty & Recall Look-Up
Schedule Polaris Service
Financing
About
Our Dealership
Our Team
Reviews
Customer Survey
Employment
Location & Hours
Contact
541-298-1161
The Dalles, OR
Fiche | Parts Diagrams
Home
›
Parts
›
Parts Finder
Search by :
Part / Desc
VIN
Please Select
Honda
KTM
Polaris
*Please enter at least 3 characters
SEARCH
Manufacturer
Polaris
Snowmobiles
2008
600 IQ RACER/EURO (S08MX6JS/JE)
VIEW WISH LIST
Select a Section
Show/Hide
BODY, CONSOLE MOUNTING - S08MX6JS/JE (4997179717A11)
BODY, DECALS - S08MX6JS/JE (49SNOWDECAL08600IQ)
BODY, HOOD ASM. - S08MX6JS/JE (49SNOWHOOD08600IQ)
BODY, HOOD FOAM and FOIL - S08MX6JS/JE (49SNOWHOODSCFL08600RR)
BODY, HOOD MOUNTING and FRONT BUMPER - S08MX6JS/JE (49SNOWHOODMTG07440IQ)
BODY, NOSEPAN and SIDEPANELS - S08MX6JS/JE (49SNOWNOSEPAN08600IQ)
BODY, SEAT - S08MX6JS/JE (49SNOWSEAT07440IQ)
BRAKES, BRAKE SYSTEM - S08MX6JS/JE (49SNOWBRAKE08600IQ)
CHASSIS, CHASSIS ASM. - S08MX6JS/JE (49SNOWCHASSIS08600IQ)
CHASSIS, FOOTREST AND CLUTCH GUARD - S08MX6JS/JE (49SNOWCHASSIS07440IQ)
DRIVE TRAIN, CHAINCASE - S08MX6JS/JE (49SNOWCHAINCASE08600IQ)
DRIVE TRAIN, DRIVE SHAFT and JACKSHAFT - S08MX6JS/JE (49SNOWDRIVETRAIN08600IQ)
DRIVE TRAIN, PRIMARY CLUTCH - S08MX6JS/JE (49SNOWDRIVECLUTCH08600IQ)
DRIVE TRAIN, SECONDARY CLUTCH - S08MX6JS/JE (49SNOWDRIVENCLUTCH08600TRG)
ELECTRICAL, IGNITION - S08MX6JS/JE (49SNOWIGNITION08600IQ)
ELECTRICAL, SWITCHES AND COMPONENTS - S08MX6JS/JE (49SNOWELECT08600IQ)
ENGINE, AIR BOX ASM. - S08MX6JS/JE (49SNOWAIR08600IQ)
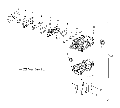
ENGINE, CARBURETOR - S08MX6JS/JE (49SNOWCARBURETOR08600IQ)
ENGINE, CARBURETOR, LOWER - S08MX6JS/JE (49SNOWCARBLOWER08600RR)
ENGINE, CARBURETOR, UPPER - S08MX6JS/JE (49SNOWCARBUPPER08600IQ)
ENGINE, COOLING SYSTEM - S08MX6JS/JE (49SNOWCOOLING08600IQ)
ENGINE, CRANKCASE - S08MX6JS/JE (49SNOWCRANKCASE08600IQ)
ENGINE, CYLINDER - S08MX6JS/JE (49SNOWCYLINDER08600IQ)
ENGINE, EXHAUST SYSTEM - S08MX6JS/JE (49SNOWEXHAUST08600IQ)
ENGINE, EXHAUST VALVES and SOLENOID - S08MX6JS/JE (49SNOWEXHAUSTVALVES08600IQ)
ENGINE, MOUNTING - S08MX6JS/JE (49SNOWENGINEMOUNT08600IQ)
ENGINE, PISTON and CRANKSHAFT - S08MX6JS/JE (49SNOWPISTONCRANKSHAFT08600IQ)
ENGINE, RECOIL STARTER - S08MX6JS/JE (49SNOWRECOIL08600IQ)
ENGINE, THROTTLE ASM. - S08MX6JS/JE (49SNOWTHROTTLE11RACE)
ENGINE, WATER PUMP - S08MX6JS/JE (49SNOWWATEROILPUMP08600IQ)
FUEL SYSTEM, FUEL TANK AND PUMP - S08MX6JS/JE (49SNOWFUEL08600IQ)
STEERING, HANDLEBAR MOUNTING - S08MX6JS/JE (4997179717B02)
STEERING, LOWER - S08MX6JS/JE (49SNOWSTEERINGLWR08600IQ)
STEERING, SKI ASM. - S08MX6JS/JE (4997179717B05)
STEERING, STEERING POST and STEERING HOOP MOUNTING - S08MX6JS/JE (49SNOWSTEERINGPOST07440IQ)
SUSPENSION, FRONT - S08MX6JS/JE (49SNOWSUSPFRT08600IQ)
SUSPENSION, RAIL ASM. - S08MX6JS/JE (49SNOWSUSPRAIL08600IQ)
SUSPENSION, REAR - S08MX6JS/JE (49SNOWSUSPRR07440IQ)
SUSPENSION, SHOCK, FRONT TRACK (WALKER EVANS) - S08MX6JS/JE (49SNOWSHOCKFRONT08600IQ)
SUSPENSION, SHOCK, IFS (WALKER EVANS) - S08MX6JS/JE (49SNOWSHOCKIFS7043360)
SUSPENSION, SHOCK, REAR TRACK (WALKER EVANS) - S08MX6JS/JE (49SNOWSHOCKREAR08600IQ)
SUSPENSION, TORQUE ARM, FRONT - S08MX6JS/JE (49SNOWFTA08600IQ)
SUSPENSION, TORQUE ARM, REAR - S08MX6JS/JE (49SNOWTORQUEREAR08600RR)
TOOLS, TOOL KIT AND OWNERS MANUAL - S08MX6JS/JE (49SNOWTOOL08600IQ)
BODY, CONSOLE MOUNTING - S08MX6JS/JE (4997179717A11)
BODY, DECALS - S08MX6JS/JE (49SNOWDECAL08600IQ)
BODY, HOOD ASM. - S08MX6JS/JE (49SNOWHOOD08600IQ)
BODY, HOOD FOAM and FOIL - S08MX6JS/JE (49SNOWHOODSCFL08600RR)
BODY, HOOD MOUNTING and FRONT BUMPER - S08MX6JS/JE (49SNOWHOODMTG07440IQ)
BODY, NOSEPAN and SIDEPANELS - S08MX6JS/JE (49SNOWNOSEPAN08600IQ)
BODY, SEAT - S08MX6JS/JE (49SNOWSEAT07440IQ)
BRAKES, BRAKE SYSTEM - S08MX6JS/JE (49SNOWBRAKE08600IQ)
CHASSIS, CHASSIS ASM. - S08MX6JS/JE (49SNOWCHASSIS08600IQ)
CHASSIS, FOOTREST AND CLUTCH GUARD - S08MX6JS/JE (49SNOWCHASSIS07440IQ)
DRIVE TRAIN, CHAINCASE - S08MX6JS/JE (49SNOWCHAINCASE08600IQ)
DRIVE TRAIN, DRIVE SHAFT and JACKSHAFT - S08MX6JS/JE (49SNOWDRIVETRAIN08600IQ)
DRIVE TRAIN, PRIMARY CLUTCH - S08MX6JS/JE (49SNOWDRIVECLUTCH08600IQ)
DRIVE TRAIN, SECONDARY CLUTCH - S08MX6JS/JE (49SNOWDRIVENCLUTCH08600TRG)
ELECTRICAL, IGNITION - S08MX6JS/JE (49SNOWIGNITION08600IQ)
ELECTRICAL, SWITCHES AND COMPONENTS - S08MX6JS/JE (49SNOWELECT08600IQ)
ENGINE, AIR BOX ASM. - S08MX6JS/JE (49SNOWAIR08600IQ)
ENGINE, CARBURETOR - S08MX6JS/JE (49SNOWCARBURETOR08600IQ)
ENGINE, CARBURETOR, LOWER - S08MX6JS/JE (49SNOWCARBLOWER08600RR)
ENGINE, CARBURETOR, UPPER - S08MX6JS/JE (49SNOWCARBUPPER08600IQ)
ENGINE, COOLING SYSTEM - S08MX6JS/JE (49SNOWCOOLING08600IQ)
ENGINE, CRANKCASE - S08MX6JS/JE (49SNOWCRANKCASE08600IQ)
ENGINE, CYLINDER - S08MX6JS/JE (49SNOWCYLINDER08600IQ)
ENGINE, EXHAUST SYSTEM - S08MX6JS/JE (49SNOWEXHAUST08600IQ)
ENGINE, EXHAUST VALVES and SOLENOID - S08MX6JS/JE (49SNOWEXHAUSTVALVES08600IQ)
ENGINE, MOUNTING - S08MX6JS/JE (49SNOWENGINEMOUNT08600IQ)
ENGINE, PISTON and CRANKSHAFT - S08MX6JS/JE (49SNOWPISTONCRANKSHAFT08600IQ)
ENGINE, RECOIL STARTER - S08MX6JS/JE (49SNOWRECOIL08600IQ)
ENGINE, THROTTLE ASM. - S08MX6JS/JE (49SNOWTHROTTLE11RACE)
ENGINE, WATER PUMP - S08MX6JS/JE (49SNOWWATEROILPUMP08600IQ)
FUEL SYSTEM, FUEL TANK AND PUMP - S08MX6JS/JE (49SNOWFUEL08600IQ)
STEERING, HANDLEBAR MOUNTING - S08MX6JS/JE (4997179717B02)
STEERING, LOWER - S08MX6JS/JE (49SNOWSTEERINGLWR08600IQ)
STEERING, SKI ASM. - S08MX6JS/JE (4997179717B05)
STEERING, STEERING POST and STEERING HOOP MOUNTING - S08MX6JS/JE (49SNOWSTEERINGPOST07440IQ)
SUSPENSION, FRONT - S08MX6JS/JE (49SNOWSUSPFRT08600IQ)
SUSPENSION, RAIL ASM. - S08MX6JS/JE (49SNOWSUSPRAIL08600IQ)
SUSPENSION, REAR - S08MX6JS/JE (49SNOWSUSPRR07440IQ)
SUSPENSION, SHOCK, FRONT TRACK (WALKER EVANS) - S08MX6JS/JE (49SNOWSHOCKFRONT08600IQ)
SUSPENSION, SHOCK, IFS (WALKER EVANS) - S08MX6JS/JE (49SNOWSHOCKIFS7043360)
SUSPENSION, SHOCK, REAR TRACK (WALKER EVANS) - S08MX6JS/JE (49SNOWSHOCKREAR08600IQ)
SUSPENSION, TORQUE ARM, FRONT - S08MX6JS/JE (49SNOWFTA08600IQ)
SUSPENSION, TORQUE ARM, REAR - S08MX6JS/JE (49SNOWTORQUEREAR08600RR)
TOOLS, TOOL KIT AND OWNERS MANUAL - S08MX6JS/JE (49SNOWTOOL08600IQ)
VIEW WISH LIST