Polaris
Browse New Models
Shop In-Stock
Honda
Browse New Models
Shop In-Stock
KTM
Browse New Models
Shop In-Stock
Beta
Browse New Models
Shop In-Stock
Timbersled
Browse New Models
1318 W 2nd St
,
The Dalles, OR
97058
541-298-1161
Search Inventory
Toggle navigation
Home
Brands
Inventory
All Inventory In Stock
New Inventory In Stock
Pre-Owned Inventory
Polaris Off-Road
Polaris Snowmobiles
Timbersled
Manufacturer Models
Value Your Trade-In
Request a Model
Government Purchasing Program
OEM Promotions
Secure Financing
Parts
Parts Department
Parts Finder
Shopping Cart
Service
Service Department
Warranty & Recall Look-Up
Schedule Polaris Service
Financing
About
Our Dealership
Our Team
Reviews
Customer Survey
Employment
Location & Hours
Contact
541-298-1161
The Dalles, OR
Fiche | Parts Diagrams
Home
›
Parts
›
Parts Finder
Search by :
Part / Desc
VIN
Please Select
Honda
KTM
Polaris
*Please enter at least 3 characters
SEARCH
Manufacturer
Polaris
Snowmobiles
2010
800 DRAGON RMK 155/163 ALL OPTIONS (S10PG8/PH8)
VIEW WISH LIST
Select a Section
Show/Hide
BODY, CONSOLE - S10PG8/PH8 ALL OPTIONS (49SNOWCONSOLE09ASLT)
BODY, DECALS - S10PG8/PH8 ALL OPTIONS (49SNOWDECAL10800RMK)
BODY, FENDERS - S10PG8/PH8 ALL OPTIONS (49SNOWFENDERS10800RMK)
BODY, FRONT BUMPER, NOSEPAN, FOAM and FOIL - S10PG8/PH8 ALL OPTIONS (49SNOWBUMPER10ASLT)
BODY, HOOD ASM. - S10PG8/PH8 ALL OPTIONS (49SNOWHOOD10800RMK)
BODY, HOOD FOAM and FOIL - S10PG8/PH8 ALL OPTIONS (49SNOWHOODSCFL09800RMK)
BODY, HOOD SCREENS and HINGE ASM. - S10PG8/PH8 ALL OPTIONS (49SNOWHOODMTG10600RMK)
BODY, REAR BUMPER, SNOWFLAP, and TAILLIGHT COVER - S10PG8/PH8 ALL OPTIONS (49SNOWBUMPERRR09700RMK)
BODY, SEAT ASM. - S10PG8/PH8 ALL OPTIONS (49SNOWSEAT10600RMK)
BODY, SIDE PANELS - S10PG8/PH8 ALL OPTIONS (49SNOWPANEL10RMK)
BODY, WINDSHIELD - S10PG8/PH8 ALL OPTIONS (49SNOWWINDSHLD600RMK)
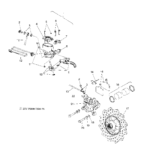
BRAKES, BRAKE SYSTEM - S10PG8/PH8 ALL OPTIONS (49SNOWBRAKE08800RMK)
CHASSIS, ASM. - S10PG8/PH8 ALL OPTIONS (49SNOWCHASSIS10600RMK)
CHASSIS, CLUTCH GUARD and COVER - S10PG8/PH8 ALL OPTIONS (49SNOWCLUTCHGUARD09600RMK)
CHASSIS, FRONT - S10PG8/PH8 ALL OPTIONS (49SNOWCHASSISFRT10800RMK)
DRIVE TRAIN, CHAINCASE - S10PG8/PH8 ALL OPTIONS (49SNOWCHAINCASE09700RMK)
DRIVE TRAIN, CLUTCH, PRIMARY - S10PG8/PH8 ALL OPTIONS (49SNOWDRIVECLUTCH09600TRG)
DRIVE TRAIN, CLUTCH, SECONDARY - S10PG8/PH8 ALL OPTIONS (49SNOWDRIVENCLUTCH09ASLT)
DRIVE TRAIN, JACKSHAFT and DRIVESHAFT - S10PG8/PH8 ALL OPTIONS (49SNOWDRIVETRAIN10ASLT)
ELECTRICAL, BATTERY and CABLES - S10PG8/PH8 ALL OPTIONS (49SNOWBATTERY10600IQ)
ELECTRICAL, HEADLIGHT and TAILLIGHT - S10PG8/PH8 ALL OPTIONS (49SNOWHEADLGHT10600RMK)
ELECTRICAL, IGNITION SYSTEM - S10PG8/PH8 ALL OPTIONS (49SNOWSTATOR09600TRG)
ELECTRICAL, MULTI FUNCTION GAUGE - S10PG8/PH8 ALL OPTIONS (49SNOWGAUGE10600IQ)
ELECTRICAL, SWITCHES, SENSORS and COMPONENTS - S10PG8/PH8 ALL OPTIONS (49SNOWELECT10800RMK155)
ELECTRICAL, WIRING HARNESSES - S10PG8/PH8 ALL OPTIONS (49SNOWHARNESS10800RMK155)
ENGINE, AIR INTAKE SYSTEM - S10PG8/PH8 ALL OPTIONS (49SNOWAIR09600TRG)
ENGINE, COOLING SYSTEM - S10PG8/PH8 ALL OPTIONS (49SNOWCOOLING09ASLT)
ENGINE, CRANKCASE - S10PG8/PH8 ALL OPTIONS (49SNOWCRANKCASE10ASLT)
ENGINE, CYLINDER - S10PG8/PH8 ALL OPTIONS (49SNOWCYLINDER09ASLT)
ENGINE, EXHAUST - S10PG8/PH8 ALL OPTIONS (49SNOWEXHAUST10800RMK)
ENGINE, EXHAUST VALVES and SOLENOID - S10PG8/PH8 ALL OPTIONS (49SNOWEXHAUSTVALVES08800RMK)
ENGINE, MOUNTING - S10PG8/PH8 ALL OPTIONS (49SNOWENGINEMOUNT10ASLT)
ENGINE, OIL BOTTLE - S10PG8/PH8 ALL OPTIONS (49SNOWOILBOTTLE09700RMK)
ENGINE, OIL PUMP and LINES - S10PG8/PH8 ALL OPTIONS (49SNOWOILPUMP09700RMK)
ENGINE, PISTON and CRANKSHAFT - S10PG8/PH8 ALL OPTIONS (49SNOWPISTONCRANKSHAFT10800RMK)
ENGINE, RECOIL STARTER - S10PG8/PH8 ALL OPTIONS (49SNOWRECOIL10800RMK)
ENGINE, REED VALVE and THROTTLE BODY ADAPTOR - S10PG8/PH8 ALL OPTIONS (49SNOWCARBURETOR09600TRG)
ENGINE, STARTER MOTOR - S10PG8/PH8 ALL OPTIONS (49SNOWSTARTER09600TRG)
ENGINE, THROTTLE CONTROL ASM. - S10PG8/PH8 ALL OPTIONS (49SNOWTHROTTLE10800RMK)
ENGINE, WATER PUMP - S10PG8/PH8 ALL OPTIONS (49SNOWWATERPUMP09600TRG)
FUEL SYSTEM, FUEL TANK ASM. - S10PG8/PH8 ALL OPTIONS (49SNOWFUEL10600RMK)
FUEL SYSTEM, RAIL, LINES and THROTTLE BODY - S10PG8/PH8 ALL OPTIONS (49SNOWFUELLINE09600IQ)
STEERING, HANDLEBAR MOUNTING - S10PG8/PH8 ALL OPTIONS (49SNOWHANDLEBAR09800RMK)
STEERING, LOWER and TIE RODS - S10PG8/PH8 ALL OPTIONS (49SNOWSTEERINGLWR09800SHIFT)
STEERING, SKI ASM. - S10PG8/PH8 ALL OPTIONS (49SNOWSKIASM10800RMK)
STEERING, STEERING POST, ASM. - S10PG8/PH8 ALL OPTIONS (49SNOWSTEERINGPOST10800RMK)
SUSPENSION, FRONT - S10PG8/PH8 ALL OPTIONS (49SNOWSUSPFRT10800RMK)
SUSPENSION, RAIL MOUNTING - S10PG8/PH8 ALL OPTIONS (49SNOWSUSPRAIL10800RMK)
SUSPENSION, REAR - S10PG8/PH8 ALL OPTIONS (49SNOWSUSPRR09700RMK)
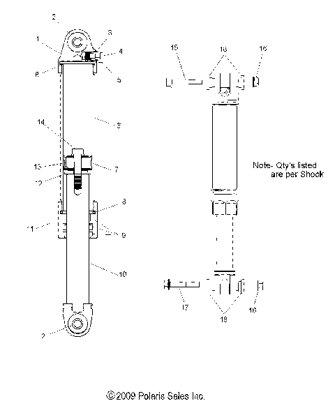
SUSPENSION, SHOCK, FRONT TRACK (7043388) - S10PG8/PH8 ALL OPTIONS (49SNOWSHOCKFRONT7043388)
SUSPENSION, SHOCK, IFS (7043490) - S10PG8/PH8 ALL OPTIONS (49SNOWSHOCKIFS7043490RMK)
SUSPENSION, SHOCK, REAR TRACK (7043366) - S10PG8/PH8 ALL OPTIONS (49SNOWSHOCKREAR7043366)
SUSPENSION, SWAY BAR - S10PG8/PH8 ALL OPTIONS (49SNOWSWAYBAR09800RMK)
SUSPENSION, TORQUE ARM, FRONT - S10PG8/PH8 ALL OPTIONS (49SNOWFTA10600RMK)
SUSPENSION, TORQUE ARM, REAR - S10PG8/PH8 ALL OPTIONS (49SNOWTORQUEREAR08600RMK)
TOOLS, TOOL KIT and OWNERS MANUAL - S10PG8/PH8 ALL OPTIONS (49SNOWTOOL09SHIFT)
BODY, CONSOLE - S10PG8/PH8 ALL OPTIONS (49SNOWCONSOLE09ASLT)
BODY, DECALS - S10PG8/PH8 ALL OPTIONS (49SNOWDECAL10800RMK)
BODY, FENDERS - S10PG8/PH8 ALL OPTIONS (49SNOWFENDERS10800RMK)
BODY, FRONT BUMPER, NOSEPAN, FOAM and FOIL - S10PG8/PH8 ALL OPTIONS (49SNOWBUMPER10ASLT)
BODY, HOOD ASM. - S10PG8/PH8 ALL OPTIONS (49SNOWHOOD10800RMK)
BODY, HOOD FOAM and FOIL - S10PG8/PH8 ALL OPTIONS (49SNOWHOODSCFL09800RMK)
BODY, HOOD SCREENS and HINGE ASM. - S10PG8/PH8 ALL OPTIONS (49SNOWHOODMTG10600RMK)
BODY, REAR BUMPER, SNOWFLAP, and TAILLIGHT COVER - S10PG8/PH8 ALL OPTIONS (49SNOWBUMPERRR09700RMK)
BODY, SEAT ASM. - S10PG8/PH8 ALL OPTIONS (49SNOWSEAT10600RMK)
BODY, SIDE PANELS - S10PG8/PH8 ALL OPTIONS (49SNOWPANEL10RMK)
BODY, WINDSHIELD - S10PG8/PH8 ALL OPTIONS (49SNOWWINDSHLD600RMK)
BRAKES, BRAKE SYSTEM - S10PG8/PH8 ALL OPTIONS (49SNOWBRAKE08800RMK)
CHASSIS, ASM. - S10PG8/PH8 ALL OPTIONS (49SNOWCHASSIS10600RMK)
CHASSIS, CLUTCH GUARD and COVER - S10PG8/PH8 ALL OPTIONS (49SNOWCLUTCHGUARD09600RMK)
CHASSIS, FRONT - S10PG8/PH8 ALL OPTIONS (49SNOWCHASSISFRT10800RMK)
DRIVE TRAIN, CHAINCASE - S10PG8/PH8 ALL OPTIONS (49SNOWCHAINCASE09700RMK)
DRIVE TRAIN, CLUTCH, PRIMARY - S10PG8/PH8 ALL OPTIONS (49SNOWDRIVECLUTCH09600TRG)
DRIVE TRAIN, CLUTCH, SECONDARY - S10PG8/PH8 ALL OPTIONS (49SNOWDRIVENCLUTCH09ASLT)
DRIVE TRAIN, JACKSHAFT and DRIVESHAFT - S10PG8/PH8 ALL OPTIONS (49SNOWDRIVETRAIN10ASLT)
ELECTRICAL, BATTERY and CABLES - S10PG8/PH8 ALL OPTIONS (49SNOWBATTERY10600IQ)
ELECTRICAL, HEADLIGHT and TAILLIGHT - S10PG8/PH8 ALL OPTIONS (49SNOWHEADLGHT10600RMK)
ELECTRICAL, IGNITION SYSTEM - S10PG8/PH8 ALL OPTIONS (49SNOWSTATOR09600TRG)
ELECTRICAL, MULTI FUNCTION GAUGE - S10PG8/PH8 ALL OPTIONS (49SNOWGAUGE10600IQ)
ELECTRICAL, SWITCHES, SENSORS and COMPONENTS - S10PG8/PH8 ALL OPTIONS (49SNOWELECT10800RMK155)
ELECTRICAL, WIRING HARNESSES - S10PG8/PH8 ALL OPTIONS (49SNOWHARNESS10800RMK155)
ENGINE, AIR INTAKE SYSTEM - S10PG8/PH8 ALL OPTIONS (49SNOWAIR09600TRG)
ENGINE, COOLING SYSTEM - S10PG8/PH8 ALL OPTIONS (49SNOWCOOLING09ASLT)
ENGINE, CRANKCASE - S10PG8/PH8 ALL OPTIONS (49SNOWCRANKCASE10ASLT)
ENGINE, CYLINDER - S10PG8/PH8 ALL OPTIONS (49SNOWCYLINDER09ASLT)
ENGINE, EXHAUST - S10PG8/PH8 ALL OPTIONS (49SNOWEXHAUST10800RMK)
ENGINE, EXHAUST VALVES and SOLENOID - S10PG8/PH8 ALL OPTIONS (49SNOWEXHAUSTVALVES08800RMK)
ENGINE, MOUNTING - S10PG8/PH8 ALL OPTIONS (49SNOWENGINEMOUNT10ASLT)
ENGINE, OIL BOTTLE - S10PG8/PH8 ALL OPTIONS (49SNOWOILBOTTLE09700RMK)
ENGINE, OIL PUMP and LINES - S10PG8/PH8 ALL OPTIONS (49SNOWOILPUMP09700RMK)
ENGINE, PISTON and CRANKSHAFT - S10PG8/PH8 ALL OPTIONS (49SNOWPISTONCRANKSHAFT10800RMK)
ENGINE, RECOIL STARTER - S10PG8/PH8 ALL OPTIONS (49SNOWRECOIL10800RMK)
ENGINE, REED VALVE and THROTTLE BODY ADAPTOR - S10PG8/PH8 ALL OPTIONS (49SNOWCARBURETOR09600TRG)
ENGINE, STARTER MOTOR - S10PG8/PH8 ALL OPTIONS (49SNOWSTARTER09600TRG)
ENGINE, THROTTLE CONTROL ASM. - S10PG8/PH8 ALL OPTIONS (49SNOWTHROTTLE10800RMK)
ENGINE, WATER PUMP - S10PG8/PH8 ALL OPTIONS (49SNOWWATERPUMP09600TRG)
FUEL SYSTEM, FUEL TANK ASM. - S10PG8/PH8 ALL OPTIONS (49SNOWFUEL10600RMK)
FUEL SYSTEM, RAIL, LINES and THROTTLE BODY - S10PG8/PH8 ALL OPTIONS (49SNOWFUELLINE09600IQ)
STEERING, HANDLEBAR MOUNTING - S10PG8/PH8 ALL OPTIONS (49SNOWHANDLEBAR09800RMK)
STEERING, LOWER and TIE RODS - S10PG8/PH8 ALL OPTIONS (49SNOWSTEERINGLWR09800SHIFT)
STEERING, SKI ASM. - S10PG8/PH8 ALL OPTIONS (49SNOWSKIASM10800RMK)
STEERING, STEERING POST, ASM. - S10PG8/PH8 ALL OPTIONS (49SNOWSTEERINGPOST10800RMK)
SUSPENSION, FRONT - S10PG8/PH8 ALL OPTIONS (49SNOWSUSPFRT10800RMK)
SUSPENSION, RAIL MOUNTING - S10PG8/PH8 ALL OPTIONS (49SNOWSUSPRAIL10800RMK)
SUSPENSION, REAR - S10PG8/PH8 ALL OPTIONS (49SNOWSUSPRR09700RMK)
SUSPENSION, SHOCK, FRONT TRACK (7043388) - S10PG8/PH8 ALL OPTIONS (49SNOWSHOCKFRONT7043388)
SUSPENSION, SHOCK, IFS (7043490) - S10PG8/PH8 ALL OPTIONS (49SNOWSHOCKIFS7043490RMK)
SUSPENSION, SHOCK, REAR TRACK (7043366) - S10PG8/PH8 ALL OPTIONS (49SNOWSHOCKREAR7043366)
SUSPENSION, SWAY BAR - S10PG8/PH8 ALL OPTIONS (49SNOWSWAYBAR09800RMK)
SUSPENSION, TORQUE ARM, FRONT - S10PG8/PH8 ALL OPTIONS (49SNOWFTA10600RMK)
SUSPENSION, TORQUE ARM, REAR - S10PG8/PH8 ALL OPTIONS (49SNOWTORQUEREAR08600RMK)
TOOLS, TOOL KIT and OWNERS MANUAL - S10PG8/PH8 ALL OPTIONS (49SNOWTOOL09SHIFT)
VIEW WISH LIST