Polaris
Browse New Models
Shop In-Stock
Honda
Browse New Models
Shop In-Stock
KTM
Browse New Models
Shop In-Stock
Beta
Browse New Models
Shop In-Stock
Timbersled
Browse New Models
1318 W 2nd St
,
The Dalles, OR
97058
541-298-1161
Search Inventory
Toggle navigation
Home
Brands
Inventory
All Inventory In Stock
New Inventory In Stock
Pre-Owned Inventory
Polaris Off-Road
Polaris Snowmobiles
Timbersled
Manufacturer Models
Value Your Trade-In
Request a Model
Government Purchasing Program
OEM Promotions
Secure Financing
Parts
Parts Department
Parts Finder
Shopping Cart
Service
Service Department
Warranty & Recall Look-Up
Schedule Polaris Service
Financing
About
Our Dealership
Our Team
Reviews
Customer Survey
Employment
Location & Hours
Contact
541-298-1161
The Dalles, OR
Fiche | Parts Diagrams
Home
›
Parts
›
Parts Finder
Search by :
Part / Desc
VIN
Please Select
Honda
KTM
Polaris
*Please enter at least 3 characters
SEARCH
Manufacturer
Polaris
Snowmobiles
2012
600 PRO RMK 155 (S12CG6GSA/GSL/GEL)
VIEW WISH LIST
Select a Section
Show/Hide
BODY, BUMPER, FRONT - S12CG6GSA/GSL/GEL (49SNOWBUMPER12800PRMK)
BODY, BUMPER, REAR, SNOWFLAP and TAILLIGHT COVER - S12CG6GSA/GSL/GEL (49SNOWBUMPERRR11800PRMK)
BODY, CONSOLE - S12CG6GSA/GSL/GEL (49SNOWCONSOLE11PRMK)
BODY, DECAL - S12CG6GSA/GSL/GEL (49SNOWDECAL12600PRORMK)
BODY, FENDERS and SIDE PANELS - S12CG6GSA/GSL/GEL (49SNOWFENDERS12SB)
BODY, HOOD ASM. - S12CG6GSA/GSL/GEL (49SNOWHOOD12800RMK)
BODY, HOOD FOAM/FIBER - S12CG6GSA/GSL/GEL (49SNOWHOODSCFL11800PRMK)
BODY, NOSEPAN ASM. - S12CG6GSA/GSL/GEL (49SNOWNOSEPAN11800PRMK)
BODY, SEAT ASM. - S12CG6GSA/GSL/GEL (49SNOWSEAT11800PRMK)
BODY, WINDSHIELD - S12CG6GSA/GSL/GEL (49SNOWWINDSHLD11800ASLT)
BRAKES, BRAKE SYSTEM - S12CG6GSA/GSL/GEL (49SNOWBRAKE11PRMK)
CHASSIS, BULKHEAD ASM. - S12CG6GSA/GSL/GEL (49SNOWCHASSISFRT12600RMKPRO)
CHASSIS, CHASSIS ASM. and OVER STRUCTURE - S12CG6GSA/GSL/GEL (49SNOWCHASSISFRT212600RMKPRO)
CHASSIS, CLUTCH GUARD and FOOTRESTS - S12CG6GSA/GSL/GEL (49SNOWCLUTCHGUARD12600RMK155)
DRIVE TRAIN, CHAINCASE - S12CG6GSA/GSL/GEL (49SNOWCHAINCASE12800PRMK)
DRIVE TRAIN, CLUTCH, PRIMARY - S12CG6GSA/GSL/GEL (49SNOWDRIVECLUTCH09600TRG)
DRIVE TRAIN, CLUTCH, SECONDARY - S12CG6GSA/GSL/GEL (49SNOWDRIVENCLUTCH09ASLT)
DRIVE TRAIN, JACKSHAFT and DRIVESHAFT - S12CG6GSA/GSL/GEL (49SNOWDRIVETRAIN11800PRMK)
ELECTRICAL, BATTERY and CABLES - S12CG6GSA/GSL/GEL (49SNOWBATTERY11800PRMK)
ELECTRICAL, HEADLIGHT and TAILLIGHT - S12CG6GSA/GSL/GEL (49SNOWHEADLGHT12SBASLT)
ELECTRICAL, IGNITION SYSTEM - S12CG6GSA/GSL/GEL (49SNOWIGNITION12800PRMK)
ELECTRICAL, MULTI FUNCTION GAUGE - S12CG6GSA/GSL/GEL (49SNOWGAUGE10PR)
ELECTRICAL, SWITCHES, SENSORS and COMPONENTS - S12CG6GSA/GSL/GEL (49SNOWELECT12800PRMK)
ELECTRICAL, WIRE HARNESS - S12CG6GSA/GSL/GEL (49SNOWHARNESS12ASLT)
ENGINE, AIR INTAKE SYSTEM - S12CG6GSA/GSL/GEL (49SNOWAIR12800SB)
ENGINE, COOLING SYSTEM - S12CG6GSA/GSL/GEL (49SNOWCOOLING12600RMKPRO)
ENGINE, CRANKCASE - S12CG6GSA/GSL/GEL (49SNOWCRANKCASE10PR)
ENGINE, CYLINDER - S12CG6GSA/GSL/GEL (49SNOWCYLINDER09600TRG)
ENGINE, EXHAUST - S12CG6GSA/GSL/GEL (49SNOWEXHAUST12600RMK)
ENGINE, EXHAUST VALVES and SOLENOID - S12CG6GSA/GSL/GEL (49SNOWEXHAUSTVALVES12WIDE)
ENGINE, MOUNTING - S12CG6GSA/GSL/GEL (49SNOWENGINEMOUNT12600RMK)
ENGINE, OIL BOTTLE ASM. - S12CG6GSA/GSL/GEL (49SNOWOILBOTTLE11600PRO)
ENGINE, OIL PUMP and LINES - S12CG6GSA/GSL/GEL (49SNOWOILPUMP12PR)
ENGINE, PISTON and CRANKSHAFT - S12CG6GSA/GSL/GEL (49SNOWPISTONCRANKSHAFT12600PRMK)
ENGINE, RECOIL STARTER - S12CG6GSA/GSL/GEL (49SNOWRECOIL12800RMK)
ENGINE, REED VALVE and THROTTLE BODY ADAPTOR - S12CG6GSA/GSL/GEL (49SNOWCARBURETOR09600TRG)
ENGINE, STARTER MOTOR - S12CG6GSA/GSL/GEL (49SNOWSTARTER11800PRMK)
ENGINE, THROTTLE CONTROL ASM. - S12CG6GSA/GSL/GEL (49SNOWTHROTTLE11PRMK)
ENGINE, WATER PUMP - S12CG6GSA/GSL/GEL (49SNOWWATERPUMP09600TRG)
FUEL SYSTEM, FUEL TANK ASM. - S12CG6GSA/GSL/GEL (49SNOWFUEL11800PRMK)
FUEL SYSTEM, RAIL, LINES and THROTTLE BODY - S12CG6GSA/GSL/GEL (602377)
STEERING, HANDLEBAR MOUNTING - S12CG6GSA/GSL/GEL (49SNOWHANDLEBAR11800PRMK)
STEERING, LOWER - S12CG6GSA/GSL/GEL (49SNOWSTEERINGLWR12800PRMK)
STEERING, SKI ASM. - S12CG6GSA/GSL/GEL (49SNOWSKIASM11800PRMK)
SUSPENSION, CONTROL ARMS and SPINDLE - S12CG6GSA/GSL/GEL (49SNOWSUSPFRT11800PRMK)
SUSPENSION, RAIL MOUNTING - S12CG6GSA/GSL/GEL (49SNOWSUSPRAIL11800PRMK)
SUSPENSION, REAR - S12CG6GSA/GSL/GEL (49SNOWSUSPRR12800PRMK)
SUSPENSION, SHOCK, FRONT (7043602) - S12CG6GSA/GSL/GEL (49SNOWSHOCKFRONT7043602)
SUSPENSION, SHOCK, IFS (7043429) - S12CG6GSA/GSL/GEL (49SNOWSHOCKIFS7043429)
SUSPENSION, SHOCK, REAR (7043603) - S12CG6GSA/GSL/GEL (49SNOWSHOCKREAR7043603)
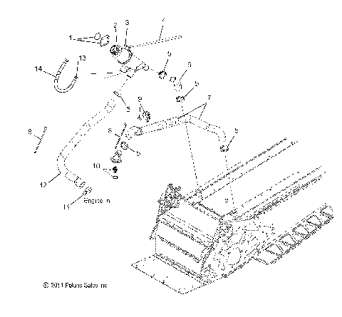
SUSPENSION, SWAY BAR - S12CG6GSA/GSL/GEL (49SNOWSWAYBAR10PR)
SUSPENSION, TORQUE ARM, FRONT - S12CG6GSA/GSL/GEL (49SNOWFTA12800PRMK)
SUSPENSION, TORQUE ARM, REAR - S12CG6GSA/GSL/GEL (49SNOWTORQUEREAR11800PRMK)
TOOLS, TOOL KIT and OWNERS MANUAL - S12CG6GSA/GSL/GEL (49SNOWTOOL11800PRMK)
BODY, BUMPER, FRONT - S12CG6GSA/GSL/GEL (49SNOWBUMPER12800PRMK)
BODY, BUMPER, REAR, SNOWFLAP and TAILLIGHT COVER - S12CG6GSA/GSL/GEL (49SNOWBUMPERRR11800PRMK)
BODY, CONSOLE - S12CG6GSA/GSL/GEL (49SNOWCONSOLE11PRMK)
BODY, DECAL - S12CG6GSA/GSL/GEL (49SNOWDECAL12600PRORMK)
BODY, FENDERS and SIDE PANELS - S12CG6GSA/GSL/GEL (49SNOWFENDERS12SB)
BODY, HOOD ASM. - S12CG6GSA/GSL/GEL (49SNOWHOOD12800RMK)
BODY, HOOD FOAM/FIBER - S12CG6GSA/GSL/GEL (49SNOWHOODSCFL11800PRMK)
BODY, NOSEPAN ASM. - S12CG6GSA/GSL/GEL (49SNOWNOSEPAN11800PRMK)
BODY, SEAT ASM. - S12CG6GSA/GSL/GEL (49SNOWSEAT11800PRMK)
BODY, WINDSHIELD - S12CG6GSA/GSL/GEL (49SNOWWINDSHLD11800ASLT)
BRAKES, BRAKE SYSTEM - S12CG6GSA/GSL/GEL (49SNOWBRAKE11PRMK)
CHASSIS, BULKHEAD ASM. - S12CG6GSA/GSL/GEL (49SNOWCHASSISFRT12600RMKPRO)
CHASSIS, CHASSIS ASM. and OVER STRUCTURE - S12CG6GSA/GSL/GEL (49SNOWCHASSISFRT212600RMKPRO)
CHASSIS, CLUTCH GUARD and FOOTRESTS - S12CG6GSA/GSL/GEL (49SNOWCLUTCHGUARD12600RMK155)
DRIVE TRAIN, CHAINCASE - S12CG6GSA/GSL/GEL (49SNOWCHAINCASE12800PRMK)
DRIVE TRAIN, CLUTCH, PRIMARY - S12CG6GSA/GSL/GEL (49SNOWDRIVECLUTCH09600TRG)
DRIVE TRAIN, CLUTCH, SECONDARY - S12CG6GSA/GSL/GEL (49SNOWDRIVENCLUTCH09ASLT)
DRIVE TRAIN, JACKSHAFT and DRIVESHAFT - S12CG6GSA/GSL/GEL (49SNOWDRIVETRAIN11800PRMK)
ELECTRICAL, BATTERY and CABLES - S12CG6GSA/GSL/GEL (49SNOWBATTERY11800PRMK)
ELECTRICAL, HEADLIGHT and TAILLIGHT - S12CG6GSA/GSL/GEL (49SNOWHEADLGHT12SBASLT)
ELECTRICAL, IGNITION SYSTEM - S12CG6GSA/GSL/GEL (49SNOWIGNITION12800PRMK)
ELECTRICAL, MULTI FUNCTION GAUGE - S12CG6GSA/GSL/GEL (49SNOWGAUGE10PR)
ELECTRICAL, SWITCHES, SENSORS and COMPONENTS - S12CG6GSA/GSL/GEL (49SNOWELECT12800PRMK)
ELECTRICAL, WIRE HARNESS - S12CG6GSA/GSL/GEL (49SNOWHARNESS12ASLT)
ENGINE, AIR INTAKE SYSTEM - S12CG6GSA/GSL/GEL (49SNOWAIR12800SB)
ENGINE, COOLING SYSTEM - S12CG6GSA/GSL/GEL (49SNOWCOOLING12600RMKPRO)
ENGINE, CRANKCASE - S12CG6GSA/GSL/GEL (49SNOWCRANKCASE10PR)
ENGINE, CYLINDER - S12CG6GSA/GSL/GEL (49SNOWCYLINDER09600TRG)
ENGINE, EXHAUST - S12CG6GSA/GSL/GEL (49SNOWEXHAUST12600RMK)
ENGINE, EXHAUST VALVES and SOLENOID - S12CG6GSA/GSL/GEL (49SNOWEXHAUSTVALVES12WIDE)
ENGINE, MOUNTING - S12CG6GSA/GSL/GEL (49SNOWENGINEMOUNT12600RMK)
ENGINE, OIL BOTTLE ASM. - S12CG6GSA/GSL/GEL (49SNOWOILBOTTLE11600PRO)
ENGINE, OIL PUMP and LINES - S12CG6GSA/GSL/GEL (49SNOWOILPUMP12PR)
ENGINE, PISTON and CRANKSHAFT - S12CG6GSA/GSL/GEL (49SNOWPISTONCRANKSHAFT12600PRMK)
ENGINE, RECOIL STARTER - S12CG6GSA/GSL/GEL (49SNOWRECOIL12800RMK)
ENGINE, REED VALVE and THROTTLE BODY ADAPTOR - S12CG6GSA/GSL/GEL (49SNOWCARBURETOR09600TRG)
ENGINE, STARTER MOTOR - S12CG6GSA/GSL/GEL (49SNOWSTARTER11800PRMK)
ENGINE, THROTTLE CONTROL ASM. - S12CG6GSA/GSL/GEL (49SNOWTHROTTLE11PRMK)
ENGINE, WATER PUMP - S12CG6GSA/GSL/GEL (49SNOWWATERPUMP09600TRG)
FUEL SYSTEM, FUEL TANK ASM. - S12CG6GSA/GSL/GEL (49SNOWFUEL11800PRMK)
FUEL SYSTEM, RAIL, LINES and THROTTLE BODY - S12CG6GSA/GSL/GEL (602377)
STEERING, HANDLEBAR MOUNTING - S12CG6GSA/GSL/GEL (49SNOWHANDLEBAR11800PRMK)
STEERING, LOWER - S12CG6GSA/GSL/GEL (49SNOWSTEERINGLWR12800PRMK)
STEERING, SKI ASM. - S12CG6GSA/GSL/GEL (49SNOWSKIASM11800PRMK)
SUSPENSION, CONTROL ARMS and SPINDLE - S12CG6GSA/GSL/GEL (49SNOWSUSPFRT11800PRMK)
SUSPENSION, RAIL MOUNTING - S12CG6GSA/GSL/GEL (49SNOWSUSPRAIL11800PRMK)
SUSPENSION, REAR - S12CG6GSA/GSL/GEL (49SNOWSUSPRR12800PRMK)
SUSPENSION, SHOCK, FRONT (7043602) - S12CG6GSA/GSL/GEL (49SNOWSHOCKFRONT7043602)
SUSPENSION, SHOCK, IFS (7043429) - S12CG6GSA/GSL/GEL (49SNOWSHOCKIFS7043429)
SUSPENSION, SHOCK, REAR (7043603) - S12CG6GSA/GSL/GEL (49SNOWSHOCKREAR7043603)
SUSPENSION, SWAY BAR - S12CG6GSA/GSL/GEL (49SNOWSWAYBAR10PR)
SUSPENSION, TORQUE ARM, FRONT - S12CG6GSA/GSL/GEL (49SNOWFTA12800PRMK)
SUSPENSION, TORQUE ARM, REAR - S12CG6GSA/GSL/GEL (49SNOWTORQUEREAR11800PRMK)
TOOLS, TOOL KIT and OWNERS MANUAL - S12CG6GSA/GSL/GEL (49SNOWTOOL11800PRMK)
VIEW WISH LIST