Polaris
Browse New Models
Shop In-Stock
Honda
Browse New Models
Shop In-Stock
KTM
Browse New Models
Shop In-Stock
Beta
Browse New Models
Shop In-Stock
Timbersled
Browse New Models
1318 W 2nd St
,
The Dalles, OR
97058
541-298-1161
Search Inventory
Toggle navigation
Home
Brands
Inventory
All Inventory In Stock
New Inventory In Stock
Pre-Owned Inventory
Polaris Off-Road
Polaris Snowmobiles
Timbersled
Manufacturer Models
Value Your Trade-In
Request a Model
Government Purchasing Program
OEM Promotions
Secure Financing
Parts
Parts Department
Parts Finder
Shopping Cart
Service
Service Department
Warranty & Recall Look-Up
Schedule Polaris Service
Financing
About
Our Dealership
Our Team
Reviews
Customer Survey
Employment
Location & Hours
Contact
541-298-1161
The Dalles, OR
Fiche | Parts Diagrams
Home
›
Parts
›
Parts Finder
Search by :
Part / Desc
VIN
Please Select
Honda
KTM
Polaris
*Please enter at least 3 characters
SEARCH
Manufacturer
Polaris
Snowmobiles
2013
800 RMK ASSAULT ALL OPTIONS (S13CN8/CY8)
VIEW WISH LIST
Select a Section
Show/Hide
BODY, BUMPER, FRONT - S13CN8/CY8 ALL OPTIONS (49SNOWBUMPER12800PRMK)
BODY, BUMPER, REAR, SNOWFLAP and TAILLIGHT COVER - S13CN8/CY8 ALL OPTIONS (49SNOWBUMPERRR11800RMK)
BODY, CONSOLE - S13CN8/CY8 ALL OPTIONS (49SNOWCONSOLE11PRMK)
BODY, DECAL - S13CN8/CY8 ALL OPTIONS (49SNOWDECAL13RMKASLT)
BODY, DECAL, RETRO WRAP - S13CN8/CY8 ALL OPTIONS (49SNOWDECAL13RMKASLTWRAP)
BODY, FENDERS and SIDE PANELS - S13CN8/CY8 ALL OPTIONS (49SNOWFENDERS13RMK)
BODY, HOOD ASM. - S13CN8/CY8 ALL OPTIONS (49SNOWHOOD13RMK)
BODY, HOOD FOAM/FIBER - S13CN8/CY8 ALL OPTIONS (49SNOWHOODSCFL11800PRMK)
BODY, NOSEPAN ASM. - S13CN8/CY8 A:LL OPTIONS (49SNOWNOSEPAN11800PRMK)
BODY, SEAT ASM. - S13CN8/CY8 ALL OPTIONS (49SNOWSEAT138RMK)
BODY, WINDSHIELD - S13CN8/CY8 ALL OPTIONS (49SNOWWINDSHLD11800ASLT)
BRAKES, BRAKE SYSTEM - S13CN8/CY8 ALL OPTIONS (49SNOWBRAKE11PRMK)
CHASSIS, BULKHEAD ASM. - S13CN8/CY8 All OPTIONS (49SNOWCHASSISFRT13PRMK)
CHASSIS, CHASSIS ASM. and OVER STRUCTURE - S13CN8/CY8 ALL OPTIONS (49SNOWCHASSISFRT213RMKASLT)
CHASSIS, CLUTCH GUARD and FOOTRESTS - S13CN8/CY8 ALL OPTIONS (49SNOWCLUTCHGUARD13PRMK)
DRIVE TRAIN, CHAINCASE - S13CN8/CY8 ALL OPTIONS (49SNOWCHAINCASE12ASLT)
DRIVE TRAIN, CLUTCH, PRIMARY - S13CN8/CY8 ALL OPTIONS (49SNOWDRIVECLUTCH09600TRG)
DRIVE TRAIN, CLUTCH, SECONDARY - S13CN8/CY8 ALL OPTIONS (49SNOWDRIVENCLUTCH1322948)
DRIVE TRAIN, JACKSHAFT and DRIVESHAFT - S13CN8/CY8 ALL OPTIONS (49SNOWDRIVETRAIN13RMKASLT)
ELECTRICAL, BATTERY and CABLES - S13CN8/CY8 ALL OPTIONS (49SNOWBATTERY13RMK)
ELECTRICAL, HEADLIGHT and TAILLIGHT - S13CN8/CY8 ALL OPTIONS (49SNOWHEADLGHT11800ASLT)
ELECTRICAL, IGNITION SYSTEM - S13CN8/CY8 ALL OPTIONS (49SNOWIGNITION13RMKASLT)
ELECTRICAL, MULTI FUNCTION GAUGE - S13CN8/CY8 ALL OPTIONS (49SNOWGAUGE10PR)
ELECTRICAL, SWITCHES, SENSORS and COMPONENTS - S13CN8/CY8 ALL OPTIONS (49SNOWELECT13PRMK)
ELECTRICAL, WIRE HARNESS - S13CN8/CY8 ALL OPTIONS (49SNOWHARNESS13600RMK)
ENGINE, AIR INTAKE SYSTEM - S13CN8/CY8 ALL OPTIONS (49SNOWAIR13RMK)
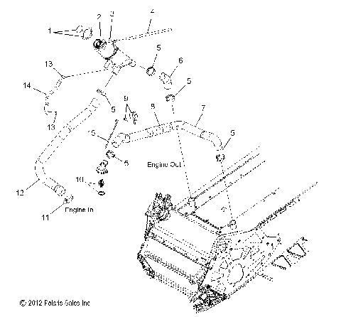
ENGINE, COOLING SYSTEM - S13CN8/CY8 ALL OPTIONS (49SNOWCOOLING13600PRMK)
ENGINE, CRANKCASE - S13CN8/CY8 ALL OPTIONS (49SNOWCRANKCASE138LE)
ENGINE, CYLINDER - S13CN8/CY8 ALL OPTIONS (49SNOWCYLINDER13800ASLT)
ENGINE, EXHAUST - S13CN8/CY8 ALL OPTIONS (49SNOWEXHAUST13800LE)
ENGINE, EXHAUST VALVES and SOLENOID - S13CN8/CY8 ALL OPTIONS (49SNOWEXHAUSTVALVES13800LE)
ENGINE, MOUNTING - S13CN8/CY8 ALL OPTIONS (49SNOWENGINEMOUNT13800LE)
ENGINE, OIL BOTTLE ASM. - S13CN8/CY8 ALL OPTIONS (49SNOWOILBOTTLE13600RUSH)
ENGINE, OIL PUMP and LINES - S13CN8/CY8 ALL OPTIONS (49SNOWOILPUMP12PR)
ENGINE, PISTON and CRANKSHAFT - S13CN8/CY8 ALL OPTIONS (49SNOWPISTONCRANKSHAFT13800LE)
ENGINE, RECOIL STARTER - S13CN8/CY8 ALL OPTIONS (49SNOWRECOIL12800RMK)
ENGINE, REED VALVE and THROTTLE BODY ADAPTOR - S13CN8/CY8 ALL OPTIONS (49SNOWCARBURETOR09600TRG)
ENGINE, STARTER MOTOR - S13CN8/CY8 ALL OPTIONS (49SNOWSTARTER13RUSH)
ENGINE, THROTTLE CONTROL ASM. - S13CN8/CY8 ALL OPTIONS (49SNOWTHROTTLE13RMK)
ENGINE, WATER PUMP - S13CN8/CY8 ALL OPTIONS (49SNOWWATERPUMP13RMK)
FUEL SYSTEM, FUEL TANK ASM. - S13CN8/CY8 ALL OPTIONS (49SNOWFUEL136RMK)
FUEL SYSTEM, RAIL, LINES and THROTTLE BODY - S13CN8/CY8 ALL OPTIONS (49SNOWFUELLINE13600INDY)
STEERING, HANDLEBAR MOUNTING - S13CN8/CY8 ALL OPTIONS (49SNOWHANDLEBAR13PRMK)
STEERING, LOWER - S13CN8/CY8 ALL OPTIONS (49SNOWSTEERINGLWR12ASLT)
STEERING, SKI ASM. - S13CN8/CY8 ALL OPTIONS (49SNOWSKIASM11800PRMK)
SUSPENSION, CONTROL ARMS and SPINDLE - S13CN8/CY8 ALL OPTIONS (49SNOWSUSPFRT11800PRMK)
SUSPENSION, RAIL MOUNTING - S13CN8/CY8 ALL OPTIONS (49SNOWSUSPRAIL13800ASLT)
SUSPENSION, REAR - S13CN8/CY8 ALL OPTIONS (49SNOWSUSPRR13800ASLT)
SUSPENSION, SHOCK, FRONT - S13CN8/CY8 ALL OPTIONS (49SNOWSHOCKFRONT7043602)
SUSPENSION, SHOCK, IFS - S13CN8/CY8 ALL OPTIONS (49SNOWSHOCKIFS7043650)
SUSPENSION, SHOCK, REAR - S13CN8/CY8 ALL OPTIONS (49SNOWSHOCKREAR7043629)
SUSPENSION, TORQUE ARM, FRONT - S13CN8/CY8 ALL OPTIONS (49SNOWFTA12ASLT)
SUSPENSION, TORQUE ARM, REAR - S13CN8/CY8 ALL OPTIONS (49SNOWTORQUEREAR11800PRMK)
TOOLS, TOOL KIT and OWNERS MANUAL - S13CN8/CY8 ALL OPTIONS (49SNOWTOOL11800RMK)
BODY, BUMPER, FRONT - S13CN8/CY8 ALL OPTIONS (49SNOWBUMPER12800PRMK)
BODY, BUMPER, REAR, SNOWFLAP and TAILLIGHT COVER - S13CN8/CY8 ALL OPTIONS (49SNOWBUMPERRR11800RMK)
BODY, CONSOLE - S13CN8/CY8 ALL OPTIONS (49SNOWCONSOLE11PRMK)
BODY, DECAL - S13CN8/CY8 ALL OPTIONS (49SNOWDECAL13RMKASLT)
BODY, DECAL, RETRO WRAP - S13CN8/CY8 ALL OPTIONS (49SNOWDECAL13RMKASLTWRAP)
BODY, FENDERS and SIDE PANELS - S13CN8/CY8 ALL OPTIONS (49SNOWFENDERS13RMK)
BODY, HOOD ASM. - S13CN8/CY8 ALL OPTIONS (49SNOWHOOD13RMK)
BODY, HOOD FOAM/FIBER - S13CN8/CY8 ALL OPTIONS (49SNOWHOODSCFL11800PRMK)
BODY, NOSEPAN ASM. - S13CN8/CY8 A:LL OPTIONS (49SNOWNOSEPAN11800PRMK)
BODY, SEAT ASM. - S13CN8/CY8 ALL OPTIONS (49SNOWSEAT138RMK)
BODY, WINDSHIELD - S13CN8/CY8 ALL OPTIONS (49SNOWWINDSHLD11800ASLT)
BRAKES, BRAKE SYSTEM - S13CN8/CY8 ALL OPTIONS (49SNOWBRAKE11PRMK)
CHASSIS, BULKHEAD ASM. - S13CN8/CY8 All OPTIONS (49SNOWCHASSISFRT13PRMK)
CHASSIS, CHASSIS ASM. and OVER STRUCTURE - S13CN8/CY8 ALL OPTIONS (49SNOWCHASSISFRT213RMKASLT)
CHASSIS, CLUTCH GUARD and FOOTRESTS - S13CN8/CY8 ALL OPTIONS (49SNOWCLUTCHGUARD13PRMK)
DRIVE TRAIN, CHAINCASE - S13CN8/CY8 ALL OPTIONS (49SNOWCHAINCASE12ASLT)
DRIVE TRAIN, CLUTCH, PRIMARY - S13CN8/CY8 ALL OPTIONS (49SNOWDRIVECLUTCH09600TRG)
DRIVE TRAIN, CLUTCH, SECONDARY - S13CN8/CY8 ALL OPTIONS (49SNOWDRIVENCLUTCH1322948)
DRIVE TRAIN, JACKSHAFT and DRIVESHAFT - S13CN8/CY8 ALL OPTIONS (49SNOWDRIVETRAIN13RMKASLT)
ELECTRICAL, BATTERY and CABLES - S13CN8/CY8 ALL OPTIONS (49SNOWBATTERY13RMK)
ELECTRICAL, HEADLIGHT and TAILLIGHT - S13CN8/CY8 ALL OPTIONS (49SNOWHEADLGHT11800ASLT)
ELECTRICAL, IGNITION SYSTEM - S13CN8/CY8 ALL OPTIONS (49SNOWIGNITION13RMKASLT)
ELECTRICAL, MULTI FUNCTION GAUGE - S13CN8/CY8 ALL OPTIONS (49SNOWGAUGE10PR)
ELECTRICAL, SWITCHES, SENSORS and COMPONENTS - S13CN8/CY8 ALL OPTIONS (49SNOWELECT13PRMK)
ELECTRICAL, WIRE HARNESS - S13CN8/CY8 ALL OPTIONS (49SNOWHARNESS13600RMK)
ENGINE, AIR INTAKE SYSTEM - S13CN8/CY8 ALL OPTIONS (49SNOWAIR13RMK)
ENGINE, COOLING SYSTEM - S13CN8/CY8 ALL OPTIONS (49SNOWCOOLING13600PRMK)
ENGINE, CRANKCASE - S13CN8/CY8 ALL OPTIONS (49SNOWCRANKCASE138LE)
ENGINE, CYLINDER - S13CN8/CY8 ALL OPTIONS (49SNOWCYLINDER13800ASLT)
ENGINE, EXHAUST - S13CN8/CY8 ALL OPTIONS (49SNOWEXHAUST13800LE)
ENGINE, EXHAUST VALVES and SOLENOID - S13CN8/CY8 ALL OPTIONS (49SNOWEXHAUSTVALVES13800LE)
ENGINE, MOUNTING - S13CN8/CY8 ALL OPTIONS (49SNOWENGINEMOUNT13800LE)
ENGINE, OIL BOTTLE ASM. - S13CN8/CY8 ALL OPTIONS (49SNOWOILBOTTLE13600RUSH)
ENGINE, OIL PUMP and LINES - S13CN8/CY8 ALL OPTIONS (49SNOWOILPUMP12PR)
ENGINE, PISTON and CRANKSHAFT - S13CN8/CY8 ALL OPTIONS (49SNOWPISTONCRANKSHAFT13800LE)
ENGINE, RECOIL STARTER - S13CN8/CY8 ALL OPTIONS (49SNOWRECOIL12800RMK)
ENGINE, REED VALVE and THROTTLE BODY ADAPTOR - S13CN8/CY8 ALL OPTIONS (49SNOWCARBURETOR09600TRG)
ENGINE, STARTER MOTOR - S13CN8/CY8 ALL OPTIONS (49SNOWSTARTER13RUSH)
ENGINE, THROTTLE CONTROL ASM. - S13CN8/CY8 ALL OPTIONS (49SNOWTHROTTLE13RMK)
ENGINE, WATER PUMP - S13CN8/CY8 ALL OPTIONS (49SNOWWATERPUMP13RMK)
FUEL SYSTEM, FUEL TANK ASM. - S13CN8/CY8 ALL OPTIONS (49SNOWFUEL136RMK)
FUEL SYSTEM, RAIL, LINES and THROTTLE BODY - S13CN8/CY8 ALL OPTIONS (49SNOWFUELLINE13600INDY)
STEERING, HANDLEBAR MOUNTING - S13CN8/CY8 ALL OPTIONS (49SNOWHANDLEBAR13PRMK)
STEERING, LOWER - S13CN8/CY8 ALL OPTIONS (49SNOWSTEERINGLWR12ASLT)
STEERING, SKI ASM. - S13CN8/CY8 ALL OPTIONS (49SNOWSKIASM11800PRMK)
SUSPENSION, CONTROL ARMS and SPINDLE - S13CN8/CY8 ALL OPTIONS (49SNOWSUSPFRT11800PRMK)
SUSPENSION, RAIL MOUNTING - S13CN8/CY8 ALL OPTIONS (49SNOWSUSPRAIL13800ASLT)
SUSPENSION, REAR - S13CN8/CY8 ALL OPTIONS (49SNOWSUSPRR13800ASLT)
SUSPENSION, SHOCK, FRONT - S13CN8/CY8 ALL OPTIONS (49SNOWSHOCKFRONT7043602)
SUSPENSION, SHOCK, IFS - S13CN8/CY8 ALL OPTIONS (49SNOWSHOCKIFS7043650)
SUSPENSION, SHOCK, REAR - S13CN8/CY8 ALL OPTIONS (49SNOWSHOCKREAR7043629)
SUSPENSION, TORQUE ARM, FRONT - S13CN8/CY8 ALL OPTIONS (49SNOWFTA12ASLT)
SUSPENSION, TORQUE ARM, REAR - S13CN8/CY8 ALL OPTIONS (49SNOWTORQUEREAR11800PRMK)
TOOLS, TOOL KIT and OWNERS MANUAL - S13CN8/CY8 ALL OPTIONS (49SNOWTOOL11800RMK)
VIEW WISH LIST