Polaris
Browse New Models
Shop In-Stock
Honda
Browse New Models
Shop In-Stock
KTM
Browse New Models
Shop In-Stock
Beta
Browse New Models
Shop In-Stock
Timbersled
Browse New Models
1318 W 2nd St
,
The Dalles, OR
97058
541-298-1161
Search Inventory
Toggle navigation
Home
Brands
Inventory
All Inventory In Stock
New Inventory In Stock
Pre-Owned Inventory
Polaris Off-Road
Polaris Snowmobiles
Timbersled
Manufacturer Models
Value Your Trade-In
Request a Model
Government Purchasing Program
OEM Promotions
Secure Financing
Parts
Parts Department
Parts Finder
Shopping Cart
Service
Service Department
Warranty & Recall Look-Up
Schedule Polaris Service
Financing
About
Our Dealership
Our Team
Reviews
Customer Survey
Employment
Location & Hours
Contact
541-298-1161
The Dalles, OR
Fiche | Parts Diagrams
Home
›
Parts
›
Parts Finder
Search by :
Part / Desc
VIN
Please Select
Honda
KTM
Polaris
*Please enter at least 3 characters
SEARCH
Manufacturer
Polaris
Snowmobiles
2013
800 RUSH PRO-R ALL OPTIONS (S13BP8/BV8)
VIEW WISH LIST
Select a Section
Show/Hide
BODY, BUMPER, FRONT - S13BP8/BV8 ALL OPTIONS (49SNOWBUMPER12800SB)
BODY, BUMPER, REAR and CLOSEOFF - S13BP8/BV8 ALL OPTIONS (49SNOWBUMPERRR13RUSH)
BODY, CONSOLE - S13BP8/BV8 ALL OPTIONS (49SNOWCONSOLE13RUSH)
BODY, DECAL - S13BP8 ALL OPTIONS (49SNOWDECAL13RUSHPRO)
BODY, DECAL, LE - S13BV8 ALL OPTIONS (49SNOWDECAL13PROLE)
BODY, DECAL, RETRO - S13BP8GSM (49SNOWDECAL13RUSHRETRO)
BODY, DECAL, RETRO WRAP - S13BV8 (49SNOWDECAL13121WRAP)
BODY, FENDERS and SIDE PANELS - S13BP8/BV8 ALL OPTIONS (49SNOWFENDERS13RMK)
BODY, HOOD ASM. - S13BP8/BV8 ALL OPTIONS (49SNOWHOOD13SB)
BODY, HOOD FOAM/FIBER - S13BP8/BV8 ALL OPTIONS (49SNOWHOODSCFL11RUSH)
BODY, NOSEPAN ASM. - S13BP8/BV8 ALL OPTIONS (49SNOWNOSEPAN12800SB)
BODY, SEAT MOUNTING - S13BP8/BV8 ALL OPTIONS (49SNOWSEAT13RUSH)
BODY, WINDSHIELD - S13BP8/BV8 ALL OPTIONS (49SNOWWINDSHLD11800ASLT)
BRAKES, BRAKE SYSTEM - S13BP8/BV8 ALL OPTIONS (49SNOWBRAKE13800R)
CHASSIS, BULKHEAD ASM. - S13BP8/BV8 ALL OPTIONS (49SNOWCHASSISFRT13600RUSH)
CHASSIS, CHASSIS ASM. and OVER STRUCTURE - S13BP8/BV8 ALL OPTIONS (49SNOWCHASSISFRT213600RUSH)
CHASSIS, CLUTCH GUARD and FOOTRESTS - S13BP8/BV8 ALL OPTIONS (49SNOWCLUTCHGUARD13600SB)
CHASSIS, TUNNEL and REAR ASM. - S13BP8/BV8 ALL OPTIONS (49SNOWCHASSISRR12600RUSH)
DRIVE TRAIN, CHAINCASE - S13BP8/BV8 ALL OPTIONS (49SNOWCHAINCASE12600RUSH)
DRIVE TRAIN, CLUTCH, PRIMARY - S13BP8/BV8 ALL OPTIONS (49SNOWDRIVECLUTCH09600TRG)
DRIVE TRAIN, CLUTCH, SECONDARY - S12BP8/BV8 ALL OPTIONS (49SNOWDRIVENCLUTCH1322948)
DRIVE TRAIN, JACKSHAFT and DRIVESHAFT - S13BP8/BV8 ALL OPTIONS (49SNOWDRIVETRAIN11600PRO)
ELECTRICAL, BATTERY and CABLES - S13BP8/BV8 ALL OPTIONS (49SNOWBATTERY13LE)
ELECTRICAL, HEADLIGHT and TAILLIGHT - S13BP8/BV8 ALL OPTIONS (49SNOWHEADLGHT11RUSH)
ELECTRICAL, IGNITION SYSTEM - S13BP8/BV8 ALL OPTIONS (49SNOWIGNITION13600SB)
ELECTRICAL, MULTI FUNCTION GAUGE - S13BP8/BV8 ALL OPTIONS (49SNOWGAUGE10PR)
ELECTRICAL, SWITCHES, SENSORS and COMPONENTS - S13BP8/BV8 ALL OPTIONS (49SNOWELECT13ADV)
ELECTRICAL, WIRE HARNESS - S13BP8/BV8 ALL OPTIONS (49SNOWHARNESS13600SBA)
ENGINE, AIR INTAKE SYSTEM - S13BP8/BV8 ALL OPTIONS (49SNOWAIR13RUSH)
ENGINE, COOLING SYSTEM - S13BP8/BV8 ALL OPTIONS (49SNOWCOOLING13800121)
ENGINE, CRANKCASE - S13BP8/BV8 ALL OPTIONS (49SNOWCRANKCASE138LE)
ENGINE, CYLINDER - S13BP8/BV8 ALL OPTIONS (49SNOWCYLINDER12800SB)
ENGINE, EXHAUST - S13BP8/BV8 ALL OPTIONS (49SNOWEXHAUST13800LE)
ENGINE, EXHAUST VALVES and SOLENOID - S13BP8/BV8 ALL OPTIONS (49SNOWEXHAUSTVALVES13800LE)
ENGINE, MOUNTING - S13BP8/BV8 ALL OPTIONS (49SNOWENGINEMOUNT13800LE)
ENGINE, OIL BOTTLE ASM. - S13BP8/BV8 ALL OPTIONS (49SNOWOILBOTTLE13600RUSH)
ENGINE, OIL PUMP and LINES - S13BP8/BV8 ALL OPTIONS (49SNOWOILPUMP12PR)
ENGINE, PISTON and CRANKSHAFT - S13BP8/BV8 ALL OPTIONS (49SNOWPISTONCRANKSHAFT13800LE)
ENGINE, RECOIL STARTER - S13BP8/BV8 ALL OPTIONS (49SNOWRECOIL12SB)
ENGINE, REED VALVE and THROTTLE BODY ADAPTOR - S13BP8/BV8 ALL OPTIONS (49SNOWCARBURETOR09600TRG)
ENGINE, STARTER MOTOR - S13BP8/BV8 ALL OPTIONS (49SNOWSTARTER13RUSH)
ENGINE, THROTTLE CONTROL ASM. - S13BP8/BV8 ALL OPTIONS (49SNOWTHROTTLE13PR)
ENGINE, WATER PUMP - S13BP8/BV8 ALL OPTIONS (49SNOWWATERPUMP10PR)
FUEL SYSTEM, FUEL TANK ASM. - S13BP8/BV8 ALL OPTIONS (49SNOWFUEL13600LE)
FUEL SYSTEM, RAIL, LINES and THROTTLE BODY - S13BP8/BV8 ALL OPTIONS (49SNOWFUELLINE13800)
STEERING, LOWER - S13BP8/BV8 ALL OPTIONS (49SNOWSTEERINGLWR12800SB)
STEERING, SKI ASM. - S13BP8/BV8 ALL OPTIONS (49SNOWSKIASM13SBPRO)
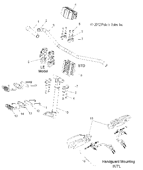
STEERING, UPPER and HANDLEBAR ASM. - S13BP8/BV8 ALL OPTIONS (49SNOWHANDLEBAR13800PROR)
SUSPENSION, CONTROL ARMS and SPINDLE - S13BP8/BV8 ALL OPTIONS (49SNOWSUSPFRT12800SB)
SUSPENSION, CRANK ASM., REAR - S13BP8/BV8 ALL OPTIONS (49SNOWSUSPCRANK13RUSH)
SUSPENSION, RAIL ASM. - S13BP8/BV8 ALL OPTIONS (49SNOWSUSPRAIL12600RUSH)
SUSPENSION, REAR and TRACK - S13BP8/BV8 ALL OPTIONS (49SNOWSUSPRR12600RUSH)
SUSPENSION, SHOCK, FRONT - S13BP8/BV8 ALL OPTIONSGSL/GEL/GSM (49SNOWSHOCKFRONT7043828)
SUSPENSION, SHOCK, IFS (LE) - S13BP8/BV8 ALL OPTIONS (49SNOWSHOCKIFS7043827)
SUSPENSION, SHOCK, IFS - S13BP8/BV8 ALL OPTIONS (49SNOWSHOCKIFS7043731)
SUSPENSION, SHOCK, REAR - S13BP8/BV8 ALL OPTIONS (49SNOWSHOCKREAR7043723)
SUSPENSION, SWAY BAR - S13BP8/BV8 (49SNOWSWAYBAR10PR)
SUSPENSION, TORQUE ARM, FRONT - S13BP8/BV8 ALL OPTIONS (49SNOWFTA13SB)
TOOLS, TOOL KIT and OWNERS MANUAL - S13BP8/BV8 ALL OPTIONS (49SNOWTOOL12600RUSH)
BODY, BUMPER, FRONT - S13BP8/BV8 ALL OPTIONS (49SNOWBUMPER12800SB)
BODY, BUMPER, REAR and CLOSEOFF - S13BP8/BV8 ALL OPTIONS (49SNOWBUMPERRR13RUSH)
BODY, CONSOLE - S13BP8/BV8 ALL OPTIONS (49SNOWCONSOLE13RUSH)
BODY, DECAL - S13BP8 ALL OPTIONS (49SNOWDECAL13RUSHPRO)
BODY, DECAL, LE - S13BV8 ALL OPTIONS (49SNOWDECAL13PROLE)
BODY, DECAL, RETRO - S13BP8GSM (49SNOWDECAL13RUSHRETRO)
BODY, DECAL, RETRO WRAP - S13BV8 (49SNOWDECAL13121WRAP)
BODY, FENDERS and SIDE PANELS - S13BP8/BV8 ALL OPTIONS (49SNOWFENDERS13RMK)
BODY, HOOD ASM. - S13BP8/BV8 ALL OPTIONS (49SNOWHOOD13SB)
BODY, HOOD FOAM/FIBER - S13BP8/BV8 ALL OPTIONS (49SNOWHOODSCFL11RUSH)
BODY, NOSEPAN ASM. - S13BP8/BV8 ALL OPTIONS (49SNOWNOSEPAN12800SB)
BODY, SEAT MOUNTING - S13BP8/BV8 ALL OPTIONS (49SNOWSEAT13RUSH)
BODY, WINDSHIELD - S13BP8/BV8 ALL OPTIONS (49SNOWWINDSHLD11800ASLT)
BRAKES, BRAKE SYSTEM - S13BP8/BV8 ALL OPTIONS (49SNOWBRAKE13800R)
CHASSIS, BULKHEAD ASM. - S13BP8/BV8 ALL OPTIONS (49SNOWCHASSISFRT13600RUSH)
CHASSIS, CHASSIS ASM. and OVER STRUCTURE - S13BP8/BV8 ALL OPTIONS (49SNOWCHASSISFRT213600RUSH)
CHASSIS, CLUTCH GUARD and FOOTRESTS - S13BP8/BV8 ALL OPTIONS (49SNOWCLUTCHGUARD13600SB)
CHASSIS, TUNNEL and REAR ASM. - S13BP8/BV8 ALL OPTIONS (49SNOWCHASSISRR12600RUSH)
DRIVE TRAIN, CHAINCASE - S13BP8/BV8 ALL OPTIONS (49SNOWCHAINCASE12600RUSH)
DRIVE TRAIN, CLUTCH, PRIMARY - S13BP8/BV8 ALL OPTIONS (49SNOWDRIVECLUTCH09600TRG)
DRIVE TRAIN, CLUTCH, SECONDARY - S12BP8/BV8 ALL OPTIONS (49SNOWDRIVENCLUTCH1322948)
DRIVE TRAIN, JACKSHAFT and DRIVESHAFT - S13BP8/BV8 ALL OPTIONS (49SNOWDRIVETRAIN11600PRO)
ELECTRICAL, BATTERY and CABLES - S13BP8/BV8 ALL OPTIONS (49SNOWBATTERY13LE)
ELECTRICAL, HEADLIGHT and TAILLIGHT - S13BP8/BV8 ALL OPTIONS (49SNOWHEADLGHT11RUSH)
ELECTRICAL, IGNITION SYSTEM - S13BP8/BV8 ALL OPTIONS (49SNOWIGNITION13600SB)
ELECTRICAL, MULTI FUNCTION GAUGE - S13BP8/BV8 ALL OPTIONS (49SNOWGAUGE10PR)
ELECTRICAL, SWITCHES, SENSORS and COMPONENTS - S13BP8/BV8 ALL OPTIONS (49SNOWELECT13ADV)
ELECTRICAL, WIRE HARNESS - S13BP8/BV8 ALL OPTIONS (49SNOWHARNESS13600SBA)
ENGINE, AIR INTAKE SYSTEM - S13BP8/BV8 ALL OPTIONS (49SNOWAIR13RUSH)
ENGINE, COOLING SYSTEM - S13BP8/BV8 ALL OPTIONS (49SNOWCOOLING13800121)
ENGINE, CRANKCASE - S13BP8/BV8 ALL OPTIONS (49SNOWCRANKCASE138LE)
ENGINE, CYLINDER - S13BP8/BV8 ALL OPTIONS (49SNOWCYLINDER12800SB)
ENGINE, EXHAUST - S13BP8/BV8 ALL OPTIONS (49SNOWEXHAUST13800LE)
ENGINE, EXHAUST VALVES and SOLENOID - S13BP8/BV8 ALL OPTIONS (49SNOWEXHAUSTVALVES13800LE)
ENGINE, MOUNTING - S13BP8/BV8 ALL OPTIONS (49SNOWENGINEMOUNT13800LE)
ENGINE, OIL BOTTLE ASM. - S13BP8/BV8 ALL OPTIONS (49SNOWOILBOTTLE13600RUSH)
ENGINE, OIL PUMP and LINES - S13BP8/BV8 ALL OPTIONS (49SNOWOILPUMP12PR)
ENGINE, PISTON and CRANKSHAFT - S13BP8/BV8 ALL OPTIONS (49SNOWPISTONCRANKSHAFT13800LE)
ENGINE, RECOIL STARTER - S13BP8/BV8 ALL OPTIONS (49SNOWRECOIL12SB)
ENGINE, REED VALVE and THROTTLE BODY ADAPTOR - S13BP8/BV8 ALL OPTIONS (49SNOWCARBURETOR09600TRG)
ENGINE, STARTER MOTOR - S13BP8/BV8 ALL OPTIONS (49SNOWSTARTER13RUSH)
ENGINE, THROTTLE CONTROL ASM. - S13BP8/BV8 ALL OPTIONS (49SNOWTHROTTLE13PR)
ENGINE, WATER PUMP - S13BP8/BV8 ALL OPTIONS (49SNOWWATERPUMP10PR)
FUEL SYSTEM, FUEL TANK ASM. - S13BP8/BV8 ALL OPTIONS (49SNOWFUEL13600LE)
FUEL SYSTEM, RAIL, LINES and THROTTLE BODY - S13BP8/BV8 ALL OPTIONS (49SNOWFUELLINE13800)
STEERING, LOWER - S13BP8/BV8 ALL OPTIONS (49SNOWSTEERINGLWR12800SB)
STEERING, SKI ASM. - S13BP8/BV8 ALL OPTIONS (49SNOWSKIASM13SBPRO)
STEERING, UPPER and HANDLEBAR ASM. - S13BP8/BV8 ALL OPTIONS (49SNOWHANDLEBAR13800PROR)
SUSPENSION, CONTROL ARMS and SPINDLE - S13BP8/BV8 ALL OPTIONS (49SNOWSUSPFRT12800SB)
SUSPENSION, CRANK ASM., REAR - S13BP8/BV8 ALL OPTIONS (49SNOWSUSPCRANK13RUSH)
SUSPENSION, RAIL ASM. - S13BP8/BV8 ALL OPTIONS (49SNOWSUSPRAIL12600RUSH)
SUSPENSION, REAR and TRACK - S13BP8/BV8 ALL OPTIONS (49SNOWSUSPRR12600RUSH)
SUSPENSION, SHOCK, FRONT - S13BP8/BV8 ALL OPTIONSGSL/GEL/GSM (49SNOWSHOCKFRONT7043828)
SUSPENSION, SHOCK, IFS (LE) - S13BP8/BV8 ALL OPTIONS (49SNOWSHOCKIFS7043827)
SUSPENSION, SHOCK, IFS - S13BP8/BV8 ALL OPTIONS (49SNOWSHOCKIFS7043731)
SUSPENSION, SHOCK, REAR - S13BP8/BV8 ALL OPTIONS (49SNOWSHOCKREAR7043723)
SUSPENSION, SWAY BAR - S13BP8/BV8 (49SNOWSWAYBAR10PR)
SUSPENSION, TORQUE ARM, FRONT - S13BP8/BV8 ALL OPTIONS (49SNOWFTA13SB)
TOOLS, TOOL KIT and OWNERS MANUAL - S13BP8/BV8 ALL OPTIONS (49SNOWTOOL12600RUSH)
VIEW WISH LIST