Polaris
Browse New Models
Shop In-Stock
Honda
Browse New Models
Shop In-Stock
KTM
Browse New Models
Shop In-Stock
Beta
Browse New Models
Shop In-Stock
Timbersled
Browse New Models
1318 W 2nd St
,
The Dalles, OR
97058
541-298-1161
Search Inventory
Toggle navigation
Home
Brands
Inventory
All Inventory In Stock
New Inventory In Stock
Pre-Owned Inventory
Polaris Off-Road
Polaris Snowmobiles
Timbersled
Manufacturer Models
Value Your Trade-In
Request a Model
Government Purchasing Program
OEM Promotions
Secure Financing
Parts
Parts Department
Parts Finder
Shopping Cart
Service
Service Department
Warranty & Recall Look-Up
Schedule Polaris Service
Financing
About
Our Dealership
Our Team
Reviews
Customer Survey
Employment
Location & Hours
Contact
541-298-1161
The Dalles, OR
Fiche | Parts Diagrams
Home
›
Parts
›
Parts Finder
Search by :
Part / Desc
VIN
Please Select
Honda
KTM
Polaris
*Please enter at least 3 characters
SEARCH
Manufacturer
Polaris
Utility Vehicles
2016
RZR 900 50/55 INCH ALL OPTIONS (Z16VAA87/E87/X87)
VIEW WISH LIST
Select a Section
Show/Hide
BODY, DASH AND GLOVEBOX - Z16VA87 ALL OPTIONS (49RGRDASH15RZR900)
BODY, DECALS - Z16VA87 ALL OPTIONS (700251)
BODY, DOORS - Z16VAA87A2/E87A9/AR/AU/AW (49RGRDOOR15Z90050)
BODY, DOORS - Z16VAX87AL (49RGRDOOR150900AL)
BODY, FLOOR and ROCKER PANELS - Z16VA87 ALL OPTIONS (49RGRFLOOR15RZR900)
BODY, FRONT BUMPER - Z16VA87 ALL OPTIONS (49RGRBUMPER14RZR1000)
BODY, FUEL TANK - Z16VA87 ALL OPTIONS (49RGRFUEL15RZR900)
BODY, GRAB BAR, PASSENGER - Z16VA87 ALL OPTIONS (700282)
BODY, HOOD AND FRONT BODY WORK - Z16VA87 ALL OPTIONS (49RGRHOOD15Z90050)
BODY, REAR RACK AND FENDERS - Z16VA87 ALL OPTIONS (49RGRRACKMTG15Z90050)
BODY, SEAT ASM. - Z16VAA87A2 (49RGRSEAT15Z90050)
BODY, SEAT ASM. AND SLIDER - Z16VAE87AR/AU/AL/A9 (49RGRSEAT15RZR900)
BODY, SEAT BELT MOUNTING - Z16VA87 ALL OPTIONS (49RGRSB15Z90050)
BRAKES, BRAKE LINES AND MASTER CYLINDER - Z16VA87 ALL OPTIONS (49RGRBRAKELINES15RZR900)
BRAKES, FRONT CALIPER - Z16VA87 ALL OPTIONS (49RGRCALIPER15RZR900)
BRAKES, PEDAL AND MASTER CYLINDER - Z16VA87 ALL OPTIONS (49RGRBRAKEFOOT14RZR1000)
BRAKES, REAR CALIPER - Z16VA87 ALL OPTIONS (49RGRCALIPERRR15RZR900)
CHASSIS, CAB FRAME - Z16VA87 ALL OPTIONS (49RGRCAB15RZR900)
CHASSIS, MAIN FRAME AND SKID PLATE - Z16VA87 ALL OPTIONS (49RGRFRAME15RZR900)
CHASSIS, MAIN FRAME MOUNTS - Z16VA87 ALL OPTIONS (49RGRFRAME15RZR900)
DRIVE TRAIN, CLUTCH COVER AND DUCTING - Z16VA87 ALL OPTIONS (49RGRCLUTCHCVR15RZR900)
DRIVE TRAIN, FRONT GEARCASE INTERNALS - Z16VAA87A2 (49RGRTRANSINTL13900XP)
DRIVE TRAIN, FRONT GEARCASE INTERNALS - Z16VAE87A9/AL/AR/AU/AW (49RGRTRANSINTL1333243)
DRIVE TRAIN, FRONT GEARCASE MOUNTING - Z16VA87 ALL OPTIONS (49RGRGEARCASEMTG15RZR900)
DRIVE TRAIN, FRONT HALF SHAFT - Z16VA87 ALL OPTIONS (49RGRSHAFTDRV15RZR900)
DRIVE TRAIN, FRONT PROP SHAFT - Z16VA87 ALL OPTIONS (49RGRSHAFTPROP15RZR900)
DRIVE TRAIN, GEAR SELECTOR - Z16VA87 ALL OPTIONS (49RGRGEARSELECT15Z90050)
DRIVE TRAIN, MAIN GEARCASE INTERNALS - Z16VAA87A2 (700255)
DRIVE TRAIN, MAIN GEARCASE INTERNALS - Z16VAE87A9/AL/AR/AU/AW (700254)
DRIVE TRAIN, MAIN GEARCASE MOUNTING - Z16VA87 ALL OPTIONS (49RGRTRANSMTG14RZR1000)
DRIVE TRAIN, PRIMARY CLUTCH - Z16VA87 ALL OPTIONS (49RGRCLUTCHDRV1323181)
DRIVE TRAIN, REAR HALF SHAFT - Z16VA87 ALL OPTIONS (49RGRSHAFTDRIVERR15RZR900)
DRIVE TRAIN, SECONDARY CLUTCH - Z16VAA87A2/A9/AL/AR/AU/AW (700610)
ELECTRICAL, BATTERY - Z16VA87 ALL OPTIONS (700252)
ELECTRICAL, DASH INSTRUMENTS AND CONTROLS - Z16VA87 ALL OPTIONS (49RGRDASH15Z50900)
ELECTRICAL, HEADLIGHTS AND TAILLIGHTS - Z16VA87 ALL OPTIONS (49RGRTAILLAMPS14RZR1000)
ELECTRICAL, IGNITION - Z16VA87 ALL OPTIONS (700253)
ELECTRICAL, SENSORS, ECU and CONTROL MODULES - Z16VA87 ALL OPTIONS (700256)
ELECTRICAL, WIRE HARNESS - Z16VAA87A2 (700257)
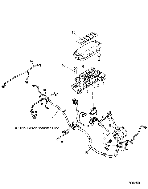
ELECTRICAL, WIRE HARNESS - Z16VAE87A9/AR/AU/AW (700259)
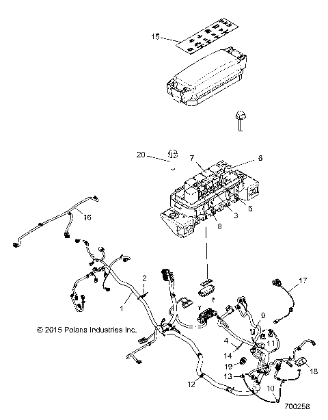
ELECTRICAL, WIRE HARNESS GPS - Z16VAX87AL (700258)
ENGINE, AIR INTAKE SYSTEM - Z16VA87 ALL OPTIONS (700059)
ENGINE, BALANCER - Z16VA87 ALL OPTIONS (49RGRBALANCER13900XP)
ENGINE, BREATHER - Z16VA87 ALL OPTIONS (49RGRBREATHER13900XP)
ENGINE, COOLING SYSTEM - Z16VA87 ALL OPTIONS (700260)
ENGINE, COOLING, THERMOSTAT and BYPASS - Z16VA87 ALL OPTIONS (49RGRTHERMO15RZR900)
ENGINE, COOLING, WATERPUMP - Z16VA87 ALL OPTIONS (701561)
ENGINE, CRANKCASE - Z16VA87 ALL OPTIONS (49RGRCRANKCASE13900XP)
ENGINE, CRANKSHAFT and PISTON - Z16VA87 ALL OPTIONS (49RGRPISTON11RZR875)
ENGINE, CYLINDER and HEAD - Z16VA87 ALL OPTIONS (49RGRCYLINDER15RZR900)
ENGINE, EXHAUST SYSTEM - Z16VA87 ALL OPTIONS (49RGREXHAUST15RZR900)
ENGINE, INTAKE and THROTTLE BODY - Z16VA87 ALL OPTIONS (49RGRTHROTTLEBODY14900XP)
ENGINE, MOUNTING & LONG BLOCK - Z16VA87 ALL OPTIONS (49RGRENGINEMTG15RZR900)
ENGINE, OIL DIPSTICK - Z16VA87 ALL OPTIONS (49RGRDIPSTICK15RZR900)
ENGINE, OIL PUMP and OIL COOLER - Z16VA87 ALL OPTIONS (49RGROILPUMP13900XP)
ENGINE, STARTER and DRIVE - Z16VA87 ALL OPTIONS (702178)
ENGINE, STATOR and COVER - Z16VA87 ALL OPTIONS (49RGRMAGNETOCVR13900XP)
ENGINE, THROTTLE PEDAL - Z16VA87 ALL OPTIONS (49RGRTHROTTLEPEDAL14RZR1000)
ENGINE, VALVE COVER - Z16VA87 ALL OPTIONS (49RGRVALVE13900XP)
ENGINE, VALVES and CAMSHAFTS - Z16VA87 ALL OPTIONS (49RGRCAM14900XP)
REFERENCE, OWNERS MANUAL AND TOOL KIT - Z16VA87 ALL OPTIONS (49RGRTOOL14RZR1000)
STEERING, POWER STEERING ASM. - Z16VAE87AR/A9/AU/AW/X87AL (700163)
STEERING, STEERING ASM. - Z16VAA87A2 (700162)
SUSPENSION, FRONT CONTROL ARMS - Z16VA87 ALL OPTIONS (49RGRSUSPFRT15Z90050)
SUSPENSION, FRONT SHOCK - Z16VAE87A2/AR (49RGRSHOCKFRT7044130)
SUSPENSION, FRONT SHOCK - Z16VAX87AL/AW/AM (49RGRSHOCKFRT15Z90055)
SUSPENSION, FRONT SHOCK INTERNALS - Z16VAX87AL/AW (700262)
SUSPENSION, REAR CONTROL ARMS - Z16VA87 ALL OPTIONS (700261)
SUSPENSION, REAR SHOCK - Z16VA87 ALL OPTIONS (49RGRSHOCKRR7044132)
SUSPENSION, REAR SHOCK - Z16VAX87AL/AW/AM (49RGRSHOCKRR15Z90055)
SUSPENSION, REAR SHOCK INTERNALS - Z16VAX87AL/AW (700263)
SUSPENSION, STABILIZER BAR, FRONT - Z16VA87 ALL OPTIONS (49RGRSTABILIZERRR15Z90050)
SUSPENSION, STABILIZER BAR, REAR - Z16VA87 ALL OPTIONS (49RGRSTABILIZERRR15Z90050)
WHEELS, FRONT - Z16VAA87A2 (49RGRWHEELFRT15Z90050)
WHEELS, FRONT - Z16VAE87A9/AL/AR/AU/AW (49RGRWHEELFRT15Z900AL)
WHEELS, REAR - Z16VAA87A2 (49RGRWHEELRR15Z90050)
WHEELS, REAR - Z16VAE87A9/AL/AR/AU/AW (49RGRWHEELRR15Z900AL)
BODY, DASH AND GLOVEBOX - Z16VA87 ALL OPTIONS (49RGRDASH15RZR900)
BODY, DECALS - Z16VA87 ALL OPTIONS (700251)
BODY, DOORS - Z16VAA87A2/E87A9/AR/AU/AW (49RGRDOOR15Z90050)
BODY, DOORS - Z16VAX87AL (49RGRDOOR150900AL)
BODY, FLOOR and ROCKER PANELS - Z16VA87 ALL OPTIONS (49RGRFLOOR15RZR900)
BODY, FRONT BUMPER - Z16VA87 ALL OPTIONS (49RGRBUMPER14RZR1000)
BODY, FUEL TANK - Z16VA87 ALL OPTIONS (49RGRFUEL15RZR900)
BODY, GRAB BAR, PASSENGER - Z16VA87 ALL OPTIONS (700282)
BODY, HOOD AND FRONT BODY WORK - Z16VA87 ALL OPTIONS (49RGRHOOD15Z90050)
BODY, REAR RACK AND FENDERS - Z16VA87 ALL OPTIONS (49RGRRACKMTG15Z90050)
BODY, SEAT ASM. - Z16VAA87A2 (49RGRSEAT15Z90050)
BODY, SEAT ASM. AND SLIDER - Z16VAE87AR/AU/AL/A9 (49RGRSEAT15RZR900)
BODY, SEAT BELT MOUNTING - Z16VA87 ALL OPTIONS (49RGRSB15Z90050)
BRAKES, BRAKE LINES AND MASTER CYLINDER - Z16VA87 ALL OPTIONS (49RGRBRAKELINES15RZR900)
BRAKES, FRONT CALIPER - Z16VA87 ALL OPTIONS (49RGRCALIPER15RZR900)
BRAKES, PEDAL AND MASTER CYLINDER - Z16VA87 ALL OPTIONS (49RGRBRAKEFOOT14RZR1000)
BRAKES, REAR CALIPER - Z16VA87 ALL OPTIONS (49RGRCALIPERRR15RZR900)
CHASSIS, CAB FRAME - Z16VA87 ALL OPTIONS (49RGRCAB15RZR900)
CHASSIS, MAIN FRAME AND SKID PLATE - Z16VA87 ALL OPTIONS (49RGRFRAME15RZR900)
CHASSIS, MAIN FRAME MOUNTS - Z16VA87 ALL OPTIONS (49RGRFRAME15RZR900)
DRIVE TRAIN, CLUTCH COVER AND DUCTING - Z16VA87 ALL OPTIONS (49RGRCLUTCHCVR15RZR900)
DRIVE TRAIN, FRONT GEARCASE INTERNALS - Z16VAA87A2 (49RGRTRANSINTL13900XP)
DRIVE TRAIN, FRONT GEARCASE INTERNALS - Z16VAE87A9/AL/AR/AU/AW (49RGRTRANSINTL1333243)
DRIVE TRAIN, FRONT GEARCASE MOUNTING - Z16VA87 ALL OPTIONS (49RGRGEARCASEMTG15RZR900)
DRIVE TRAIN, FRONT HALF SHAFT - Z16VA87 ALL OPTIONS (49RGRSHAFTDRV15RZR900)
DRIVE TRAIN, FRONT PROP SHAFT - Z16VA87 ALL OPTIONS (49RGRSHAFTPROP15RZR900)
DRIVE TRAIN, GEAR SELECTOR - Z16VA87 ALL OPTIONS (49RGRGEARSELECT15Z90050)
DRIVE TRAIN, MAIN GEARCASE INTERNALS - Z16VAA87A2 (700255)
DRIVE TRAIN, MAIN GEARCASE INTERNALS - Z16VAE87A9/AL/AR/AU/AW (700254)
DRIVE TRAIN, MAIN GEARCASE MOUNTING - Z16VA87 ALL OPTIONS (49RGRTRANSMTG14RZR1000)
DRIVE TRAIN, PRIMARY CLUTCH - Z16VA87 ALL OPTIONS (49RGRCLUTCHDRV1323181)
DRIVE TRAIN, REAR HALF SHAFT - Z16VA87 ALL OPTIONS (49RGRSHAFTDRIVERR15RZR900)
DRIVE TRAIN, SECONDARY CLUTCH - Z16VAA87A2/A9/AL/AR/AU/AW (700610)
ELECTRICAL, BATTERY - Z16VA87 ALL OPTIONS (700252)
ELECTRICAL, DASH INSTRUMENTS AND CONTROLS - Z16VA87 ALL OPTIONS (49RGRDASH15Z50900)
ELECTRICAL, HEADLIGHTS AND TAILLIGHTS - Z16VA87 ALL OPTIONS (49RGRTAILLAMPS14RZR1000)
ELECTRICAL, IGNITION - Z16VA87 ALL OPTIONS (700253)
ELECTRICAL, SENSORS, ECU and CONTROL MODULES - Z16VA87 ALL OPTIONS (700256)
ELECTRICAL, WIRE HARNESS - Z16VAA87A2 (700257)
ELECTRICAL, WIRE HARNESS - Z16VAE87A9/AR/AU/AW (700259)
ELECTRICAL, WIRE HARNESS GPS - Z16VAX87AL (700258)
ENGINE, AIR INTAKE SYSTEM - Z16VA87 ALL OPTIONS (700059)
ENGINE, BALANCER - Z16VA87 ALL OPTIONS (49RGRBALANCER13900XP)
ENGINE, BREATHER - Z16VA87 ALL OPTIONS (49RGRBREATHER13900XP)
ENGINE, COOLING SYSTEM - Z16VA87 ALL OPTIONS (700260)
ENGINE, COOLING, THERMOSTAT and BYPASS - Z16VA87 ALL OPTIONS (49RGRTHERMO15RZR900)
ENGINE, COOLING, WATERPUMP - Z16VA87 ALL OPTIONS (701561)
ENGINE, CRANKCASE - Z16VA87 ALL OPTIONS (49RGRCRANKCASE13900XP)
ENGINE, CRANKSHAFT and PISTON - Z16VA87 ALL OPTIONS (49RGRPISTON11RZR875)
ENGINE, CYLINDER and HEAD - Z16VA87 ALL OPTIONS (49RGRCYLINDER15RZR900)
ENGINE, EXHAUST SYSTEM - Z16VA87 ALL OPTIONS (49RGREXHAUST15RZR900)
ENGINE, INTAKE and THROTTLE BODY - Z16VA87 ALL OPTIONS (49RGRTHROTTLEBODY14900XP)
ENGINE, MOUNTING & LONG BLOCK - Z16VA87 ALL OPTIONS (49RGRENGINEMTG15RZR900)
ENGINE, OIL DIPSTICK - Z16VA87 ALL OPTIONS (49RGRDIPSTICK15RZR900)
ENGINE, OIL PUMP and OIL COOLER - Z16VA87 ALL OPTIONS (49RGROILPUMP13900XP)
ENGINE, STARTER and DRIVE - Z16VA87 ALL OPTIONS (702178)
ENGINE, STATOR and COVER - Z16VA87 ALL OPTIONS (49RGRMAGNETOCVR13900XP)
ENGINE, THROTTLE PEDAL - Z16VA87 ALL OPTIONS (49RGRTHROTTLEPEDAL14RZR1000)
ENGINE, VALVE COVER - Z16VA87 ALL OPTIONS (49RGRVALVE13900XP)
ENGINE, VALVES and CAMSHAFTS - Z16VA87 ALL OPTIONS (49RGRCAM14900XP)
REFERENCE, OWNERS MANUAL AND TOOL KIT - Z16VA87 ALL OPTIONS (49RGRTOOL14RZR1000)
STEERING, POWER STEERING ASM. - Z16VAE87AR/A9/AU/AW/X87AL (700163)
STEERING, STEERING ASM. - Z16VAA87A2 (700162)
SUSPENSION, FRONT CONTROL ARMS - Z16VA87 ALL OPTIONS (49RGRSUSPFRT15Z90050)
SUSPENSION, FRONT SHOCK - Z16VAE87A2/AR (49RGRSHOCKFRT7044130)
SUSPENSION, FRONT SHOCK - Z16VAX87AL/AW/AM (49RGRSHOCKFRT15Z90055)
SUSPENSION, FRONT SHOCK INTERNALS - Z16VAX87AL/AW (700262)
SUSPENSION, REAR CONTROL ARMS - Z16VA87 ALL OPTIONS (700261)
SUSPENSION, REAR SHOCK - Z16VA87 ALL OPTIONS (49RGRSHOCKRR7044132)
SUSPENSION, REAR SHOCK - Z16VAX87AL/AW/AM (49RGRSHOCKRR15Z90055)
SUSPENSION, REAR SHOCK INTERNALS - Z16VAX87AL/AW (700263)
SUSPENSION, STABILIZER BAR, FRONT - Z16VA87 ALL OPTIONS (49RGRSTABILIZERRR15Z90050)
SUSPENSION, STABILIZER BAR, REAR - Z16VA87 ALL OPTIONS (49RGRSTABILIZERRR15Z90050)
WHEELS, FRONT - Z16VAA87A2 (49RGRWHEELFRT15Z90050)
WHEELS, FRONT - Z16VAE87A9/AL/AR/AU/AW (49RGRWHEELFRT15Z900AL)
WHEELS, REAR - Z16VAA87A2 (49RGRWHEELRR15Z90050)
WHEELS, REAR - Z16VAE87A9/AL/AR/AU/AW (49RGRWHEELRR15Z900AL)
VIEW WISH LIST