Polaris
Browse New Models
Shop In-Stock
Honda
Browse New Models
Shop In-Stock
KTM
Browse New Models
Shop In-Stock
Beta
Browse New Models
Shop In-Stock
Timbersled
Browse New Models
1318 W 2nd St
,
The Dalles, OR
97058
541-298-1161
Search Inventory
Toggle navigation
Home
Brands
Inventory
All Inventory In Stock
New Inventory In Stock
Pre-Owned Inventory
Polaris Off-Road
Polaris Snowmobiles
Timbersled
Manufacturer Models
Value Your Trade-In
Request a Model
Government Purchasing Program
OEM Promotions
Secure Financing
Parts
Parts Department
Parts Finder
Shopping Cart
Service
Service Department
Warranty & Recall Look-Up
Schedule Polaris Service
Financing
About
Our Dealership
Our Team
Reviews
Customer Survey
Employment
Location & Hours
Contact
541-298-1161
The Dalles, OR
Fiche | Parts Diagrams
Home
›
Parts
›
Parts Finder
Search by :
Part / Desc
VIN
Please Select
Honda
KTM
Polaris
*Please enter at least 3 characters
SEARCH
Manufacturer
Polaris
Utility Vehicles
2017
INTL RZR 900 50 INCH MD (Z17VAE87NK)
VIEW WISH LIST
Select a Section
Show/Hide
BODY, DASH AND GLOVEBOX - Z17VAE87NK (49RGRDASH15RZR900)
BODY, DECALS - Z17VAE87NK (701578)
BODY, DOORS - Z17VAE87NK (701063)
BODY, FLOOR and ROCKER PANELS - Z17VAE87NK (49RGRFLOOR15RZR900)
BODY, FRONT BUMPER - Z17VAE87NK (49RGRBUMPER14RZR1000)
BODY, FUEL TANK - Z17VAE87NK (701579)
BODY, GRAB BAR, PASSENGER - Z17VAE87NK (700282)
BODY, HOOD AND FRONT BODY WORK - Z17VAE87NK (701580)
BODY, REAR RACK AND FENDERS - Z17VAE87NK (49RGRRACKMTG15Z90050)
BODY, SEAT ASM. AND SLIDER - Z17VAE87NK (49RGRSEAT15RZR900)
BODY, SEAT BELT MOUNTING - Z17VAE87NK (49RGRSB15Z90050)
BRAKES, BRAKE LINES AND MASTER CYLINDER - Z17VAE87NK (701067)
BRAKES, FRONT CALIPER - Z17VAE87NK (49RGRCALIPER15RZR900)
BRAKES, PEDAL AND MASTER CYLINDER - Z17VAE87NK (49RGRBRAKEFOOT14RZR1000)
BRAKES, REAR CALIPER - Z17VAE87NK (49RGRCALIPERRR15RZR900)
CHASSIS, CAB FRAME - Z17VAE87NK (49RGRCAB15RZR900)
CHASSIS, MAIN FRAME AND SKID PLATE - Z17VAE87NK (701068)
DRIVE TRAIN, CLUTCH COVER AND DUCTING - Z17VAE87NK (701069)
DRIVE TRAIN, FRONT GEARCASE INTERNALS - Z17VAE87NK (49RGRTRANSINTL13900XP)
DRIVE TRAIN, FRONT GEARCASE MOUNTING - Z17VAE87NK (701070)
DRIVE TRAIN, FRONT HALF SHAFT - Z17VAE87NK (49RGRSHAFTDRV15RZR900)
DRIVE TRAIN, FRONT PROP SHAFT - Z17VAE87NK (701071)
DRIVE TRAIN, GEAR SELECTOR - Z17VAE87NK (701072.tif)
DRIVE TRAIN, MAIN GEARCASE INTERNALS - Z17VAE87NK (701057)
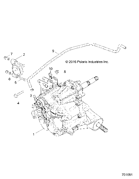
DRIVE TRAIN, MAIN GEARCASE MOUNTING - Z17VAE87NK (701581)
DRIVE TRAIN, PRIMARY CLUTCH - Z17VAE87NK (49RGRCLUTCHDRV1323181)
DRIVE TRAIN, REAR HALF SHAFT - Z17VAE87NK (49RGRSHAFTDRIVERR15RZR900)
DRIVE TRAIN, SECONDARY CLUTCH - Z17VAE87NK/X87AK (701737)
ELECTRICAL, BATTERY - Z17VAE87NK (701582)
ELECTRICAL, DASH INSTRUMENTS AND CONTROLS - Z17VAE87NK (701582)
ELECTRICAL, HEADLIGHTS AND TAILLIGHTS - Z17VAE87NK (49RGRTAILLAMPS14RZR1000)
ELECTRICAL, IGNITION - Z17VAE87NK (700253)
ELECTRICAL, WIRE HARNESS - Z17VAE87NK (701083)
ENGINE, AIR INTAKE SYSTEM - Z17VAE87NK (700059)
ENGINE, BALANCER - Z17VAE87NK (49RGRBALANCER13900XP)
ENGINE, COOLING SYSTEM - Z17VAE87NK (700260)
ENGINE, COOLING, THERMOSTAT and BYPASS - Z17VAE87NK (49RGRTHERMO15RZR900)
ENGINE, COOLING, WATERPUMP - Z17VAE87NK (701091)
ENGINE, CRANKCASE - Z17VAE87NK (49RGRCRANKCASE13900XP)
ENGINE, CRANKSHAFT and PISTON - Z17VAE87NK (701092)
ENGINE, CYLINDER and HEAD - Z17VAE87NK (701093)
ENGINE, EXHAUST SYSTEM - Z17VAE87NK (49RGREXHAUST15RZR900)
ENGINE, INTAKE and THROTTLE BODY - Z17VAE87NK (49RGRTHROTTLEBODY14900XP)
ENGINE, MOUNTING & LONG BLOCK - Z17VAE87NK (49RGRENGINEMTG15RZR900)
ENGINE, OIL DIPSTICK and BREATHER - Z17VAE87NK (701094)
ENGINE, OIL PUMP and OIL COOLER - Z17VAE87NK (49RGROILPUMP13900XP)
ENGINE, STARTER and DRIVE - Z17VAE87NK (702178)
ENGINE, STATOR and COVER - Z17VAE87NK (701095)
ENGINE, THROTTLE PEDAL - Z17VAE87NK (701480)
ENGINE, VALVE COVER - Z17VAE87NK (49RGRVALVE13900XP)
ENGINE, VALVES and CAMSHAFTS - Z17VAE87NK (701096)
REFERENCE, OWNERS MANUAL AND TOOL KIT - Z17VAE87NK (49RGRTOOL14RZR1000)
STEERING, POWER STEERING ASM. - Z17VAE87NK (700163)
SUSPENSION, FRONT CARRIER - Z17VAE87NK (701098)
SUSPENSION, FRONT CONTROL ARMS - Z17VAE87NK (701099)
SUSPENSION, FRONT SHOCK - Z17VAE87NK (49RGRSHOCKFRT7044130)
SUSPENSION, FRONT STABILIZER BAR - Z17VAE87NK (49RGRSTABILIZERRR15Z90050)
SUSPENSION, REAR CARRIER - Z17VAE87NK (701100)
SUSPENSION, REAR CONTROL ARMS - Z17VAE87NK (701101)
SUSPENSION, REAR SHOCK - Z17VAE87NK (49RGRSHOCKRR7044132)
SUSPENSION, REAR STABILIZER BAR - Z17VAE87NK (49RGRSTABILIZERRR15Z90050)
WHEELS, FRONT - Z17VAE87NK (701584)
WHEELS, REAR - Z17VAE87NK (701585)
BODY, DASH AND GLOVEBOX - Z17VAE87NK (49RGRDASH15RZR900)
BODY, DECALS - Z17VAE87NK (701578)
BODY, DOORS - Z17VAE87NK (701063)
BODY, FLOOR and ROCKER PANELS - Z17VAE87NK (49RGRFLOOR15RZR900)
BODY, FRONT BUMPER - Z17VAE87NK (49RGRBUMPER14RZR1000)
BODY, FUEL TANK - Z17VAE87NK (701579)
BODY, GRAB BAR, PASSENGER - Z17VAE87NK (700282)
BODY, HOOD AND FRONT BODY WORK - Z17VAE87NK (701580)
BODY, REAR RACK AND FENDERS - Z17VAE87NK (49RGRRACKMTG15Z90050)
BODY, SEAT ASM. AND SLIDER - Z17VAE87NK (49RGRSEAT15RZR900)
BODY, SEAT BELT MOUNTING - Z17VAE87NK (49RGRSB15Z90050)
BRAKES, BRAKE LINES AND MASTER CYLINDER - Z17VAE87NK (701067)
BRAKES, FRONT CALIPER - Z17VAE87NK (49RGRCALIPER15RZR900)
BRAKES, PEDAL AND MASTER CYLINDER - Z17VAE87NK (49RGRBRAKEFOOT14RZR1000)
BRAKES, REAR CALIPER - Z17VAE87NK (49RGRCALIPERRR15RZR900)
CHASSIS, CAB FRAME - Z17VAE87NK (49RGRCAB15RZR900)
CHASSIS, MAIN FRAME AND SKID PLATE - Z17VAE87NK (701068)
DRIVE TRAIN, CLUTCH COVER AND DUCTING - Z17VAE87NK (701069)
DRIVE TRAIN, FRONT GEARCASE INTERNALS - Z17VAE87NK (49RGRTRANSINTL13900XP)
DRIVE TRAIN, FRONT GEARCASE MOUNTING - Z17VAE87NK (701070)
DRIVE TRAIN, FRONT HALF SHAFT - Z17VAE87NK (49RGRSHAFTDRV15RZR900)
DRIVE TRAIN, FRONT PROP SHAFT - Z17VAE87NK (701071)
DRIVE TRAIN, GEAR SELECTOR - Z17VAE87NK (701072.tif)
DRIVE TRAIN, MAIN GEARCASE INTERNALS - Z17VAE87NK (701057)
DRIVE TRAIN, MAIN GEARCASE MOUNTING - Z17VAE87NK (701581)
DRIVE TRAIN, PRIMARY CLUTCH - Z17VAE87NK (49RGRCLUTCHDRV1323181)
DRIVE TRAIN, REAR HALF SHAFT - Z17VAE87NK (49RGRSHAFTDRIVERR15RZR900)
DRIVE TRAIN, SECONDARY CLUTCH - Z17VAE87NK/X87AK (701737)
ELECTRICAL, BATTERY - Z17VAE87NK (701582)
ELECTRICAL, DASH INSTRUMENTS AND CONTROLS - Z17VAE87NK (701582)
ELECTRICAL, HEADLIGHTS AND TAILLIGHTS - Z17VAE87NK (49RGRTAILLAMPS14RZR1000)
ELECTRICAL, IGNITION - Z17VAE87NK (700253)
ELECTRICAL, WIRE HARNESS - Z17VAE87NK (701083)
ENGINE, AIR INTAKE SYSTEM - Z17VAE87NK (700059)
ENGINE, BALANCER - Z17VAE87NK (49RGRBALANCER13900XP)
ENGINE, COOLING SYSTEM - Z17VAE87NK (700260)
ENGINE, COOLING, THERMOSTAT and BYPASS - Z17VAE87NK (49RGRTHERMO15RZR900)
ENGINE, COOLING, WATERPUMP - Z17VAE87NK (701091)
ENGINE, CRANKCASE - Z17VAE87NK (49RGRCRANKCASE13900XP)
ENGINE, CRANKSHAFT and PISTON - Z17VAE87NK (701092)
ENGINE, CYLINDER and HEAD - Z17VAE87NK (701093)
ENGINE, EXHAUST SYSTEM - Z17VAE87NK (49RGREXHAUST15RZR900)
ENGINE, INTAKE and THROTTLE BODY - Z17VAE87NK (49RGRTHROTTLEBODY14900XP)
ENGINE, MOUNTING & LONG BLOCK - Z17VAE87NK (49RGRENGINEMTG15RZR900)
ENGINE, OIL DIPSTICK and BREATHER - Z17VAE87NK (701094)
ENGINE, OIL PUMP and OIL COOLER - Z17VAE87NK (49RGROILPUMP13900XP)
ENGINE, STARTER and DRIVE - Z17VAE87NK (702178)
ENGINE, STATOR and COVER - Z17VAE87NK (701095)
ENGINE, THROTTLE PEDAL - Z17VAE87NK (701480)
ENGINE, VALVE COVER - Z17VAE87NK (49RGRVALVE13900XP)
ENGINE, VALVES and CAMSHAFTS - Z17VAE87NK (701096)
REFERENCE, OWNERS MANUAL AND TOOL KIT - Z17VAE87NK (49RGRTOOL14RZR1000)
STEERING, POWER STEERING ASM. - Z17VAE87NK (700163)
SUSPENSION, FRONT CARRIER - Z17VAE87NK (701098)
SUSPENSION, FRONT CONTROL ARMS - Z17VAE87NK (701099)
SUSPENSION, FRONT SHOCK - Z17VAE87NK (49RGRSHOCKFRT7044130)
SUSPENSION, FRONT STABILIZER BAR - Z17VAE87NK (49RGRSTABILIZERRR15Z90050)
SUSPENSION, REAR CARRIER - Z17VAE87NK (701100)
SUSPENSION, REAR CONTROL ARMS - Z17VAE87NK (701101)
SUSPENSION, REAR SHOCK - Z17VAE87NK (49RGRSHOCKRR7044132)
SUSPENSION, REAR STABILIZER BAR - Z17VAE87NK (49RGRSTABILIZERRR15Z90050)
WHEELS, FRONT - Z17VAE87NK (701584)
WHEELS, REAR - Z17VAE87NK (701585)
VIEW WISH LIST