Polaris
Browse New Models
Shop In-Stock
Honda
Browse New Models
Shop In-Stock
KTM
Browse New Models
Shop In-Stock
Beta
Browse New Models
Shop In-Stock
Timbersled
Browse New Models
1318 W 2nd St
,
The Dalles, OR
97058
541-298-1161
Search Inventory
Toggle navigation
Home
Brands
Inventory
All Inventory In Stock
New Inventory In Stock
Pre-Owned Inventory
Polaris Off-Road
Polaris Snowmobiles
Timbersled
Manufacturer Models
Value Your Trade-In
Request a Model
Government Purchasing Program
OEM Promotions
Secure Financing
Parts
Parts Department
Parts Finder
Shopping Cart
Service
Service Department
Warranty & Recall Look-Up
Schedule Polaris Service
Financing
About
Our Dealership
Our Team
Reviews
Customer Survey
Employment
Location & Hours
Contact
541-298-1161
The Dalles, OR
Fiche | Parts Diagrams
Home
›
Parts
›
Parts Finder
Search by :
Part / Desc
VIN
Please Select
Honda
KTM
Polaris
*Please enter at least 3 characters
SEARCH
Manufacturer
Polaris
Utility Vehicles
2018
GENERAL 1000 4 EPS (R18RHE99BK/K99BS)
VIEW WISH LIST
Select a Section
Show/Hide
ACCESSORY, AUDIO - R18RHK99BS (702240)
ACCESSORY, FRONT BUMPER - R18RHE99BK/KBS (700789)
ACCESSORY, MIRROR, REAR - R18RHK99BS (700790)
ACCESSORY, ROOF - R18RHK99BS (C700100)
ACCESSORY, WINCH
ACCESSORY, WINCH - R18RHE99BK/KBS (700792)
BODY, BOX - R18RHE99BK/KBS (700793)
BODY, BOX, MOUNTING - R18RHE99BK/KBS (700794)
BODY, BOX, TAILGATE - R18RHE99BK/KBS (700795)
BODY, CENTER CONSOLE, FRONT - R18RHE99BK/KBS (701398)
BODY, CENTER CONSOLE, REAR - R18RHE99BK/KBS (701397)
BODY, DASH - R18RHE99BK/KBS (700797)
BODY, DECALS - R18RHE99BK/KBS (702137)
BODY, DOOR MOUNTING, FRONT - R18RHE99BK/KBS (701992)
BODY, DOORS, FRONT - R18RHE99BK/KBS (702228)
BODY, DOORS, REAR - R18RHE99BK/KBS (C700101)
BODY, FLOOR AND ROCKER - R18RHE99BK/KBS (700798)
BODY, FRONT CLOSEOFF AND FLOOR - R18RHE99BK/KBS (701399)
BODY, FRONT FACIA - R18RHE99BK/KBS (700799)
BODY, FUEL TANK - R18RHE99BK/KBS (700802)
BODY, HOOD - R18RHE99BK/KBS (700800)
BODY, REAR CLOSEOFF ,FENDERS AND FLOOR - R18RHE99BK/KBS (702390)
BODY, SEAT ASM. AND SLIDER - R18RHE99BK/KBS (701020)
BODY, SEAT BELT MOUNTING - R18RHE99BK/KBS (702010)
BRAKES, BRAKE LINES AND MASTER CYLINDER - R18RHE99BK/KBS (701374)
BRAKES, FRONT CALIPER - R18RHE99BK/KBS (49RGRCALIPER14RZR1000)
BRAKES, PEDAL - R18RHE99BK/KBS (700814)
BRAKES, REAR CALIPER - R18RHE99BK/KBS (49RGRCALIPERRR14RZR1000)
CHASSIS, CAB FRAME - R18RHE99BK/KBS (701473)
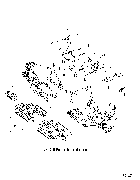
CHASSIS, MAIN FRAME AND SKID PLATES - R18RHE99BK/KBS (701371)
DRIVE TRAIN, CLUTCH COVER AND DUCTING - R18RHE99BK/KBS (702006)
DRIVE TRAIN, FRONT GEARCASE - R18RHE99BK/KBS (701246)
DRIVE TRAIN, FRONT GEARCASE MOUNTING - R18RHE99BK/KBS (49RGRGEARCASEMTG14RZR1000)
DRIVE TRAIN, FRONT HALF SHAFT - R18RHE99BK/KBS (701876)
DRIVE TRAIN, FRONT PROP SHAFT - R18RHE99BK/KBS (702012)
DRIVE TRAIN, GEAR SELECTOR - R18RHE99BK/KBS (700819)
DRIVE TRAIN, MAIN GEARCASE INTERNALS - R18RHE99BK/KBS (701474)
DRIVE TRAIN, MAIN GEARCASE MOUNTING - R18RHE99BK/KBS (49RGRTRANSMTG14RZR1000)
DRIVE TRAIN, MID PROP SHAFT - R18RHE99BK/KBS (702013)
DRIVE TRAIN, PRIMARY CLUTCH - R18RHE99BK/KBS (49RGRCLUTCHDRV14RZR1000)
DRIVE TRAIN, REAR HALF SHAFT - R18RHE99BK/KBS (701873)
DRIVE TRAIN, REAR PROP SHAFT - R18RHE99BK/KBS (701995)
DRIVE TRAIN, SECONDARY CLUTCH - R189RHE99BK (701841)
ELECTRICAL, BATTERY - R18RHE99BK/KBS (701466)
ELECTRICAL, DASH INSTRUMENTS AND CONTROLS - R18RHE99BK/KBS (701761)
ELECTRICAL, HEADLIGHTS AND TAILLIGHTS - R18RHE99BK/KBS (700822)
ELECTRICAL, WIRE HARNESS - R18RHE99BK (702011)
ELECTRICAL, WIRE HARNESS - R18RHK99BS (702241)
ENGINE, AIR INTAKE MANIFOLD - R18RHE99BK/KBS (700824)
ENGINE, AIR INTAKE SYSTEM - R18RHE99BK/KBS (701395)
ENGINE, CAM CHAIN AND TENSIONER - R18RHE99BK/KBS (700463)
ENGINE, COOLING SYSTEM - R18RHE99BK/KBS (701844)
ENGINE, CRANKCASE AND CRANKSHAFT - R18RHE99BK/KBS (49RGRCRANKCASE14RZR1000)
ENGINE, CYLINDER AND PISTON - R18RHE99BK/KBS (49RGRCYLINDER14RZR1000)
ENGINE, CYLINDER HEAD AND VALVES - R18RHE99BK/KBS (49RGRVALVE14RZR1000)
ENGINE, DIPSTICK AND OIL FILTER - R18RHE99BK/KBS (49RGRDIPSTICK14RZR1000)
ENGINE, EXHAUST SYSTEM - R18RHE99BK/KBS (701758)
ENGINE, MOUNTING & LONG BLOCK - R18RHE99BK/KBS (49RGRENGINEMTG14RZR1000)
ENGINE, OIL PUMP - R18RHE99BK/KBS (701084)
ENGINE, STARTER - R18RHE99BK/KBS (49RGRSTARTER14RZR1000)
ENGINE, STATOR AND FLYWHEEL - R18RHE99BK/KBS (701082)
ENGINE, THROTTLE BODY AND VALVE COVER - R18RHE99BK/KBS (700828)
ENGINE, THROTTLE PEDAL - R18RHE99BK/KBS (700829)
ENGINE, WATERPUMP AND BYPASS - R18RHE99BK/KBS (700830)
REFERENCE, OWNERS MANUAL AND TOOL KIT - R18RHE99BK/KBS (700831)
STEERING, STEERING ASM. - R18RHE99BK/KBS (700832)
SUSPENSION, FRONT CONTROL ARMS - R18RHE99BK/KBS (701526)
SUSPENSION, FRONT HUB - R18RHE99BK/KBS (702252)
SUSPENSION, FRONT SHOCK INTERNALS - R18RHE99BK/KBS (702007)
SUSPENSION, FRONT SHOCK MOUNTING - R18RHE99BK/KBS (701088)
SUSPENSION, FRONT STABILIZER BAR - R18RHE99BK/KBS (700836)
SUSPENSION, REAR CARRIER - R18RHE99BK/KBS (702251)
SUSPENSION, REAR CONTROL ARMS - R18RHE99BK/KBS (700838)
SUSPENSION, REAR SHOCK INTERNALS - R18RHE99BK/KBS (702008)
SUSPENSION, REAR SHOCK MOUNTING - R18RHE99BK/KBS (701088)
SUSPENSION, REAR STABILIZER BAR - R18RHE99BK/KBS (700877)
WHEELS, FRONT - R18RHE99BK/KBS (701376)
WHEELS, REAR - R18RHE99BK/KBS (701377)
ACCESSORY, AUDIO - R18RHK99BS (702240)
ACCESSORY, FRONT BUMPER - R18RHE99BK/KBS (700789)
ACCESSORY, MIRROR, REAR - R18RHK99BS (700790)
ACCESSORY, ROOF - R18RHK99BS (C700100)
ACCESSORY, WINCH
ACCESSORY, WINCH - R18RHE99BK/KBS (700792)
BODY, BOX - R18RHE99BK/KBS (700793)
BODY, BOX, MOUNTING - R18RHE99BK/KBS (700794)
BODY, BOX, TAILGATE - R18RHE99BK/KBS (700795)
BODY, CENTER CONSOLE, FRONT - R18RHE99BK/KBS (701398)
BODY, CENTER CONSOLE, REAR - R18RHE99BK/KBS (701397)
BODY, DASH - R18RHE99BK/KBS (700797)
BODY, DECALS - R18RHE99BK/KBS (702137)
BODY, DOOR MOUNTING, FRONT - R18RHE99BK/KBS (701992)
BODY, DOORS, FRONT - R18RHE99BK/KBS (702228)
BODY, DOORS, REAR - R18RHE99BK/KBS (C700101)
BODY, FLOOR AND ROCKER - R18RHE99BK/KBS (700798)
BODY, FRONT CLOSEOFF AND FLOOR - R18RHE99BK/KBS (701399)
BODY, FRONT FACIA - R18RHE99BK/KBS (700799)
BODY, FUEL TANK - R18RHE99BK/KBS (700802)
BODY, HOOD - R18RHE99BK/KBS (700800)
BODY, REAR CLOSEOFF ,FENDERS AND FLOOR - R18RHE99BK/KBS (702390)
BODY, SEAT ASM. AND SLIDER - R18RHE99BK/KBS (701020)
BODY, SEAT BELT MOUNTING - R18RHE99BK/KBS (702010)
BRAKES, BRAKE LINES AND MASTER CYLINDER - R18RHE99BK/KBS (701374)
BRAKES, FRONT CALIPER - R18RHE99BK/KBS (49RGRCALIPER14RZR1000)
BRAKES, PEDAL - R18RHE99BK/KBS (700814)
BRAKES, REAR CALIPER - R18RHE99BK/KBS (49RGRCALIPERRR14RZR1000)
CHASSIS, CAB FRAME - R18RHE99BK/KBS (701473)
CHASSIS, MAIN FRAME AND SKID PLATES - R18RHE99BK/KBS (701371)
DRIVE TRAIN, CLUTCH COVER AND DUCTING - R18RHE99BK/KBS (702006)
DRIVE TRAIN, FRONT GEARCASE - R18RHE99BK/KBS (701246)
DRIVE TRAIN, FRONT GEARCASE MOUNTING - R18RHE99BK/KBS (49RGRGEARCASEMTG14RZR1000)
DRIVE TRAIN, FRONT HALF SHAFT - R18RHE99BK/KBS (701876)
DRIVE TRAIN, FRONT PROP SHAFT - R18RHE99BK/KBS (702012)
DRIVE TRAIN, GEAR SELECTOR - R18RHE99BK/KBS (700819)
DRIVE TRAIN, MAIN GEARCASE INTERNALS - R18RHE99BK/KBS (701474)
DRIVE TRAIN, MAIN GEARCASE MOUNTING - R18RHE99BK/KBS (49RGRTRANSMTG14RZR1000)
DRIVE TRAIN, MID PROP SHAFT - R18RHE99BK/KBS (702013)
DRIVE TRAIN, PRIMARY CLUTCH - R18RHE99BK/KBS (49RGRCLUTCHDRV14RZR1000)
DRIVE TRAIN, REAR HALF SHAFT - R18RHE99BK/KBS (701873)
DRIVE TRAIN, REAR PROP SHAFT - R18RHE99BK/KBS (701995)
DRIVE TRAIN, SECONDARY CLUTCH - R189RHE99BK (701841)
ELECTRICAL, BATTERY - R18RHE99BK/KBS (701466)
ELECTRICAL, DASH INSTRUMENTS AND CONTROLS - R18RHE99BK/KBS (701761)
ELECTRICAL, HEADLIGHTS AND TAILLIGHTS - R18RHE99BK/KBS (700822)
ELECTRICAL, WIRE HARNESS - R18RHE99BK (702011)
ELECTRICAL, WIRE HARNESS - R18RHK99BS (702241)
ENGINE, AIR INTAKE MANIFOLD - R18RHE99BK/KBS (700824)
ENGINE, AIR INTAKE SYSTEM - R18RHE99BK/KBS (701395)
ENGINE, CAM CHAIN AND TENSIONER - R18RHE99BK/KBS (700463)
ENGINE, COOLING SYSTEM - R18RHE99BK/KBS (701844)
ENGINE, CRANKCASE AND CRANKSHAFT - R18RHE99BK/KBS (49RGRCRANKCASE14RZR1000)
ENGINE, CYLINDER AND PISTON - R18RHE99BK/KBS (49RGRCYLINDER14RZR1000)
ENGINE, CYLINDER HEAD AND VALVES - R18RHE99BK/KBS (49RGRVALVE14RZR1000)
ENGINE, DIPSTICK AND OIL FILTER - R18RHE99BK/KBS (49RGRDIPSTICK14RZR1000)
ENGINE, EXHAUST SYSTEM - R18RHE99BK/KBS (701758)
ENGINE, MOUNTING & LONG BLOCK - R18RHE99BK/KBS (49RGRENGINEMTG14RZR1000)
ENGINE, OIL PUMP - R18RHE99BK/KBS (701084)
ENGINE, STARTER - R18RHE99BK/KBS (49RGRSTARTER14RZR1000)
ENGINE, STATOR AND FLYWHEEL - R18RHE99BK/KBS (701082)
ENGINE, THROTTLE BODY AND VALVE COVER - R18RHE99BK/KBS (700828)
ENGINE, THROTTLE PEDAL - R18RHE99BK/KBS (700829)
ENGINE, WATERPUMP AND BYPASS - R18RHE99BK/KBS (700830)
REFERENCE, OWNERS MANUAL AND TOOL KIT - R18RHE99BK/KBS (700831)
STEERING, STEERING ASM. - R18RHE99BK/KBS (700832)
SUSPENSION, FRONT CONTROL ARMS - R18RHE99BK/KBS (701526)
SUSPENSION, FRONT HUB - R18RHE99BK/KBS (702252)
SUSPENSION, FRONT SHOCK INTERNALS - R18RHE99BK/KBS (702007)
SUSPENSION, FRONT SHOCK MOUNTING - R18RHE99BK/KBS (701088)
SUSPENSION, FRONT STABILIZER BAR - R18RHE99BK/KBS (700836)
SUSPENSION, REAR CARRIER - R18RHE99BK/KBS (702251)
SUSPENSION, REAR CONTROL ARMS - R18RHE99BK/KBS (700838)
SUSPENSION, REAR SHOCK INTERNALS - R18RHE99BK/KBS (702008)
SUSPENSION, REAR SHOCK MOUNTING - R18RHE99BK/KBS (701088)
SUSPENSION, REAR STABILIZER BAR - R18RHE99BK/KBS (700877)
WHEELS, FRONT - R18RHE99BK/KBS (701376)
WHEELS, REAR - R18RHE99BK/KBS (701377)
VIEW WISH LIST