Polaris
Browse New Models
Shop In-Stock
Honda
Browse New Models
Shop In-Stock
KTM
Browse New Models
Shop In-Stock
Beta
Browse New Models
Shop In-Stock
Timbersled
Browse New Models
1318 W 2nd St
,
The Dalles, OR
97058
541-298-1161
Search Inventory
Toggle navigation
Home
Brands
Inventory
All Inventory In Stock
New Inventory In Stock
Pre-Owned Inventory
Polaris Off-Road
Polaris Snowmobiles
Timbersled
Manufacturer Models
Value Your Trade-In
Request a Model
Government Purchasing Program
OEM Promotions
Secure Financing
Parts
Parts Department
Parts Finder
Shopping Cart
Service
Service Department
Warranty & Recall Look-Up
Schedule Polaris Service
Financing
About
Our Dealership
Our Team
Reviews
Customer Survey
Employment
Location & Hours
Contact
541-298-1161
The Dalles, OR
Fiche | Parts Diagrams
Home
›
Parts
›
Parts Finder
Search by :
Part / Desc
VIN
Please Select
Honda
KTM
Polaris
*Please enter at least 3 characters
SEARCH
Manufacturer
Polaris
Utility Vehicles
2024
POLARIS XPEDITION XP NORTHSTAR (G24G2W99AB/AH/BB/BH)
VIEW WISH LIST
Select a Section
Show/Hide
*SERVICE AND MAINTENANCE PARTS LIST*
BODY, BOX ASSEMBLY, REAR - G24G2W99A/99B (C730524)
BODY, BOX, FOAM AND SHIELDS - G24G2W99A/99B (C730520)
BODY, BOX, MOUNTING - G24G2W99A/99B (C730522)
BODY, BOX, TAILGATE ASM. - G24G2W99A/99B (C730518)
BODY, CENTER CONSOLE - G24G2W99A/99B (C0706416-3)
BODY, DASH - G24G2W99A/99B (C703022)
BODY, DASH AND FRONT CLOSEOFF - G24G2W99A/99B (C702995-1)
BODY, DECALS, GRAPHICS - G24G2W99AB/BB (900479)
BODY, DECALS, GRAPHICS - G24G2W99AH/BH (900469)
BODY, DOOR ASSEMBLY - G24G2W99A/99B (C750012)
BODY, FLOOR, REAR CLOSEOFFS - G24G2W99A/99B (C702921)
BODY, FOAM AND LINER - G24G2W99A/99B (C0705215-3)
BODY, FRONT BUMPER, FASCIA, GRILLE, AND FLARES - G24G2W99A/99B (C0705224-3)
BODY, FRONT WINDOW ASM. - G24G2W99A/99B (C0704533-1)
BODY, HOOD, LINER, FRONT FENDERS, A PILLARS - G24G2W99A/99B (C702915-2)
BODY, HVAC CONDENSER AND HOSES
BODY, HVAC DUCTING
BODY, HVAC, MAIN
BODY, HVAC, MAIN - G24G2W99A/99B (900677)
BODY, HVAC, MAIN MOUNTING
BODY, LOWER ROCKERS, REAR FENDERS, PILLARS - G24G2W99A/99B (C0705221)
BODY, MIRROR, REAR VIEW
BODY, PILLAR FOAM AND LINERS - G24G2W99 (C0705224-10)
BODY, REAR WINDOW ASM. - G24G2W99A/99B (C0704533-2)
BODY, ROOF ASM. - G24G2W99A/99B (C0704533-3)
BODY, SEAT ASM., DRIVER - G24G2W99A/99B (C0704518-1)
BODY, SEAT ASM., PASSENGER - G24G2W99A/99B (C0704517-1)
BODY, SEAT BELT MOUNTING - G24G2W99A/99B (C702841)
BRAKES, BRAKE LINES AND MASTER CYLINDER
BRAKES, FOOT PEDAL
BRAKES, FRONT CALIPER
BRAKES, REAR CALIPER
CHASSIS, MAIN FRAME AND SKID PLATES
CHASSIS, ROLLOVER PROTECTION 2P
DRIVE TRAIN, CLUTCH COVER ASM.
DRIVE TRAIN, CLUTCH COVER DUCTING
DRIVE TRAIN, FRONT GEARCASE ASM.
DRIVE TRAIN, FRONT GEARCASE MOUNTING
DRIVE TRAIN, FRONT HALF SHAFT
DRIVE TRAIN, FRONT PROP SHAFT
DRIVE TRAIN, GEAR SELECTOR
DRIVE TRAIN, GEARCASE, MAIN
DRIVE TRAIN, MAIN GEARCASE MOUNTING
DRIVE TRAIN, PRIMARY CLUTCH
DRIVE TRAIN, REAR HALF SHAFT
DRIVE TRAIN, REAR PROP SHAFT
DRIVE TRAIN, SECONDARY CLUTCH
ELECTRICAL, AUDIO
ELECTRICAL, AUDIO, AMPS
ELECTRICAL, AUDIO, SUBWOOFER
ELECTRICAL, BATTERY/CABLES
ELECTRICAL, COMPONENTS - G24G2W99A/99B (C702900-1)
ELECTRICAL, DASH INSTRUMENTS AND CONTROLS - G24G2W99A/99B (C702945)
ELECTRICAL, DOME LIGHT AND HARNESS - G24G2W99A/99B (C703122)
ELECTRICAL, HARNESS, MISC - G24G2W99A/99B (C702895)
ELECTRICAL, HARNESS-CHASSIS - G24G2W99A/99B (C730517-2)
ELECTRICAL, HEADLIGHTS AND TAILLIGHTS - G24G2W99A/99B (C702899)
ELECTRICAL, RIDE COMMAND COMPONENTS - G24G2W99A/99B (C702988)
ELECTRICAL, WINCH
ELECTRICAL, WINDSHIELD WIPER AND BOTTLE
ENGINE, AIR INTAKE
ENGINE, ALTERNATOR AND COMPRESSOR
ENGINE, CAM CHAIN AND TENSIONER
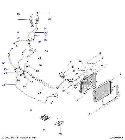
ENGINE, COOLING - G24G2W99A/99B (C703019-2)
ENGINE, COVERS, ALTERNATOR AND COMPRESSOR
ENGINE, CRANKCASE, CRANKSHAFT
ENGINE, CYLINDER AND PISTON
ENGINE, CYLINDER HEAD AND VALVES
ENGINE, DIPSTICK AND OIL FILTER
ENGINE, EXHAUST SYSTEM
ENGINE, IGNITION COILS AND SPARK PLUGS
ENGINE, INTAKE MANIFOLD, THROTTLE BODY, FUEL RAIL
ENGINE, MOUNTING & LONG BLOCK
ENGINE, OIL PUMP
ENGINE, OIL SUMP COVER
ENGINE, SENSORS
ENGINE, STARTER
ENGINE, THROTTLE PEDAL - G24G2W99A/99B (C702883)
ENGINE, VALVE COVER
ENGINE, WATERPUMP AND BYPASS
ENGINE, WATERPUMP ASSEMBLY
FUEL SYSTEM, EVAP FUEL TANK ASM
FUEL SYSTEM, FUEL TANK ASM.
REFERENCE, OWNERS MANUAL AND TOOL KIT - G24G2W99A/99B (C0706503)
STEERING, STEERING ASM.
SUSPENSION, FRONT CONTROL ARMS
SUSPENSION, FRONT SHOCK MOUNTING - G24G2W99A/99B (C703001)
SUSPENSION, FRONT STABILIZER BAR
SUSPENSION, FRONT WHEEL HUB, KNUCKLE
SUSPENSION, REAR CARRIER
SUSPENSION, REAR CONTROL ARMS
SUSPENSION, REAR SHOCK MOUNTING - G24G2W99A/99B (C703002)
SUSPENSION, REAR STABILIZER BAR
WHEELS, FRONT
WHEELS, REAR
*SERVICE AND MAINTENANCE PARTS LIST*
BODY, BOX ASSEMBLY, REAR - G24G2W99A/99B (C730524)
BODY, BOX, FOAM AND SHIELDS - G24G2W99A/99B (C730520)
BODY, BOX, MOUNTING - G24G2W99A/99B (C730522)
BODY, BOX, TAILGATE ASM. - G24G2W99A/99B (C730518)
BODY, CENTER CONSOLE - G24G2W99A/99B (C0706416-3)
BODY, DASH - G24G2W99A/99B (C703022)
BODY, DASH AND FRONT CLOSEOFF - G24G2W99A/99B (C702995-1)
BODY, DECALS, GRAPHICS - G24G2W99AB/BB (900479)
BODY, DECALS, GRAPHICS - G24G2W99AH/BH (900469)
BODY, DOOR ASSEMBLY - G24G2W99A/99B (C750012)
BODY, FLOOR, REAR CLOSEOFFS - G24G2W99A/99B (C702921)
BODY, FOAM AND LINER - G24G2W99A/99B (C0705215-3)
BODY, FRONT BUMPER, FASCIA, GRILLE, AND FLARES - G24G2W99A/99B (C0705224-3)
BODY, FRONT WINDOW ASM. - G24G2W99A/99B (C0704533-1)
BODY, HOOD, LINER, FRONT FENDERS, A PILLARS - G24G2W99A/99B (C702915-2)
BODY, HVAC CONDENSER AND HOSES
BODY, HVAC DUCTING
BODY, HVAC, MAIN
BODY, HVAC, MAIN - G24G2W99A/99B (900677)
BODY, HVAC, MAIN MOUNTING
BODY, LOWER ROCKERS, REAR FENDERS, PILLARS - G24G2W99A/99B (C0705221)
BODY, MIRROR, REAR VIEW
BODY, PILLAR FOAM AND LINERS - G24G2W99 (C0705224-10)
BODY, REAR WINDOW ASM. - G24G2W99A/99B (C0704533-2)
BODY, ROOF ASM. - G24G2W99A/99B (C0704533-3)
BODY, SEAT ASM., DRIVER - G24G2W99A/99B (C0704518-1)
BODY, SEAT ASM., PASSENGER - G24G2W99A/99B (C0704517-1)
BODY, SEAT BELT MOUNTING - G24G2W99A/99B (C702841)
BRAKES, BRAKE LINES AND MASTER CYLINDER
BRAKES, FOOT PEDAL
BRAKES, FRONT CALIPER
BRAKES, REAR CALIPER
CHASSIS, MAIN FRAME AND SKID PLATES
CHASSIS, ROLLOVER PROTECTION 2P
DRIVE TRAIN, CLUTCH COVER ASM.
DRIVE TRAIN, CLUTCH COVER DUCTING
DRIVE TRAIN, FRONT GEARCASE ASM.
DRIVE TRAIN, FRONT GEARCASE MOUNTING
DRIVE TRAIN, FRONT HALF SHAFT
DRIVE TRAIN, FRONT PROP SHAFT
DRIVE TRAIN, GEAR SELECTOR
DRIVE TRAIN, GEARCASE, MAIN
DRIVE TRAIN, MAIN GEARCASE MOUNTING
DRIVE TRAIN, PRIMARY CLUTCH
DRIVE TRAIN, REAR HALF SHAFT
DRIVE TRAIN, REAR PROP SHAFT
DRIVE TRAIN, SECONDARY CLUTCH
ELECTRICAL, AUDIO
ELECTRICAL, AUDIO, AMPS
ELECTRICAL, AUDIO, SUBWOOFER
ELECTRICAL, BATTERY/CABLES
ELECTRICAL, COMPONENTS - G24G2W99A/99B (C702900-1)
ELECTRICAL, DASH INSTRUMENTS AND CONTROLS - G24G2W99A/99B (C702945)
ELECTRICAL, DOME LIGHT AND HARNESS - G24G2W99A/99B (C703122)
ELECTRICAL, HARNESS, MISC - G24G2W99A/99B (C702895)
ELECTRICAL, HARNESS-CHASSIS - G24G2W99A/99B (C730517-2)
ELECTRICAL, HEADLIGHTS AND TAILLIGHTS - G24G2W99A/99B (C702899)
ELECTRICAL, RIDE COMMAND COMPONENTS - G24G2W99A/99B (C702988)
ELECTRICAL, WINCH
ELECTRICAL, WINDSHIELD WIPER AND BOTTLE
ENGINE, AIR INTAKE
ENGINE, ALTERNATOR AND COMPRESSOR
ENGINE, CAM CHAIN AND TENSIONER
ENGINE, COOLING - G24G2W99A/99B (C703019-2)
ENGINE, COVERS, ALTERNATOR AND COMPRESSOR
ENGINE, CRANKCASE, CRANKSHAFT
ENGINE, CYLINDER AND PISTON
ENGINE, CYLINDER HEAD AND VALVES
ENGINE, DIPSTICK AND OIL FILTER
ENGINE, EXHAUST SYSTEM
ENGINE, IGNITION COILS AND SPARK PLUGS
ENGINE, INTAKE MANIFOLD, THROTTLE BODY, FUEL RAIL
ENGINE, MOUNTING & LONG BLOCK
ENGINE, OIL PUMP
ENGINE, OIL SUMP COVER
ENGINE, SENSORS
ENGINE, STARTER
ENGINE, THROTTLE PEDAL - G24G2W99A/99B (C702883)
ENGINE, VALVE COVER
ENGINE, WATERPUMP AND BYPASS
ENGINE, WATERPUMP ASSEMBLY
FUEL SYSTEM, EVAP FUEL TANK ASM
FUEL SYSTEM, FUEL TANK ASM.
REFERENCE, OWNERS MANUAL AND TOOL KIT - G24G2W99A/99B (C0706503)
STEERING, STEERING ASM.
SUSPENSION, FRONT CONTROL ARMS
SUSPENSION, FRONT SHOCK MOUNTING - G24G2W99A/99B (C703001)
SUSPENSION, FRONT STABILIZER BAR
SUSPENSION, FRONT WHEEL HUB, KNUCKLE
SUSPENSION, REAR CARRIER
SUSPENSION, REAR CONTROL ARMS
SUSPENSION, REAR SHOCK MOUNTING - G24G2W99A/99B (C703002)
SUSPENSION, REAR STABILIZER BAR
WHEELS, FRONT
WHEELS, REAR
VIEW WISH LIST